Hallo zusammen,
bei meinen Eltern steht derzeit die Abschaltung des analogen Kabelempfangs bevor und so möchten wir das Haus auf Unicable umrüsten.
Bei mir selber habe ich 2013 bei der Renovierung bereits eine Kathrein-Anlage (Standard-SAT-Anlage) installiert und bin damit hochzufrieden.
Bei meinen Eltern haben sich jetzt ein paar technische Fragen ergeben:
Erstmal das Szenario:
Bisher haben meine Eltern einen analogen Kabelanschluss, der im Keller terminiert und dann über eine Leitung auf insgesamt 6 Dosen verteilt wird.
Zukünftig möchten sie vom Kabel auf SAT wechseln.
Am vernünftigsten ist es dann, im Keller die Verbindung zu Kappen (rotes "X" und vom Dachboden ein Kabel zur ersten Dose zu legen (Gekennzeichnet als "NEU").
Im Normalfall sind nur 2 TV-Geräte im EG angeschlossen (einmal ein Samsung-TV und einmal ein Philips-TV, beide Unicable-fähig.)
Da ich mit Kathrein bei der Renovierung meines Hauses sehr gute Erfahrungen gemacht habe, dachte ich mir, auch dort eine Kathrein-Schüssel (CAS80) mit einem Unicable-fähigen LNB (UAS584) einzusetzen.
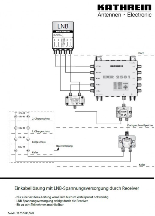
Von Kathrein habe ich mal einen alten Unicable-Schaltplan gefunden:
Anfangs dachte ich mir, diesen gegen den moderneren EXE256 zu ersetzen, da es mir am lieben wäre, wenn ich am Dachboden keinen Stromanschluss verlegen müsste (Brandschutz usw.)
Nach langem stöbern in den Foren bin ich auf den Jultec JPS0501-4+4T und den JPS0501-8T2 gestoßen. Der Jultec JPS0501-8T2 würde am Unicable-Strang 8 Verteidosen unterstüzen, was optimal für die Anforderungen ist, jedoch muss ich dort den LNB mit einem extra Netzteil versorgen, was heißen würde, das ich zum Dachboden einen Stromanschluss verlegen müsste.
Hier würde vermutlich der JRS0502-4+4T Abhilfe schaffen, da dieser auch das LNB mit versorgen kann. Die erste Dose im OG könnte ich dann per Legacy-Verbindung anschließen, dann würde mir nur eine Dose verloren gehen, diese müsste ich dann einfach "Brücken", was kein Problem sein sollte.
Reicht die LNB-Versorgung für den UAS584, laut Datenblatt liefert der Jultec 9V und der Kathrein braucht 11,5 bis 19 V?
Und dann bin ich mir mit den Verteildosen noch nicht ganz schlüssig.
Die letzte Dose wird als Enddose gebaut, aber wie ist es dazwischen bei 5 Dosen? Wie oft setzt man -10, -14 und -18db ein? Welche beiden Werte sollte man doppelt verwenden, damit ich auf 5 Dosen komme?
ist die Kombination überhaupt sinnvoll?
- Kathrein CAS80
- Kathrein UAS584
- Jultec JRS0502-4+4T
- Jultec JADXXX
Für Tipps und Infos wäre ich sehr dankbar!
Dafür möchte ich mich im Voraus schon mal ganz herzlich bedanken!
Viele Grüße:
Andreas
Umrüstung Kabel (analog) auf Unicable
Umrüstung Kabel (analog) auf Unicable
Zuletzt geändert von techno-com am 31. Juli 2018 10:57, insgesamt 1-mal geändert.
Grund: Edit by techno-com: Beitrag verschoben in passende Rubrik (von "technische Fragen zu Satanlagen" in "Fragen zu digitalen SAT-Einkabelsysteme") + Bilder direkt eingestellt (.pdf dabei umgewandelt in Bild-Datei)
Grund: Edit by techno-com: Beitrag verschoben in passende Rubrik (von "technische Fragen zu Satanlagen" in "Fragen zu digitalen SAT-Einkabelsysteme") + Bilder direkt eingestellt (.pdf dabei umgewandelt in Bild-Datei)
- techno-com
- Site Admin
- Beiträge: 22464
- Registriert: 17. November 2005 09:32
- Wohnort: 74076 Heilbronn
- Hat sich bedankt: 505 Mal
- Danksagung erhalten: 575 Mal
- Kontaktdaten:
Re: Umrüstung Kabel (analog) auf Unicable
Moderation:
- Beitrag in richtige Rubrik verschoben die sich nur mit diesen Anlagen-Aufbauten befasst
- Bild ins Forum direkt eingestellt
- Kathrein PDF in Bild umgewandelt und eingestellt
- Telefon-Anfruf beantwortet direkt 1 Minute nach Erstellung von diesem Beitrag im Forum
- Beitrag in richtige Rubrik verschoben die sich nur mit diesen Anlagen-Aufbauten befasst
- Bild ins Forum direkt eingestellt
- Kathrein PDF in Bild umgewandelt und eingestellt
- Telefon-Anfruf beantwortet direkt 1 Minute nach Erstellung von diesem Beitrag im Forum
Vielleicht sind wir nicht günstiger als ein Discounter oder reiner Online-Kartonschieber, aber sicherlich besser !
Normkonforme Beratung und Bau sind bei uns selbstverständlich.
Sat-Shop Heilbronn Kunden können sich auch nach dem Kauf auf unseren besten Service verlassen
Hier im Forum wird kein After-Sales-Support für Fremdkäufe geleistet !! Wenden Sie sich dazu an ihren Verkäufer ......
Tristan Uhde / Satanlagen Onlineshop / SAT-Shop Heilbronn
https://www.satshop-heilbronn.de (SSL) / SAT-Onlineforum https://www.satanlagenforum.de (SSL)
Tel ------ (Fragen gehören ins Forum ! Den nur hier können sie richtig bearbeitet werden, auch was hier noch nicht von A-Z genau schon erklärt/behandelt ist ) .. Dieser Hinweis weil täglich dutzende Fragen per Email oder per PM über das Forum rein kommen die noch dazu inhaltlich nicht das intus haben das man etwas dazu sagen könnte.
Wichtiger Hinweis: Zuständigkeiten verantwortliche Elektrofachkraft (VEFK) und Blitzschutzfachkräfte
Informieren Sie sich dort über Folgen und Auswirkungen von Eigenleistung und lassen Sie selbst durchgeführte Installationen von entsprechender Stelle prüfen und abnehmen. Dafür sind VOR ORT spezielle und qualifizierte Blitzschutz-Fachkräfte notwendig, Ferndiagnosen für Blitzschutz/Erdung können hier NICHT durchgeführt werden ("wie kann ICH das machen ..." oder ähnlich bringt da nichts).
Diese Signatur wächst von Woche zu Woche und enthält immer mehr grundlegende Inhalte die bitte berücksichtigt werden sollten bei bzw. VOR Anfragen !
100% beantwortet werden können nur Anfragen die auch alle relevanten Teile beinhalten die man benötigt für eine Antwort (genaue Beschreibungen/ Angabe von Herstellern/Typen für vorhandenes Material etc.). Bitte vermeiden Sie Aussagen wie "habe viel gelesen, aber versteht das nicht ..." ohne Nennung von dem was Sie gelesen haben und was genau unklar war an den Erklärungen die hier gelesen wurden - den nur dann kann man auch darauf eingehen was event. unklar ist/war.
Bitte unbedingt vor einem Post lesen => Boardregeln / Datenschutz
Wir erteilen hier keine Rechtsberatung, unsere Hinweise sind nach bestem Wissen und bedürfen einer entsprechenden juristischen/technischen weiteren Beratung.
Normkonforme Beratung und Bau sind bei uns selbstverständlich.
Sat-Shop Heilbronn Kunden können sich auch nach dem Kauf auf unseren besten Service verlassen
Hier im Forum wird kein After-Sales-Support für Fremdkäufe geleistet !! Wenden Sie sich dazu an ihren Verkäufer ......
Tristan Uhde / Satanlagen Onlineshop / SAT-Shop Heilbronn
https://www.satshop-heilbronn.de (SSL) / SAT-Onlineforum https://www.satanlagenforum.de (SSL)
Tel ------ (Fragen gehören ins Forum ! Den nur hier können sie richtig bearbeitet werden, auch was hier noch nicht von A-Z genau schon erklärt/behandelt ist ) .. Dieser Hinweis weil täglich dutzende Fragen per Email oder per PM über das Forum rein kommen die noch dazu inhaltlich nicht das intus haben das man etwas dazu sagen könnte.
Wichtiger Hinweis: Zuständigkeiten verantwortliche Elektrofachkraft (VEFK) und Blitzschutzfachkräfte
Informieren Sie sich dort über Folgen und Auswirkungen von Eigenleistung und lassen Sie selbst durchgeführte Installationen von entsprechender Stelle prüfen und abnehmen. Dafür sind VOR ORT spezielle und qualifizierte Blitzschutz-Fachkräfte notwendig, Ferndiagnosen für Blitzschutz/Erdung können hier NICHT durchgeführt werden ("wie kann ICH das machen ..." oder ähnlich bringt da nichts).
Diese Signatur wächst von Woche zu Woche und enthält immer mehr grundlegende Inhalte die bitte berücksichtigt werden sollten bei bzw. VOR Anfragen !
100% beantwortet werden können nur Anfragen die auch alle relevanten Teile beinhalten die man benötigt für eine Antwort (genaue Beschreibungen/ Angabe von Herstellern/Typen für vorhandenes Material etc.). Bitte vermeiden Sie Aussagen wie "habe viel gelesen, aber versteht das nicht ..." ohne Nennung von dem was Sie gelesen haben und was genau unklar war an den Erklärungen die hier gelesen wurden - den nur dann kann man auch darauf eingehen was event. unklar ist/war.
Bitte unbedingt vor einem Post lesen => Boardregeln / Datenschutz
Wir erteilen hier keine Rechtsberatung, unsere Hinweise sind nach bestem Wissen und bedürfen einer entsprechenden juristischen/technischen weiteren Beratung.
- techno-com
- Site Admin
- Beiträge: 22464
- Registriert: 17. November 2005 09:32
- Wohnort: 74076 Heilbronn
- Hat sich bedankt: 505 Mal
- Danksagung erhalten: 575 Mal
- Kontaktdaten:
Re: Umrüstung Kabel (analog) auf Unicable
Hallo undandreas84 hat geschrieben:Hallo zusammen,
Antwort kommt sofort, da muss man wirklich mit den gleichen Fragen wohl nicht 1 Minuten nach Erstellung vom Beitrag gleich anrufen
Siehe unter:andreas84 hat geschrieben:Für Tipps und Infos wäre ich sehr dankbar!
Umstellung von Kabel TV (40 Jahre alte Koax Kabel) auf Sat mit unicable
Umstellung: Kabel auf Sat mit Unicable
und in den darin verlinkten Beiträgen, alle ihre Fragen - und sicher noch viel viel mehr - werden darin genau erklärt. Alles Beiträge aus der passenden Rubrik wohin ich diese Anfrage jetzt verschoben habe.
Der hätte aber, wie alle Schalter mit -4 (4 UBs am Ausgang), dann nur den Vorteil das er receivergespeist wäre ... aber dafür nur 4 UBs die hier sicher nicht ausreichen werden bei einer guten Planung für längere Zeit.andreas84 hat geschrieben:Hier würde vermutlich der JRS0502-4+4T Abhilfe schaffen, da dieser auch das LNB mit versorgen kann. Die erste Dose im OG könnte ich dann per Legacy-Verbindung anschließen, dann würde mir nur eine Dose verloren gehen, diese müsste ich dann einfach "Brücken", was kein Problem sein sollte.
Daher den JPS0501-8T2 (+ Netzteil JNT19-2000) oder sogar den JPS0501-16TN (der sogar 16UBs hätte an einem Ausgang, das wäre dann ab UB9 JESS => Was ist JESS (Jultec Enhanced Stacking System/DIN EN 50607)? ).
Ja, das UAS584 im Gegensatz zu alten UAS484 ist dafür geeignet.andreas84 hat geschrieben:Reicht die LNB-Versorgung für den UAS584, laut Datenblatt liefert der Jultec 9V und der Kathrein braucht 11,5 bis 19 V?
Aber ich würde da gar keine Kathrein-Anlage stellen ... einfach eine Gibertini SE 85 OP + Inverto Black Premium Quattro-LNB.
Vielleicht sind wir nicht günstiger als ein Discounter oder reiner Online-Kartonschieber, aber sicherlich besser !
Normkonforme Beratung und Bau sind bei uns selbstverständlich.
Sat-Shop Heilbronn Kunden können sich auch nach dem Kauf auf unseren besten Service verlassen
Hier im Forum wird kein After-Sales-Support für Fremdkäufe geleistet !! Wenden Sie sich dazu an ihren Verkäufer ......
Tristan Uhde / Satanlagen Onlineshop / SAT-Shop Heilbronn
https://www.satshop-heilbronn.de (SSL) / SAT-Onlineforum https://www.satanlagenforum.de (SSL)
Tel ------ (Fragen gehören ins Forum ! Den nur hier können sie richtig bearbeitet werden, auch was hier noch nicht von A-Z genau schon erklärt/behandelt ist ) .. Dieser Hinweis weil täglich dutzende Fragen per Email oder per PM über das Forum rein kommen die noch dazu inhaltlich nicht das intus haben das man etwas dazu sagen könnte.
Wichtiger Hinweis: Zuständigkeiten verantwortliche Elektrofachkraft (VEFK) und Blitzschutzfachkräfte
Informieren Sie sich dort über Folgen und Auswirkungen von Eigenleistung und lassen Sie selbst durchgeführte Installationen von entsprechender Stelle prüfen und abnehmen. Dafür sind VOR ORT spezielle und qualifizierte Blitzschutz-Fachkräfte notwendig, Ferndiagnosen für Blitzschutz/Erdung können hier NICHT durchgeführt werden ("wie kann ICH das machen ..." oder ähnlich bringt da nichts).
Diese Signatur wächst von Woche zu Woche und enthält immer mehr grundlegende Inhalte die bitte berücksichtigt werden sollten bei bzw. VOR Anfragen !
100% beantwortet werden können nur Anfragen die auch alle relevanten Teile beinhalten die man benötigt für eine Antwort (genaue Beschreibungen/ Angabe von Herstellern/Typen für vorhandenes Material etc.). Bitte vermeiden Sie Aussagen wie "habe viel gelesen, aber versteht das nicht ..." ohne Nennung von dem was Sie gelesen haben und was genau unklar war an den Erklärungen die hier gelesen wurden - den nur dann kann man auch darauf eingehen was event. unklar ist/war.
Bitte unbedingt vor einem Post lesen => Boardregeln / Datenschutz
Wir erteilen hier keine Rechtsberatung, unsere Hinweise sind nach bestem Wissen und bedürfen einer entsprechenden juristischen/technischen weiteren Beratung.
Normkonforme Beratung und Bau sind bei uns selbstverständlich.
Sat-Shop Heilbronn Kunden können sich auch nach dem Kauf auf unseren besten Service verlassen
Hier im Forum wird kein After-Sales-Support für Fremdkäufe geleistet !! Wenden Sie sich dazu an ihren Verkäufer ......
Tristan Uhde / Satanlagen Onlineshop / SAT-Shop Heilbronn
https://www.satshop-heilbronn.de (SSL) / SAT-Onlineforum https://www.satanlagenforum.de (SSL)
Tel ------ (Fragen gehören ins Forum ! Den nur hier können sie richtig bearbeitet werden, auch was hier noch nicht von A-Z genau schon erklärt/behandelt ist ) .. Dieser Hinweis weil täglich dutzende Fragen per Email oder per PM über das Forum rein kommen die noch dazu inhaltlich nicht das intus haben das man etwas dazu sagen könnte.
Wichtiger Hinweis: Zuständigkeiten verantwortliche Elektrofachkraft (VEFK) und Blitzschutzfachkräfte
Informieren Sie sich dort über Folgen und Auswirkungen von Eigenleistung und lassen Sie selbst durchgeführte Installationen von entsprechender Stelle prüfen und abnehmen. Dafür sind VOR ORT spezielle und qualifizierte Blitzschutz-Fachkräfte notwendig, Ferndiagnosen für Blitzschutz/Erdung können hier NICHT durchgeführt werden ("wie kann ICH das machen ..." oder ähnlich bringt da nichts).
Diese Signatur wächst von Woche zu Woche und enthält immer mehr grundlegende Inhalte die bitte berücksichtigt werden sollten bei bzw. VOR Anfragen !
100% beantwortet werden können nur Anfragen die auch alle relevanten Teile beinhalten die man benötigt für eine Antwort (genaue Beschreibungen/ Angabe von Herstellern/Typen für vorhandenes Material etc.). Bitte vermeiden Sie Aussagen wie "habe viel gelesen, aber versteht das nicht ..." ohne Nennung von dem was Sie gelesen haben und was genau unklar war an den Erklärungen die hier gelesen wurden - den nur dann kann man auch darauf eingehen was event. unklar ist/war.
Bitte unbedingt vor einem Post lesen => Boardregeln / Datenschutz
Wir erteilen hier keine Rechtsberatung, unsere Hinweise sind nach bestem Wissen und bedürfen einer entsprechenden juristischen/technischen weiteren Beratung.
Re: Umrüstung Kabel (analog) auf Unicable
Hallo Herr Uhde,
vielen Dank für die Rückmeldung und die Tipps.
Entschuldigen Sie bitte, das ich Sie versucht habe, telefonisch zu erreichen und den Thread in einer falschen Rubrik gepostet hatte.
Ich gelobe Besserung!
Gefühlt habe ich in den letzten Tagen mehr als 100 Beiträge bzgl. Unicable gelesen. Erst danach habe ich diesen Post hier erstellt, da es jetzt in die Endauswahl der Komponenten geht.
Die Gibertini und Inverto-Kombi hören sich sehr gut an, jedoch gefällt mir irgendwie der Wetterschutz und das Kabelmanagement der Kathrein-Anlagen ein wenig besser. Bei verschiedenen Tests habe ich gesehen, das die Kathrein-Schüssel um Nunancen besser abgeschnitten hat.
Da meine Eltern derzeit nur die beiden TV-Geräte einsetzen und in den nächsten Jahren nichts neues geplant ist, reicht meiner Meinung nach die JRS0502-4+4T völlig aus, dann kann ich mir auch die zusätzliche Stromversorgung am Dachboden sparen.
Die nächsten Jahre werden dann ja nur 2 UBs benötigt (1x Samsung-TV, 1x Philips-TV), wichtig ist für meine Eltern, das die beiden TVs funktionieren, mehr wollen sie gar nicht. Wenn dann später mal (sicher erst in ca. 10 Jahren) mehr benötigt wird, kann ich den Jultec gegen einen besseren austauschen bis dahin wird sich sicher noch viel in diesem Bereich tun. Selbst wenn ich aktuell einen besseren verbauen würde, würde sich dieser mit den 2 Anschlüssen nur "langweilen". Videorecorder oder dergleichen haben meine Eltern nicht und in dieser Richtung ist auch keine Erweiterung in der Zukunft geplant.
Somit wäre in diesem Fall die vermutlich die optimale Lösung:
Kathrein CAS80 -> Kathrein UAS584 -> Erdungsblock mit Überspannungsschutz -> JRS0502-4+4T -> 5x JAD310/314/318TRS -> 1x JAD307TRS
Im Außenbereich UV-geschütztes Kabel (z.B. LCD115) und im Innenbereich Standard-Kabel (LCD 111).
Bei späterer Erweiterung kann der Jultec JRS einfach z,B. gegen den JPS0501-8T2 ausgetauscht werden, dann muss letztendlich nur noch eine Stromleitung zum Dachboden gelegt werden.
Oder würden Sie mir generell von dieser Kombination abraten?
Die Frage ist, ob der Spannungsabfall von den Geräten im EG nicht zu hoch ist bis zum Jultec oben im Dachgeschoss, nicht das die Spannung unter 9V absinkt. Gibts hier Erfahrungswerte?
Vielen Dank und viele Grüße:
Andreas
vielen Dank für die Rückmeldung und die Tipps.
Entschuldigen Sie bitte, das ich Sie versucht habe, telefonisch zu erreichen und den Thread in einer falschen Rubrik gepostet hatte.
Ich gelobe Besserung!
Gefühlt habe ich in den letzten Tagen mehr als 100 Beiträge bzgl. Unicable gelesen. Erst danach habe ich diesen Post hier erstellt, da es jetzt in die Endauswahl der Komponenten geht.
Die Gibertini und Inverto-Kombi hören sich sehr gut an, jedoch gefällt mir irgendwie der Wetterschutz und das Kabelmanagement der Kathrein-Anlagen ein wenig besser. Bei verschiedenen Tests habe ich gesehen, das die Kathrein-Schüssel um Nunancen besser abgeschnitten hat.
Da meine Eltern derzeit nur die beiden TV-Geräte einsetzen und in den nächsten Jahren nichts neues geplant ist, reicht meiner Meinung nach die JRS0502-4+4T völlig aus, dann kann ich mir auch die zusätzliche Stromversorgung am Dachboden sparen.
Die nächsten Jahre werden dann ja nur 2 UBs benötigt (1x Samsung-TV, 1x Philips-TV), wichtig ist für meine Eltern, das die beiden TVs funktionieren, mehr wollen sie gar nicht. Wenn dann später mal (sicher erst in ca. 10 Jahren) mehr benötigt wird, kann ich den Jultec gegen einen besseren austauschen bis dahin wird sich sicher noch viel in diesem Bereich tun. Selbst wenn ich aktuell einen besseren verbauen würde, würde sich dieser mit den 2 Anschlüssen nur "langweilen". Videorecorder oder dergleichen haben meine Eltern nicht und in dieser Richtung ist auch keine Erweiterung in der Zukunft geplant.
Somit wäre in diesem Fall die vermutlich die optimale Lösung:
Kathrein CAS80 -> Kathrein UAS584 -> Erdungsblock mit Überspannungsschutz -> JRS0502-4+4T -> 5x JAD310/314/318TRS -> 1x JAD307TRS
Im Außenbereich UV-geschütztes Kabel (z.B. LCD115) und im Innenbereich Standard-Kabel (LCD 111).
Bei späterer Erweiterung kann der Jultec JRS einfach z,B. gegen den JPS0501-8T2 ausgetauscht werden, dann muss letztendlich nur noch eine Stromleitung zum Dachboden gelegt werden.
Oder würden Sie mir generell von dieser Kombination abraten?
Die Frage ist, ob der Spannungsabfall von den Geräten im EG nicht zu hoch ist bis zum Jultec oben im Dachgeschoss, nicht das die Spannung unter 9V absinkt. Gibts hier Erfahrungswerte?
Vielen Dank und viele Grüße:
Andreas
- techno-com
- Site Admin
- Beiträge: 22464
- Registriert: 17. November 2005 09:32
- Wohnort: 74076 Heilbronn
- Hat sich bedankt: 505 Mal
- Danksagung erhalten: 575 Mal
- Kontaktdaten:
Re: Umrüstung Kabel (analog) auf Unicable
Hallo zurückandreas84 hat geschrieben:Hallo Herr Uhde,
Die Kathrein CAS80 ist eine 75cm Antenne ....andreas84 hat geschrieben:Die Gibertini und Inverto-Kombi hören sich sehr gut an, jedoch gefällt mir irgendwie der Wetterschutz und das Kabelmanagement der Kathrein-Anlagen ein wenig besser. Bei verschiedenen Tests habe ich gesehen, das die Kathrein-Schüssel um Nunancen besser abgeschnitten hat.
Kathrein CAS80: Antennengewinn bei 10,70-11,70 GHz/11,70-12,50 GHz/12,50-12,75 GHz (dBi): 36,8/37,3/37,7
Gibertini SE 85 OP: Gewinn: 37,8db bei 10.70 GHz, 38,5dB bei 11,70 GHz, 39.2db bei 12.75 GHz
Das sind Werte auf die ich etwas gebe, abgesehen natürlich von der Materialstärke (1.3mm Kathrein CAS80 zu 1.2mm bei der Gibertini), dem Material selbst und vielem mehr was zu einer guten Antenne gehört.
Das mit dem Kabelmanagment versteh ich nicht, auch die Gibertini hat einen Doppel-Feedarm wo man die Kabel innen sehr schön durchführen kann.
Bei Kathrein gab/gibt es nur eine gute Antenne, und das ist die CAS90 die aber leider nicht mehr produziert wird und abgelöst wurde von der "Billig-Version" der CAS80. Reste sind da aber noch verfügbar, allerdings zu sehr hohen Preisen die ich da absolut nicht als notwendig ansehe im Einsatz.
Ein Schalter mit "+4" ist bei ihnen mehr als unnötig und falsch in der Wahl ... wenn es unbedingt ein JRS (receivergespeister) sein soll dann wohl eher der JRS0502-4T, der hätte 2 Ausgänge a 4 UBs und hat an jedem Ausgang auch die Legacy-/CSS-Kombifunktion. Also auch an jedem der beiden Ausgänge die Möglichkeit einen normalen Single-Receiver einzusetzen ohne Unicable-Tauglichkeit.andreas84 hat geschrieben:Da meine Eltern derzeit nur die beiden TV-Geräte einsetzen und in den nächsten Jahren nichts neues geplant ist, reicht meiner Meinung nach die JRS0502-4+4T völlig aus, dann kann ich mir auch die zusätzliche Stromversorgung am Dachboden sparen.
Wir haben keine Kabel von Kathrein, aber viele andere (wie in vielen Beiträgen parallel beschrieben) von Ören oder Sytronic im Bereich der UV-beständigen Kabel.andreas84 hat geschrieben:Im Außenbereich UV-geschütztes Kabel (z.B. LCD115) und im Innenbereich Standard-Kabel (LCD 111).
Auch dann könnten sie wieder einen JRS-Schalter davon schalten (der hätte wieder max. 4 UBs an jedem Ausgang), dann eben einen "M" => Jultec-Typenschlüsselandreas84 hat geschrieben:Bei späterer Erweiterung kann der Jultec JRS einfach z,B. gegen den JPS0501-8T2 ausgetauscht werden, dann muss letztendlich nur noch eine Stromleitung zum Dachboden gelegt werden.
Oder würden Sie mir generell von dieser Kombination abraten?
Wie schon gesagt, das geht ! Ist aber auch abhängig von dem Kabel das im Haus verlegt ist .....andreas84 hat geschrieben:Die Frage ist, ob der Spannungsabfall von den Geräten im EG nicht zu hoch ist bis zum Jultec oben im Dachgeschoss, nicht das die Spannung unter 9V absinkt. Gibts hier Erfahrungswerte?
Aber da bleiben jetzt 2 Fragen für mich:
1. warum bestehen sie auf einen receivergespeisten Schalter wenn sie da Probleme sehen und gehen nicht auf "Nummer sicher" mit einem JPS-Schalter der mehr UBs liefern würde an seinen Ausgängen und noch dazu ein Netzteil hätte für die LNB-Spannungsversorgung was alle diesen Problemen dann Abhilfe schaffen würde
2. warum muss es unbedingt das Kathrein LNB sein wenn das doch eines ist mit hoher (in ihren Augen "problematischen") Stromaufnahme ist
Vielleicht sind wir nicht günstiger als ein Discounter oder reiner Online-Kartonschieber, aber sicherlich besser !
Normkonforme Beratung und Bau sind bei uns selbstverständlich.
Sat-Shop Heilbronn Kunden können sich auch nach dem Kauf auf unseren besten Service verlassen
Hier im Forum wird kein After-Sales-Support für Fremdkäufe geleistet !! Wenden Sie sich dazu an ihren Verkäufer ......
Tristan Uhde / Satanlagen Onlineshop / SAT-Shop Heilbronn
https://www.satshop-heilbronn.de (SSL) / SAT-Onlineforum https://www.satanlagenforum.de (SSL)
Tel ------ (Fragen gehören ins Forum ! Den nur hier können sie richtig bearbeitet werden, auch was hier noch nicht von A-Z genau schon erklärt/behandelt ist ) .. Dieser Hinweis weil täglich dutzende Fragen per Email oder per PM über das Forum rein kommen die noch dazu inhaltlich nicht das intus haben das man etwas dazu sagen könnte.
Wichtiger Hinweis: Zuständigkeiten verantwortliche Elektrofachkraft (VEFK) und Blitzschutzfachkräfte
Informieren Sie sich dort über Folgen und Auswirkungen von Eigenleistung und lassen Sie selbst durchgeführte Installationen von entsprechender Stelle prüfen und abnehmen. Dafür sind VOR ORT spezielle und qualifizierte Blitzschutz-Fachkräfte notwendig, Ferndiagnosen für Blitzschutz/Erdung können hier NICHT durchgeführt werden ("wie kann ICH das machen ..." oder ähnlich bringt da nichts).
Diese Signatur wächst von Woche zu Woche und enthält immer mehr grundlegende Inhalte die bitte berücksichtigt werden sollten bei bzw. VOR Anfragen !
100% beantwortet werden können nur Anfragen die auch alle relevanten Teile beinhalten die man benötigt für eine Antwort (genaue Beschreibungen/ Angabe von Herstellern/Typen für vorhandenes Material etc.). Bitte vermeiden Sie Aussagen wie "habe viel gelesen, aber versteht das nicht ..." ohne Nennung von dem was Sie gelesen haben und was genau unklar war an den Erklärungen die hier gelesen wurden - den nur dann kann man auch darauf eingehen was event. unklar ist/war.
Bitte unbedingt vor einem Post lesen => Boardregeln / Datenschutz
Wir erteilen hier keine Rechtsberatung, unsere Hinweise sind nach bestem Wissen und bedürfen einer entsprechenden juristischen/technischen weiteren Beratung.
Normkonforme Beratung und Bau sind bei uns selbstverständlich.
Sat-Shop Heilbronn Kunden können sich auch nach dem Kauf auf unseren besten Service verlassen
Hier im Forum wird kein After-Sales-Support für Fremdkäufe geleistet !! Wenden Sie sich dazu an ihren Verkäufer ......
Tristan Uhde / Satanlagen Onlineshop / SAT-Shop Heilbronn
https://www.satshop-heilbronn.de (SSL) / SAT-Onlineforum https://www.satanlagenforum.de (SSL)
Tel ------ (Fragen gehören ins Forum ! Den nur hier können sie richtig bearbeitet werden, auch was hier noch nicht von A-Z genau schon erklärt/behandelt ist ) .. Dieser Hinweis weil täglich dutzende Fragen per Email oder per PM über das Forum rein kommen die noch dazu inhaltlich nicht das intus haben das man etwas dazu sagen könnte.
Wichtiger Hinweis: Zuständigkeiten verantwortliche Elektrofachkraft (VEFK) und Blitzschutzfachkräfte
Informieren Sie sich dort über Folgen und Auswirkungen von Eigenleistung und lassen Sie selbst durchgeführte Installationen von entsprechender Stelle prüfen und abnehmen. Dafür sind VOR ORT spezielle und qualifizierte Blitzschutz-Fachkräfte notwendig, Ferndiagnosen für Blitzschutz/Erdung können hier NICHT durchgeführt werden ("wie kann ICH das machen ..." oder ähnlich bringt da nichts).
Diese Signatur wächst von Woche zu Woche und enthält immer mehr grundlegende Inhalte die bitte berücksichtigt werden sollten bei bzw. VOR Anfragen !
100% beantwortet werden können nur Anfragen die auch alle relevanten Teile beinhalten die man benötigt für eine Antwort (genaue Beschreibungen/ Angabe von Herstellern/Typen für vorhandenes Material etc.). Bitte vermeiden Sie Aussagen wie "habe viel gelesen, aber versteht das nicht ..." ohne Nennung von dem was Sie gelesen haben und was genau unklar war an den Erklärungen die hier gelesen wurden - den nur dann kann man auch darauf eingehen was event. unklar ist/war.
Bitte unbedingt vor einem Post lesen => Boardregeln / Datenschutz
Wir erteilen hier keine Rechtsberatung, unsere Hinweise sind nach bestem Wissen und bedürfen einer entsprechenden juristischen/technischen weiteren Beratung.
-
- Related Topics
- Antworten
- Zugriffe
- Letzter Beitrag
-
- 2 Antworten
- 1530 Zugriffe
-
Letzter Beitrag von Blubber2955
Neuester Beitrag
14. Januar 2023 08:54
Mülleimer
-
- 1 Antworten
- 1586 Zugriffe
-
Letzter Beitrag von techno-com
Neuester Beitrag
6. Januar 2023 20:10
Mülleimer
-
- 3 Antworten
- 2019 Zugriffe
-
Letzter Beitrag von techno-com
Neuester Beitrag
5. September 2022 13:18
Fragen zu digitalen SAT- Einkabelsystemen
-
- 9 Antworten
- 3117 Zugriffe
-
Letzter Beitrag von makern
Neuester Beitrag
14. März 2022 12:49
Unicable- / Einkabel- LNB´s
-
- 5 Antworten
- 2409 Zugriffe
-
Letzter Beitrag von techno-com
Neuester Beitrag
13. Dezember 2021 09:09
technische Fragen zu Satanlagen
-
- 5 Antworten
- 1556 Zugriffe
-
Letzter Beitrag von techno-com
Neuester Beitrag
12. April 2021 10:55
Mülleimer
-
- 2 Antworten
- 1309 Zugriffe
-
Letzter Beitrag von techno-com
Neuester Beitrag
18. Januar 2021 16:38
Mülleimer
-
- 1 Antworten
- 1043 Zugriffe
-
Letzter Beitrag von techno-com
Neuester Beitrag
30. November 2020 09:09
Mülleimer
-
-
Erweiterung bzw. Umrüstung Unicable - Was kann bleiben? Was muß neu?
Dateianhang von doc_jochim » 18. November 2020 22:11 - 8 Antworten
- 3547 Zugriffe
-
Letzter Beitrag von doc_jochim
Neuester Beitrag
12. Mai 2022 17:58
Fragen zu digitalen SAT- Einkabelsystemen
-
-
- 1 Antworten
- 1161 Zugriffe
-
Letzter Beitrag von techno-com
Neuester Beitrag
20. August 2020 10:30
Fragen zu digitalen SAT- Einkabelsystemen

