So, wir haben jetzt endlich die Schlüssel vom Haus und konnten uns die Verkabelung mal genauer angucken.
Wir müssen jetzt etwas umplanen.
Der erste Strang wird so aussehen: Jultec-Schalter > 11m Kabel > Dose1 > 7m Kabel > Dose2
Der 2. Strang: Jultec-Schalter > 20m Kabel > Dose1 > 10m Kabel > Dose2 > 8m Kabel > Dose3
Der 3. Strang: Jultec-Schalter > 14m Kabel > Dose1
Kannst du noch mal schauen, welche Dosen ich da an welcher Stelle nehmen muss?
Und welche Stänge sollten an den 2-fach Verteiler und welcher kommt direkt an den Multischalter?
Viele Grüße Mike
Aufbau/Planung Satanlage
- techno-com
- Site Admin
- Beiträge: 22454
- Registriert: 17. November 2005 09:32
- Wohnort: 74076 Heilbronn
- Hat sich bedankt: 504 Mal
- Danksagung erhalten: 575 Mal
- Kontaktdaten:
Re: Aufbau/Planung Satanlage
Hallo zurück
Was muss dabei berücksichtigt werden ? Ganz einfach, die "Nutzung" der Dosen .. pro Ausgang vom JRS0502-8T haben wir je 8 UBs, es können also so pro Ausgang 8 Tuner versorgt werden. Hier ist es jetzt also wichtig welche Dose hier in welchem Raum ist, und dazu noch was dort für Receiver betrieben werden sollen. Wo z.B. ist das Wohnzimmer, das ist ja wohl der Raum der am meisten Versorungen/UBs erhalten sollte.
Und wenn ich das dann genau weiß wie sie sich entschieden haben kann ich mal eine Pegelberechnung machen, den da müssen noch ggf. Dämpfungsglieder rein (die kommen dann an den jeweiligen Ausgang vom JRS-Schalter ran, direkt an die Ausgänge A+B (bzw. auch nur eines davon, das kann ich aber erst dann genau sagen wenn ich weiß wie sie ihre Aufteilung hinter dem Verteiler machen möchten, welche Stränge also über den 2-fach Verteiler laufen und welcher direkt sein sollte).
Bekommen wir auch vom Tisch, jetzt dann alles richtig mit den jetzt vorliegenden genau passenden Daten
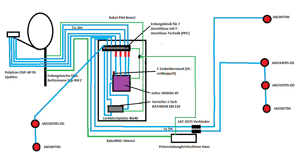
Sieht dann so aus, die passenden Dosen habe ich da bereits eingezeichnet ...Mike89 hat geschrieben: 14. März 2022 10:55Der erste Strang wird so aussehen: Jultec-Schalter > 11m Kabel > Dose1 > 7m Kabel > Dose2
Der 2. Strang: Jultec-Schalter > 20m Kabel > Dose1 > 10m Kabel > Dose2 > 8m Kabel > Dose3
Der 3. Strang: Jultec-Schalter > 14m Kabel > Dose1
Kannst du noch mal schauen, welche Dosen ich da an welcher Stelle nehmen muss?
Das unterliegt nur ihrer Entscheidung ....Mike89 hat geschrieben: 14. März 2022 10:55Und welche Stänge sollten an den 2-fach Verteiler und welcher kommt direkt an den Multischalter?
Was muss dabei berücksichtigt werden ? Ganz einfach, die "Nutzung" der Dosen .. pro Ausgang vom JRS0502-8T haben wir je 8 UBs, es können also so pro Ausgang 8 Tuner versorgt werden. Hier ist es jetzt also wichtig welche Dose hier in welchem Raum ist, und dazu noch was dort für Receiver betrieben werden sollen. Wo z.B. ist das Wohnzimmer, das ist ja wohl der Raum der am meisten Versorungen/UBs erhalten sollte.
Und wenn ich das dann genau weiß wie sie sich entschieden haben kann ich mal eine Pegelberechnung machen, den da müssen noch ggf. Dämpfungsglieder rein (die kommen dann an den jeweiligen Ausgang vom JRS-Schalter ran, direkt an die Ausgänge A+B (bzw. auch nur eines davon, das kann ich aber erst dann genau sagen wenn ich weiß wie sie ihre Aufteilung hinter dem Verteiler machen möchten, welche Stränge also über den 2-fach Verteiler laufen und welcher direkt sein sollte).
Vielleicht sind wir nicht günstiger als ein Discounter oder reiner Online-Kartonschieber, aber sicherlich besser !
Normkonforme Beratung und Bau sind bei uns selbstverständlich.
Sat-Shop Heilbronn Kunden können sich auch nach dem Kauf auf unseren besten Service verlassen
Hier im Forum wird kein After-Sales-Support für Fremdkäufe geleistet !! Wenden Sie sich dazu an ihren Verkäufer ......
Tristan Uhde / Satanlagen Onlineshop / SAT-Shop Heilbronn
https://www.satshop-heilbronn.de (SSL) / SAT-Onlineforum https://www.satanlagenforum.de (SSL)
Tel ------ (Fragen gehören ins Forum ! Den nur hier können sie richtig bearbeitet werden, auch was hier noch nicht von A-Z genau schon erklärt/behandelt ist ) .. Dieser Hinweis weil täglich dutzende Fragen per Email oder per PM über das Forum rein kommen die noch dazu inhaltlich nicht das intus haben das man etwas dazu sagen könnte.
Wichtiger Hinweis: Zuständigkeiten verantwortliche Elektrofachkraft (VEFK) und Blitzschutzfachkräfte
Informieren Sie sich dort über Folgen und Auswirkungen von Eigenleistung und lassen Sie selbst durchgeführte Installationen von entsprechender Stelle prüfen und abnehmen. Dafür sind VOR ORT spezielle und qualifizierte Blitzschutz-Fachkräfte notwendig, Ferndiagnosen für Blitzschutz/Erdung können hier NICHT durchgeführt werden ("wie kann ICH das machen ..." oder ähnlich bringt da nichts).
Diese Signatur wächst von Woche zu Woche und enthält immer mehr grundlegende Inhalte die bitte berücksichtigt werden sollten bei bzw. VOR Anfragen !
100% beantwortet werden können nur Anfragen die auch alle relevanten Teile beinhalten die man benötigt für eine Antwort (genaue Beschreibungen/ Angabe von Herstellern/Typen für vorhandenes Material etc.). Bitte vermeiden Sie Aussagen wie "habe viel gelesen, aber versteht das nicht ..." ohne Nennung von dem was Sie gelesen haben und was genau unklar war an den Erklärungen die hier gelesen wurden - den nur dann kann man auch darauf eingehen was event. unklar ist/war.
Bitte unbedingt vor einem Post lesen => Boardregeln / Datenschutz
Wir erteilen hier keine Rechtsberatung, unsere Hinweise sind nach bestem Wissen und bedürfen einer entsprechenden juristischen/technischen weiteren Beratung.
Normkonforme Beratung und Bau sind bei uns selbstverständlich.
Sat-Shop Heilbronn Kunden können sich auch nach dem Kauf auf unseren besten Service verlassen
Hier im Forum wird kein After-Sales-Support für Fremdkäufe geleistet !! Wenden Sie sich dazu an ihren Verkäufer ......
Tristan Uhde / Satanlagen Onlineshop / SAT-Shop Heilbronn
https://www.satshop-heilbronn.de (SSL) / SAT-Onlineforum https://www.satanlagenforum.de (SSL)
Tel ------ (Fragen gehören ins Forum ! Den nur hier können sie richtig bearbeitet werden, auch was hier noch nicht von A-Z genau schon erklärt/behandelt ist ) .. Dieser Hinweis weil täglich dutzende Fragen per Email oder per PM über das Forum rein kommen die noch dazu inhaltlich nicht das intus haben das man etwas dazu sagen könnte.
Wichtiger Hinweis: Zuständigkeiten verantwortliche Elektrofachkraft (VEFK) und Blitzschutzfachkräfte
Informieren Sie sich dort über Folgen und Auswirkungen von Eigenleistung und lassen Sie selbst durchgeführte Installationen von entsprechender Stelle prüfen und abnehmen. Dafür sind VOR ORT spezielle und qualifizierte Blitzschutz-Fachkräfte notwendig, Ferndiagnosen für Blitzschutz/Erdung können hier NICHT durchgeführt werden ("wie kann ICH das machen ..." oder ähnlich bringt da nichts).
Diese Signatur wächst von Woche zu Woche und enthält immer mehr grundlegende Inhalte die bitte berücksichtigt werden sollten bei bzw. VOR Anfragen !
100% beantwortet werden können nur Anfragen die auch alle relevanten Teile beinhalten die man benötigt für eine Antwort (genaue Beschreibungen/ Angabe von Herstellern/Typen für vorhandenes Material etc.). Bitte vermeiden Sie Aussagen wie "habe viel gelesen, aber versteht das nicht ..." ohne Nennung von dem was Sie gelesen haben und was genau unklar war an den Erklärungen die hier gelesen wurden - den nur dann kann man auch darauf eingehen was event. unklar ist/war.
Bitte unbedingt vor einem Post lesen => Boardregeln / Datenschutz
Wir erteilen hier keine Rechtsberatung, unsere Hinweise sind nach bestem Wissen und bedürfen einer entsprechenden juristischen/technischen weiteren Beratung.
Re: Aufbau/Planung Satanlage
Ich würde dann ganz gerne Strang 1 und 3 auf den Verteiler legen.
Und Strang 2 direkt an den Multischalter.
Das würde für mich am meisten Sinn von der Verteilung der UBs machen.
Und Strang 2 direkt an den Multischalter.
Das würde für mich am meisten Sinn von der Verteilung der UBs machen.
- techno-com
- Site Admin
- Beiträge: 22454
- Registriert: 17. November 2005 09:32
- Wohnort: 74076 Heilbronn
- Hat sich bedankt: 504 Mal
- Danksagung erhalten: 575 Mal
- Kontaktdaten:
Re: Aufbau/Planung Satanlage
Dann passt die Zeichnung ja auch jetzt genau
So wäre dann an keinem Strang ein Dämpfungsglied notwendig ...
Strang 2 (direkt aus dem Mulltischalter raus):
Jultec Ausgangspegel: 90dBµV
20m Kabel = 6dB Dämpfung
Dose1 (Jultec JAD314TRS Durchgangsdose, Auskoppedämpfung 14db) = 70dBµV
"... > 10m Kabel > Dose2 > 8m Kabel > Dose3"
.. und hier passt das dann auch
Strang 1 + 3 (über den Verteiler):
Jultec Ausgangspegel: 90dBV
Kathrein EBC110 2-fach Verteiler: 6dB Dämpfung
14m Kabel = 4-5dB Dämpfung
> Dose1 (Jultec JAD307TRS, 7db Auskoppeldämpfung)
---------------
etwas über 70dBµV, passt aber ... und da auch am anderen Strang wo wir noch weiter runter kommen würde, näher an die 70dBµV ran.
So wäre dann an keinem Strang ein Dämpfungsglied notwendig ...
Strang 2 (direkt aus dem Mulltischalter raus):
Jultec Ausgangspegel: 90dBµV
20m Kabel = 6dB Dämpfung
Dose1 (Jultec JAD314TRS Durchgangsdose, Auskoppedämpfung 14db) = 70dBµV
"... > 10m Kabel > Dose2 > 8m Kabel > Dose3"
.. und hier passt das dann auch
Strang 1 + 3 (über den Verteiler):
Jultec Ausgangspegel: 90dBV
Kathrein EBC110 2-fach Verteiler: 6dB Dämpfung
14m Kabel = 4-5dB Dämpfung
> Dose1 (Jultec JAD307TRS, 7db Auskoppeldämpfung)
---------------
etwas über 70dBµV, passt aber ... und da auch am anderen Strang wo wir noch weiter runter kommen würde, näher an die 70dBµV ran.
Vielleicht sind wir nicht günstiger als ein Discounter oder reiner Online-Kartonschieber, aber sicherlich besser !
Normkonforme Beratung und Bau sind bei uns selbstverständlich.
Sat-Shop Heilbronn Kunden können sich auch nach dem Kauf auf unseren besten Service verlassen
Hier im Forum wird kein After-Sales-Support für Fremdkäufe geleistet !! Wenden Sie sich dazu an ihren Verkäufer ......
Tristan Uhde / Satanlagen Onlineshop / SAT-Shop Heilbronn
https://www.satshop-heilbronn.de (SSL) / SAT-Onlineforum https://www.satanlagenforum.de (SSL)
Tel ------ (Fragen gehören ins Forum ! Den nur hier können sie richtig bearbeitet werden, auch was hier noch nicht von A-Z genau schon erklärt/behandelt ist ) .. Dieser Hinweis weil täglich dutzende Fragen per Email oder per PM über das Forum rein kommen die noch dazu inhaltlich nicht das intus haben das man etwas dazu sagen könnte.
Wichtiger Hinweis: Zuständigkeiten verantwortliche Elektrofachkraft (VEFK) und Blitzschutzfachkräfte
Informieren Sie sich dort über Folgen und Auswirkungen von Eigenleistung und lassen Sie selbst durchgeführte Installationen von entsprechender Stelle prüfen und abnehmen. Dafür sind VOR ORT spezielle und qualifizierte Blitzschutz-Fachkräfte notwendig, Ferndiagnosen für Blitzschutz/Erdung können hier NICHT durchgeführt werden ("wie kann ICH das machen ..." oder ähnlich bringt da nichts).
Diese Signatur wächst von Woche zu Woche und enthält immer mehr grundlegende Inhalte die bitte berücksichtigt werden sollten bei bzw. VOR Anfragen !
100% beantwortet werden können nur Anfragen die auch alle relevanten Teile beinhalten die man benötigt für eine Antwort (genaue Beschreibungen/ Angabe von Herstellern/Typen für vorhandenes Material etc.). Bitte vermeiden Sie Aussagen wie "habe viel gelesen, aber versteht das nicht ..." ohne Nennung von dem was Sie gelesen haben und was genau unklar war an den Erklärungen die hier gelesen wurden - den nur dann kann man auch darauf eingehen was event. unklar ist/war.
Bitte unbedingt vor einem Post lesen => Boardregeln / Datenschutz
Wir erteilen hier keine Rechtsberatung, unsere Hinweise sind nach bestem Wissen und bedürfen einer entsprechenden juristischen/technischen weiteren Beratung.
Normkonforme Beratung und Bau sind bei uns selbstverständlich.
Sat-Shop Heilbronn Kunden können sich auch nach dem Kauf auf unseren besten Service verlassen
Hier im Forum wird kein After-Sales-Support für Fremdkäufe geleistet !! Wenden Sie sich dazu an ihren Verkäufer ......
Tristan Uhde / Satanlagen Onlineshop / SAT-Shop Heilbronn
https://www.satshop-heilbronn.de (SSL) / SAT-Onlineforum https://www.satanlagenforum.de (SSL)
Tel ------ (Fragen gehören ins Forum ! Den nur hier können sie richtig bearbeitet werden, auch was hier noch nicht von A-Z genau schon erklärt/behandelt ist ) .. Dieser Hinweis weil täglich dutzende Fragen per Email oder per PM über das Forum rein kommen die noch dazu inhaltlich nicht das intus haben das man etwas dazu sagen könnte.
Wichtiger Hinweis: Zuständigkeiten verantwortliche Elektrofachkraft (VEFK) und Blitzschutzfachkräfte
Informieren Sie sich dort über Folgen und Auswirkungen von Eigenleistung und lassen Sie selbst durchgeführte Installationen von entsprechender Stelle prüfen und abnehmen. Dafür sind VOR ORT spezielle und qualifizierte Blitzschutz-Fachkräfte notwendig, Ferndiagnosen für Blitzschutz/Erdung können hier NICHT durchgeführt werden ("wie kann ICH das machen ..." oder ähnlich bringt da nichts).
Diese Signatur wächst von Woche zu Woche und enthält immer mehr grundlegende Inhalte die bitte berücksichtigt werden sollten bei bzw. VOR Anfragen !
100% beantwortet werden können nur Anfragen die auch alle relevanten Teile beinhalten die man benötigt für eine Antwort (genaue Beschreibungen/ Angabe von Herstellern/Typen für vorhandenes Material etc.). Bitte vermeiden Sie Aussagen wie "habe viel gelesen, aber versteht das nicht ..." ohne Nennung von dem was Sie gelesen haben und was genau unklar war an den Erklärungen die hier gelesen wurden - den nur dann kann man auch darauf eingehen was event. unklar ist/war.
Bitte unbedingt vor einem Post lesen => Boardregeln / Datenschutz
Wir erteilen hier keine Rechtsberatung, unsere Hinweise sind nach bestem Wissen und bedürfen einer entsprechenden juristischen/technischen weiteren Beratung.
Re: Aufbau/Planung Satanlage
So, es hat sich alles etwas gezogen, aber nun ist auch die Anlage endlich verbaut.
Es funktioniert alles perfekt.
Vielen Dank für die tolle Hilfe bei der Planung!
Hier noch ein paar Bilder
Es funktioniert alles perfekt.
Vielen Dank für die tolle Hilfe bei der Planung!
Hier noch ein paar Bilder

