Ist das eine Einkabelanlage?
-
eb8
- ist ganz gut am schreiben
- Beiträge: 47
- Registriert: 8. April 2025 16:26
- Danksagung erhalten: 1 Mal
Re: Ist das eine Einkabelanlage?
Die Dosen 30c und 32e anschauen wollte ich, die beiden Eigentümer haben sie nicht aufgeschraubt bekommen und ich war nicht mehr da, nur am Telefon. Versuche ich nächste Woche.
-
eb8
- ist ganz gut am schreiben
- Beiträge: 47
- Registriert: 8. April 2025 16:26
- Danksagung erhalten: 1 Mal
Re: Ist das eine Einkabelanlage?
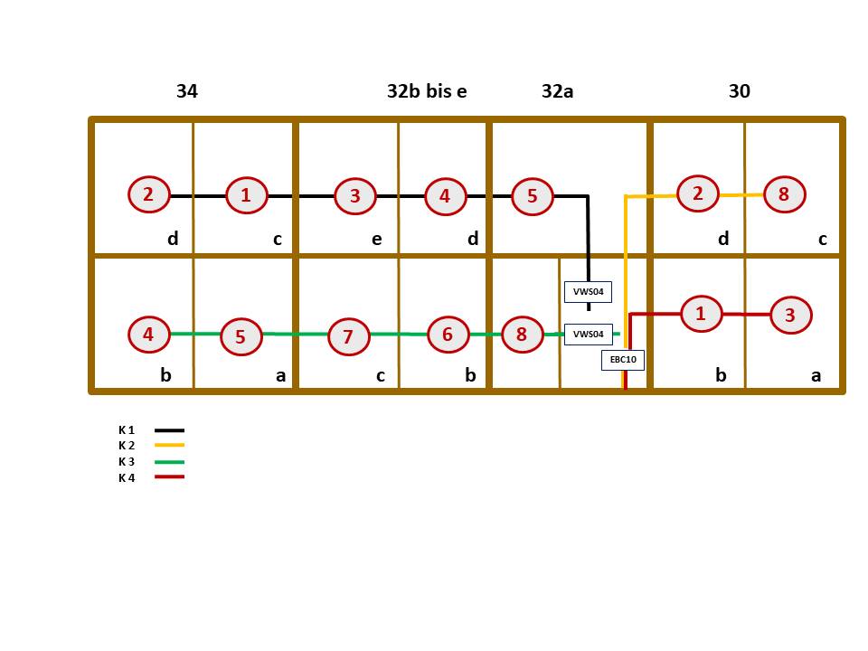
Peinlich peinlich, Ihr Misstrauen gegen den ominösen zweiten Splitter war berechtigt: wir haben beim Abschrauben Kabelfarben verwechselt; das gelbe Kabel geht nicht nach links hinten, sonden nach rechts vorne. Die Verkabelung ist in Wirklichkeit so, und das ist ja auch logischer als die erste Vermutung. Die Zuordnung der UBs ist auch wieder aufgetaucht, sie sind allerdings etwas durcheinander.
Theoretisch könnte die Dose im Obergeschoss von 32a auch so liegen:
Das kann ich erst am 2.Mai herausfinden, in Haus 32a ist niemand da.
Ich habe jetzt ein Kundenkonto angelegt. Kann ich ein Angebot bis 2. Mai bekommen, damit wir es auf der Versammlung am 3. Mai besprechen können?
Theoretisch könnte die Dose im Obergeschoss von 32a auch so liegen:
Das kann ich erst am 2.Mai herausfinden, in Haus 32a ist niemand da.
Ich habe jetzt ein Kundenkonto angelegt. Kann ich ein Angebot bis 2. Mai bekommen, damit wir es auf der Versammlung am 3. Mai besprechen können?
- techno-com
- Site Admin
- Beiträge: 22430
- Registriert: 17. November 2005 09:32
- Wohnort: 74076 Heilbronn
- Hat sich bedankt: 504 Mal
- Danksagung erhalten: 574 Mal
- Kontaktdaten:
Re: Ist das eine Einkabelanlage?
Vielleicht sind wir nicht günstiger als ein Discounter oder reiner Online-Kartonschieber, aber sicherlich besser !
Normkonforme Beratung und Bau sind bei uns selbstverständlich.
Sat-Shop Heilbronn Kunden können sich auch nach dem Kauf auf unseren besten Service verlassen
Hier im Forum wird kein After-Sales-Support für Fremdkäufe geleistet !! Wenden Sie sich dazu an ihren Verkäufer ......
Tristan Uhde / Satanlagen Onlineshop / SAT-Shop Heilbronn
https://www.satshop-heilbronn.de (SSL) / SAT-Onlineforum https://www.satanlagenforum.de (SSL)
Tel ------ (Fragen gehören ins Forum ! Den nur hier können sie richtig bearbeitet werden, auch was hier noch nicht von A-Z genau schon erklärt/behandelt ist ) .. Dieser Hinweis weil täglich dutzende Fragen per Email oder per PM über das Forum rein kommen die noch dazu inhaltlich nicht das intus haben das man etwas dazu sagen könnte.
Wichtiger Hinweis: Zuständigkeiten verantwortliche Elektrofachkraft (VEFK) und Blitzschutzfachkräfte
Informieren Sie sich dort über Folgen und Auswirkungen von Eigenleistung und lassen Sie selbst durchgeführte Installationen von entsprechender Stelle prüfen und abnehmen. Dafür sind VOR ORT spezielle und qualifizierte Blitzschutz-Fachkräfte notwendig, Ferndiagnosen für Blitzschutz/Erdung können hier NICHT durchgeführt werden ("wie kann ICH das machen ..." oder ähnlich bringt da nichts).
Diese Signatur wächst von Woche zu Woche und enthält immer mehr grundlegende Inhalte die bitte berücksichtigt werden sollten bei bzw. VOR Anfragen !
100% beantwortet werden können nur Anfragen die auch alle relevanten Teile beinhalten die man benötigt für eine Antwort (genaue Beschreibungen/ Angabe von Herstellern/Typen für vorhandenes Material etc.). Bitte vermeiden Sie Aussagen wie "habe viel gelesen, aber versteht das nicht ..." ohne Nennung von dem was Sie gelesen haben und was genau unklar war an den Erklärungen die hier gelesen wurden - den nur dann kann man auch darauf eingehen was event. unklar ist/war.
Bitte unbedingt vor einem Post lesen => Boardregeln / Datenschutz
Wir erteilen hier keine Rechtsberatung, unsere Hinweise sind nach bestem Wissen und bedürfen einer entsprechenden juristischen/technischen weiteren Beratung.
Normkonforme Beratung und Bau sind bei uns selbstverständlich.
Sat-Shop Heilbronn Kunden können sich auch nach dem Kauf auf unseren besten Service verlassen
Hier im Forum wird kein After-Sales-Support für Fremdkäufe geleistet !! Wenden Sie sich dazu an ihren Verkäufer ......
Tristan Uhde / Satanlagen Onlineshop / SAT-Shop Heilbronn
https://www.satshop-heilbronn.de (SSL) / SAT-Onlineforum https://www.satanlagenforum.de (SSL)
Tel ------ (Fragen gehören ins Forum ! Den nur hier können sie richtig bearbeitet werden, auch was hier noch nicht von A-Z genau schon erklärt/behandelt ist ) .. Dieser Hinweis weil täglich dutzende Fragen per Email oder per PM über das Forum rein kommen die noch dazu inhaltlich nicht das intus haben das man etwas dazu sagen könnte.
Wichtiger Hinweis: Zuständigkeiten verantwortliche Elektrofachkraft (VEFK) und Blitzschutzfachkräfte
Informieren Sie sich dort über Folgen und Auswirkungen von Eigenleistung und lassen Sie selbst durchgeführte Installationen von entsprechender Stelle prüfen und abnehmen. Dafür sind VOR ORT spezielle und qualifizierte Blitzschutz-Fachkräfte notwendig, Ferndiagnosen für Blitzschutz/Erdung können hier NICHT durchgeführt werden ("wie kann ICH das machen ..." oder ähnlich bringt da nichts).
Diese Signatur wächst von Woche zu Woche und enthält immer mehr grundlegende Inhalte die bitte berücksichtigt werden sollten bei bzw. VOR Anfragen !
100% beantwortet werden können nur Anfragen die auch alle relevanten Teile beinhalten die man benötigt für eine Antwort (genaue Beschreibungen/ Angabe von Herstellern/Typen für vorhandenes Material etc.). Bitte vermeiden Sie Aussagen wie "habe viel gelesen, aber versteht das nicht ..." ohne Nennung von dem was Sie gelesen haben und was genau unklar war an den Erklärungen die hier gelesen wurden - den nur dann kann man auch darauf eingehen was event. unklar ist/war.
Bitte unbedingt vor einem Post lesen => Boardregeln / Datenschutz
Wir erteilen hier keine Rechtsberatung, unsere Hinweise sind nach bestem Wissen und bedürfen einer entsprechenden juristischen/technischen weiteren Beratung.
-
eb8
- ist ganz gut am schreiben
- Beiträge: 47
- Registriert: 8. April 2025 16:26
- Danksagung erhalten: 1 Mal
Re: Ist das eine Einkabelanlage?
Dummer Fehler von mir, mittlerweile haben wir 2 Seiten, weil ich begriffsstutzig so viel herumgefragt habe 
-
eb8
- ist ganz gut am schreiben
- Beiträge: 47
- Registriert: 8. April 2025 16:26
- Danksagung erhalten: 1 Mal
Re: Ist das eine Einkabelanlage?
Warum ich den unsinnigen und unlogischen ersten Kabelplan nicht gleich angezweifelt habe, hat folgenden Grund:
Ich habe mir kurz nach meinem Einzug einen neuen TV gekauft. Damals wusse ich nicht, dass wir eine Einkabelanlage haben, habe ihn angeschlossen, er ging. Ich habe Wohnung 34d, also gelbes Kabel nach meinem ersten, falschen, Plan. Kurz drauf kam der Nachbar von 30b (rotes Kabel) zu mir, sein TV ginge nicht. Er hat mir erklärt, dass ich UB und Frequenz setzen muss und wie, ich habe das gemacht, er war zufrieden. Drum habe ich seit damals gedacht, er und ich wären am selben Splitter. Sind wir aber gar nicht, wie die Nachkontrolle gezeigt hat. Da konnte ich ihn eigentlich doch gar nicht stören?
Ich habe mir kurz nach meinem Einzug einen neuen TV gekauft. Damals wusse ich nicht, dass wir eine Einkabelanlage haben, habe ihn angeschlossen, er ging. Ich habe Wohnung 34d, also gelbes Kabel nach meinem ersten, falschen, Plan. Kurz drauf kam der Nachbar von 30b (rotes Kabel) zu mir, sein TV ginge nicht. Er hat mir erklärt, dass ich UB und Frequenz setzen muss und wie, ich habe das gemacht, er war zufrieden. Drum habe ich seit damals gedacht, er und ich wären am selben Splitter. Sind wir aber gar nicht, wie die Nachkontrolle gezeigt hat. Da konnte ich ihn eigentlich doch gar nicht stören?
- techno-com
- Site Admin
- Beiträge: 22430
- Registriert: 17. November 2005 09:32
- Wohnort: 74076 Heilbronn
- Hat sich bedankt: 504 Mal
- Danksagung erhalten: 574 Mal
- Kontaktdaten:
Re: Ist das eine Einkabelanlage?
Das bringt mich jetzt wieder total durcheinandereb8 hat geschrieben: 24. April 2025 09:25Die Verkabelung ist in Wirklichkeit so, und das ist ja auch logischer als die erste Vermutung. Die Zuordnung der UBs ist auch wieder aufgetaucht, sie sind allerdings etwas durcheinander.
..........
Theoretisch könnte die Dose im Obergeschoss von 32a auch so liegen:
Liegt "in Wirklichkeit" so, und dann "könnte theoretisch auch so liegen" passt nicht ganz zusammen.
Wie haben sie jetzt in Wohnung 32a aber die dort vergebene ID herausgefunden und diese jetzt in ihren Plan eingetragen ?eb8 hat geschrieben: 24. April 2025 09:25Das kann ich erst am 2.Mai herausfinden, in Haus 32a ist niemand da.
Wenn sie an dieser Anlage nur einen Receiver nicht auf Unicable programmieren, sondern auf Standard "Legacy" (Universal-LNB), dann würde an dem ganzen Strang nichts mehr gehen. Geräte untereinander an einem Strang stören sich nur wenn sie beide die gleichen Unicable-Programmierung erhalten, also die gleichen ID/Frequenz. Dabei würden diese beiden mit gleicher Programmierung aber die anderen am Strang nicht stören. Aber auch dieses Fehl-Einstellung eines Receivers werden die JAP-Dosen schützen, diese würden die Dauerspannung von 13/18V (Legacy-Modus, also NICHT Unicable !) nach ein paar Millisekunden unterbrechen dass diese Fehlprogrammierung nicht den ganzen Strang dauerhaft stören würde.eb8 hat geschrieben: 24. April 2025 12:41Warum ich den unsinnigen und unlogischen ersten Kabelplan nicht gleich angezweifelt habe, hat folgenden Grund:
Ich habe mir kurz nach meinem Einzug einen neuen TV gekauft. Damals wusse ich nicht, dass wir eine Einkabelanlage haben, habe ihn angeschlossen, er ging. Ich habe Wohnung 34d, also gelbes Kabel nach meinem ersten, falschen, Plan. Kurz drauf kam der Nachbar von 30b (rotes Kabel) zu mir, sein TV ginge nicht. Er hat mir erklärt, dass ich UB und Frequenz setzen muss und wie, ich habe das gemacht, er war zufrieden. Drum habe ich seit damals gedacht, er und ich wären am selben Splitter. Sind wir aber gar nicht, wie die Nachkontrolle gezeigt hat. Da konnte ich ihn eigentlich doch gar nicht stören?
Ich weiß aktuell gar nicht so ich anfangen soll .... ich brauche einfach GENAUE Daten, und hier habe ich jetzt schon wieder Hü-oder-Hott ! Aber dieses Mal nicht ganz so schlimm wenn eine der beiden Versionen wirklich richtig wäre. Das findet man ja recht einfach raus wenn diese Leute von Wohnung 32a da sind und man die Kabel einzeln unten von der Versorgung trennen kann und dann schaut welcher Reciever wann nicht mehr geht .....eb8 hat geschrieben: 24. April 2025 09:25Ich habe jetzt ein Kundenkonto angelegt. Kann ich ein Angebot bis 2. Mai bekommen, damit wir es auf der Versammlung am 3. Mai besprechen können?
Ich habe hier auch eine neue Idee, 3 Ausgänge mit je 8 UBs reichen hier ja sicher aus und das ginge auch mit einer anderen Version vom Aufbau (keiner braucht ja dort nach ihrer Aussage mehr als eine ID pro Gerät). Das zeichne ich jetzt mal zusammen, das bringe ich gleich in einem Beitrag dazu hier und dafür werde ich mal eine "ca-Aufstellung" der Komponenten machen was ich ihnen dann per Email sende über ihr neu angelegtes Kundenkonto im Shop. Das dauert jetzt aber ein wenig, da muss ich viel genau anschauen und auch viel zeichnen.
Vielleicht sind wir nicht günstiger als ein Discounter oder reiner Online-Kartonschieber, aber sicherlich besser !
Normkonforme Beratung und Bau sind bei uns selbstverständlich.
Sat-Shop Heilbronn Kunden können sich auch nach dem Kauf auf unseren besten Service verlassen
Hier im Forum wird kein After-Sales-Support für Fremdkäufe geleistet !! Wenden Sie sich dazu an ihren Verkäufer ......
Tristan Uhde / Satanlagen Onlineshop / SAT-Shop Heilbronn
https://www.satshop-heilbronn.de (SSL) / SAT-Onlineforum https://www.satanlagenforum.de (SSL)
Tel ------ (Fragen gehören ins Forum ! Den nur hier können sie richtig bearbeitet werden, auch was hier noch nicht von A-Z genau schon erklärt/behandelt ist ) .. Dieser Hinweis weil täglich dutzende Fragen per Email oder per PM über das Forum rein kommen die noch dazu inhaltlich nicht das intus haben das man etwas dazu sagen könnte.
Wichtiger Hinweis: Zuständigkeiten verantwortliche Elektrofachkraft (VEFK) und Blitzschutzfachkräfte
Informieren Sie sich dort über Folgen und Auswirkungen von Eigenleistung und lassen Sie selbst durchgeführte Installationen von entsprechender Stelle prüfen und abnehmen. Dafür sind VOR ORT spezielle und qualifizierte Blitzschutz-Fachkräfte notwendig, Ferndiagnosen für Blitzschutz/Erdung können hier NICHT durchgeführt werden ("wie kann ICH das machen ..." oder ähnlich bringt da nichts).
Diese Signatur wächst von Woche zu Woche und enthält immer mehr grundlegende Inhalte die bitte berücksichtigt werden sollten bei bzw. VOR Anfragen !
100% beantwortet werden können nur Anfragen die auch alle relevanten Teile beinhalten die man benötigt für eine Antwort (genaue Beschreibungen/ Angabe von Herstellern/Typen für vorhandenes Material etc.). Bitte vermeiden Sie Aussagen wie "habe viel gelesen, aber versteht das nicht ..." ohne Nennung von dem was Sie gelesen haben und was genau unklar war an den Erklärungen die hier gelesen wurden - den nur dann kann man auch darauf eingehen was event. unklar ist/war.
Bitte unbedingt vor einem Post lesen => Boardregeln / Datenschutz
Wir erteilen hier keine Rechtsberatung, unsere Hinweise sind nach bestem Wissen und bedürfen einer entsprechenden juristischen/technischen weiteren Beratung.
Normkonforme Beratung und Bau sind bei uns selbstverständlich.
Sat-Shop Heilbronn Kunden können sich auch nach dem Kauf auf unseren besten Service verlassen
Hier im Forum wird kein After-Sales-Support für Fremdkäufe geleistet !! Wenden Sie sich dazu an ihren Verkäufer ......
Tristan Uhde / Satanlagen Onlineshop / SAT-Shop Heilbronn
https://www.satshop-heilbronn.de (SSL) / SAT-Onlineforum https://www.satanlagenforum.de (SSL)
Tel ------ (Fragen gehören ins Forum ! Den nur hier können sie richtig bearbeitet werden, auch was hier noch nicht von A-Z genau schon erklärt/behandelt ist ) .. Dieser Hinweis weil täglich dutzende Fragen per Email oder per PM über das Forum rein kommen die noch dazu inhaltlich nicht das intus haben das man etwas dazu sagen könnte.
Wichtiger Hinweis: Zuständigkeiten verantwortliche Elektrofachkraft (VEFK) und Blitzschutzfachkräfte
Informieren Sie sich dort über Folgen und Auswirkungen von Eigenleistung und lassen Sie selbst durchgeführte Installationen von entsprechender Stelle prüfen und abnehmen. Dafür sind VOR ORT spezielle und qualifizierte Blitzschutz-Fachkräfte notwendig, Ferndiagnosen für Blitzschutz/Erdung können hier NICHT durchgeführt werden ("wie kann ICH das machen ..." oder ähnlich bringt da nichts).
Diese Signatur wächst von Woche zu Woche und enthält immer mehr grundlegende Inhalte die bitte berücksichtigt werden sollten bei bzw. VOR Anfragen !
100% beantwortet werden können nur Anfragen die auch alle relevanten Teile beinhalten die man benötigt für eine Antwort (genaue Beschreibungen/ Angabe von Herstellern/Typen für vorhandenes Material etc.). Bitte vermeiden Sie Aussagen wie "habe viel gelesen, aber versteht das nicht ..." ohne Nennung von dem was Sie gelesen haben und was genau unklar war an den Erklärungen die hier gelesen wurden - den nur dann kann man auch darauf eingehen was event. unklar ist/war.
Bitte unbedingt vor einem Post lesen => Boardregeln / Datenschutz
Wir erteilen hier keine Rechtsberatung, unsere Hinweise sind nach bestem Wissen und bedürfen einer entsprechenden juristischen/technischen weiteren Beratung.
- techno-com
- Site Admin
- Beiträge: 22430
- Registriert: 17. November 2005 09:32
- Wohnort: 74076 Heilbronn
- Hat sich bedankt: 504 Mal
- Danksagung erhalten: 574 Mal
- Kontaktdaten:
Re: Ist das eine Einkabelanlage?
So .. meine neue Planung !
3 Ausgänge nur noch ... 2 Stränge mit 5 Dosen und ein Strang mit 4 Dosen.
Und jetzt zu den ID-Verteilung der JAP-Antennendosen für diesen Aufbau:
30a: ID 3+4
30b: ID 5+6 7+8
30c: ID 1+2
30d: ID 7+8 5+6
32a (unten): ID 8
32a (oben): ID 8
32b: ID 6
32c: ID 4
32d: ID 6
32e: ID 4
34a: ID 2
34b: ID 1
34c: ID 2
34d: ID 1
Ich habe jetzt jeder Dose nur eine ID hier vergeben in den Strängen wo 5 Dosen dran hängen (von 8 verfügbaren pro Strang). Nur dem Strang wo nur 4 Dosen dran sind gleich jeweils 2 da dies dort genau aufgehen würde. In den Strängen mit den 5 Dosen wären 3 IDs frei die man an gewünschte Dosen verteilen könnte (daher auch die etwas stupide, nicht durchgängige Verteilung der JAP-ID-Programmierung aktuell -- pro Strang fehlt dort die ID 3+5+7).
Ich schreibe jetzt ein Angebot ohne ein Quattro-LNB in der Annahme dass dieses was vorhanden ist weiter verwendet werden kann. Auch ohne Potentialausgleichskabel um den Lochblechaufbau wie der kommen wird mit der HES (Haupterdungsschiene) vom Haus zu verbinden. Das wird dann Sache vom Elektriker sein das richtig anzuschließen.
Beim Umbau vom alten Multischalter auf die neuen muss eingangsseit darauf geachten werden dass die Ebenen (VL/HL/VH/HH) 1:1 vom alten Schalter zum neuen Multischalter übernommen werden.
3 Ausgänge nur noch ... 2 Stränge mit 5 Dosen und ein Strang mit 4 Dosen.
Und jetzt zu den ID-Verteilung der JAP-Antennendosen für diesen Aufbau:
30a: ID 3+4
30b: ID 5+6 7+8
30c: ID 1+2
30d: ID 7+8 5+6
32a (unten): ID 8
32a (oben): ID 8
32b: ID 6
32c: ID 4
32d: ID 6
32e: ID 4
34a: ID 2
34b: ID 1
34c: ID 2
34d: ID 1
Ich habe jetzt jeder Dose nur eine ID hier vergeben in den Strängen wo 5 Dosen dran hängen (von 8 verfügbaren pro Strang). Nur dem Strang wo nur 4 Dosen dran sind gleich jeweils 2 da dies dort genau aufgehen würde. In den Strängen mit den 5 Dosen wären 3 IDs frei die man an gewünschte Dosen verteilen könnte (daher auch die etwas stupide, nicht durchgängige Verteilung der JAP-ID-Programmierung aktuell -- pro Strang fehlt dort die ID 3+5+7).
Ich schreibe jetzt ein Angebot ohne ein Quattro-LNB in der Annahme dass dieses was vorhanden ist weiter verwendet werden kann. Auch ohne Potentialausgleichskabel um den Lochblechaufbau wie der kommen wird mit der HES (Haupterdungsschiene) vom Haus zu verbinden. Das wird dann Sache vom Elektriker sein das richtig anzuschließen.
Beim Umbau vom alten Multischalter auf die neuen muss eingangsseit darauf geachten werden dass die Ebenen (VL/HL/VH/HH) 1:1 vom alten Schalter zum neuen Multischalter übernommen werden.
Zuletzt geändert von techno-com am 25. April 2025 13:00, insgesamt 1-mal geändert.
Grund: Edit by techno-com: ID-Zugeilung Haus 30 geändert
Grund: Edit by techno-com: ID-Zugeilung Haus 30 geändert
Vielleicht sind wir nicht günstiger als ein Discounter oder reiner Online-Kartonschieber, aber sicherlich besser !
Normkonforme Beratung und Bau sind bei uns selbstverständlich.
Sat-Shop Heilbronn Kunden können sich auch nach dem Kauf auf unseren besten Service verlassen
Hier im Forum wird kein After-Sales-Support für Fremdkäufe geleistet !! Wenden Sie sich dazu an ihren Verkäufer ......
Tristan Uhde / Satanlagen Onlineshop / SAT-Shop Heilbronn
https://www.satshop-heilbronn.de (SSL) / SAT-Onlineforum https://www.satanlagenforum.de (SSL)
Tel ------ (Fragen gehören ins Forum ! Den nur hier können sie richtig bearbeitet werden, auch was hier noch nicht von A-Z genau schon erklärt/behandelt ist ) .. Dieser Hinweis weil täglich dutzende Fragen per Email oder per PM über das Forum rein kommen die noch dazu inhaltlich nicht das intus haben das man etwas dazu sagen könnte.
Wichtiger Hinweis: Zuständigkeiten verantwortliche Elektrofachkraft (VEFK) und Blitzschutzfachkräfte
Informieren Sie sich dort über Folgen und Auswirkungen von Eigenleistung und lassen Sie selbst durchgeführte Installationen von entsprechender Stelle prüfen und abnehmen. Dafür sind VOR ORT spezielle und qualifizierte Blitzschutz-Fachkräfte notwendig, Ferndiagnosen für Blitzschutz/Erdung können hier NICHT durchgeführt werden ("wie kann ICH das machen ..." oder ähnlich bringt da nichts).
Diese Signatur wächst von Woche zu Woche und enthält immer mehr grundlegende Inhalte die bitte berücksichtigt werden sollten bei bzw. VOR Anfragen !
100% beantwortet werden können nur Anfragen die auch alle relevanten Teile beinhalten die man benötigt für eine Antwort (genaue Beschreibungen/ Angabe von Herstellern/Typen für vorhandenes Material etc.). Bitte vermeiden Sie Aussagen wie "habe viel gelesen, aber versteht das nicht ..." ohne Nennung von dem was Sie gelesen haben und was genau unklar war an den Erklärungen die hier gelesen wurden - den nur dann kann man auch darauf eingehen was event. unklar ist/war.
Bitte unbedingt vor einem Post lesen => Boardregeln / Datenschutz
Wir erteilen hier keine Rechtsberatung, unsere Hinweise sind nach bestem Wissen und bedürfen einer entsprechenden juristischen/technischen weiteren Beratung.
Normkonforme Beratung und Bau sind bei uns selbstverständlich.
Sat-Shop Heilbronn Kunden können sich auch nach dem Kauf auf unseren besten Service verlassen
Hier im Forum wird kein After-Sales-Support für Fremdkäufe geleistet !! Wenden Sie sich dazu an ihren Verkäufer ......
Tristan Uhde / Satanlagen Onlineshop / SAT-Shop Heilbronn
https://www.satshop-heilbronn.de (SSL) / SAT-Onlineforum https://www.satanlagenforum.de (SSL)
Tel ------ (Fragen gehören ins Forum ! Den nur hier können sie richtig bearbeitet werden, auch was hier noch nicht von A-Z genau schon erklärt/behandelt ist ) .. Dieser Hinweis weil täglich dutzende Fragen per Email oder per PM über das Forum rein kommen die noch dazu inhaltlich nicht das intus haben das man etwas dazu sagen könnte.
Wichtiger Hinweis: Zuständigkeiten verantwortliche Elektrofachkraft (VEFK) und Blitzschutzfachkräfte
Informieren Sie sich dort über Folgen und Auswirkungen von Eigenleistung und lassen Sie selbst durchgeführte Installationen von entsprechender Stelle prüfen und abnehmen. Dafür sind VOR ORT spezielle und qualifizierte Blitzschutz-Fachkräfte notwendig, Ferndiagnosen für Blitzschutz/Erdung können hier NICHT durchgeführt werden ("wie kann ICH das machen ..." oder ähnlich bringt da nichts).
Diese Signatur wächst von Woche zu Woche und enthält immer mehr grundlegende Inhalte die bitte berücksichtigt werden sollten bei bzw. VOR Anfragen !
100% beantwortet werden können nur Anfragen die auch alle relevanten Teile beinhalten die man benötigt für eine Antwort (genaue Beschreibungen/ Angabe von Herstellern/Typen für vorhandenes Material etc.). Bitte vermeiden Sie Aussagen wie "habe viel gelesen, aber versteht das nicht ..." ohne Nennung von dem was Sie gelesen haben und was genau unklar war an den Erklärungen die hier gelesen wurden - den nur dann kann man auch darauf eingehen was event. unklar ist/war.
Bitte unbedingt vor einem Post lesen => Boardregeln / Datenschutz
Wir erteilen hier keine Rechtsberatung, unsere Hinweise sind nach bestem Wissen und bedürfen einer entsprechenden juristischen/technischen weiteren Beratung.
- techno-com
- Site Admin
- Beiträge: 22430
- Registriert: 17. November 2005 09:32
- Wohnort: 74076 Heilbronn
- Hat sich bedankt: 504 Mal
- Danksagung erhalten: 574 Mal
- Kontaktdaten:
Re: Ist das eine Einkabelanlage?
Und hier noch ein Screenshot der dafür benötigten Teile, das ging ihnen eben parallel per Email auch direkt zu.
Angebot hier ohne neuen Quattro-LNB, benötigte Stecker um das richtig hin zu arbeiten (die alten Stecker sind echt nicht mehr zeitgemäß) und auch ohne Potentialausgleichskabel für den Anschluss des Lochbleches an die HES.
Angebot hier ohne neuen Quattro-LNB, benötigte Stecker um das richtig hin zu arbeiten (die alten Stecker sind echt nicht mehr zeitgemäß) und auch ohne Potentialausgleichskabel für den Anschluss des Lochbleches an die HES.
Vielleicht sind wir nicht günstiger als ein Discounter oder reiner Online-Kartonschieber, aber sicherlich besser !
Normkonforme Beratung und Bau sind bei uns selbstverständlich.
Sat-Shop Heilbronn Kunden können sich auch nach dem Kauf auf unseren besten Service verlassen
Hier im Forum wird kein After-Sales-Support für Fremdkäufe geleistet !! Wenden Sie sich dazu an ihren Verkäufer ......
Tristan Uhde / Satanlagen Onlineshop / SAT-Shop Heilbronn
https://www.satshop-heilbronn.de (SSL) / SAT-Onlineforum https://www.satanlagenforum.de (SSL)
Tel ------ (Fragen gehören ins Forum ! Den nur hier können sie richtig bearbeitet werden, auch was hier noch nicht von A-Z genau schon erklärt/behandelt ist ) .. Dieser Hinweis weil täglich dutzende Fragen per Email oder per PM über das Forum rein kommen die noch dazu inhaltlich nicht das intus haben das man etwas dazu sagen könnte.
Wichtiger Hinweis: Zuständigkeiten verantwortliche Elektrofachkraft (VEFK) und Blitzschutzfachkräfte
Informieren Sie sich dort über Folgen und Auswirkungen von Eigenleistung und lassen Sie selbst durchgeführte Installationen von entsprechender Stelle prüfen und abnehmen. Dafür sind VOR ORT spezielle und qualifizierte Blitzschutz-Fachkräfte notwendig, Ferndiagnosen für Blitzschutz/Erdung können hier NICHT durchgeführt werden ("wie kann ICH das machen ..." oder ähnlich bringt da nichts).
Diese Signatur wächst von Woche zu Woche und enthält immer mehr grundlegende Inhalte die bitte berücksichtigt werden sollten bei bzw. VOR Anfragen !
100% beantwortet werden können nur Anfragen die auch alle relevanten Teile beinhalten die man benötigt für eine Antwort (genaue Beschreibungen/ Angabe von Herstellern/Typen für vorhandenes Material etc.). Bitte vermeiden Sie Aussagen wie "habe viel gelesen, aber versteht das nicht ..." ohne Nennung von dem was Sie gelesen haben und was genau unklar war an den Erklärungen die hier gelesen wurden - den nur dann kann man auch darauf eingehen was event. unklar ist/war.
Bitte unbedingt vor einem Post lesen => Boardregeln / Datenschutz
Wir erteilen hier keine Rechtsberatung, unsere Hinweise sind nach bestem Wissen und bedürfen einer entsprechenden juristischen/technischen weiteren Beratung.
Normkonforme Beratung und Bau sind bei uns selbstverständlich.
Sat-Shop Heilbronn Kunden können sich auch nach dem Kauf auf unseren besten Service verlassen
Hier im Forum wird kein After-Sales-Support für Fremdkäufe geleistet !! Wenden Sie sich dazu an ihren Verkäufer ......
Tristan Uhde / Satanlagen Onlineshop / SAT-Shop Heilbronn
https://www.satshop-heilbronn.de (SSL) / SAT-Onlineforum https://www.satanlagenforum.de (SSL)
Tel ------ (Fragen gehören ins Forum ! Den nur hier können sie richtig bearbeitet werden, auch was hier noch nicht von A-Z genau schon erklärt/behandelt ist ) .. Dieser Hinweis weil täglich dutzende Fragen per Email oder per PM über das Forum rein kommen die noch dazu inhaltlich nicht das intus haben das man etwas dazu sagen könnte.
Wichtiger Hinweis: Zuständigkeiten verantwortliche Elektrofachkraft (VEFK) und Blitzschutzfachkräfte
Informieren Sie sich dort über Folgen und Auswirkungen von Eigenleistung und lassen Sie selbst durchgeführte Installationen von entsprechender Stelle prüfen und abnehmen. Dafür sind VOR ORT spezielle und qualifizierte Blitzschutz-Fachkräfte notwendig, Ferndiagnosen für Blitzschutz/Erdung können hier NICHT durchgeführt werden ("wie kann ICH das machen ..." oder ähnlich bringt da nichts).
Diese Signatur wächst von Woche zu Woche und enthält immer mehr grundlegende Inhalte die bitte berücksichtigt werden sollten bei bzw. VOR Anfragen !
100% beantwortet werden können nur Anfragen die auch alle relevanten Teile beinhalten die man benötigt für eine Antwort (genaue Beschreibungen/ Angabe von Herstellern/Typen für vorhandenes Material etc.). Bitte vermeiden Sie Aussagen wie "habe viel gelesen, aber versteht das nicht ..." ohne Nennung von dem was Sie gelesen haben und was genau unklar war an den Erklärungen die hier gelesen wurden - den nur dann kann man auch darauf eingehen was event. unklar ist/war.
Bitte unbedingt vor einem Post lesen => Boardregeln / Datenschutz
Wir erteilen hier keine Rechtsberatung, unsere Hinweise sind nach bestem Wissen und bedürfen einer entsprechenden juristischen/technischen weiteren Beratung.
-
eb8
- ist ganz gut am schreiben
- Beiträge: 47
- Registriert: 8. April 2025 16:26
- Danksagung erhalten: 1 Mal
Re: Ist das eine Einkabelanlage?
Die einzige Unsicherheit ist doch jetzt nur noch, dass ich nicht weiß, ob die Dose von 32a im Obergeschoss im schwarzen oder im gelben Strang liegt und die Leute von 32a nicht da sind, erst in 2 Wochen wieder.
Das betrifft aber doch wohl nur die Programmierung und bis zu Bestellung weiß ich das.
Die Liste der UB - Zuordnung ist wieder aufgetaucht, die musste ich nicht bestimmen. Ein Eigentümer hat sie gestern in seinen Unterlagen gefunden.
Das betrifft aber doch wohl nur die Programmierung und bis zu Bestellung weiß ich das.
Die Liste der UB - Zuordnung ist wieder aufgetaucht, die musste ich nicht bestimmen. Ein Eigentümer hat sie gestern in seinen Unterlagen gefunden.
Zuletzt geändert von eb8 am 24. April 2025 14:12, insgesamt 1-mal geändert.
- techno-com
- Site Admin
- Beiträge: 22430
- Registriert: 17. November 2005 09:32
- Wohnort: 74076 Heilbronn
- Hat sich bedankt: 504 Mal
- Danksagung erhalten: 574 Mal
- Kontaktdaten:
Re: Ist das eine Einkabelanlage?
Das wird nicht viel ändern am Kostenvoranschlag und der Stückliste ... nur dass dann die Stränge mit den Dosen geändert werden müssten und die ID-Zuteilung anders wäre.
Schlecht dass ich sooo weit weg bin .... wir haben jedes Mess- / Programmiergerät hierfür und vor Ort wäre das dann recht schnell alles abgearbeitet, und Änderungen im Aufbau könnte man vor Ort dann direkt durchführen.
Schlecht dass ich sooo weit weg bin .... wir haben jedes Mess- / Programmiergerät hierfür und vor Ort wäre das dann recht schnell alles abgearbeitet, und Änderungen im Aufbau könnte man vor Ort dann direkt durchführen.
Vielleicht sind wir nicht günstiger als ein Discounter oder reiner Online-Kartonschieber, aber sicherlich besser !
Normkonforme Beratung und Bau sind bei uns selbstverständlich.
Sat-Shop Heilbronn Kunden können sich auch nach dem Kauf auf unseren besten Service verlassen
Hier im Forum wird kein After-Sales-Support für Fremdkäufe geleistet !! Wenden Sie sich dazu an ihren Verkäufer ......
Tristan Uhde / Satanlagen Onlineshop / SAT-Shop Heilbronn
https://www.satshop-heilbronn.de (SSL) / SAT-Onlineforum https://www.satanlagenforum.de (SSL)
Tel ------ (Fragen gehören ins Forum ! Den nur hier können sie richtig bearbeitet werden, auch was hier noch nicht von A-Z genau schon erklärt/behandelt ist ) .. Dieser Hinweis weil täglich dutzende Fragen per Email oder per PM über das Forum rein kommen die noch dazu inhaltlich nicht das intus haben das man etwas dazu sagen könnte.
Wichtiger Hinweis: Zuständigkeiten verantwortliche Elektrofachkraft (VEFK) und Blitzschutzfachkräfte
Informieren Sie sich dort über Folgen und Auswirkungen von Eigenleistung und lassen Sie selbst durchgeführte Installationen von entsprechender Stelle prüfen und abnehmen. Dafür sind VOR ORT spezielle und qualifizierte Blitzschutz-Fachkräfte notwendig, Ferndiagnosen für Blitzschutz/Erdung können hier NICHT durchgeführt werden ("wie kann ICH das machen ..." oder ähnlich bringt da nichts).
Diese Signatur wächst von Woche zu Woche und enthält immer mehr grundlegende Inhalte die bitte berücksichtigt werden sollten bei bzw. VOR Anfragen !
100% beantwortet werden können nur Anfragen die auch alle relevanten Teile beinhalten die man benötigt für eine Antwort (genaue Beschreibungen/ Angabe von Herstellern/Typen für vorhandenes Material etc.). Bitte vermeiden Sie Aussagen wie "habe viel gelesen, aber versteht das nicht ..." ohne Nennung von dem was Sie gelesen haben und was genau unklar war an den Erklärungen die hier gelesen wurden - den nur dann kann man auch darauf eingehen was event. unklar ist/war.
Bitte unbedingt vor einem Post lesen => Boardregeln / Datenschutz
Wir erteilen hier keine Rechtsberatung, unsere Hinweise sind nach bestem Wissen und bedürfen einer entsprechenden juristischen/technischen weiteren Beratung.
Normkonforme Beratung und Bau sind bei uns selbstverständlich.
Sat-Shop Heilbronn Kunden können sich auch nach dem Kauf auf unseren besten Service verlassen
Hier im Forum wird kein After-Sales-Support für Fremdkäufe geleistet !! Wenden Sie sich dazu an ihren Verkäufer ......
Tristan Uhde / Satanlagen Onlineshop / SAT-Shop Heilbronn
https://www.satshop-heilbronn.de (SSL) / SAT-Onlineforum https://www.satanlagenforum.de (SSL)
Tel ------ (Fragen gehören ins Forum ! Den nur hier können sie richtig bearbeitet werden, auch was hier noch nicht von A-Z genau schon erklärt/behandelt ist ) .. Dieser Hinweis weil täglich dutzende Fragen per Email oder per PM über das Forum rein kommen die noch dazu inhaltlich nicht das intus haben das man etwas dazu sagen könnte.
Wichtiger Hinweis: Zuständigkeiten verantwortliche Elektrofachkraft (VEFK) und Blitzschutzfachkräfte
Informieren Sie sich dort über Folgen und Auswirkungen von Eigenleistung und lassen Sie selbst durchgeführte Installationen von entsprechender Stelle prüfen und abnehmen. Dafür sind VOR ORT spezielle und qualifizierte Blitzschutz-Fachkräfte notwendig, Ferndiagnosen für Blitzschutz/Erdung können hier NICHT durchgeführt werden ("wie kann ICH das machen ..." oder ähnlich bringt da nichts).
Diese Signatur wächst von Woche zu Woche und enthält immer mehr grundlegende Inhalte die bitte berücksichtigt werden sollten bei bzw. VOR Anfragen !
100% beantwortet werden können nur Anfragen die auch alle relevanten Teile beinhalten die man benötigt für eine Antwort (genaue Beschreibungen/ Angabe von Herstellern/Typen für vorhandenes Material etc.). Bitte vermeiden Sie Aussagen wie "habe viel gelesen, aber versteht das nicht ..." ohne Nennung von dem was Sie gelesen haben und was genau unklar war an den Erklärungen die hier gelesen wurden - den nur dann kann man auch darauf eingehen was event. unklar ist/war.
Bitte unbedingt vor einem Post lesen => Boardregeln / Datenschutz
Wir erteilen hier keine Rechtsberatung, unsere Hinweise sind nach bestem Wissen und bedürfen einer entsprechenden juristischen/technischen weiteren Beratung.
-
eb8
- ist ganz gut am schreiben
- Beiträge: 47
- Registriert: 8. April 2025 16:26
- Danksagung erhalten: 1 Mal
Re: Ist das eine Einkabelanlage?
Mein neuer TV war dann sicher auf Legacy am schwarzen Strang, hätte also den roten Strang nicht stören dürfen. Hat er aber angeblich. Lassen wir das als ungekläres Welträtseltechno-com hat geschrieben: 24. April 2025 12:53Wenn sie an dieser Anlage nur einen Receiver nicht auf Unicable programmieren, sondern auf Standard "Legacy" (Universal-LNB), dann würde an dem ganzen Strang nichts mehr gehen. Geräte untereinander an einem Strang stören sich nur wenn sie beide die gleichen Unicable-Programmierung erhalten, also die gleichen ID/Frequenz. Dabei würden diese beiden mit gleicher Programmierung aber die anderen am Strang nicht stören. Aber auch dieses Fehl-Einstellung eines Receivers werden die JAP-Dosen schützen, diese würden die Dauerspannung von 13/18V (Legacy-Modus, also NICHT Unicable !) nach ein paar Millisekunden unterbrechen dass diese Fehlprogrammierung nicht den ganzen Strang dauerhaft stören würde.
Zuletzt geändert von techno-com am 24. April 2025 14:28, insgesamt 3-mal geändert.
Grund: Edit by techno-com: Quote angepasst
Grund: Edit by techno-com: Quote angepasst
-
eb8
- ist ganz gut am schreiben
- Beiträge: 47
- Registriert: 8. April 2025 16:26
- Danksagung erhalten: 1 Mal
Re: Ist das eine Einkabelanlage?
Da ist doch mehr Hardware drin als vorher? Was wäre der Vorteil?techno-com hat geschrieben: 24. April 2025 13:10So .. meine neue Planung !
3 Ausgänge nur noch ... 2 Stränge mit 5 Dosen und ein Strang mit 4 Dosen.
- techno-com
- Site Admin
- Beiträge: 22430
- Registriert: 17. November 2005 09:32
- Wohnort: 74076 Heilbronn
- Hat sich bedankt: 504 Mal
- Danksagung erhalten: 574 Mal
- Kontaktdaten:
Re: Ist das eine Einkabelanlage?
Mehr Hardware, aber mit weniger Ausgängen (3 statt 4) und daher günstiger (aber vollkommen ausreichend).eb8 hat geschrieben: 24. April 2025 14:31Da ist doch mehr Hardware drin als vorher? Was wäre der Vorteil?
Vielleicht sind wir nicht günstiger als ein Discounter oder reiner Online-Kartonschieber, aber sicherlich besser !
Normkonforme Beratung und Bau sind bei uns selbstverständlich.
Sat-Shop Heilbronn Kunden können sich auch nach dem Kauf auf unseren besten Service verlassen
Hier im Forum wird kein After-Sales-Support für Fremdkäufe geleistet !! Wenden Sie sich dazu an ihren Verkäufer ......
Tristan Uhde / Satanlagen Onlineshop / SAT-Shop Heilbronn
https://www.satshop-heilbronn.de (SSL) / SAT-Onlineforum https://www.satanlagenforum.de (SSL)
Tel ------ (Fragen gehören ins Forum ! Den nur hier können sie richtig bearbeitet werden, auch was hier noch nicht von A-Z genau schon erklärt/behandelt ist ) .. Dieser Hinweis weil täglich dutzende Fragen per Email oder per PM über das Forum rein kommen die noch dazu inhaltlich nicht das intus haben das man etwas dazu sagen könnte.
Wichtiger Hinweis: Zuständigkeiten verantwortliche Elektrofachkraft (VEFK) und Blitzschutzfachkräfte
Informieren Sie sich dort über Folgen und Auswirkungen von Eigenleistung und lassen Sie selbst durchgeführte Installationen von entsprechender Stelle prüfen und abnehmen. Dafür sind VOR ORT spezielle und qualifizierte Blitzschutz-Fachkräfte notwendig, Ferndiagnosen für Blitzschutz/Erdung können hier NICHT durchgeführt werden ("wie kann ICH das machen ..." oder ähnlich bringt da nichts).
Diese Signatur wächst von Woche zu Woche und enthält immer mehr grundlegende Inhalte die bitte berücksichtigt werden sollten bei bzw. VOR Anfragen !
100% beantwortet werden können nur Anfragen die auch alle relevanten Teile beinhalten die man benötigt für eine Antwort (genaue Beschreibungen/ Angabe von Herstellern/Typen für vorhandenes Material etc.). Bitte vermeiden Sie Aussagen wie "habe viel gelesen, aber versteht das nicht ..." ohne Nennung von dem was Sie gelesen haben und was genau unklar war an den Erklärungen die hier gelesen wurden - den nur dann kann man auch darauf eingehen was event. unklar ist/war.
Bitte unbedingt vor einem Post lesen => Boardregeln / Datenschutz
Wir erteilen hier keine Rechtsberatung, unsere Hinweise sind nach bestem Wissen und bedürfen einer entsprechenden juristischen/technischen weiteren Beratung.
Normkonforme Beratung und Bau sind bei uns selbstverständlich.
Sat-Shop Heilbronn Kunden können sich auch nach dem Kauf auf unseren besten Service verlassen
Hier im Forum wird kein After-Sales-Support für Fremdkäufe geleistet !! Wenden Sie sich dazu an ihren Verkäufer ......
Tristan Uhde / Satanlagen Onlineshop / SAT-Shop Heilbronn
https://www.satshop-heilbronn.de (SSL) / SAT-Onlineforum https://www.satanlagenforum.de (SSL)
Tel ------ (Fragen gehören ins Forum ! Den nur hier können sie richtig bearbeitet werden, auch was hier noch nicht von A-Z genau schon erklärt/behandelt ist ) .. Dieser Hinweis weil täglich dutzende Fragen per Email oder per PM über das Forum rein kommen die noch dazu inhaltlich nicht das intus haben das man etwas dazu sagen könnte.
Wichtiger Hinweis: Zuständigkeiten verantwortliche Elektrofachkraft (VEFK) und Blitzschutzfachkräfte
Informieren Sie sich dort über Folgen und Auswirkungen von Eigenleistung und lassen Sie selbst durchgeführte Installationen von entsprechender Stelle prüfen und abnehmen. Dafür sind VOR ORT spezielle und qualifizierte Blitzschutz-Fachkräfte notwendig, Ferndiagnosen für Blitzschutz/Erdung können hier NICHT durchgeführt werden ("wie kann ICH das machen ..." oder ähnlich bringt da nichts).
Diese Signatur wächst von Woche zu Woche und enthält immer mehr grundlegende Inhalte die bitte berücksichtigt werden sollten bei bzw. VOR Anfragen !
100% beantwortet werden können nur Anfragen die auch alle relevanten Teile beinhalten die man benötigt für eine Antwort (genaue Beschreibungen/ Angabe von Herstellern/Typen für vorhandenes Material etc.). Bitte vermeiden Sie Aussagen wie "habe viel gelesen, aber versteht das nicht ..." ohne Nennung von dem was Sie gelesen haben und was genau unklar war an den Erklärungen die hier gelesen wurden - den nur dann kann man auch darauf eingehen was event. unklar ist/war.
Bitte unbedingt vor einem Post lesen => Boardregeln / Datenschutz
Wir erteilen hier keine Rechtsberatung, unsere Hinweise sind nach bestem Wissen und bedürfen einer entsprechenden juristischen/technischen weiteren Beratung.
- techno-com
- Site Admin
- Beiträge: 22430
- Registriert: 17. November 2005 09:32
- Wohnort: 74076 Heilbronn
- Hat sich bedankt: 504 Mal
- Danksagung erhalten: 574 Mal
- Kontaktdaten:
Re: Ist das eine Einkabelanlage?
Das Angebot dass sie erhalten haben ist genau das Angebot für das was ich zuletzt eingezeichnet habe ... das ist also das richtige Angebot !
Vielleicht sind wir nicht günstiger als ein Discounter oder reiner Online-Kartonschieber, aber sicherlich besser !
Normkonforme Beratung und Bau sind bei uns selbstverständlich.
Sat-Shop Heilbronn Kunden können sich auch nach dem Kauf auf unseren besten Service verlassen
Hier im Forum wird kein After-Sales-Support für Fremdkäufe geleistet !! Wenden Sie sich dazu an ihren Verkäufer ......
Tristan Uhde / Satanlagen Onlineshop / SAT-Shop Heilbronn
https://www.satshop-heilbronn.de (SSL) / SAT-Onlineforum https://www.satanlagenforum.de (SSL)
Tel ------ (Fragen gehören ins Forum ! Den nur hier können sie richtig bearbeitet werden, auch was hier noch nicht von A-Z genau schon erklärt/behandelt ist ) .. Dieser Hinweis weil täglich dutzende Fragen per Email oder per PM über das Forum rein kommen die noch dazu inhaltlich nicht das intus haben das man etwas dazu sagen könnte.
Wichtiger Hinweis: Zuständigkeiten verantwortliche Elektrofachkraft (VEFK) und Blitzschutzfachkräfte
Informieren Sie sich dort über Folgen und Auswirkungen von Eigenleistung und lassen Sie selbst durchgeführte Installationen von entsprechender Stelle prüfen und abnehmen. Dafür sind VOR ORT spezielle und qualifizierte Blitzschutz-Fachkräfte notwendig, Ferndiagnosen für Blitzschutz/Erdung können hier NICHT durchgeführt werden ("wie kann ICH das machen ..." oder ähnlich bringt da nichts).
Diese Signatur wächst von Woche zu Woche und enthält immer mehr grundlegende Inhalte die bitte berücksichtigt werden sollten bei bzw. VOR Anfragen !
100% beantwortet werden können nur Anfragen die auch alle relevanten Teile beinhalten die man benötigt für eine Antwort (genaue Beschreibungen/ Angabe von Herstellern/Typen für vorhandenes Material etc.). Bitte vermeiden Sie Aussagen wie "habe viel gelesen, aber versteht das nicht ..." ohne Nennung von dem was Sie gelesen haben und was genau unklar war an den Erklärungen die hier gelesen wurden - den nur dann kann man auch darauf eingehen was event. unklar ist/war.
Bitte unbedingt vor einem Post lesen => Boardregeln / Datenschutz
Wir erteilen hier keine Rechtsberatung, unsere Hinweise sind nach bestem Wissen und bedürfen einer entsprechenden juristischen/technischen weiteren Beratung.
Normkonforme Beratung und Bau sind bei uns selbstverständlich.
Sat-Shop Heilbronn Kunden können sich auch nach dem Kauf auf unseren besten Service verlassen
Hier im Forum wird kein After-Sales-Support für Fremdkäufe geleistet !! Wenden Sie sich dazu an ihren Verkäufer ......
Tristan Uhde / Satanlagen Onlineshop / SAT-Shop Heilbronn
https://www.satshop-heilbronn.de (SSL) / SAT-Onlineforum https://www.satanlagenforum.de (SSL)
Tel ------ (Fragen gehören ins Forum ! Den nur hier können sie richtig bearbeitet werden, auch was hier noch nicht von A-Z genau schon erklärt/behandelt ist ) .. Dieser Hinweis weil täglich dutzende Fragen per Email oder per PM über das Forum rein kommen die noch dazu inhaltlich nicht das intus haben das man etwas dazu sagen könnte.
Wichtiger Hinweis: Zuständigkeiten verantwortliche Elektrofachkraft (VEFK) und Blitzschutzfachkräfte
Informieren Sie sich dort über Folgen und Auswirkungen von Eigenleistung und lassen Sie selbst durchgeführte Installationen von entsprechender Stelle prüfen und abnehmen. Dafür sind VOR ORT spezielle und qualifizierte Blitzschutz-Fachkräfte notwendig, Ferndiagnosen für Blitzschutz/Erdung können hier NICHT durchgeführt werden ("wie kann ICH das machen ..." oder ähnlich bringt da nichts).
Diese Signatur wächst von Woche zu Woche und enthält immer mehr grundlegende Inhalte die bitte berücksichtigt werden sollten bei bzw. VOR Anfragen !
100% beantwortet werden können nur Anfragen die auch alle relevanten Teile beinhalten die man benötigt für eine Antwort (genaue Beschreibungen/ Angabe von Herstellern/Typen für vorhandenes Material etc.). Bitte vermeiden Sie Aussagen wie "habe viel gelesen, aber versteht das nicht ..." ohne Nennung von dem was Sie gelesen haben und was genau unklar war an den Erklärungen die hier gelesen wurden - den nur dann kann man auch darauf eingehen was event. unklar ist/war.
Bitte unbedingt vor einem Post lesen => Boardregeln / Datenschutz
Wir erteilen hier keine Rechtsberatung, unsere Hinweise sind nach bestem Wissen und bedürfen einer entsprechenden juristischen/technischen weiteren Beratung.
-
eb8
- ist ganz gut am schreiben
- Beiträge: 47
- Registriert: 8. April 2025 16:26
- Danksagung erhalten: 1 Mal
Re: Ist das eine Einkabelanlage?
Der Preis ist sehr gut, für den Ärger, den wir immer wieder hatten
Was sind Ihre Lieferzeiten?
- techno-com
- Site Admin
- Beiträge: 22430
- Registriert: 17. November 2005 09:32
- Wohnort: 74076 Heilbronn
- Hat sich bedankt: 504 Mal
- Danksagung erhalten: 574 Mal
- Kontaktdaten:
Re: Ist das eine Einkabelanlage?
Das steht doch aber alles hier im Beitrag/Forum !eb8 hat geschrieben: 24. April 2025 14:54Prima, da haben sich Angebot, Forum und meine Auffassungsgabe zeitlich etwas überschnitten
Kann gerne noch ein paar Preise nach oben "anpassen"eb8 hat geschrieben: 24. April 2025 14:54Der Preis ist sehr gut, für den Ärger, den wir immer wieder hatten
Alles ab Lager aktuell !
Vielleicht sind wir nicht günstiger als ein Discounter oder reiner Online-Kartonschieber, aber sicherlich besser !
Normkonforme Beratung und Bau sind bei uns selbstverständlich.
Sat-Shop Heilbronn Kunden können sich auch nach dem Kauf auf unseren besten Service verlassen
Hier im Forum wird kein After-Sales-Support für Fremdkäufe geleistet !! Wenden Sie sich dazu an ihren Verkäufer ......
Tristan Uhde / Satanlagen Onlineshop / SAT-Shop Heilbronn
https://www.satshop-heilbronn.de (SSL) / SAT-Onlineforum https://www.satanlagenforum.de (SSL)
Tel ------ (Fragen gehören ins Forum ! Den nur hier können sie richtig bearbeitet werden, auch was hier noch nicht von A-Z genau schon erklärt/behandelt ist ) .. Dieser Hinweis weil täglich dutzende Fragen per Email oder per PM über das Forum rein kommen die noch dazu inhaltlich nicht das intus haben das man etwas dazu sagen könnte.
Wichtiger Hinweis: Zuständigkeiten verantwortliche Elektrofachkraft (VEFK) und Blitzschutzfachkräfte
Informieren Sie sich dort über Folgen und Auswirkungen von Eigenleistung und lassen Sie selbst durchgeführte Installationen von entsprechender Stelle prüfen und abnehmen. Dafür sind VOR ORT spezielle und qualifizierte Blitzschutz-Fachkräfte notwendig, Ferndiagnosen für Blitzschutz/Erdung können hier NICHT durchgeführt werden ("wie kann ICH das machen ..." oder ähnlich bringt da nichts).
Diese Signatur wächst von Woche zu Woche und enthält immer mehr grundlegende Inhalte die bitte berücksichtigt werden sollten bei bzw. VOR Anfragen !
100% beantwortet werden können nur Anfragen die auch alle relevanten Teile beinhalten die man benötigt für eine Antwort (genaue Beschreibungen/ Angabe von Herstellern/Typen für vorhandenes Material etc.). Bitte vermeiden Sie Aussagen wie "habe viel gelesen, aber versteht das nicht ..." ohne Nennung von dem was Sie gelesen haben und was genau unklar war an den Erklärungen die hier gelesen wurden - den nur dann kann man auch darauf eingehen was event. unklar ist/war.
Bitte unbedingt vor einem Post lesen => Boardregeln / Datenschutz
Wir erteilen hier keine Rechtsberatung, unsere Hinweise sind nach bestem Wissen und bedürfen einer entsprechenden juristischen/technischen weiteren Beratung.
Normkonforme Beratung und Bau sind bei uns selbstverständlich.
Sat-Shop Heilbronn Kunden können sich auch nach dem Kauf auf unseren besten Service verlassen
Hier im Forum wird kein After-Sales-Support für Fremdkäufe geleistet !! Wenden Sie sich dazu an ihren Verkäufer ......
Tristan Uhde / Satanlagen Onlineshop / SAT-Shop Heilbronn
https://www.satshop-heilbronn.de (SSL) / SAT-Onlineforum https://www.satanlagenforum.de (SSL)
Tel ------ (Fragen gehören ins Forum ! Den nur hier können sie richtig bearbeitet werden, auch was hier noch nicht von A-Z genau schon erklärt/behandelt ist ) .. Dieser Hinweis weil täglich dutzende Fragen per Email oder per PM über das Forum rein kommen die noch dazu inhaltlich nicht das intus haben das man etwas dazu sagen könnte.
Wichtiger Hinweis: Zuständigkeiten verantwortliche Elektrofachkraft (VEFK) und Blitzschutzfachkräfte
Informieren Sie sich dort über Folgen und Auswirkungen von Eigenleistung und lassen Sie selbst durchgeführte Installationen von entsprechender Stelle prüfen und abnehmen. Dafür sind VOR ORT spezielle und qualifizierte Blitzschutz-Fachkräfte notwendig, Ferndiagnosen für Blitzschutz/Erdung können hier NICHT durchgeführt werden ("wie kann ICH das machen ..." oder ähnlich bringt da nichts).
Diese Signatur wächst von Woche zu Woche und enthält immer mehr grundlegende Inhalte die bitte berücksichtigt werden sollten bei bzw. VOR Anfragen !
100% beantwortet werden können nur Anfragen die auch alle relevanten Teile beinhalten die man benötigt für eine Antwort (genaue Beschreibungen/ Angabe von Herstellern/Typen für vorhandenes Material etc.). Bitte vermeiden Sie Aussagen wie "habe viel gelesen, aber versteht das nicht ..." ohne Nennung von dem was Sie gelesen haben und was genau unklar war an den Erklärungen die hier gelesen wurden - den nur dann kann man auch darauf eingehen was event. unklar ist/war.
Bitte unbedingt vor einem Post lesen => Boardregeln / Datenschutz
Wir erteilen hier keine Rechtsberatung, unsere Hinweise sind nach bestem Wissen und bedürfen einer entsprechenden juristischen/technischen weiteren Beratung.
- techno-com
- Site Admin
- Beiträge: 22430
- Registriert: 17. November 2005 09:32
- Wohnort: 74076 Heilbronn
- Hat sich bedankt: 504 Mal
- Danksagung erhalten: 574 Mal
- Kontaktdaten:
Re: Ist das eine Einkabelanlage?
Würde auch gehen… dann aber vollkommen overdosed (übertrieben) für die 4 rechten Wohneinheiten da dann jeder der 4 Dosen dort jeweils 4 IDs zur Verfügung stehen würden (statt nach meiner Planung nur je 2). Wird so nur teurer …. Unnötig in meinen Augen daher.
Müsste man das Signal für die beiden rechten Stränge dann sogar dämpfen weil der Verteiler fehlen würde als Dämpfung und somit das Signal dort viel zu hoch wäre („Signalstärke“).
Aber ich glaube sie meinen jetzt die ID-Zuordung ... ich meinte hier statt 3 Ausgänge von den Mulitschalter jeztt in der Planung einen zu nehmen mit 4 Ausgängen (da der untere Teil vom Bild fehlt wo die Multischalter und der Verteiler zu sehen wären). Edit: das klären wir später hier noch , da hatte ich was falsch verstanden ... Klärung folgt !
Müsste man das Signal für die beiden rechten Stränge dann sogar dämpfen weil der Verteiler fehlen würde als Dämpfung und somit das Signal dort viel zu hoch wäre („Signalstärke“).
Aber ich glaube sie meinen jetzt die ID-Zuordung ... ich meinte hier statt 3 Ausgänge von den Mulitschalter jeztt in der Planung einen zu nehmen mit 4 Ausgängen (da der untere Teil vom Bild fehlt wo die Multischalter und der Verteiler zu sehen wären). Edit: das klären wir später hier noch , da hatte ich was falsch verstanden ... Klärung folgt !
Vielleicht sind wir nicht günstiger als ein Discounter oder reiner Online-Kartonschieber, aber sicherlich besser !
Normkonforme Beratung und Bau sind bei uns selbstverständlich.
Sat-Shop Heilbronn Kunden können sich auch nach dem Kauf auf unseren besten Service verlassen
Hier im Forum wird kein After-Sales-Support für Fremdkäufe geleistet !! Wenden Sie sich dazu an ihren Verkäufer ......
Tristan Uhde / Satanlagen Onlineshop / SAT-Shop Heilbronn
https://www.satshop-heilbronn.de (SSL) / SAT-Onlineforum https://www.satanlagenforum.de (SSL)
Tel ------ (Fragen gehören ins Forum ! Den nur hier können sie richtig bearbeitet werden, auch was hier noch nicht von A-Z genau schon erklärt/behandelt ist ) .. Dieser Hinweis weil täglich dutzende Fragen per Email oder per PM über das Forum rein kommen die noch dazu inhaltlich nicht das intus haben das man etwas dazu sagen könnte.
Wichtiger Hinweis: Zuständigkeiten verantwortliche Elektrofachkraft (VEFK) und Blitzschutzfachkräfte
Informieren Sie sich dort über Folgen und Auswirkungen von Eigenleistung und lassen Sie selbst durchgeführte Installationen von entsprechender Stelle prüfen und abnehmen. Dafür sind VOR ORT spezielle und qualifizierte Blitzschutz-Fachkräfte notwendig, Ferndiagnosen für Blitzschutz/Erdung können hier NICHT durchgeführt werden ("wie kann ICH das machen ..." oder ähnlich bringt da nichts).
Diese Signatur wächst von Woche zu Woche und enthält immer mehr grundlegende Inhalte die bitte berücksichtigt werden sollten bei bzw. VOR Anfragen !
100% beantwortet werden können nur Anfragen die auch alle relevanten Teile beinhalten die man benötigt für eine Antwort (genaue Beschreibungen/ Angabe von Herstellern/Typen für vorhandenes Material etc.). Bitte vermeiden Sie Aussagen wie "habe viel gelesen, aber versteht das nicht ..." ohne Nennung von dem was Sie gelesen haben und was genau unklar war an den Erklärungen die hier gelesen wurden - den nur dann kann man auch darauf eingehen was event. unklar ist/war.
Bitte unbedingt vor einem Post lesen => Boardregeln / Datenschutz
Wir erteilen hier keine Rechtsberatung, unsere Hinweise sind nach bestem Wissen und bedürfen einer entsprechenden juristischen/technischen weiteren Beratung.
Normkonforme Beratung und Bau sind bei uns selbstverständlich.
Sat-Shop Heilbronn Kunden können sich auch nach dem Kauf auf unseren besten Service verlassen
Hier im Forum wird kein After-Sales-Support für Fremdkäufe geleistet !! Wenden Sie sich dazu an ihren Verkäufer ......
Tristan Uhde / Satanlagen Onlineshop / SAT-Shop Heilbronn
https://www.satshop-heilbronn.de (SSL) / SAT-Onlineforum https://www.satanlagenforum.de (SSL)
Tel ------ (Fragen gehören ins Forum ! Den nur hier können sie richtig bearbeitet werden, auch was hier noch nicht von A-Z genau schon erklärt/behandelt ist ) .. Dieser Hinweis weil täglich dutzende Fragen per Email oder per PM über das Forum rein kommen die noch dazu inhaltlich nicht das intus haben das man etwas dazu sagen könnte.
Wichtiger Hinweis: Zuständigkeiten verantwortliche Elektrofachkraft (VEFK) und Blitzschutzfachkräfte
Informieren Sie sich dort über Folgen und Auswirkungen von Eigenleistung und lassen Sie selbst durchgeführte Installationen von entsprechender Stelle prüfen und abnehmen. Dafür sind VOR ORT spezielle und qualifizierte Blitzschutz-Fachkräfte notwendig, Ferndiagnosen für Blitzschutz/Erdung können hier NICHT durchgeführt werden ("wie kann ICH das machen ..." oder ähnlich bringt da nichts).
Diese Signatur wächst von Woche zu Woche und enthält immer mehr grundlegende Inhalte die bitte berücksichtigt werden sollten bei bzw. VOR Anfragen !
100% beantwortet werden können nur Anfragen die auch alle relevanten Teile beinhalten die man benötigt für eine Antwort (genaue Beschreibungen/ Angabe von Herstellern/Typen für vorhandenes Material etc.). Bitte vermeiden Sie Aussagen wie "habe viel gelesen, aber versteht das nicht ..." ohne Nennung von dem was Sie gelesen haben und was genau unklar war an den Erklärungen die hier gelesen wurden - den nur dann kann man auch darauf eingehen was event. unklar ist/war.
Bitte unbedingt vor einem Post lesen => Boardregeln / Datenschutz
Wir erteilen hier keine Rechtsberatung, unsere Hinweise sind nach bestem Wissen und bedürfen einer entsprechenden juristischen/technischen weiteren Beratung.
-
eb8
- ist ganz gut am schreiben
- Beiträge: 47
- Registriert: 8. April 2025 16:26
- Danksagung erhalten: 1 Mal
Re: Ist das eine Einkabelanlage?
Wir brauchen aber nur 1 ID pro Einheit, nur mir auf 34d habe ich zwei reserviert
- techno-com
- Site Admin
- Beiträge: 22430
- Registriert: 17. November 2005 09:32
- Wohnort: 74076 Heilbronn
- Hat sich bedankt: 504 Mal
- Danksagung erhalten: 574 Mal
- Kontaktdaten:
Re: Ist das eine Einkabelanlage?
Bitte lesen sie die Beiträge von heute nochmal genau durch , ist alles genau erklärt !
Vielleicht sind wir nicht günstiger als ein Discounter oder reiner Online-Kartonschieber, aber sicherlich besser !
Normkonforme Beratung und Bau sind bei uns selbstverständlich.
Sat-Shop Heilbronn Kunden können sich auch nach dem Kauf auf unseren besten Service verlassen
Hier im Forum wird kein After-Sales-Support für Fremdkäufe geleistet !! Wenden Sie sich dazu an ihren Verkäufer ......
Tristan Uhde / Satanlagen Onlineshop / SAT-Shop Heilbronn
https://www.satshop-heilbronn.de (SSL) / SAT-Onlineforum https://www.satanlagenforum.de (SSL)
Tel ------ (Fragen gehören ins Forum ! Den nur hier können sie richtig bearbeitet werden, auch was hier noch nicht von A-Z genau schon erklärt/behandelt ist ) .. Dieser Hinweis weil täglich dutzende Fragen per Email oder per PM über das Forum rein kommen die noch dazu inhaltlich nicht das intus haben das man etwas dazu sagen könnte.
Wichtiger Hinweis: Zuständigkeiten verantwortliche Elektrofachkraft (VEFK) und Blitzschutzfachkräfte
Informieren Sie sich dort über Folgen und Auswirkungen von Eigenleistung und lassen Sie selbst durchgeführte Installationen von entsprechender Stelle prüfen und abnehmen. Dafür sind VOR ORT spezielle und qualifizierte Blitzschutz-Fachkräfte notwendig, Ferndiagnosen für Blitzschutz/Erdung können hier NICHT durchgeführt werden ("wie kann ICH das machen ..." oder ähnlich bringt da nichts).
Diese Signatur wächst von Woche zu Woche und enthält immer mehr grundlegende Inhalte die bitte berücksichtigt werden sollten bei bzw. VOR Anfragen !
100% beantwortet werden können nur Anfragen die auch alle relevanten Teile beinhalten die man benötigt für eine Antwort (genaue Beschreibungen/ Angabe von Herstellern/Typen für vorhandenes Material etc.). Bitte vermeiden Sie Aussagen wie "habe viel gelesen, aber versteht das nicht ..." ohne Nennung von dem was Sie gelesen haben und was genau unklar war an den Erklärungen die hier gelesen wurden - den nur dann kann man auch darauf eingehen was event. unklar ist/war.
Bitte unbedingt vor einem Post lesen => Boardregeln / Datenschutz
Wir erteilen hier keine Rechtsberatung, unsere Hinweise sind nach bestem Wissen und bedürfen einer entsprechenden juristischen/technischen weiteren Beratung.
Normkonforme Beratung und Bau sind bei uns selbstverständlich.
Sat-Shop Heilbronn Kunden können sich auch nach dem Kauf auf unseren besten Service verlassen
Hier im Forum wird kein After-Sales-Support für Fremdkäufe geleistet !! Wenden Sie sich dazu an ihren Verkäufer ......
Tristan Uhde / Satanlagen Onlineshop / SAT-Shop Heilbronn
https://www.satshop-heilbronn.de (SSL) / SAT-Onlineforum https://www.satanlagenforum.de (SSL)
Tel ------ (Fragen gehören ins Forum ! Den nur hier können sie richtig bearbeitet werden, auch was hier noch nicht von A-Z genau schon erklärt/behandelt ist ) .. Dieser Hinweis weil täglich dutzende Fragen per Email oder per PM über das Forum rein kommen die noch dazu inhaltlich nicht das intus haben das man etwas dazu sagen könnte.
Wichtiger Hinweis: Zuständigkeiten verantwortliche Elektrofachkraft (VEFK) und Blitzschutzfachkräfte
Informieren Sie sich dort über Folgen und Auswirkungen von Eigenleistung und lassen Sie selbst durchgeführte Installationen von entsprechender Stelle prüfen und abnehmen. Dafür sind VOR ORT spezielle und qualifizierte Blitzschutz-Fachkräfte notwendig, Ferndiagnosen für Blitzschutz/Erdung können hier NICHT durchgeführt werden ("wie kann ICH das machen ..." oder ähnlich bringt da nichts).
Diese Signatur wächst von Woche zu Woche und enthält immer mehr grundlegende Inhalte die bitte berücksichtigt werden sollten bei bzw. VOR Anfragen !
100% beantwortet werden können nur Anfragen die auch alle relevanten Teile beinhalten die man benötigt für eine Antwort (genaue Beschreibungen/ Angabe von Herstellern/Typen für vorhandenes Material etc.). Bitte vermeiden Sie Aussagen wie "habe viel gelesen, aber versteht das nicht ..." ohne Nennung von dem was Sie gelesen haben und was genau unklar war an den Erklärungen die hier gelesen wurden - den nur dann kann man auch darauf eingehen was event. unklar ist/war.
Bitte unbedingt vor einem Post lesen => Boardregeln / Datenschutz
Wir erteilen hier keine Rechtsberatung, unsere Hinweise sind nach bestem Wissen und bedürfen einer entsprechenden juristischen/technischen weiteren Beratung.
- techno-com
- Site Admin
- Beiträge: 22430
- Registriert: 17. November 2005 09:32
- Wohnort: 74076 Heilbronn
- Hat sich bedankt: 504 Mal
- Danksagung erhalten: 574 Mal
- Kontaktdaten:
Re: Ist das eine Einkabelanlage?
Ich kann dort wo die 5 Dosen pro Strang sind (also nach aktuellem Plan 2x der Fall) 3 der Wohnungen je 2 IDs geben … aber das wäre dann finale Planung was sie ggf. durchsprechen sollten in der Sitzung wer das benötigt. Preislich macht das nichts aus.
Der rechte Strang (2 Stränge über 2-fach Verteiler zu einem Strang gemacht) / die rechten 4 Wohnungen haben jetzt schon ALLE jeweils 2 IDs (da es dort nur 4 Dosen sind , bei 8 IDs die zur Verfügung stehen).
Der rechte Strang (2 Stränge über 2-fach Verteiler zu einem Strang gemacht) / die rechten 4 Wohnungen haben jetzt schon ALLE jeweils 2 IDs (da es dort nur 4 Dosen sind , bei 8 IDs die zur Verfügung stehen).
Vielleicht sind wir nicht günstiger als ein Discounter oder reiner Online-Kartonschieber, aber sicherlich besser !
Normkonforme Beratung und Bau sind bei uns selbstverständlich.
Sat-Shop Heilbronn Kunden können sich auch nach dem Kauf auf unseren besten Service verlassen
Hier im Forum wird kein After-Sales-Support für Fremdkäufe geleistet !! Wenden Sie sich dazu an ihren Verkäufer ......
Tristan Uhde / Satanlagen Onlineshop / SAT-Shop Heilbronn
https://www.satshop-heilbronn.de (SSL) / SAT-Onlineforum https://www.satanlagenforum.de (SSL)
Tel ------ (Fragen gehören ins Forum ! Den nur hier können sie richtig bearbeitet werden, auch was hier noch nicht von A-Z genau schon erklärt/behandelt ist ) .. Dieser Hinweis weil täglich dutzende Fragen per Email oder per PM über das Forum rein kommen die noch dazu inhaltlich nicht das intus haben das man etwas dazu sagen könnte.
Wichtiger Hinweis: Zuständigkeiten verantwortliche Elektrofachkraft (VEFK) und Blitzschutzfachkräfte
Informieren Sie sich dort über Folgen und Auswirkungen von Eigenleistung und lassen Sie selbst durchgeführte Installationen von entsprechender Stelle prüfen und abnehmen. Dafür sind VOR ORT spezielle und qualifizierte Blitzschutz-Fachkräfte notwendig, Ferndiagnosen für Blitzschutz/Erdung können hier NICHT durchgeführt werden ("wie kann ICH das machen ..." oder ähnlich bringt da nichts).
Diese Signatur wächst von Woche zu Woche und enthält immer mehr grundlegende Inhalte die bitte berücksichtigt werden sollten bei bzw. VOR Anfragen !
100% beantwortet werden können nur Anfragen die auch alle relevanten Teile beinhalten die man benötigt für eine Antwort (genaue Beschreibungen/ Angabe von Herstellern/Typen für vorhandenes Material etc.). Bitte vermeiden Sie Aussagen wie "habe viel gelesen, aber versteht das nicht ..." ohne Nennung von dem was Sie gelesen haben und was genau unklar war an den Erklärungen die hier gelesen wurden - den nur dann kann man auch darauf eingehen was event. unklar ist/war.
Bitte unbedingt vor einem Post lesen => Boardregeln / Datenschutz
Wir erteilen hier keine Rechtsberatung, unsere Hinweise sind nach bestem Wissen und bedürfen einer entsprechenden juristischen/technischen weiteren Beratung.
Normkonforme Beratung und Bau sind bei uns selbstverständlich.
Sat-Shop Heilbronn Kunden können sich auch nach dem Kauf auf unseren besten Service verlassen
Hier im Forum wird kein After-Sales-Support für Fremdkäufe geleistet !! Wenden Sie sich dazu an ihren Verkäufer ......
Tristan Uhde / Satanlagen Onlineshop / SAT-Shop Heilbronn
https://www.satshop-heilbronn.de (SSL) / SAT-Onlineforum https://www.satanlagenforum.de (SSL)
Tel ------ (Fragen gehören ins Forum ! Den nur hier können sie richtig bearbeitet werden, auch was hier noch nicht von A-Z genau schon erklärt/behandelt ist ) .. Dieser Hinweis weil täglich dutzende Fragen per Email oder per PM über das Forum rein kommen die noch dazu inhaltlich nicht das intus haben das man etwas dazu sagen könnte.
Wichtiger Hinweis: Zuständigkeiten verantwortliche Elektrofachkraft (VEFK) und Blitzschutzfachkräfte
Informieren Sie sich dort über Folgen und Auswirkungen von Eigenleistung und lassen Sie selbst durchgeführte Installationen von entsprechender Stelle prüfen und abnehmen. Dafür sind VOR ORT spezielle und qualifizierte Blitzschutz-Fachkräfte notwendig, Ferndiagnosen für Blitzschutz/Erdung können hier NICHT durchgeführt werden ("wie kann ICH das machen ..." oder ähnlich bringt da nichts).
Diese Signatur wächst von Woche zu Woche und enthält immer mehr grundlegende Inhalte die bitte berücksichtigt werden sollten bei bzw. VOR Anfragen !
100% beantwortet werden können nur Anfragen die auch alle relevanten Teile beinhalten die man benötigt für eine Antwort (genaue Beschreibungen/ Angabe von Herstellern/Typen für vorhandenes Material etc.). Bitte vermeiden Sie Aussagen wie "habe viel gelesen, aber versteht das nicht ..." ohne Nennung von dem was Sie gelesen haben und was genau unklar war an den Erklärungen die hier gelesen wurden - den nur dann kann man auch darauf eingehen was event. unklar ist/war.
Bitte unbedingt vor einem Post lesen => Boardregeln / Datenschutz
Wir erteilen hier keine Rechtsberatung, unsere Hinweise sind nach bestem Wissen und bedürfen einer entsprechenden juristischen/technischen weiteren Beratung.
-
eb8
- ist ganz gut am schreiben
- Beiträge: 47
- Registriert: 8. April 2025 16:26
- Danksagung erhalten: 1 Mal
Re: Ist das eine Einkabelanlage?
-
eb8
- ist ganz gut am schreiben
- Beiträge: 47
- Registriert: 8. April 2025 16:26
- Danksagung erhalten: 1 Mal
Re: Ist das eine Einkabelanlage?
Warum habe Sie im Obergeschoss von Haus 30 in 30 d die hohe Frequenz geplant und nicht die niedrige? Die Kabel nach oben sind doch länger?
- Dateianhänge
-
- Screenshot 2025-04-25 110857.png (14.37 KiB) 960 mal betrachtet
- techno-com
- Site Admin
- Beiträge: 22430
- Registriert: 17. November 2005 09:32
- Wohnort: 74076 Heilbronn
- Hat sich bedankt: 504 Mal
- Danksagung erhalten: 574 Mal
- Kontaktdaten:
Re: Ist das eine Einkabelanlage?
Weiß nicht was sie damit meinen ? Auf was bezieht sich diese Frage und wofür F-Winkelstecker noch ? Der von mir eingeplante Winkelstecker ist für das Aufbringen des benötigten Widerstandes am "kaskadierten" Multischalters nur in Anwendung gedacht.
Siehe Beispiel hier, Quelle: Bestehende SAT-Anlage mit EXR158 Multischalter um 2 Unicable Anschlüsse Erweitern
Siehe hier:eb8 hat geschrieben: 25. April 2025 11:11Warum habe Sie im Obergeschoss von Haus 30 in 30 d die hohe Frequenz geplant und nicht die niedrige? Die Kabel nach oben sind doch länger?
Was da ihrem Bild steht ist doch noch die Zahl die sie eingetragen hatten über den IST-Zustand, meine Plaunung für das NEU ist das was ich darunter geschrieben hatte.techno-com hat geschrieben: 24. April 2025 13:10Und jetzt zu den ID-Verteilung der JAP-Antennendosen für diesen Aufbau:
30a: ID 3+4
30b: ID 5+6 7+8
30c: ID 1+2
30d: ID 7+8 5+6
32a (unten): ID 8
32a (oben): ID 8
32b: ID 6
32c: ID 4
32d: ID 6
32e: ID 4
34a: ID 2
34b: ID 1
34c: ID 2
34d: ID 1
30c ist der längste Weg, daher die niedrigste ID (1+2).
30a ist der zweitlängste Weg (nicht wegen den Kabeln, auch wegen der Dämpfung da davor noch eine Dose sitzt die dämpft, daher dorthin die 2 nächst niedrigen IDs (3+4).
Zuletzt geändert von techno-com am 25. April 2025 13:01, insgesamt 1-mal geändert.
Grund: Edit by techno-com: ID-Zugeilung Haus 30 geändert
Grund: Edit by techno-com: ID-Zugeilung Haus 30 geändert
Vielleicht sind wir nicht günstiger als ein Discounter oder reiner Online-Kartonschieber, aber sicherlich besser !
Normkonforme Beratung und Bau sind bei uns selbstverständlich.
Sat-Shop Heilbronn Kunden können sich auch nach dem Kauf auf unseren besten Service verlassen
Hier im Forum wird kein After-Sales-Support für Fremdkäufe geleistet !! Wenden Sie sich dazu an ihren Verkäufer ......
Tristan Uhde / Satanlagen Onlineshop / SAT-Shop Heilbronn
https://www.satshop-heilbronn.de (SSL) / SAT-Onlineforum https://www.satanlagenforum.de (SSL)
Tel ------ (Fragen gehören ins Forum ! Den nur hier können sie richtig bearbeitet werden, auch was hier noch nicht von A-Z genau schon erklärt/behandelt ist ) .. Dieser Hinweis weil täglich dutzende Fragen per Email oder per PM über das Forum rein kommen die noch dazu inhaltlich nicht das intus haben das man etwas dazu sagen könnte.
Wichtiger Hinweis: Zuständigkeiten verantwortliche Elektrofachkraft (VEFK) und Blitzschutzfachkräfte
Informieren Sie sich dort über Folgen und Auswirkungen von Eigenleistung und lassen Sie selbst durchgeführte Installationen von entsprechender Stelle prüfen und abnehmen. Dafür sind VOR ORT spezielle und qualifizierte Blitzschutz-Fachkräfte notwendig, Ferndiagnosen für Blitzschutz/Erdung können hier NICHT durchgeführt werden ("wie kann ICH das machen ..." oder ähnlich bringt da nichts).
Diese Signatur wächst von Woche zu Woche und enthält immer mehr grundlegende Inhalte die bitte berücksichtigt werden sollten bei bzw. VOR Anfragen !
100% beantwortet werden können nur Anfragen die auch alle relevanten Teile beinhalten die man benötigt für eine Antwort (genaue Beschreibungen/ Angabe von Herstellern/Typen für vorhandenes Material etc.). Bitte vermeiden Sie Aussagen wie "habe viel gelesen, aber versteht das nicht ..." ohne Nennung von dem was Sie gelesen haben und was genau unklar war an den Erklärungen die hier gelesen wurden - den nur dann kann man auch darauf eingehen was event. unklar ist/war.
Bitte unbedingt vor einem Post lesen => Boardregeln / Datenschutz
Wir erteilen hier keine Rechtsberatung, unsere Hinweise sind nach bestem Wissen und bedürfen einer entsprechenden juristischen/technischen weiteren Beratung.
Normkonforme Beratung und Bau sind bei uns selbstverständlich.
Sat-Shop Heilbronn Kunden können sich auch nach dem Kauf auf unseren besten Service verlassen
Hier im Forum wird kein After-Sales-Support für Fremdkäufe geleistet !! Wenden Sie sich dazu an ihren Verkäufer ......
Tristan Uhde / Satanlagen Onlineshop / SAT-Shop Heilbronn
https://www.satshop-heilbronn.de (SSL) / SAT-Onlineforum https://www.satanlagenforum.de (SSL)
Tel ------ (Fragen gehören ins Forum ! Den nur hier können sie richtig bearbeitet werden, auch was hier noch nicht von A-Z genau schon erklärt/behandelt ist ) .. Dieser Hinweis weil täglich dutzende Fragen per Email oder per PM über das Forum rein kommen die noch dazu inhaltlich nicht das intus haben das man etwas dazu sagen könnte.
Wichtiger Hinweis: Zuständigkeiten verantwortliche Elektrofachkraft (VEFK) und Blitzschutzfachkräfte
Informieren Sie sich dort über Folgen und Auswirkungen von Eigenleistung und lassen Sie selbst durchgeführte Installationen von entsprechender Stelle prüfen und abnehmen. Dafür sind VOR ORT spezielle und qualifizierte Blitzschutz-Fachkräfte notwendig, Ferndiagnosen für Blitzschutz/Erdung können hier NICHT durchgeführt werden ("wie kann ICH das machen ..." oder ähnlich bringt da nichts).
Diese Signatur wächst von Woche zu Woche und enthält immer mehr grundlegende Inhalte die bitte berücksichtigt werden sollten bei bzw. VOR Anfragen !
100% beantwortet werden können nur Anfragen die auch alle relevanten Teile beinhalten die man benötigt für eine Antwort (genaue Beschreibungen/ Angabe von Herstellern/Typen für vorhandenes Material etc.). Bitte vermeiden Sie Aussagen wie "habe viel gelesen, aber versteht das nicht ..." ohne Nennung von dem was Sie gelesen haben und was genau unklar war an den Erklärungen die hier gelesen wurden - den nur dann kann man auch darauf eingehen was event. unklar ist/war.
Bitte unbedingt vor einem Post lesen => Boardregeln / Datenschutz
Wir erteilen hier keine Rechtsberatung, unsere Hinweise sind nach bestem Wissen und bedürfen einer entsprechenden juristischen/technischen weiteren Beratung.
-
eb8
- ist ganz gut am schreiben
- Beiträge: 47
- Registriert: 8. April 2025 16:26
- Danksagung erhalten: 1 Mal
Re: Ist das eine Einkabelanlage?
Sie haben vorgeschlagen, alle alten Stecker auszutauschen. Das will ich machen; damit habe ich die Position 8 in Ihrem Angebot verwechselt, sorry.
Bei der Bestellung schreibe ich das noch dazu.
In meiner Zeichnung stehen schon Ihre neuen Zahlen und nicht meine alten; ich dachte aber irrtümlich, wie ich jetzt weiß, der zweitlängste Weg wäre nach 30d und nicht nach 30a, die Dämpfung durch 30c habe ich nicht berücksichtigt. Ich will ja nicht schlauer sein als Sie, ich will es nur verstehen! 30b ist dann der drittlängste Weg und nicht 30d?
Bei der Bestellung schreibe ich das noch dazu.
In meiner Zeichnung stehen schon Ihre neuen Zahlen und nicht meine alten; ich dachte aber irrtümlich, wie ich jetzt weiß, der zweitlängste Weg wäre nach 30d und nicht nach 30a, die Dämpfung durch 30c habe ich nicht berücksichtigt. Ich will ja nicht schlauer sein als Sie, ich will es nur verstehen! 30b ist dann der drittlängste Weg und nicht 30d?
-
- Related Topics
- Antworten
- Zugriffe
- Letzter Beitrag
-
-
Polytron SCA 508-16A Unicable/JESS Multischalter (8x16 UBs/IDs, Wideband-tauglich, receivergespeist, Legacy-Modus)
Dateianhang von techno-com » 24. Juni 2025 12:18 - 2 Antworten
- 516 Zugriffe
-
Letzter Beitrag von techno-com
Neuester Beitrag
24. Juni 2025 13:45
Technik- News
-
-
- 2 Antworten
- 1243 Zugriffe
-
Letzter Beitrag von techno-com
Neuester Beitrag
8. Februar 2025 09:04
Fragen zur Selfsat- Antenne
-
- 11 Antworten
- 7365 Zugriffe
-
Letzter Beitrag von Dipol
Neuester Beitrag
2. Juni 2024 16:59
Montagematerial/ -arten
-
-
Polytron PSG 508 / 516 eco Multischalter 5/8 - 5/16 (voll receivergespeist)
Dateianhang von techno-com » 22. September 2023 14:31 - 0 Antworten
- 6153 Zugriffe
-
Letzter Beitrag von techno-com
Neuester Beitrag
22. September 2023 14:31
Technik- News
-
-
- 0 Antworten
- 7084 Zugriffe
-
Letzter Beitrag von guba
Neuester Beitrag
17. Juni 2023 23:18
Sky- News
-
- 0 Antworten
- 7281 Zugriffe
-
Letzter Beitrag von techno-com
Neuester Beitrag
11. Januar 2023 14:32
News
-
- 4 Antworten
- 2106 Zugriffe
-
Letzter Beitrag von techno-com
Neuester Beitrag
5. Oktober 2022 10:15
technische Fragen zu Satanlagen
-
- 1 Antworten
- 1276 Zugriffe
-
Letzter Beitrag von techno-com
Neuester Beitrag
14. April 2022 11:33
Mülleimer
-
-
EFH Satanlage für 8 Teilnehmer mit Sat>IP - Erstellung einer Einkaufsliste
Dateianhang von Florian_FFB » 5. Mai 2021 11:31 - 16 Antworten
- 4379 Zugriffe
-
Letzter Beitrag von techno-com
Neuester Beitrag
15. November 2021 10:10
technische Fragen zu Satanlagen
-
-
-
Jultec JRS0502-4+4T (Rev2) Unicable-Multischalter (2x4 UBs + 4x Legacy - voll receivergespeist - a²CSS2 Technologie)
Dateianhang von techno-com » 21. Januar 2021 14:09 - 0 Antworten
- 12206 Zugriffe
-
Letzter Beitrag von techno-com
Neuester Beitrag
21. Januar 2021 14:09
Technik- News
-

