Hallo,
ich möchte gerne meine Kabel Anlage (Kabel Deutschland) auf ein SAT-Einkabelsystem umbauen und hoffe hier ein wenig Hilfe bei der Planung und der Auswahl der Bauteile zu bekommen.
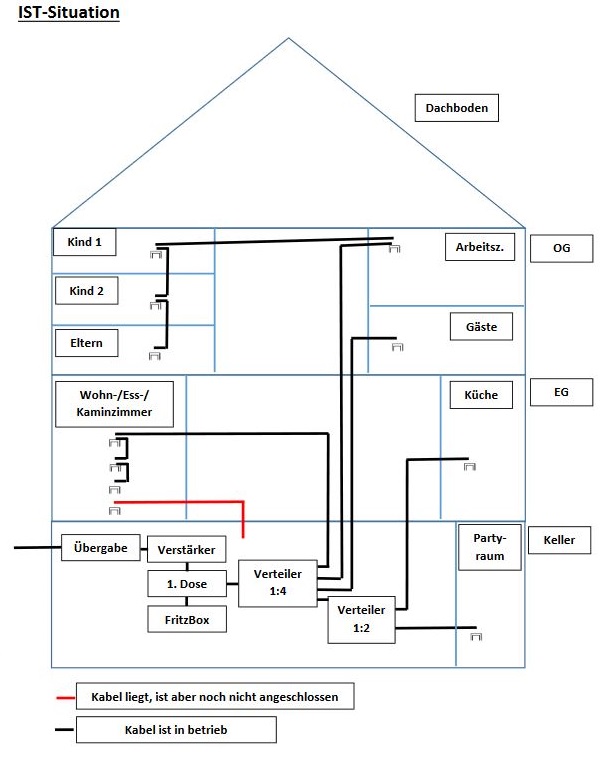
Den aktuellen IST-Aufbau meiner Anlage habe ich angehängt. Ich hoffe, dass ich alle notwendigen Infos dargestellt habe.
Ich sehe jetzt zwei Möglichkeiten zur Umsetzung:
1. Schüssel aufs Dach und die Kabel unter den Dachpfannen bis zum EG ziehen.
Von dort an der Außenwand runter und über eine Kernbohrung mit Kabeldurchführung in den Keller.
2. Im OG eine Enddose (z.B. Eltern oder Gäste) auf eine Durchgangsdose umbauen und das Kabel von Dort auf den Dachboden zur Schüssel führen.
Vielleicht gibt es ja noch eine dritte Möglichkeit?
Als Erdung liegt bereits ein 16mm2 auf dem Dachboden.
Vielen Dank und Gruß
Umbau Kabel auf SAT
Umbau Kabel auf SAT
- Dateianhänge
-
- IST.pdf
- (204.01 KiB) 191-mal heruntergeladen
Zuletzt geändert von techno-com am 6. Januar 2021 10:45, insgesamt 1-mal geändert.
Grund: Edit by techno-com: .pdf in Bild umgewandelt und zusätzlich mit eingestellt
Grund: Edit by techno-com: .pdf in Bild umgewandelt und zusätzlich mit eingestellt
- techno-com
- Site Admin
- Beiträge: 22434
- Registriert: 17. November 2005 09:32
- Wohnort: 74076 Heilbronn
- Hat sich bedankt: 504 Mal
- Danksagung erhalten: 574 Mal
- Kontaktdaten:
Re: Umbau Kabel auf SAT
Hallo und
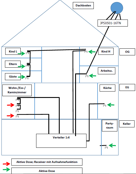
Das wäre meine Planung, damit müsste ich nur ein Kabel oben ganz kurz ins Arbeitszimmer neu verlegen und damit hätte man genug UBs für die Versorgung dieser doch großen Anlage mit vielen Versorgungswegen/Räumen.
Also alles basierend auf dem Jultec JPS0502-16MN (Hinweis: der wird noch im "alten", weißen Gehäuse ausgeliefert aktuell, siehe letztes Bild vom Artikel).
Die eine Leitung ins Wohnzimmer die mit rot markiert ist ("Reserve") würde ich nicht angreifen, die wird ggf. mal später benötigt wenn doch Kabel-Internet weiter verwendet werden soll (Docsis). Die kann man dann für das Kabel-Modem verwenden.
Vielleicht sind wir nicht günstiger als ein Discounter oder reiner Online-Kartonschieber, aber sicherlich besser !
Normkonforme Beratung und Bau sind bei uns selbstverständlich.
Sat-Shop Heilbronn Kunden können sich auch nach dem Kauf auf unseren besten Service verlassen
Hier im Forum wird kein After-Sales-Support für Fremdkäufe geleistet !! Wenden Sie sich dazu an ihren Verkäufer ......
Tristan Uhde / Satanlagen Onlineshop / SAT-Shop Heilbronn
https://www.satshop-heilbronn.de (SSL) / SAT-Onlineforum https://www.satanlagenforum.de (SSL)
Tel ------ (Fragen gehören ins Forum ! Den nur hier können sie richtig bearbeitet werden, auch was hier noch nicht von A-Z genau schon erklärt/behandelt ist ) .. Dieser Hinweis weil täglich dutzende Fragen per Email oder per PM über das Forum rein kommen die noch dazu inhaltlich nicht das intus haben das man etwas dazu sagen könnte.
Wichtiger Hinweis: Zuständigkeiten verantwortliche Elektrofachkraft (VEFK) und Blitzschutzfachkräfte
Informieren Sie sich dort über Folgen und Auswirkungen von Eigenleistung und lassen Sie selbst durchgeführte Installationen von entsprechender Stelle prüfen und abnehmen. Dafür sind VOR ORT spezielle und qualifizierte Blitzschutz-Fachkräfte notwendig, Ferndiagnosen für Blitzschutz/Erdung können hier NICHT durchgeführt werden ("wie kann ICH das machen ..." oder ähnlich bringt da nichts).
Diese Signatur wächst von Woche zu Woche und enthält immer mehr grundlegende Inhalte die bitte berücksichtigt werden sollten bei bzw. VOR Anfragen !
100% beantwortet werden können nur Anfragen die auch alle relevanten Teile beinhalten die man benötigt für eine Antwort (genaue Beschreibungen/ Angabe von Herstellern/Typen für vorhandenes Material etc.). Bitte vermeiden Sie Aussagen wie "habe viel gelesen, aber versteht das nicht ..." ohne Nennung von dem was Sie gelesen haben und was genau unklar war an den Erklärungen die hier gelesen wurden - den nur dann kann man auch darauf eingehen was event. unklar ist/war.
Bitte unbedingt vor einem Post lesen => Boardregeln / Datenschutz
Wir erteilen hier keine Rechtsberatung, unsere Hinweise sind nach bestem Wissen und bedürfen einer entsprechenden juristischen/technischen weiteren Beratung.
Normkonforme Beratung und Bau sind bei uns selbstverständlich.
Sat-Shop Heilbronn Kunden können sich auch nach dem Kauf auf unseren besten Service verlassen
Hier im Forum wird kein After-Sales-Support für Fremdkäufe geleistet !! Wenden Sie sich dazu an ihren Verkäufer ......
Tristan Uhde / Satanlagen Onlineshop / SAT-Shop Heilbronn
https://www.satshop-heilbronn.de (SSL) / SAT-Onlineforum https://www.satanlagenforum.de (SSL)
Tel ------ (Fragen gehören ins Forum ! Den nur hier können sie richtig bearbeitet werden, auch was hier noch nicht von A-Z genau schon erklärt/behandelt ist ) .. Dieser Hinweis weil täglich dutzende Fragen per Email oder per PM über das Forum rein kommen die noch dazu inhaltlich nicht das intus haben das man etwas dazu sagen könnte.
Wichtiger Hinweis: Zuständigkeiten verantwortliche Elektrofachkraft (VEFK) und Blitzschutzfachkräfte
Informieren Sie sich dort über Folgen und Auswirkungen von Eigenleistung und lassen Sie selbst durchgeführte Installationen von entsprechender Stelle prüfen und abnehmen. Dafür sind VOR ORT spezielle und qualifizierte Blitzschutz-Fachkräfte notwendig, Ferndiagnosen für Blitzschutz/Erdung können hier NICHT durchgeführt werden ("wie kann ICH das machen ..." oder ähnlich bringt da nichts).
Diese Signatur wächst von Woche zu Woche und enthält immer mehr grundlegende Inhalte die bitte berücksichtigt werden sollten bei bzw. VOR Anfragen !
100% beantwortet werden können nur Anfragen die auch alle relevanten Teile beinhalten die man benötigt für eine Antwort (genaue Beschreibungen/ Angabe von Herstellern/Typen für vorhandenes Material etc.). Bitte vermeiden Sie Aussagen wie "habe viel gelesen, aber versteht das nicht ..." ohne Nennung von dem was Sie gelesen haben und was genau unklar war an den Erklärungen die hier gelesen wurden - den nur dann kann man auch darauf eingehen was event. unklar ist/war.
Bitte unbedingt vor einem Post lesen => Boardregeln / Datenschutz
Wir erteilen hier keine Rechtsberatung, unsere Hinweise sind nach bestem Wissen und bedürfen einer entsprechenden juristischen/technischen weiteren Beratung.
Re: Umbau Kabel auf SAT
Hallo,
vielen Dank für die Antwort und entschuldigen Sie meine späte Rückmeldung.
Die von Ihnen aufgezeigte Lösung sieht schon sehr vielversprechend aus.
Ich habe mich ein wenig in die Materie eingelesen und meinen Aufbau ein wenig durchdacht. Im Keller sowie in der Küche sind zwar Dosen, aber keine TVs vorgesehen.
Im Wohnzimmer sind 3 Dosen verbaut, wovon aber nur eine genutzt wird.
Wenn ich das richtig sehe, dann könnte auch der „kleinere“ Schalter Jultec JPS0501-16TN/MN ausreichen. Der ist auch etwas günstiger.
Fürs OG benötige ich dann 5 Dosen mit 5 Userbändern.
Fürs EG/Keller benötige ich 4 Dosen und habe noch 11 Userbänder übrig. Damit könnte ich noch zwei Quadro-Festplattenreceiver nutzen.
Was sagen Sie dazu?
Vielen Dank und Gruß
vielen Dank für die Antwort und entschuldigen Sie meine späte Rückmeldung.
Die von Ihnen aufgezeigte Lösung sieht schon sehr vielversprechend aus.
Ich habe mich ein wenig in die Materie eingelesen und meinen Aufbau ein wenig durchdacht. Im Keller sowie in der Küche sind zwar Dosen, aber keine TVs vorgesehen.
Im Wohnzimmer sind 3 Dosen verbaut, wovon aber nur eine genutzt wird.
Wenn ich das richtig sehe, dann könnte auch der „kleinere“ Schalter Jultec JPS0501-16TN/MN ausreichen. Der ist auch etwas günstiger.
Fürs OG benötige ich dann 5 Dosen mit 5 Userbändern.
Fürs EG/Keller benötige ich 4 Dosen und habe noch 11 Userbänder übrig. Damit könnte ich noch zwei Quadro-Festplattenreceiver nutzen.
Was sagen Sie dazu?
Vielen Dank und Gruß
- techno-com
- Site Admin
- Beiträge: 22434
- Registriert: 17. November 2005 09:32
- Wohnort: 74076 Heilbronn
- Hat sich bedankt: 504 Mal
- Danksagung erhalten: 574 Mal
- Kontaktdaten:
Re: Umbau Kabel auf SAT
Hallo zurück
An dieser Planung habe ich jetzt 2 Probleme denen man aus dem Weg gehen könnte und "sicherer" mit einem Schalter wäre der 2 Ausgänge hat (ggf. sogar mit einem JPS0502-8M statt dem JPS0502-16MN -- vorab Hinweis: der JPS0502-8M hat im orig. Auslieferungszustand kein Netzteil dabei, das ging hier bei diesem Schalter extra noch dazu).
1. fehlt mir in ihrer Zeichnung jetzt der Anschluss Partyraum/Keller ... den haben sie jetzt weg gelassen
2. hätten wir bei einem JPS0501-16MN nur 8 Userband-Frequenzen (IDs/UBs) die Unicable EN50494 könnten, nur die ersten 8 UBs wären mit Geräten die "nur" Unicable können nutzbar. Die UBs 9-16 könnten nur von Geräten genutzt werden die JESS-tauglich wären (EN50607).
Bei einem JPS0502-16MN wäre das 2x 8 UBs die auch von "nur" Unicable-tauglichen Geräten verwendet werden könnten (bei einem JPS0502-8M wären es an beiden Ausgängen alle UBs die auch Unicable-Geräte versorgen könnten). Immer daran denken, nicht alle Receiver können JESS EN50607 überhaupt.
Was ist JESS (Jultec Enhanced Stacking System/DIN EN 50607)?
Offene Ausgänge am JPS0501-16MN, JPS0502-16MN oder auch JPS0502-8M (also offene Eingänge wie z.b. der terrestrische Eingang bzw. offene Kaskadenausgänge) immer mit einem F-Endwiderstand DC-entkoppelt abschließen.
Quad-Receiver gibt es übrigens heute kaum noch, das sind heute eigentlich immer Receiver mit einem FBC-Frontend die über nur einen eingebauten Tuner bis zu 8 UBs eingespielt bekommen könnten für dann bis zu 8 Tuner-Versorgungen in nur einem Receiver. Warum auch 2x Quad-Receiver an einem Aufstellplatz dann wenn einer ausreichen würde, auch daran denken in der Planung (z.B. alle neuen Geräte von VU+, alle 4K/UHD tauglich und alle Geräte haben FBC-Frontend-Tuner -- außer der Zero 4k, aber das ist ja auch nur ein Single-Receiver).
Eine Pegelberechnung wäre dann noch notwendig, aber da warten wir erst einmal ab wie das am Ende dann genau ausschauen soll.
tag/Pegelberechnung
tag/Pegelanpassung
An dieser Planung habe ich jetzt 2 Probleme denen man aus dem Weg gehen könnte und "sicherer" mit einem Schalter wäre der 2 Ausgänge hat (ggf. sogar mit einem JPS0502-8M statt dem JPS0502-16MN -- vorab Hinweis: der JPS0502-8M hat im orig. Auslieferungszustand kein Netzteil dabei, das ging hier bei diesem Schalter extra noch dazu).
1. fehlt mir in ihrer Zeichnung jetzt der Anschluss Partyraum/Keller ... den haben sie jetzt weg gelassen
2. hätten wir bei einem JPS0501-16MN nur 8 Userband-Frequenzen (IDs/UBs) die Unicable EN50494 könnten, nur die ersten 8 UBs wären mit Geräten die "nur" Unicable können nutzbar. Die UBs 9-16 könnten nur von Geräten genutzt werden die JESS-tauglich wären (EN50607).
Bei einem JPS0502-16MN wäre das 2x 8 UBs die auch von "nur" Unicable-tauglichen Geräten verwendet werden könnten (bei einem JPS0502-8M wären es an beiden Ausgängen alle UBs die auch Unicable-Geräte versorgen könnten). Immer daran denken, nicht alle Receiver können JESS EN50607 überhaupt.
Was ist JESS (Jultec Enhanced Stacking System/DIN EN 50607)?
Offene Ausgänge am JPS0501-16MN, JPS0502-16MN oder auch JPS0502-8M (also offene Eingänge wie z.b. der terrestrische Eingang bzw. offene Kaskadenausgänge) immer mit einem F-Endwiderstand DC-entkoppelt abschließen.
Quad-Receiver gibt es übrigens heute kaum noch, das sind heute eigentlich immer Receiver mit einem FBC-Frontend die über nur einen eingebauten Tuner bis zu 8 UBs eingespielt bekommen könnten für dann bis zu 8 Tuner-Versorgungen in nur einem Receiver. Warum auch 2x Quad-Receiver an einem Aufstellplatz dann wenn einer ausreichen würde, auch daran denken in der Planung (z.B. alle neuen Geräte von VU+, alle 4K/UHD tauglich und alle Geräte haben FBC-Frontend-Tuner -- außer der Zero 4k, aber das ist ja auch nur ein Single-Receiver).
Eine Pegelberechnung wäre dann noch notwendig, aber da warten wir erst einmal ab wie das am Ende dann genau ausschauen soll.
tag/Pegelberechnung
tag/Pegelanpassung
Vielleicht sind wir nicht günstiger als ein Discounter oder reiner Online-Kartonschieber, aber sicherlich besser !
Normkonforme Beratung und Bau sind bei uns selbstverständlich.
Sat-Shop Heilbronn Kunden können sich auch nach dem Kauf auf unseren besten Service verlassen
Hier im Forum wird kein After-Sales-Support für Fremdkäufe geleistet !! Wenden Sie sich dazu an ihren Verkäufer ......
Tristan Uhde / Satanlagen Onlineshop / SAT-Shop Heilbronn
https://www.satshop-heilbronn.de (SSL) / SAT-Onlineforum https://www.satanlagenforum.de (SSL)
Tel ------ (Fragen gehören ins Forum ! Den nur hier können sie richtig bearbeitet werden, auch was hier noch nicht von A-Z genau schon erklärt/behandelt ist ) .. Dieser Hinweis weil täglich dutzende Fragen per Email oder per PM über das Forum rein kommen die noch dazu inhaltlich nicht das intus haben das man etwas dazu sagen könnte.
Wichtiger Hinweis: Zuständigkeiten verantwortliche Elektrofachkraft (VEFK) und Blitzschutzfachkräfte
Informieren Sie sich dort über Folgen und Auswirkungen von Eigenleistung und lassen Sie selbst durchgeführte Installationen von entsprechender Stelle prüfen und abnehmen. Dafür sind VOR ORT spezielle und qualifizierte Blitzschutz-Fachkräfte notwendig, Ferndiagnosen für Blitzschutz/Erdung können hier NICHT durchgeführt werden ("wie kann ICH das machen ..." oder ähnlich bringt da nichts).
Diese Signatur wächst von Woche zu Woche und enthält immer mehr grundlegende Inhalte die bitte berücksichtigt werden sollten bei bzw. VOR Anfragen !
100% beantwortet werden können nur Anfragen die auch alle relevanten Teile beinhalten die man benötigt für eine Antwort (genaue Beschreibungen/ Angabe von Herstellern/Typen für vorhandenes Material etc.). Bitte vermeiden Sie Aussagen wie "habe viel gelesen, aber versteht das nicht ..." ohne Nennung von dem was Sie gelesen haben und was genau unklar war an den Erklärungen die hier gelesen wurden - den nur dann kann man auch darauf eingehen was event. unklar ist/war.
Bitte unbedingt vor einem Post lesen => Boardregeln / Datenschutz
Wir erteilen hier keine Rechtsberatung, unsere Hinweise sind nach bestem Wissen und bedürfen einer entsprechenden juristischen/technischen weiteren Beratung.
Normkonforme Beratung und Bau sind bei uns selbstverständlich.
Sat-Shop Heilbronn Kunden können sich auch nach dem Kauf auf unseren besten Service verlassen
Hier im Forum wird kein After-Sales-Support für Fremdkäufe geleistet !! Wenden Sie sich dazu an ihren Verkäufer ......
Tristan Uhde / Satanlagen Onlineshop / SAT-Shop Heilbronn
https://www.satshop-heilbronn.de (SSL) / SAT-Onlineforum https://www.satanlagenforum.de (SSL)
Tel ------ (Fragen gehören ins Forum ! Den nur hier können sie richtig bearbeitet werden, auch was hier noch nicht von A-Z genau schon erklärt/behandelt ist ) .. Dieser Hinweis weil täglich dutzende Fragen per Email oder per PM über das Forum rein kommen die noch dazu inhaltlich nicht das intus haben das man etwas dazu sagen könnte.
Wichtiger Hinweis: Zuständigkeiten verantwortliche Elektrofachkraft (VEFK) und Blitzschutzfachkräfte
Informieren Sie sich dort über Folgen und Auswirkungen von Eigenleistung und lassen Sie selbst durchgeführte Installationen von entsprechender Stelle prüfen und abnehmen. Dafür sind VOR ORT spezielle und qualifizierte Blitzschutz-Fachkräfte notwendig, Ferndiagnosen für Blitzschutz/Erdung können hier NICHT durchgeführt werden ("wie kann ICH das machen ..." oder ähnlich bringt da nichts).
Diese Signatur wächst von Woche zu Woche und enthält immer mehr grundlegende Inhalte die bitte berücksichtigt werden sollten bei bzw. VOR Anfragen !
100% beantwortet werden können nur Anfragen die auch alle relevanten Teile beinhalten die man benötigt für eine Antwort (genaue Beschreibungen/ Angabe von Herstellern/Typen für vorhandenes Material etc.). Bitte vermeiden Sie Aussagen wie "habe viel gelesen, aber versteht das nicht ..." ohne Nennung von dem was Sie gelesen haben und was genau unklar war an den Erklärungen die hier gelesen wurden - den nur dann kann man auch darauf eingehen was event. unklar ist/war.
Bitte unbedingt vor einem Post lesen => Boardregeln / Datenschutz
Wir erteilen hier keine Rechtsberatung, unsere Hinweise sind nach bestem Wissen und bedürfen einer entsprechenden juristischen/technischen weiteren Beratung.
-
- Related Topics
- Antworten
- Zugriffe
- Letzter Beitrag
-
-
Umbau von Kabel auf Unicable, Test von vorhandenen Kabeln
Dateianhang von belegdol » 28. Februar 2025 14:17 - 13 Antworten
- 1715 Zugriffe
-
Letzter Beitrag von Dipol
Neuester Beitrag
29. Juni 2025 11:39
Fragen zu digitalen SAT- Einkabelsystemen
-
-
- 3 Antworten
- 986 Zugriffe
-
Letzter Beitrag von techno-com
Neuester Beitrag
15. Oktober 2024 13:46
technische Fragen zu Satanlagen
-
-
Umbau Legacey | Disecq Anlage mit 4 Sat Positionen auf UniCable
Dateianhang von greenhornxxl » 30. Dezember 2023 03:02 - 3 Antworten
- 1416 Zugriffe
-
Letzter Beitrag von techno-com
Neuester Beitrag
2. Januar 2024 09:36
Fragen zu digitalen SAT- Einkabelsystemen
-
-
- 1 Antworten
- 1658 Zugriffe
-
Letzter Beitrag von techno-com
Neuester Beitrag
31. August 2023 10:07
technische Fragen zu Satanlagen
-
-
Umbau Sat im EFH von Stern auf Unicable
Dateianhang von Deleted User 14037 » 15. Dezember 2022 20:45 - 2 Antworten
- 1469 Zugriffe
-
Letzter Beitrag von Deleted User 14037
Neuester Beitrag
19. Dezember 2022 22:11
Mülleimer
-
-
- 3 Antworten
- 4612 Zugriffe
-
Letzter Beitrag von techno-com
Neuester Beitrag
10. August 2022 13:25
SAT>IP
-
- 11 Antworten
- 3137 Zugriffe
-
Letzter Beitrag von techno-com
Neuester Beitrag
28. Februar 2022 09:18
Fragen zu digitalen SAT- Einkabelsystemen
-
- 4 Antworten
- 1149 Zugriffe
-
Letzter Beitrag von techno-com
Neuester Beitrag
24. Dezember 2021 10:57
Mülleimer
-
- 1 Antworten
- 886 Zugriffe
-
Letzter Beitrag von techno-com
Neuester Beitrag
22. Oktober 2021 06:23
Mülleimer
-
-
Optische Sat-Signalversorgung (DVB-S/S2/S2x) über Glasfasterkabel - Umbau von optischem LNB
Dateianhang von techno-com » 27. Mai 2021 14:04 - 0 Antworten
- 7092 Zugriffe
-
Letzter Beitrag von techno-com
Neuester Beitrag
27. Mai 2021 14:04
Technik- News
-

