Hallo,
ich habe folgende Supportanfrage:
Ich habe meine Sat-Anlage umgerüstet. Ein Multischalter Jultec JRS0502-4+4T hängt hinter einem Inverto Black Premium Quattro-LNB. Sie hatten mir die Verbindungskabel dankenswerter Weise direkt mit den Kompressionssteckern versehen. Dafür vielen Dank. Einziger Haken war, dass der Wetterschutz des Inverto nicht über die Stecker passt. Nun gut, muss halt so gehen.
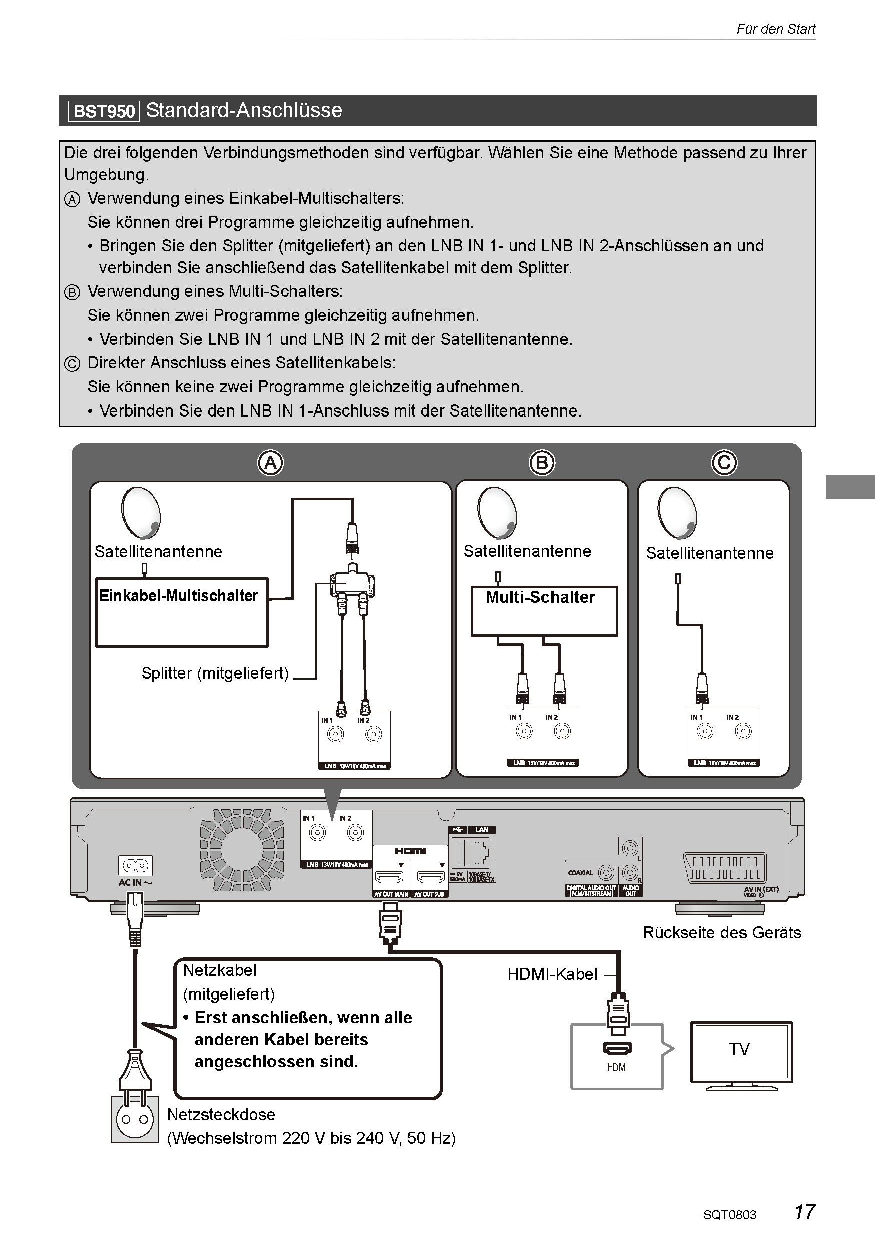
Mein Problem ist aber ein anderes: An den Ausgang A (oder B) des Multischalters habe ich eine neue Jultec JAD307 TRS als Enddose gehängt. Daran angeschlossen ist - über einen von Panasonic mitgelieferten Splitter - ein Panasonic BST950-Receiver, der im "Einkabel-Modus" genutzt werden soll, um die 3 Empfänger des Receivers ausnutzen zu können. Also: Sat-Kabel von der Enddose an den Splitter, von dort zwei Kabel an die beiden EIngänge des Receivers, wie es in der Anleitung von Panasonic beschrieben steht.
Die Schüssel ist auf Astra ausgerichtet.
Leider funktioniert eben dieser Einkabel-Modus nicht. Der Receiver zeigt immer nur, "Kein Signal", wenn ich im Unicable-Modus bin. Wenn ich den Receiver ohne Splitter direkt an die Sat-Dose anschließe, und den Receiver im LNB-Modus betreibe, funktioniert es übrigens. Als Lecacy-Ausgang funktioniert Anschluß A/B vom Multischalter also offensichtlich. Es funktioniert auch, wenn ich den Splitter zwischengeschaltet lasse, und nur an einen der beiden Eingänge des Receivers anschließe. Dann hat er offenbar eine höhere Dämpfung (Signalstärke ist dann nur noch bei ca. 70%), aber es geht, sowohl an Eingang 1 als auch an Eingang 2. Nur nicht an beiden gleichzeitig, ist ja aber auch klar.
Da ich inzwischen hier im Forum gelesen habe, dass der Multischalter - der übrigens ohne Netzteil betrieben wird, da er ja vom Receiver versorgt werden kann - explizit ein Unicable-Signal vom Receiver benötigt, habe ich den jetzt mehrmals vom Netz genommen und neu probiert und inzwischen sogar den kompletten Receiver zurück gesetzt. Leider alles ohne Erfolg. Bzw. mit dem Erfolg, dass ich jetzt den ganzen Receiver natürlich neu programmieren muss, was der aber nicht zulässt, da er erst eine Satelliten-Verbindung haben will.
Ich bin inzwischen die ganze Anleitung vom Receiver noch mal komplett durchgegangen, da findet sich aber auch kein echter Hinweis. Dort klingt alles sehr einfach (so hatte ich es mir auch vorgestellt) und so habe ich auch alles gemacht. Lediglich der Erfolg bleibt aus.
Am Multischalter kann man ja nicht wirklich irgendwas machen, oder?
Ich habe die übrigen Ausgänge des Multischalters, die ich im Moment noch nicht nutze (es sollte erst mal der Hauptanschluß funktionieren...) mit Wiederständen abgeschlossen. Zwei (C+D) sind jedoch offen, da hier einfach noch nichts angeschlossen ist und ich auch keine Widerstände mehr da habe, ich gehe aber davon aus, dass das nicht den Unicable-Betrieb an Ausgang A und B verhindert...
Haben Sie noch eine Idee, was das Problem sein könnte, bzw. wie ich es beheben kann?
Grundsätzlich kann es ja auch nicht am Zusammenspiel zwischen dem Multischalter und dem BST950 liegen, da ich hier im Forum einen Betrag gefunden hatte, nach dem der Besitzer genau dieses Zusammenspiel im Unicable-Modus hinbekommen hatte. Er hatte dann aber wohl ein anderes Problem. Bei mir funktioniert ja schon der grundsätzliche Unicable-Modus nicht.
Ich habe aber auch kein anderes, Unicable-fähiges Gerät hier, so dass ich das Zusammenspiel im Moment auch mit einem anderen Gerät einfach nicht testen kann.
Unicable Modus an Jultec JRS0502-4+4T funktioniert nicht (mit BST950)
- techno-com
- Site Admin
- Beiträge: 22429
- Registriert: 17. November 2005 09:32
- Wohnort: 74076 Heilbronn
- Hat sich bedankt: 504 Mal
- Danksagung erhalten: 574 Mal
- Kontaktdaten:
Re: Unicable Modus an Jultec JRS0502-4+4T funktioniert nicht (mit BST950)
Hallo und Herzlich Willkommen im ForumApisto hat geschrieben:Hallo,

Der Wetterschutz vom LNB (Wetterschutz-Haube) wird ja nicht benötigt, dafür sind ja hier jetzt wasserdichte Stecker installiert. So ein Wetterschutz bringt ja eh nichts, Luftfeuchtigkeit wird durch einen solchen nicht abgewiesen.Apisto hat geschrieben:Sie hatten mir die Verbindungskabel dankenswerter Weise direkt mit den Kompressionssteckern versehen. Dafür vielen Dank. Einziger Haken war, dass der Wetterschutz des Inverto nicht über die Stecker passt. Nun gut, muss halt so gehen.
Apisto hat geschrieben:Leider funktioniert eben dieser Einkabel-Modus nicht. Der Receiver zeigt immer nur, "Kein Signal", wenn ich im Unicable-Modus bin.
Leider sagen sie kein Wort über die Receiver-Programmierung/-Einstellung für den Unicable-Modus, also wie die Einstellungen für jeden Tuner für die ID/SCR und die Träger-Frequenz durchgeführt wurden (Text bzw. sogar Bilder dazu wären sehr hilfreich, eher sogar das Wichtigste hier !).Apisto hat geschrieben:Ich bin inzwischen die ganze Anleitung vom Receiver noch mal komplett durchgegangen, da findet sich aber auch kein echter Hinweis. Dort klingt alles sehr einfach (so hatte ich es mir auch vorgestellt) und so habe ich auch alles gemacht. Lediglich der Erfolg bleibt aus.
Auch bitte genau aufzeichnen/erklären wie nach der Dose mit was für einem Verteiler der Receiver angeschlossen wurde.
Was für ein Splitter (siehe Frage zuvor) ?Apisto hat geschrieben:Wenn ich den Receiver ohne Splitter direkt an die Sat-Dose anschließe, und den Receiver im LNB-Modus betreibe, funktioniert es übrigens. Als Lecacy-Ausgang funktioniert Anschluß A/B vom Multischalter also offensichtlich.
Das der Legacy-Modus (Universal-LNB Modus) im Legacy-/CSS-Kombimodus dann geht zeigt auf das der Multischalter OK ist. Das nur die Unicable-Versorgung nicht geht kann nicht sein.
Sind alle Programme dann auch verfügbar ? Test machen mit folgenden Programmen (ein Programm von jeder Ebene):
ARD HD (HL-Band)
Kika HD (VL-Band)
RTL SD (HH-Band)
DMAX SD (VH-Band)
Das hat nicht mit mehr "Dämpfung" zu tun, das kommt einfach daher das im Einkabel-Modus mehr Signalstärke raus kommt... siehe technische Daten:Apisto hat geschrieben:Es funktioniert auch, wenn ich den Splitter zwischengeschaltet lasse, und nur an einen der beiden Eingänge des Receivers anschließe. Dann hat er offenbar eine höhere Dämpfung (Signalstärke ist dann nur noch bei ca. 70%), aber es geht, sowohl an Eingang 1 als auch an Eingang 2. Nur nicht an beiden gleichzeitig, ist ja aber auch klar.
Ausgangspegel Legacy = 81dbµV
Ausgangspgel CSS/Einkabel = 83dbµV
Ein Receiver und dessen Prozent-Anzeige ist auch kein Messgerät

Funktioniert ja, sonst würde der Legacy-Modus nicht funktionieren (der mehr Strom aufnimmt als der Einkabel-Betrieb).Apisto hat geschrieben:...., dass der Multischalter - der übrigens ohne Netzteil betrieben wird, da er ja vom Receiver versorgt werden kann - ...
Nein, die IDs + Frequenzen für den Schalter finden sie auf diesem Bild (Quelle: Jultec - Frequenzen der Userbänder)Apisto hat geschrieben:Am Multischalter kann man ja nicht wirklich irgendwas machen, oder?
Für ihren Schalter dort "neu - 4 UB" (1375-1625MHz / ID1-4)
Nein.Apisto hat geschrieben:Ich habe die übrigen Ausgänge des Multischalters, die ich im Moment noch nicht nutze (es sollte erst mal der Hauptanschluß funktionieren...) mit Wiederständen abgeschlossen. Zwei (C+D) sind jedoch offen, da hier einfach noch nichts angeschlossen ist und ich auch keine Widerstände mehr da habe, ich gehe aber davon aus, dass das nicht den Unicable-Betrieb an Ausgang A und B verhindert...
Ich tippe einfach nur auf falschen Anschluss vom Receiver (für den Einkabel-Betrieb) und/oder auf eine falsche Konfiguration vom Receiver auf den Einkabel-Modus (Unicable EN50494).Apisto hat geschrieben:Haben Sie noch eine Idee, was das Problem sein könnte, bzw. wie ich es beheben kann?
Grundsätzlich kann es ja auch nicht am Zusammenspiel zwischen dem Multischalter und dem BST950 liegen, da ich hier im Forum einen Betrag gefunden hatte, nach dem der Besitzer genau dieses Zusammenspiel im Unicable-Modus hinbekommen hatte. Er hatte dann aber wohl ein anderes Problem. Bei mir funktioniert ja schon der grundsätzliche Unicable-Modus nicht.[/quote]
Unicable = Unicable ... da ist es egal ob da ein Panasonic, Technisat, Kathrein etc. Receiver versorgt werden soll/muss.
Vielleicht sind wir nicht günstiger als ein Discounter oder reiner Online-Kartonschieber, aber sicherlich besser !
Normkonforme Beratung und Bau sind bei uns selbstverständlich.
Sat-Shop Heilbronn Kunden können sich auch nach dem Kauf auf unseren besten Service verlassen
Hier im Forum wird kein After-Sales-Support für Fremdkäufe geleistet !! Wenden Sie sich dazu an ihren Verkäufer ......
Tristan Uhde / Satanlagen Onlineshop / SAT-Shop Heilbronn
https://www.satshop-heilbronn.de (SSL) / SAT-Onlineforum https://www.satanlagenforum.de (SSL)
Tel ------ (Fragen gehören ins Forum ! Den nur hier können sie richtig bearbeitet werden, auch was hier noch nicht von A-Z genau schon erklärt/behandelt ist ) .. Dieser Hinweis weil täglich dutzende Fragen per Email oder per PM über das Forum rein kommen die noch dazu inhaltlich nicht das intus haben das man etwas dazu sagen könnte.
Wichtiger Hinweis: Zuständigkeiten verantwortliche Elektrofachkraft (VEFK) und Blitzschutzfachkräfte
Informieren Sie sich dort über Folgen und Auswirkungen von Eigenleistung und lassen Sie selbst durchgeführte Installationen von entsprechender Stelle prüfen und abnehmen. Dafür sind VOR ORT spezielle und qualifizierte Blitzschutz-Fachkräfte notwendig, Ferndiagnosen für Blitzschutz/Erdung können hier NICHT durchgeführt werden ("wie kann ICH das machen ..." oder ähnlich bringt da nichts).
Diese Signatur wächst von Woche zu Woche und enthält immer mehr grundlegende Inhalte die bitte berücksichtigt werden sollten bei bzw. VOR Anfragen !
100% beantwortet werden können nur Anfragen die auch alle relevanten Teile beinhalten die man benötigt für eine Antwort (genaue Beschreibungen/ Angabe von Herstellern/Typen für vorhandenes Material etc.). Bitte vermeiden Sie Aussagen wie "habe viel gelesen, aber versteht das nicht ..." ohne Nennung von dem was Sie gelesen haben und was genau unklar war an den Erklärungen die hier gelesen wurden - den nur dann kann man auch darauf eingehen was event. unklar ist/war.
Bitte unbedingt vor einem Post lesen => Boardregeln / Datenschutz
Wir erteilen hier keine Rechtsberatung, unsere Hinweise sind nach bestem Wissen und bedürfen einer entsprechenden juristischen/technischen weiteren Beratung.
Normkonforme Beratung und Bau sind bei uns selbstverständlich.
Sat-Shop Heilbronn Kunden können sich auch nach dem Kauf auf unseren besten Service verlassen
Hier im Forum wird kein After-Sales-Support für Fremdkäufe geleistet !! Wenden Sie sich dazu an ihren Verkäufer ......
Tristan Uhde / Satanlagen Onlineshop / SAT-Shop Heilbronn
https://www.satshop-heilbronn.de (SSL) / SAT-Onlineforum https://www.satanlagenforum.de (SSL)
Tel ------ (Fragen gehören ins Forum ! Den nur hier können sie richtig bearbeitet werden, auch was hier noch nicht von A-Z genau schon erklärt/behandelt ist ) .. Dieser Hinweis weil täglich dutzende Fragen per Email oder per PM über das Forum rein kommen die noch dazu inhaltlich nicht das intus haben das man etwas dazu sagen könnte.
Wichtiger Hinweis: Zuständigkeiten verantwortliche Elektrofachkraft (VEFK) und Blitzschutzfachkräfte
Informieren Sie sich dort über Folgen und Auswirkungen von Eigenleistung und lassen Sie selbst durchgeführte Installationen von entsprechender Stelle prüfen und abnehmen. Dafür sind VOR ORT spezielle und qualifizierte Blitzschutz-Fachkräfte notwendig, Ferndiagnosen für Blitzschutz/Erdung können hier NICHT durchgeführt werden ("wie kann ICH das machen ..." oder ähnlich bringt da nichts).
Diese Signatur wächst von Woche zu Woche und enthält immer mehr grundlegende Inhalte die bitte berücksichtigt werden sollten bei bzw. VOR Anfragen !
100% beantwortet werden können nur Anfragen die auch alle relevanten Teile beinhalten die man benötigt für eine Antwort (genaue Beschreibungen/ Angabe von Herstellern/Typen für vorhandenes Material etc.). Bitte vermeiden Sie Aussagen wie "habe viel gelesen, aber versteht das nicht ..." ohne Nennung von dem was Sie gelesen haben und was genau unklar war an den Erklärungen die hier gelesen wurden - den nur dann kann man auch darauf eingehen was event. unklar ist/war.
Bitte unbedingt vor einem Post lesen => Boardregeln / Datenschutz
Wir erteilen hier keine Rechtsberatung, unsere Hinweise sind nach bestem Wissen und bedürfen einer entsprechenden juristischen/technischen weiteren Beratung.
Re: Unicable Modus an Jultec JRS0502-4+4T funktioniert nicht (mit BST950)
Hallo und herzlich willkommen im Forum.
Gruß
Werner
Kenne ich. Ich habe den Schieber abgebaut (kann man mit sanfter Gewalt ausrasten) und mit einem Schleifer nachbearbeitet bis es gepasst hat. Auch wenn es nicht notwendig ist: Es schadet auch nichtEinziger Haken war, dass der Wetterschutz des Inverto nicht über die Stecker passt. Nun gut, muss halt so gehen.

Das kommt mir alles verdächtig bekannt vor. Siehe diesen ThreadMein Problem ist aber ein anderes
Gruß
Werner
Re: Unicable Modus an Jultec JRS0502-4+4T funktioniert nicht (mit BST950)
Hallo zusammen
Die Einstellungen sind eigentlich in der Anleitung gut erklärt.
Wenn man auf Seite 23 die Einstellungen der ID (Nutzerband) und dazugehöriger Frequenz (einfach mit den Zifferntasten die voreingestellte überschreiben) richtig eingegeben hat, müsste es eigentlich funktionieren.
Wenn es nicht klappt, muss man den Receiver nicht reseten, sondern man geht dann in die Grundeinstellungen S.85 bzw. 87 und 88 (rechte Spalte) und ändert dort ... Unicable kann man auch ohne Splitter einstellen, zum testen z.B. Tuner 1 einstellen, T2 und 3 auf off.
LNB1 kann z.B Tuner 1 sein, und LNB2 Tuner 2+3 oder dann LNB 1 T1+2 bzw. LNB2 Tuner 3. Ist nur eine Annahme von mir...
Gruss
Guido
Die Einstellungen sind eigentlich in der Anleitung gut erklärt.
Wenn man auf Seite 23 die Einstellungen der ID (Nutzerband) und dazugehöriger Frequenz (einfach mit den Zifferntasten die voreingestellte überschreiben) richtig eingegeben hat, müsste es eigentlich funktionieren.
Wenn es nicht klappt, muss man den Receiver nicht reseten, sondern man geht dann in die Grundeinstellungen S.85 bzw. 87 und 88 (rechte Spalte) und ändert dort ... Unicable kann man auch ohne Splitter einstellen, zum testen z.B. Tuner 1 einstellen, T2 und 3 auf off.
LNB1 kann z.B Tuner 1 sein, und LNB2 Tuner 2+3 oder dann LNB 1 T1+2 bzw. LNB2 Tuner 3. Ist nur eine Annahme von mir...
Gruss
Guido
Re: Unicable Modus an Jultec JRS0502-4+4T funktioniert nicht (mit BST950)
Vielen Dank an alle für die Informationen.
In der Tat saß das Problem auch hier vor dem Bildschirm.
Irgendwie dachte ich, die 3 voreingestellten Frequenzen am Receiver wären wohl 'die' ersten drei Standardfrequenzen. Allerdings passen sie tatsächlich gar nicht zu den vom Jultec-Multischalter genutzten Frequenzen. Kaum stellt man sie richtig ein, funktionierts auch schon.
Da guckt man sich alles 5 mal durch, aber an das Einfachste habe ich einfach nicht gedacht.
Naja, hat jetzt alles funktioniert, herzlichen Dank an alle.
Gruß
Apisto
In der Tat saß das Problem auch hier vor dem Bildschirm.
Irgendwie dachte ich, die 3 voreingestellten Frequenzen am Receiver wären wohl 'die' ersten drei Standardfrequenzen. Allerdings passen sie tatsächlich gar nicht zu den vom Jultec-Multischalter genutzten Frequenzen. Kaum stellt man sie richtig ein, funktionierts auch schon.
Da guckt man sich alles 5 mal durch, aber an das Einfachste habe ich einfach nicht gedacht.
Naja, hat jetzt alles funktioniert, herzlichen Dank an alle.
Gruß
Apisto
-
- Related Topics
- Antworten
- Zugriffe
- Letzter Beitrag
-
-
Polytron SCA 508-16A Unicable/JESS Multischalter (8x16 UBs/IDs, Wideband-tauglich, receivergespeist, Legacy-Modus)
Dateianhang von techno-com » 24. Juni 2025 12:18 - 2 Antworten
- 475 Zugriffe
-
Letzter Beitrag von techno-com
Neuester Beitrag
24. Juni 2025 13:45
Technik- News
-
-
- 1 Antworten
- 567 Zugriffe
-
Letzter Beitrag von techno-com
Neuester Beitrag
4. Mai 2025 18:31
Mülleimer
-
-
Umbau von Kabel auf Unicable, Test von vorhandenen Kabeln
Dateianhang von belegdol » 28. Februar 2025 14:17 - 13 Antworten
- 1603 Zugriffe
-
Letzter Beitrag von Dipol
Neuester Beitrag
29. Juni 2025 11:39
Fragen zu digitalen SAT- Einkabelsystemen
-
-
- 1 Antworten
- 735 Zugriffe
-
Letzter Beitrag von techno-com
Neuester Beitrag
6. Januar 2025 18:45
Mülleimer
-
- 1 Antworten
- 588 Zugriffe
-
Letzter Beitrag von techno-com
Neuester Beitrag
23. Dezember 2024 20:58
Mülleimer
-
-
Erweiterung bestehender Anlage mit Unicable-LNB
Dateianhang von nomispetrus » 7. Dezember 2024 22:50 - 3 Antworten
- 898 Zugriffe
-
Letzter Beitrag von techno-com
Neuester Beitrag
10. Dezember 2024 10:03
Unicable- / Einkabel- LNB´s
-
-
- 8 Antworten
- 1144 Zugriffe
-
Letzter Beitrag von techno-com
Neuester Beitrag
11. November 2024 13:22
Fragen zu digitalen SAT- Einkabelsystemen
-
- 2 Antworten
- 664 Zugriffe
-
Letzter Beitrag von Markus2209
Neuester Beitrag
3. Oktober 2024 20:28
Mülleimer
-
-
Noob bittet um Hilfe, Ausfall der SAT-Anlage und Einrichtung Unicable
Dateianhang von analog0815 » 1. Juli 2024 20:09 - 1 Antworten
- 5497 Zugriffe
-
Letzter Beitrag von techno-com
Neuester Beitrag
2. Juli 2024 06:36
Mülleimer
-
-
- 4 Antworten
- 7607 Zugriffe
-
Letzter Beitrag von techno-com
Neuester Beitrag
14. Juni 2024 09:17
Fragen zu co@xLAN