HDFan hat geschrieben:Hallo Herr Uhde,
Hallo Herr W.
HDFan hat geschrieben:ihre Lieferung ist vor einiger Zeit eingetroffen und alles ist verbaut und: funktioniert
Für die Vollständigkeit vom Beitrag hier noch ein Screenshot ihrer Bestellungen für diesen Umbau (das hier alles genau seine Richtigkeit hat)

- Bestellung 1-3 User HDFan
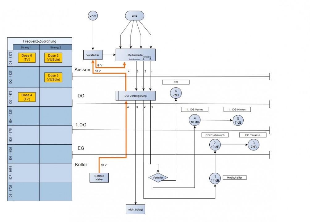
HDFan hat geschrieben:Die Dose, die am weitesten von dem Unicable -Multischalter entfernt ist hat wohl doch Signalstärke-Probleme.
Also die JAD307TRS Enddosen im ganz rechten Strang (OG) ?

... oder meinen sie die Dose JAD310TRS vor dieser (da sie die JAD307TRS dort nur mit "Radio" eingezeichnet hatten mal in einer Zeichnung zuvor) ?
HDFan hat geschrieben:Einige Sender, die ich an anderer Stelle im Haus empfangen kann, bekomme ich dort nicht.
An welcher dieser beiden Dosen an diesem Strang ? Wenn es die JAD307TRS ist wo dieses Problem anliegt, wie verhält sich das dann an der JAD310TRS davor ? Dort mal einen TV getestet ?
HDFan hat geschrieben:Andere Sender haben ab- und zu "Klötzchen" im Bild.
An welcher Dose/an welchem Anschluss ? Nur an dieser einen Dose oder komplett an allen Anschlüssen ?
HDFan hat geschrieben:Dort -auf der längsten Strecke- liegt auch noch ausgerechnet das original-Kabel vom 1988 vom Bau des Hauses. Das kann ich auch nicht tauschen.
Dann wird das sicher kein gutes Kabel sein wenn nur dort diese Störungen auftreten

Eigentlich recht komisch, den 1988 gab es wirklich noch Qualität und diese Kabel waren oft besser als viele die heute angeboten/verkauft werden.
P.S. wurde diesem Receiver mit dem längsten Kabelweg und den Problemen auch die niedrigste Unicable-ID zugewiesen ? Je tiefer die Unicable-Trägerfrequenz, deste weniger ist ja die Dämpfung auf dem Koaxkabel, durch die Verteiler etc. ! Das prüfen und ggf. auch gleich mal richtig einstellen + dann testen.
HDFan hat geschrieben:In der aktuellen Ausbaustufe (s. Beitrag vom 22.5.2017, die auf Ihrer Zeichnung vom 3.11.2011 basiert), haben Sie seinerzeit einen Unicable-Verstärker im Keller eingezeichnet, den man bei Bedarf einschleifen kann.
Können Sie mir hier eine Empfehlung geben, welchen Verstärker ich verwenden soll?
Ein Verstärker ändert nichts an der Signalqualität direkt, ein solcher hebt nur den Signalpegel ("Signalstärke") an. Die Signalqualität ist aber auch wieder abhängig tlw. von der Signalstärke ! Was zeigt der Receiver dort für Werte an, genau gesagt welche Werte für Signalqualität und für Signalstärke ? Auch wenn das ggf. nur %-Werte sind, kann mal ein Anhaltspunkt sein.
Aber ... ich würde zuerst mit einem anfangen, das ist grundlegend IMMER das wichtigste für eine gute Signalqualität ... Antenne haargenau ausrichten =>
Kurzanleitung Satantenne ausrichten + Gesamtinbetriebnahme
Erst wenn diese wirklich ganz genau ausgerichtet ist mal an einen Inline-Verstärker denken und wirklich hoffen das bei ihnen die Signalstärke hier schuld trägt.
Und erst dann, wenn das keine Besserung bringt, einen Inline-Verstärker (heutige Empfehlung =>
Jultec JAI115) nur in den Strang nach oben ins OG setzen (Testweise auch gerne mal vor den 2-fach Verteiler --- ganz richtig den passenden Ort bestimmen könnte man nur mit einem passenden Messgerät natürlich, so auf diese Art ist das mehr ein "versuchen wir es mal so und so").
Ich kann ihnen gerne, wenn wir das heute noch mit dem Beitrag hier auf die Reihe bekommen, heute noch einen raus senden für einen Test ... gar kein Problem !
HDFan hat geschrieben:Ich hoffe, dass ich damit das schlechte Signal ausgleichen kann.
Vielleicht sind wir nicht günstiger als ein
Discounter oder reiner
Online-Kartonschieber, aber sicherlich besser !
Normkonforme Beratung und Bau sind bei uns selbstverständlich.
Sat-Shop Heilbronn Kunden können sich auch nach dem Kauf auf unseren besten Service verlassen
Hier im Forum wird kein After-Sales-Support für Fremdkäufe geleistet !! Wenden Sie sich dazu an ihren Verkäufer ......
Tristan Uhde / Satanlagen Onlineshop / SAT-Shop Heilbronn
https://www.satshop-heilbronn.de (SSL) / SAT-Onlineforum
https://www.satanlagenforum.de (SSL)
Tel ------ (
Fragen gehören ins Forum ! Den nur hier können sie richtig bearbeitet werden, auch was hier noch nicht von A-Z genau schon erklärt/behandelt ist ) .. Dieser Hinweis weil täglich dutzende Fragen per Email oder per PM über das Forum rein kommen die noch dazu inhaltlich nicht das intus haben das man etwas dazu sagen könnte.
Wichtiger Hinweis: Zuständigkeiten verantwortliche Elektrofachkraft (VEFK) und Blitzschutzfachkräfte
Informieren Sie sich dort über Folgen und Auswirkungen von Eigenleistung und lassen Sie selbst durchgeführte Installationen von entsprechender Stelle prüfen und
abnehmen.
Dafür sind VOR ORT spezielle und qualifizierte Blitzschutz-Fachkräfte notwendig, Ferndiagnosen für Blitzschutz/Erdung können hier NICHT durchgeführt werden ("wie kann ICH das machen ..." oder ähnlich bringt da nichts).
Diese Signatur wächst von Woche zu Woche und enthält immer mehr grundlegende Inhalte die bitte berücksichtigt werden sollten bei bzw. VOR Anfragen !
100% beantwortet werden können nur Anfragen die auch alle relevanten Teile beinhalten die man benötigt für eine Antwort (genaue Beschreibungen/ Angabe von Herstellern/Typen für vorhandenes Material etc.). Bitte vermeiden Sie Aussagen wie "habe viel gelesen, aber versteht das nicht ..." ohne Nennung von dem was Sie gelesen haben und was genau unklar war an den Erklärungen die hier gelesen wurden - den nur dann kann man auch darauf eingehen was event. unklar ist/war.
Bitte unbedingt vor einem Post lesen =>
Boardregeln / Datenschutz
Wir erteilen hier keine Rechtsberatung, unsere Hinweise sind nach bestem Wissen und bedürfen einer entsprechenden juristischen/technischen weiteren Beratung.