Umbau Kabel-Anlage EFH
Umbau Kabel-Anlage EFH
Hallo zusammen,
ich bin neu hier und muss sagen ein tolles Forum mit viel Informationsgehalt und tollen Beispielprojekten.
Bei meinem Projekt geht es um den Umbau eines EFH mit bestehender Kabel-TV-Anlage auf Sat.
Die Struktur der Kabelanlage gestaltet sich dabei wie folgt: (Bild: "Kabelanlage_Bestand")
Eckdaten zu der Anlage sind:
-Kabel sollen weitestgehend bestehen bleiben.
-Keine Leitungseigenschaften der verbauten Kabel verfügbar (kein Aufdruck vorhanden)
herausfinden konnte ich konnte ich folgende Angaben(6,8mm/1,13mm/3-fach Schirm)
Wie zusehen ist im Strukturplan des Bestandsanlage leider nicht komplett sternförmig aufgebaut, weshalb ich bei meiner Planung auf einen
Jultec JRS0502-4+4T setze bei dem es möglich ist auch einen Abgang auch als Einkabelsystem zu verwenden.
Ungern verzichte ich auf meine alte Stereoanlage welche das Radiosignal via Kabel erhält, weshalb ich plane ein UKW Signal mittels Ringdipol und Vorverstärker einzuspeisen.
Die Stat-Anlage soll dabei mittels Dachständer montiert werden.
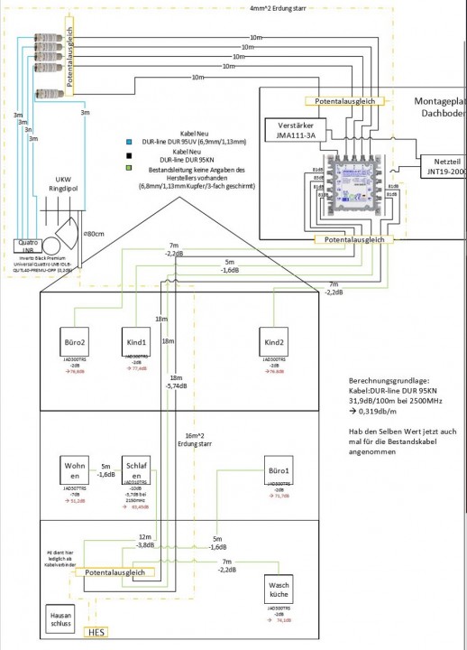
Meine aktuelle Planung sieht wie folgt aus : (PDF:"Planung_Sat-Anlage")
Bei der Berechnung des Ausgangspegels hab ich mir etwas schwer getan und hab und für die Leitung Worst-Case angenommen mit f=2500MHZ.
Aufgefallen ist mir, dass ich bei meinen Berechnungen teilweise Pegel erreiche, welche größer des geforderten Bereichs von 50-70dB sind.
Hab ich hier die falschen Antennendosen verwendet?
Ich möchte Sie bitten meine Planung fachmännisch zu prüfen und mir ihre Schwachstellen aufzuzeigen.
Schon heute freue ich mich auf Ihr Feedback
Und verbleibe mit vielen Grüßen
ich bin neu hier und muss sagen ein tolles Forum mit viel Informationsgehalt und tollen Beispielprojekten.
Bei meinem Projekt geht es um den Umbau eines EFH mit bestehender Kabel-TV-Anlage auf Sat.
Die Struktur der Kabelanlage gestaltet sich dabei wie folgt: (Bild: "Kabelanlage_Bestand")
Eckdaten zu der Anlage sind:
-Kabel sollen weitestgehend bestehen bleiben.
-Keine Leitungseigenschaften der verbauten Kabel verfügbar (kein Aufdruck vorhanden)
herausfinden konnte ich konnte ich folgende Angaben(6,8mm/1,13mm/3-fach Schirm)
Wie zusehen ist im Strukturplan des Bestandsanlage leider nicht komplett sternförmig aufgebaut, weshalb ich bei meiner Planung auf einen
Jultec JRS0502-4+4T setze bei dem es möglich ist auch einen Abgang auch als Einkabelsystem zu verwenden.
Ungern verzichte ich auf meine alte Stereoanlage welche das Radiosignal via Kabel erhält, weshalb ich plane ein UKW Signal mittels Ringdipol und Vorverstärker einzuspeisen.
Die Stat-Anlage soll dabei mittels Dachständer montiert werden.
Meine aktuelle Planung sieht wie folgt aus : (PDF:"Planung_Sat-Anlage")
Bei der Berechnung des Ausgangspegels hab ich mir etwas schwer getan und hab und für die Leitung Worst-Case angenommen mit f=2500MHZ.
Aufgefallen ist mir, dass ich bei meinen Berechnungen teilweise Pegel erreiche, welche größer des geforderten Bereichs von 50-70dB sind.
Hab ich hier die falschen Antennendosen verwendet?
Ich möchte Sie bitten meine Planung fachmännisch zu prüfen und mir ihre Schwachstellen aufzuzeigen.
Schon heute freue ich mich auf Ihr Feedback
Und verbleibe mit vielen Grüßen
- Dateianhänge
-
- Planung_Sat-Anlage.pdf
- (230.05 KiB) 286-mal heruntergeladen
Zuletzt geändert von techno-com am 22. März 2023 10:15, insgesamt 5-mal geändert.
Grund: Edit by techno-com: .pdf in Bild umgewandelt und zusätzlich mit eingestellt + Beitrag in passende Rubrik für Sat-Einkabelanlagen verschoben + Tags hinzugefügt
Grund: Edit by techno-com: .pdf in Bild umgewandelt und zusätzlich mit eingestellt + Beitrag in passende Rubrik für Sat-Einkabelanlagen verschoben + Tags hinzugefügt
Tags:
- techno-com
- Site Admin
- Beiträge: 22448
- Registriert: 17. November 2005 09:32
- Wohnort: 74076 Heilbronn
- Hat sich bedankt: 504 Mal
- Danksagung erhalten: 575 Mal
- Kontaktdaten:
Re: Umbau Kabel-Anlage EFH
Moderation: .pdf in Bild umgewandelt und zusätzlich mit eingestellt + Beitrag in passende Rubrik für Sat-Einkabelanlagen verschoben + Tags hinzugefügt
Vielleicht sind wir nicht günstiger als ein Discounter oder reiner Online-Kartonschieber, aber sicherlich besser !
Normkonforme Beratung und Bau sind bei uns selbstverständlich.
Sat-Shop Heilbronn Kunden können sich auch nach dem Kauf auf unseren besten Service verlassen
Hier im Forum wird kein After-Sales-Support für Fremdkäufe geleistet !! Wenden Sie sich dazu an ihren Verkäufer ......
Tristan Uhde / Satanlagen Onlineshop / SAT-Shop Heilbronn
https://www.satshop-heilbronn.de (SSL) / SAT-Onlineforum https://www.satanlagenforum.de (SSL)
Tel ------ (Fragen gehören ins Forum ! Den nur hier können sie richtig bearbeitet werden, auch was hier noch nicht von A-Z genau schon erklärt/behandelt ist ) .. Dieser Hinweis weil täglich dutzende Fragen per Email oder per PM über das Forum rein kommen die noch dazu inhaltlich nicht das intus haben das man etwas dazu sagen könnte.
Wichtiger Hinweis: Zuständigkeiten verantwortliche Elektrofachkraft (VEFK) und Blitzschutzfachkräfte
Informieren Sie sich dort über Folgen und Auswirkungen von Eigenleistung und lassen Sie selbst durchgeführte Installationen von entsprechender Stelle prüfen und abnehmen. Dafür sind VOR ORT spezielle und qualifizierte Blitzschutz-Fachkräfte notwendig, Ferndiagnosen für Blitzschutz/Erdung können hier NICHT durchgeführt werden ("wie kann ICH das machen ..." oder ähnlich bringt da nichts).
Diese Signatur wächst von Woche zu Woche und enthält immer mehr grundlegende Inhalte die bitte berücksichtigt werden sollten bei bzw. VOR Anfragen !
100% beantwortet werden können nur Anfragen die auch alle relevanten Teile beinhalten die man benötigt für eine Antwort (genaue Beschreibungen/ Angabe von Herstellern/Typen für vorhandenes Material etc.). Bitte vermeiden Sie Aussagen wie "habe viel gelesen, aber versteht das nicht ..." ohne Nennung von dem was Sie gelesen haben und was genau unklar war an den Erklärungen die hier gelesen wurden - den nur dann kann man auch darauf eingehen was event. unklar ist/war.
Bitte unbedingt vor einem Post lesen => Boardregeln / Datenschutz
Wir erteilen hier keine Rechtsberatung, unsere Hinweise sind nach bestem Wissen und bedürfen einer entsprechenden juristischen/technischen weiteren Beratung.
Normkonforme Beratung und Bau sind bei uns selbstverständlich.
Sat-Shop Heilbronn Kunden können sich auch nach dem Kauf auf unseren besten Service verlassen
Hier im Forum wird kein After-Sales-Support für Fremdkäufe geleistet !! Wenden Sie sich dazu an ihren Verkäufer ......
Tristan Uhde / Satanlagen Onlineshop / SAT-Shop Heilbronn
https://www.satshop-heilbronn.de (SSL) / SAT-Onlineforum https://www.satanlagenforum.de (SSL)
Tel ------ (Fragen gehören ins Forum ! Den nur hier können sie richtig bearbeitet werden, auch was hier noch nicht von A-Z genau schon erklärt/behandelt ist ) .. Dieser Hinweis weil täglich dutzende Fragen per Email oder per PM über das Forum rein kommen die noch dazu inhaltlich nicht das intus haben das man etwas dazu sagen könnte.
Wichtiger Hinweis: Zuständigkeiten verantwortliche Elektrofachkraft (VEFK) und Blitzschutzfachkräfte
Informieren Sie sich dort über Folgen und Auswirkungen von Eigenleistung und lassen Sie selbst durchgeführte Installationen von entsprechender Stelle prüfen und abnehmen. Dafür sind VOR ORT spezielle und qualifizierte Blitzschutz-Fachkräfte notwendig, Ferndiagnosen für Blitzschutz/Erdung können hier NICHT durchgeführt werden ("wie kann ICH das machen ..." oder ähnlich bringt da nichts).
Diese Signatur wächst von Woche zu Woche und enthält immer mehr grundlegende Inhalte die bitte berücksichtigt werden sollten bei bzw. VOR Anfragen !
100% beantwortet werden können nur Anfragen die auch alle relevanten Teile beinhalten die man benötigt für eine Antwort (genaue Beschreibungen/ Angabe von Herstellern/Typen für vorhandenes Material etc.). Bitte vermeiden Sie Aussagen wie "habe viel gelesen, aber versteht das nicht ..." ohne Nennung von dem was Sie gelesen haben und was genau unklar war an den Erklärungen die hier gelesen wurden - den nur dann kann man auch darauf eingehen was event. unklar ist/war.
Bitte unbedingt vor einem Post lesen => Boardregeln / Datenschutz
Wir erteilen hier keine Rechtsberatung, unsere Hinweise sind nach bestem Wissen und bedürfen einer entsprechenden juristischen/technischen weiteren Beratung.
- techno-com
- Site Admin
- Beiträge: 22448
- Registriert: 17. November 2005 09:32
- Wohnort: 74076 Heilbronn
- Hat sich bedankt: 504 Mal
- Danksagung erhalten: 575 Mal
- Kontaktdaten:
Re: Umbau Kabel-Anlage EFH
Hallo und
das sieht ja alles super gut aus
ABER ... ich habe da noch ein paar Sachen
1. UV-beständiges Koaxkabel .... nicht das Dur-Line, das haben wir auch nur als 100m Trommel ! Schauen sie sich das Hirschmann Koka 799B an (20m die wir hier auch fertig konfektionieren auf 4x5m und dann alle Enden (außen) mit wasserdichten F-Kompressionssteckern. WENN, dazu komme ich später, sie sich für UKW entscheiden können wir das auch in 5x4m dann machen (mit Steckern dran, Preis dann gleich wie die Variante von dem o.g. Kabel als 4x5m - daran soll es nicht scheitern
2. was ist das mit dem "PE dient hier lediglich als Kabelverbinder" ?? Das versteh ich nicht ... der PE einer Steckdose darf auf keinen Fall für den PA (Potentialausgleich) herangezogen werden
3. UKW - lassen sie das alles weg !!!!!! Nehmen sich doch einfach eine UKW-Wurfantenne für dieses eine Gerät (das nächste wird ja sicher dann auch eines mit Internet-Radio bzw. DAB+ wo meist auch eine Zimmer-Antenne/Wurfantenne dann reicht) !
Denn:
3.1. ist das alles nur unnötig mit der dafür notwendigen Verkabelung und der Antenne dafür
3.2. ist es der falsche Verstärker den sie für UKW gewählte hätten (richtig wäre der Jultec JFA110 UKW-Verstärker dafür wie sie das eingezeichnet haben)
3.3. wird für den JRS-Schalter kein Netzteil notwendig das sie da mit eingezeichnet haben ... das wäre dann wirklich nur für den Verstärker (UKW) notwendig und das lohnt sich dann nicht wirklich. Lesen sie dazu mal unter dem Such-Tag tag/JultecJFA100 , da sind 2 sehr gute Beiträge dazu.
3.4. würden sie hier aus einem voll-receivergespeisten System damit wieder eines machen das ein Netzteil benötigt
Das war es jetzt erst einmal zu ihrer Planung, mit den Dosen + Pegelberechnung sieht das ja schon recht gut aus.
STOP ! Ich glaube doch ein Fehler bei der Pegelberechnung ... der 2. Blick, oft sehr gut
Von "Schlafen" (JAD310TRS) zu Wohnen (JAD307TRS) stimmt was nicht glaube ich .... Am Ausgang der Dose "Schlafen" haben sie 63,45dBµV, das wären dann vor dieser Antennendose (von oben kommend) 73,45dBµV. Jetzt nehme ich diesen Pegel, ziehe 2db ab (die "Durchgangsdämpfung" der Dose von Koax-Eingang auf Koax-Ausgang) sind es noch 71,45dbµV. Da wieder 1.6db weg (Kabelweg nach ihren Angaben in der Zeichnung) habe ich im Wohnzimmer dann 69,85dbµV. Dort dann die JAD307TRS (7db Auskoppeldämpfung) hätte ich nach der Antennendose seinen Pegel von 62,85dbµV. Ich weiß dort nicht wie sie auf die 51,2dBµV kommen .. aber auch egal, meine Berechnung "passt dann ja noch besser"
Weiterhin: den 2. CSS-Ausgang haben sie ins Büro2 gezeichnet .. dort dann auch eine JAD307TRS (auch wenn sie diesen Ausgang als Legacy nutzen möchten, ist ja dank Jultec Legacy-/CSS-Kombifunktion möglich). Die passt dann auch für Legacy dort, später aber auf jeden Fall für die Nutzung von Unicable/CSS. Passt dann auch von den Pegeln dort ... 83dBµV am CSS-Ausgang dort (im CSS-Modus), abzüglich 2.2db Kabelweg abzüglich 7db Anschlussdämpfung der Antennendose ? 73,8dbµV (passt noch). Im Legacy-Modus für diesen Ausgang wären es dann 2db weniger ... also OK.
Und dann noch ... die Überspannungsschütze müssen "anders rum" verbaut werden. Die müssen nach innen zeigen, also am Mast-nahen PA am Ausgang von diesem angebracht werden. Bei ihnen in der Zeichnung zeigen diese nach außen (wurde vor ein paar Wochen geändert, daher noch in viele anderen alten Zeichnungen falsch drin)
Dachmontage:
Schauen sie diese Tags an, das sind tlw. sehr neue Tags und daher auch recht neue Beiträge die das alles super gut beschreiben sollten.
tag/Dachsparrenhalter
tag/Luftabdichtungsmanschette
das sieht ja alles super gut aus
ABER ... ich habe da noch ein paar Sachen
1. UV-beständiges Koaxkabel .... nicht das Dur-Line, das haben wir auch nur als 100m Trommel ! Schauen sie sich das Hirschmann Koka 799B an (20m die wir hier auch fertig konfektionieren auf 4x5m und dann alle Enden (außen) mit wasserdichten F-Kompressionssteckern. WENN, dazu komme ich später, sie sich für UKW entscheiden können wir das auch in 5x4m dann machen (mit Steckern dran, Preis dann gleich wie die Variante von dem o.g. Kabel als 4x5m - daran soll es nicht scheitern
2. was ist das mit dem "PE dient hier lediglich als Kabelverbinder" ?? Das versteh ich nicht ... der PE einer Steckdose darf auf keinen Fall für den PA (Potentialausgleich) herangezogen werden
3. UKW - lassen sie das alles weg !!!!!! Nehmen sich doch einfach eine UKW-Wurfantenne für dieses eine Gerät (das nächste wird ja sicher dann auch eines mit Internet-Radio bzw. DAB+ wo meist auch eine Zimmer-Antenne/Wurfantenne dann reicht) !
Denn:
3.1. ist das alles nur unnötig mit der dafür notwendigen Verkabelung und der Antenne dafür
3.2. ist es der falsche Verstärker den sie für UKW gewählte hätten (richtig wäre der Jultec JFA110 UKW-Verstärker dafür wie sie das eingezeichnet haben)
3.3. wird für den JRS-Schalter kein Netzteil notwendig das sie da mit eingezeichnet haben ... das wäre dann wirklich nur für den Verstärker (UKW) notwendig und das lohnt sich dann nicht wirklich. Lesen sie dazu mal unter dem Such-Tag tag/JultecJFA100 , da sind 2 sehr gute Beiträge dazu.
3.4. würden sie hier aus einem voll-receivergespeisten System damit wieder eines machen das ein Netzteil benötigt
Das war es jetzt erst einmal zu ihrer Planung, mit den Dosen + Pegelberechnung sieht das ja schon recht gut aus.
STOP ! Ich glaube doch ein Fehler bei der Pegelberechnung ... der 2. Blick, oft sehr gut
Von "Schlafen" (JAD310TRS) zu Wohnen (JAD307TRS) stimmt was nicht glaube ich .... Am Ausgang der Dose "Schlafen" haben sie 63,45dBµV, das wären dann vor dieser Antennendose (von oben kommend) 73,45dBµV. Jetzt nehme ich diesen Pegel, ziehe 2db ab (die "Durchgangsdämpfung" der Dose von Koax-Eingang auf Koax-Ausgang) sind es noch 71,45dbµV. Da wieder 1.6db weg (Kabelweg nach ihren Angaben in der Zeichnung) habe ich im Wohnzimmer dann 69,85dbµV. Dort dann die JAD307TRS (7db Auskoppeldämpfung) hätte ich nach der Antennendose seinen Pegel von 62,85dbµV. Ich weiß dort nicht wie sie auf die 51,2dBµV kommen .. aber auch egal, meine Berechnung "passt dann ja noch besser"
Weiterhin: den 2. CSS-Ausgang haben sie ins Büro2 gezeichnet .. dort dann auch eine JAD307TRS (auch wenn sie diesen Ausgang als Legacy nutzen möchten, ist ja dank Jultec Legacy-/CSS-Kombifunktion möglich). Die passt dann auch für Legacy dort, später aber auf jeden Fall für die Nutzung von Unicable/CSS. Passt dann auch von den Pegeln dort ... 83dBµV am CSS-Ausgang dort (im CSS-Modus), abzüglich 2.2db Kabelweg abzüglich 7db Anschlussdämpfung der Antennendose ? 73,8dbµV (passt noch). Im Legacy-Modus für diesen Ausgang wären es dann 2db weniger ... also OK.
Und dann noch ... die Überspannungsschütze müssen "anders rum" verbaut werden. Die müssen nach innen zeigen, also am Mast-nahen PA am Ausgang von diesem angebracht werden. Bei ihnen in der Zeichnung zeigen diese nach außen (wurde vor ein paar Wochen geändert, daher noch in viele anderen alten Zeichnungen falsch drin)
Dachmontage:
Schauen sie diese Tags an, das sind tlw. sehr neue Tags und daher auch recht neue Beiträge die das alles super gut beschreiben sollten.
tag/Dachsparrenhalter
tag/Luftabdichtungsmanschette
Vielleicht sind wir nicht günstiger als ein Discounter oder reiner Online-Kartonschieber, aber sicherlich besser !
Normkonforme Beratung und Bau sind bei uns selbstverständlich.
Sat-Shop Heilbronn Kunden können sich auch nach dem Kauf auf unseren besten Service verlassen
Hier im Forum wird kein After-Sales-Support für Fremdkäufe geleistet !! Wenden Sie sich dazu an ihren Verkäufer ......
Tristan Uhde / Satanlagen Onlineshop / SAT-Shop Heilbronn
https://www.satshop-heilbronn.de (SSL) / SAT-Onlineforum https://www.satanlagenforum.de (SSL)
Tel ------ (Fragen gehören ins Forum ! Den nur hier können sie richtig bearbeitet werden, auch was hier noch nicht von A-Z genau schon erklärt/behandelt ist ) .. Dieser Hinweis weil täglich dutzende Fragen per Email oder per PM über das Forum rein kommen die noch dazu inhaltlich nicht das intus haben das man etwas dazu sagen könnte.
Wichtiger Hinweis: Zuständigkeiten verantwortliche Elektrofachkraft (VEFK) und Blitzschutzfachkräfte
Informieren Sie sich dort über Folgen und Auswirkungen von Eigenleistung und lassen Sie selbst durchgeführte Installationen von entsprechender Stelle prüfen und abnehmen. Dafür sind VOR ORT spezielle und qualifizierte Blitzschutz-Fachkräfte notwendig, Ferndiagnosen für Blitzschutz/Erdung können hier NICHT durchgeführt werden ("wie kann ICH das machen ..." oder ähnlich bringt da nichts).
Diese Signatur wächst von Woche zu Woche und enthält immer mehr grundlegende Inhalte die bitte berücksichtigt werden sollten bei bzw. VOR Anfragen !
100% beantwortet werden können nur Anfragen die auch alle relevanten Teile beinhalten die man benötigt für eine Antwort (genaue Beschreibungen/ Angabe von Herstellern/Typen für vorhandenes Material etc.). Bitte vermeiden Sie Aussagen wie "habe viel gelesen, aber versteht das nicht ..." ohne Nennung von dem was Sie gelesen haben und was genau unklar war an den Erklärungen die hier gelesen wurden - den nur dann kann man auch darauf eingehen was event. unklar ist/war.
Bitte unbedingt vor einem Post lesen => Boardregeln / Datenschutz
Wir erteilen hier keine Rechtsberatung, unsere Hinweise sind nach bestem Wissen und bedürfen einer entsprechenden juristischen/technischen weiteren Beratung.
Normkonforme Beratung und Bau sind bei uns selbstverständlich.
Sat-Shop Heilbronn Kunden können sich auch nach dem Kauf auf unseren besten Service verlassen
Hier im Forum wird kein After-Sales-Support für Fremdkäufe geleistet !! Wenden Sie sich dazu an ihren Verkäufer ......
Tristan Uhde / Satanlagen Onlineshop / SAT-Shop Heilbronn
https://www.satshop-heilbronn.de (SSL) / SAT-Onlineforum https://www.satanlagenforum.de (SSL)
Tel ------ (Fragen gehören ins Forum ! Den nur hier können sie richtig bearbeitet werden, auch was hier noch nicht von A-Z genau schon erklärt/behandelt ist ) .. Dieser Hinweis weil täglich dutzende Fragen per Email oder per PM über das Forum rein kommen die noch dazu inhaltlich nicht das intus haben das man etwas dazu sagen könnte.
Wichtiger Hinweis: Zuständigkeiten verantwortliche Elektrofachkraft (VEFK) und Blitzschutzfachkräfte
Informieren Sie sich dort über Folgen und Auswirkungen von Eigenleistung und lassen Sie selbst durchgeführte Installationen von entsprechender Stelle prüfen und abnehmen. Dafür sind VOR ORT spezielle und qualifizierte Blitzschutz-Fachkräfte notwendig, Ferndiagnosen für Blitzschutz/Erdung können hier NICHT durchgeführt werden ("wie kann ICH das machen ..." oder ähnlich bringt da nichts).
Diese Signatur wächst von Woche zu Woche und enthält immer mehr grundlegende Inhalte die bitte berücksichtigt werden sollten bei bzw. VOR Anfragen !
100% beantwortet werden können nur Anfragen die auch alle relevanten Teile beinhalten die man benötigt für eine Antwort (genaue Beschreibungen/ Angabe von Herstellern/Typen für vorhandenes Material etc.). Bitte vermeiden Sie Aussagen wie "habe viel gelesen, aber versteht das nicht ..." ohne Nennung von dem was Sie gelesen haben und was genau unklar war an den Erklärungen die hier gelesen wurden - den nur dann kann man auch darauf eingehen was event. unklar ist/war.
Bitte unbedingt vor einem Post lesen => Boardregeln / Datenschutz
Wir erteilen hier keine Rechtsberatung, unsere Hinweise sind nach bestem Wissen und bedürfen einer entsprechenden juristischen/technischen weiteren Beratung.
Re: Umbau Kabel-Anlage EFH
Zunächsteinmal vielen Dank für das schnelle Feedback!!
Die Planung habe angepasst und an den Terestrischen Eingang des JRS einen F-Endwiderstand eingesetzt.
Sie ham Recht mit dem Pegel im Wohnzimmer!! Ich hab hier den Ausgangspegel der Dose "Schlafzimmer " genommen und nicht deren Eingangspegel zur berechnung des Wohnzimmers.
Für die Dachmontage favorisiere ich wie in den Beiträgen von Ihnen verlinkt einen Dachsparrenhalter.
Ich würde Sie bitten nochmals einen Blick auf die aktualisierte Planung zu werfen, welche wie folgt aus sieht.
Wenn dann alles passt würde ich eine Materialliste erstellen.
Ich freue mich auf Ihre Expertise!!
Zu 1.Das Kabel hab ich geändert mir gehts da nicht ums geld bei den paar Metern.1. UV-beständiges Koaxkabel .... nicht das Dur-Line, das haben wir auch nur als 100m Trommel ! Schauen sie sich das Hirschmann Koka 799B an (20m die wir hier auch fertig konfektionieren auf 4x5m und dann alle Enden (außen) mit wasserdichten F-Kompressionssteckern. WENN, dazu komme ich später, sie sich für UKW entscheiden können wir das auch in 5x4m dann machen (mit Steckern dran, Preis dann gleich wie die Variante von dem o.g. Kabel als 4x5m - daran soll es nicht scheitern
Zu 2. Ich hab hier einen Schreibfehler und wollte nicht "PE" schreiben sondern "PA" für Potentialausgleich welchen ich an dieser Stelle lediglich zum sauberen zusammenführen der Leitungen vom JRS (vom Dachboden kommend) mit den Bestandsleitungen im Keller nutzen möchte. Oder gibt es hier andere Alternativen zum zusammenführen welche genauso aufgeräumt wirken?2. was ist das mit dem "PE dient hier lediglich als Kabelverbinder" ?? Das versteh ich nicht ... der PE einer Steckdose darf auf keinen Fall für den PA (Potentialausgleich) herangezogen werden
Zu 3. Ihre argumente haben mich überzeigt und ich werde für die drei Geräte die ich aktuel betreibe jeweils eine [url=ttps://www.satshop-heilbronn.de/Jultec-JFA110- ... ches-Radio]UKW-Wurfantenne[/url] nehmen.3. UKW - lassen sie das alles weg !!!!!! Nehmen sich doch einfach eine UKW-Wurfantenne für dieses eine Gerät (das nächste wird ja sicher dann auch eines mit Internet-Radio bzw. DAB+ wo meist auch eine Zimmer-Antenne/Wurfantenne dann reicht) !
Denn:
3.1. ist das alles nur unnötig mit der dafür notwendigen Verkabelung und der Antenne dafür
3.2. ist es der falsche Verstärker den sie für UKW gewählte hätten (richtig wäre der Jultec JFA110 UKW-Verstärker dafür wie sie das eingezeichnet haben)
3.3. wird für den JRS-Schalter kein Netzteil notwendig das sie da mit eingezeichnet haben ... das wäre dann wirklich nur für den Verstärker (UKW) notwendig und das lohnt sich dann nicht wirklich. Lesen sie dazu mal unter dem Such-Tag tag/JultecJFA100 , da sind 2 sehr gute Beiträge dazu.
3.4. würden sie hier aus einem voll-receivergespeisten System damit wieder eines machen das ein Netzteil benötigt
Die Planung habe angepasst und an den Terestrischen Eingang des JRS einen F-Endwiderstand eingesetzt.
Die Dose im Büro2 hab ich ausgetauscht gegen eine JAD307TRSSTOP ! Ich glaube doch ein Fehler bei der Pegelberechnung ... der 2. Blick, oft sehr gut
Von "Schlafen" (JAD310TRS) zu Wohnen (JAD307TRS) stimmt was nicht glaube ich .... Am Ausgang der Dose "Schlafen" haben sie 63,45dBµV, das wären dann vor dieser Antennendose (von oben kommend) 73,45dBµV. Jetzt nehme ich diesen Pegel, ziehe 2db ab (die "Durchgangsdämpfung" der Dose von Koax-Eingang auf Koax-Ausgang) sind es noch 71,45dbµV. Da wieder 1.6db weg (Kabelweg nach ihren Angaben in der Zeichnung) habe ich im Wohnzimmer dann 69,85dbµV. Dort dann die JAD307TRS (7db Auskoppeldämpfung) hätte ich nach der Antennendose seinen Pegel von 62,85dbµV. Ich weiß dort nicht wie sie auf die 51,2dBµV kommen .. aber auch egal, meine Berechnung "passt dann ja noch besser"
Weiterhin: den 2. CSS-Ausgang haben sie ins Büro2 gezeichnet .. dort dann auch eine JAD307TRS (auch wenn sie diesen Ausgang als Legacy nutzen möchten, ist ja dank Jultec Legacy-/CSS-Kombifunktion möglich). Die passt dann auch für Legacy dort, später aber auf jeden Fall für die Nutzung von Unicable/CSS. Passt dann auch von den Pegeln dort ... 83dBµV am CSS-Ausgang dort (im CSS-Modus), abzüglich 2.2db Kabelweg abzüglich 7db Anschlussdämpfung der Antennendose ? 73,8dbµV (passt noch). Im Legacy-Modus für diesen Ausgang wären es dann 2db weniger ... also OK.
Sie ham Recht mit dem Pegel im Wohnzimmer!! Ich hab hier den Ausgangspegel der Dose "Schlafzimmer " genommen und nicht deren Eingangspegel zur berechnung des Wohnzimmers.
Für die Dachmontage favorisiere ich wie in den Beiträgen von Ihnen verlinkt einen Dachsparrenhalter.
Ich würde Sie bitten nochmals einen Blick auf die aktualisierte Planung zu werfen, welche wie folgt aus sieht.
Wenn dann alles passt würde ich eine Materialliste erstellen.
Ich freue mich auf Ihre Expertise!!
Zuletzt geändert von techno-com am 3. April 2020 09:57, insgesamt 2-mal geändert.
Grund: Edit by techno-com: Quotes aufgeräumt
Grund: Edit by techno-com: Quotes aufgeräumt
- techno-com
- Site Admin
- Beiträge: 22448
- Registriert: 17. November 2005 09:32
- Wohnort: 74076 Heilbronn
- Hat sich bedankt: 504 Mal
- Danksagung erhalten: 575 Mal
- Kontaktdaten:
Re: Umbau Kabel-Anlage EFH
Hallo zurück
In ihrem Fall wäre das die Option bei Kabel (steht zur Auswahl): "4x 5m mit 4x Stecker vormontiert"
Diese 5m können sie dann innen zum Mast-nahen Potentialausgleich hin kürzen wie sie es genau benötigen, dort dann ganz normale Cabelcon Self-Install Stecker (die 4.9er für diese Kabel , passend zum Dielekrikum-Durchmesser) oder die Cabelcon F-56-CX3 7.0 QM Quick Mount Stecker für RG6 (7mm). Für letztere, die aber auch für andere Kabel mit einem Dielektrikum von 5.1mm z.B. passen würde - nicht die 4.9er Self-Install Stecker aber da es dort dann die5.1er Variante gibt die da nur passend wäre -, würde man die F-Kompressionszange extra hinzu benötigen => F-Kompressionszange
Hilfreiches Tool => Cabelcon Stripper
Der Pegel dort sollte <70dbµV sein ... aber, ganz einfach ! Da kommt einfach ein Dämpfungsglied an den Erdungsblock-Ausgang der zu diesem Anschluss geht.
DUR-line DG 6dB - SAT/BK Dämpfungsglied für BK- oder Satanlagen
Standard wäre:
Herkules S48/900 Dachsparrenhalter
DUR-line D01 / D02 - Schraubensatz für Dachsparrenhalter oder Wandhalterungen
Dur-Line MaKa 50 Mastkappe mit Kabeldurchführung
Dachziegel (nach Farbe und benötigter Art - abhängig von ihren Ziegeln)
Gummi-Manschette
Klebemanschette
DUR-line Luftabdichtungsmanschette LU 4-11-6
Daher werde ich wohl mit der WebCAM hier mal versuchen müssen das heute aufzunehmen
Das wird was, Bild kommt gleich (bzw. erst morgen wenn ich das so nicht richtig aufgenommen bekomme).
Kiwi94 hat geschrieben:Zunächsteinmal vielen Dank für das schnelle Feedback!!
Da geht es nicht um ein paar Meter bzw. ums Geld, das Hirschmann Koka 799B mit den vorkonfektionierten Steckern ist dort wirklich nur einfach die bessere WahlKiwi94 hat geschrieben:Zu 1.Das Kabel hab ich geändert mir gehts da nicht ums geld bei den paar Metern.
In ihrem Fall wäre das die Option bei Kabel (steht zur Auswahl): "4x 5m mit 4x Stecker vormontiert"
Diese 5m können sie dann innen zum Mast-nahen Potentialausgleich hin kürzen wie sie es genau benötigen, dort dann ganz normale Cabelcon Self-Install Stecker (die 4.9er für diese Kabel , passend zum Dielekrikum-Durchmesser) oder die Cabelcon F-56-CX3 7.0 QM Quick Mount Stecker für RG6 (7mm). Für letztere, die aber auch für andere Kabel mit einem Dielektrikum von 5.1mm z.B. passen würde - nicht die 4.9er Self-Install Stecker aber da es dort dann die5.1er Variante gibt die da nur passend wäre -, würde man die F-Kompressionszange extra hinzu benötigen => F-Kompressionszange
Hilfreiches Tool => Cabelcon Stripper
Das darf dann aber nicht noch einmal zusätzlich mit der HES verbunden werden, das wäre eine Schleife !Kiwi94 hat geschrieben:Zu 2. Ich hab hier einen Schreibfehler und wollte nicht "PE" schreiben sondern "PA" für Potentialausgleich welchen ich an dieser Stelle lediglich zum sauberen zusammenführen der Leitungen vom JRS (vom Dachboden kommend) mit den Bestandsleitungen im Keller nutzen möchte. Oder gibt es hier andere Alternativen zum zusammenführen welche genauso aufgeräumt wirken?
Da müssen noch arbeiten dranKiwi94 hat geschrieben:Die Dose im Büro2 hab ich ausgetauscht gegen eine JAD307TRS
Sie ham Recht mit dem Pegel im Wohnzimmer!! Ich hab hier den Ausgangspegel der Dose "Schlafzimmer " genommen und nicht deren Eingangspegel zur berechnung des Wohnzimmers.
Der Pegel dort sollte <70dbµV sein ... aber, ganz einfach ! Da kommt einfach ein Dämpfungsglied an den Erdungsblock-Ausgang der zu diesem Anschluss geht.
DUR-line DG 6dB - SAT/BK Dämpfungsglied für BK- oder Satanlagen
Kiwi94 hat geschrieben:Zu 3. Ihre argumente haben mich überzeigt und ich werde für die drei Geräte die ich aktuel betreibe jeweils eine [url=ttps://www.satshop-heilbronn.de/Jultec-JFA110- ... ches-Radio]UKW-Wurfantenne[/url] nehmen.
Die Planung habe angepasst und an den Terestrischen Eingang des JRS einen F-Endwiderstand eingesetzt.
Das oben erklärte Dämpfungsglied fehlt noch, dann die Sache mit dem PA unten der nicht an die HES darf .... dann passt dasKiwi94 hat geschrieben:Ich würde Sie bitten nochmals einen Blick auf die aktualisierte Planung zu werfen, welche wie folgt aus sieht.
SAT-Anlage_ohneUKW.png
Wenn dann alles passt würde ich eine Materialliste erstellen.
Lesen sie dazu die von mir verlinkten Beiträge, da werden sie sicherlich alles dazu finden was notwendig ist.Kiwi94 hat geschrieben:Für die Dachmontage favorisiere ich wie in den Beiträgen von Ihnen verlinkt einen Dachsparrenhalter.
Standard wäre:
Herkules S48/900 Dachsparrenhalter
DUR-line D01 / D02 - Schraubensatz für Dachsparrenhalter oder Wandhalterungen
Dur-Line MaKa 50 Mastkappe mit Kabeldurchführung
Dachziegel (nach Farbe und benötigter Art - abhängig von ihren Ziegeln)
Gummi-Manschette
Klebemanschette
DUR-line Luftabdichtungsmanschette LU 4-11-6
Ich werde das jetzt noch aufbauen auf Lochblech, also mal alles fertig machen um das hier zu zeigen .... auch immer gut um die Anzahl von Patchkabeln z.B. abzuzählen ! Erdungsblock nehme ich den 11-fachen (der reicht). Ein Problem habe ich aktuell damit aber noch, ich habe mein Handy zu Hause vergessen und keine andere Kamera daKiwi94 hat geschrieben:Ich freue mich auf Ihre Expertise!!
Vielleicht sind wir nicht günstiger als ein Discounter oder reiner Online-Kartonschieber, aber sicherlich besser !
Normkonforme Beratung und Bau sind bei uns selbstverständlich.
Sat-Shop Heilbronn Kunden können sich auch nach dem Kauf auf unseren besten Service verlassen
Hier im Forum wird kein After-Sales-Support für Fremdkäufe geleistet !! Wenden Sie sich dazu an ihren Verkäufer ......
Tristan Uhde / Satanlagen Onlineshop / SAT-Shop Heilbronn
https://www.satshop-heilbronn.de (SSL) / SAT-Onlineforum https://www.satanlagenforum.de (SSL)
Tel ------ (Fragen gehören ins Forum ! Den nur hier können sie richtig bearbeitet werden, auch was hier noch nicht von A-Z genau schon erklärt/behandelt ist ) .. Dieser Hinweis weil täglich dutzende Fragen per Email oder per PM über das Forum rein kommen die noch dazu inhaltlich nicht das intus haben das man etwas dazu sagen könnte.
Wichtiger Hinweis: Zuständigkeiten verantwortliche Elektrofachkraft (VEFK) und Blitzschutzfachkräfte
Informieren Sie sich dort über Folgen und Auswirkungen von Eigenleistung und lassen Sie selbst durchgeführte Installationen von entsprechender Stelle prüfen und abnehmen. Dafür sind VOR ORT spezielle und qualifizierte Blitzschutz-Fachkräfte notwendig, Ferndiagnosen für Blitzschutz/Erdung können hier NICHT durchgeführt werden ("wie kann ICH das machen ..." oder ähnlich bringt da nichts).
Diese Signatur wächst von Woche zu Woche und enthält immer mehr grundlegende Inhalte die bitte berücksichtigt werden sollten bei bzw. VOR Anfragen !
100% beantwortet werden können nur Anfragen die auch alle relevanten Teile beinhalten die man benötigt für eine Antwort (genaue Beschreibungen/ Angabe von Herstellern/Typen für vorhandenes Material etc.). Bitte vermeiden Sie Aussagen wie "habe viel gelesen, aber versteht das nicht ..." ohne Nennung von dem was Sie gelesen haben und was genau unklar war an den Erklärungen die hier gelesen wurden - den nur dann kann man auch darauf eingehen was event. unklar ist/war.
Bitte unbedingt vor einem Post lesen => Boardregeln / Datenschutz
Wir erteilen hier keine Rechtsberatung, unsere Hinweise sind nach bestem Wissen und bedürfen einer entsprechenden juristischen/technischen weiteren Beratung.
Normkonforme Beratung und Bau sind bei uns selbstverständlich.
Sat-Shop Heilbronn Kunden können sich auch nach dem Kauf auf unseren besten Service verlassen
Hier im Forum wird kein After-Sales-Support für Fremdkäufe geleistet !! Wenden Sie sich dazu an ihren Verkäufer ......
Tristan Uhde / Satanlagen Onlineshop / SAT-Shop Heilbronn
https://www.satshop-heilbronn.de (SSL) / SAT-Onlineforum https://www.satanlagenforum.de (SSL)
Tel ------ (Fragen gehören ins Forum ! Den nur hier können sie richtig bearbeitet werden, auch was hier noch nicht von A-Z genau schon erklärt/behandelt ist ) .. Dieser Hinweis weil täglich dutzende Fragen per Email oder per PM über das Forum rein kommen die noch dazu inhaltlich nicht das intus haben das man etwas dazu sagen könnte.
Wichtiger Hinweis: Zuständigkeiten verantwortliche Elektrofachkraft (VEFK) und Blitzschutzfachkräfte
Informieren Sie sich dort über Folgen und Auswirkungen von Eigenleistung und lassen Sie selbst durchgeführte Installationen von entsprechender Stelle prüfen und abnehmen. Dafür sind VOR ORT spezielle und qualifizierte Blitzschutz-Fachkräfte notwendig, Ferndiagnosen für Blitzschutz/Erdung können hier NICHT durchgeführt werden ("wie kann ICH das machen ..." oder ähnlich bringt da nichts).
Diese Signatur wächst von Woche zu Woche und enthält immer mehr grundlegende Inhalte die bitte berücksichtigt werden sollten bei bzw. VOR Anfragen !
100% beantwortet werden können nur Anfragen die auch alle relevanten Teile beinhalten die man benötigt für eine Antwort (genaue Beschreibungen/ Angabe von Herstellern/Typen für vorhandenes Material etc.). Bitte vermeiden Sie Aussagen wie "habe viel gelesen, aber versteht das nicht ..." ohne Nennung von dem was Sie gelesen haben und was genau unklar war an den Erklärungen die hier gelesen wurden - den nur dann kann man auch darauf eingehen was event. unklar ist/war.
Bitte unbedingt vor einem Post lesen => Boardregeln / Datenschutz
Wir erteilen hier keine Rechtsberatung, unsere Hinweise sind nach bestem Wissen und bedürfen einer entsprechenden juristischen/technischen weiteren Beratung.
- techno-com
- Site Admin
- Beiträge: 22448
- Registriert: 17. November 2005 09:32
- Wohnort: 74076 Heilbronn
- Hat sich bedankt: 504 Mal
- Danksagung erhalten: 575 Mal
- Kontaktdaten:
Re: Umbau Kabel-Anlage EFH
Hier noch ein Bild vom Aufbau (wie versprochen) ...
Edit: Bild am 4.4.2020 neu eingestellt nach dem Web-CAM Foto vom Vortag ....
Ein Bild incl. Darstellung vom Mast-nahen Potentialausgleich (der direkt nach dem ersten Eindringen der Koaxkabel vom LNB kommend installiert wird, Überspannungsschütze nach "aussen" hin zum LNB zeigend.
Von außen (LNB) nach innen UV-beständiges Koaxkabel, ab dem Mast-nahen PA dann weiter mit Standard Haus-Verlege-Koaxkabel.
Edit: Bild am 4.4.2020 neu eingestellt nach dem Web-CAM Foto vom Vortag ....
Ein Bild incl. Darstellung vom Mast-nahen Potentialausgleich (der direkt nach dem ersten Eindringen der Koaxkabel vom LNB kommend installiert wird, Überspannungsschütze nach "aussen" hin zum LNB zeigend.
Von außen (LNB) nach innen UV-beständiges Koaxkabel, ab dem Mast-nahen PA dann weiter mit Standard Haus-Verlege-Koaxkabel.
- Dateianhänge
Zuletzt geändert von techno-com am 4. April 2020 11:58, insgesamt 1-mal geändert.
Grund: Edit by techno-com: Bild erneuert + Text ergänzt
Grund: Edit by techno-com: Bild erneuert + Text ergänzt
Vielleicht sind wir nicht günstiger als ein Discounter oder reiner Online-Kartonschieber, aber sicherlich besser !
Normkonforme Beratung und Bau sind bei uns selbstverständlich.
Sat-Shop Heilbronn Kunden können sich auch nach dem Kauf auf unseren besten Service verlassen
Hier im Forum wird kein After-Sales-Support für Fremdkäufe geleistet !! Wenden Sie sich dazu an ihren Verkäufer ......
Tristan Uhde / Satanlagen Onlineshop / SAT-Shop Heilbronn
https://www.satshop-heilbronn.de (SSL) / SAT-Onlineforum https://www.satanlagenforum.de (SSL)
Tel ------ (Fragen gehören ins Forum ! Den nur hier können sie richtig bearbeitet werden, auch was hier noch nicht von A-Z genau schon erklärt/behandelt ist ) .. Dieser Hinweis weil täglich dutzende Fragen per Email oder per PM über das Forum rein kommen die noch dazu inhaltlich nicht das intus haben das man etwas dazu sagen könnte.
Wichtiger Hinweis: Zuständigkeiten verantwortliche Elektrofachkraft (VEFK) und Blitzschutzfachkräfte
Informieren Sie sich dort über Folgen und Auswirkungen von Eigenleistung und lassen Sie selbst durchgeführte Installationen von entsprechender Stelle prüfen und abnehmen. Dafür sind VOR ORT spezielle und qualifizierte Blitzschutz-Fachkräfte notwendig, Ferndiagnosen für Blitzschutz/Erdung können hier NICHT durchgeführt werden ("wie kann ICH das machen ..." oder ähnlich bringt da nichts).
Diese Signatur wächst von Woche zu Woche und enthält immer mehr grundlegende Inhalte die bitte berücksichtigt werden sollten bei bzw. VOR Anfragen !
100% beantwortet werden können nur Anfragen die auch alle relevanten Teile beinhalten die man benötigt für eine Antwort (genaue Beschreibungen/ Angabe von Herstellern/Typen für vorhandenes Material etc.). Bitte vermeiden Sie Aussagen wie "habe viel gelesen, aber versteht das nicht ..." ohne Nennung von dem was Sie gelesen haben und was genau unklar war an den Erklärungen die hier gelesen wurden - den nur dann kann man auch darauf eingehen was event. unklar ist/war.
Bitte unbedingt vor einem Post lesen => Boardregeln / Datenschutz
Wir erteilen hier keine Rechtsberatung, unsere Hinweise sind nach bestem Wissen und bedürfen einer entsprechenden juristischen/technischen weiteren Beratung.
Normkonforme Beratung und Bau sind bei uns selbstverständlich.
Sat-Shop Heilbronn Kunden können sich auch nach dem Kauf auf unseren besten Service verlassen
Hier im Forum wird kein After-Sales-Support für Fremdkäufe geleistet !! Wenden Sie sich dazu an ihren Verkäufer ......
Tristan Uhde / Satanlagen Onlineshop / SAT-Shop Heilbronn
https://www.satshop-heilbronn.de (SSL) / SAT-Onlineforum https://www.satanlagenforum.de (SSL)
Tel ------ (Fragen gehören ins Forum ! Den nur hier können sie richtig bearbeitet werden, auch was hier noch nicht von A-Z genau schon erklärt/behandelt ist ) .. Dieser Hinweis weil täglich dutzende Fragen per Email oder per PM über das Forum rein kommen die noch dazu inhaltlich nicht das intus haben das man etwas dazu sagen könnte.
Wichtiger Hinweis: Zuständigkeiten verantwortliche Elektrofachkraft (VEFK) und Blitzschutzfachkräfte
Informieren Sie sich dort über Folgen und Auswirkungen von Eigenleistung und lassen Sie selbst durchgeführte Installationen von entsprechender Stelle prüfen und abnehmen. Dafür sind VOR ORT spezielle und qualifizierte Blitzschutz-Fachkräfte notwendig, Ferndiagnosen für Blitzschutz/Erdung können hier NICHT durchgeführt werden ("wie kann ICH das machen ..." oder ähnlich bringt da nichts).
Diese Signatur wächst von Woche zu Woche und enthält immer mehr grundlegende Inhalte die bitte berücksichtigt werden sollten bei bzw. VOR Anfragen !
100% beantwortet werden können nur Anfragen die auch alle relevanten Teile beinhalten die man benötigt für eine Antwort (genaue Beschreibungen/ Angabe von Herstellern/Typen für vorhandenes Material etc.). Bitte vermeiden Sie Aussagen wie "habe viel gelesen, aber versteht das nicht ..." ohne Nennung von dem was Sie gelesen haben und was genau unklar war an den Erklärungen die hier gelesen wurden - den nur dann kann man auch darauf eingehen was event. unklar ist/war.
Bitte unbedingt vor einem Post lesen => Boardregeln / Datenschutz
Wir erteilen hier keine Rechtsberatung, unsere Hinweise sind nach bestem Wissen und bedürfen einer entsprechenden juristischen/technischen weiteren Beratung.
Re: Umbau Kabel-Anlage EFH
Der Aufbau auf dem Lochblech gefällt mir schon mal SEHR GUT, das sieht sauber aus.
Ihre Anmerunken bezüglich der Dämpfung, und der Erdung hab ich mir zu herzen genommen und den Plan final nochmal überarbeitet.
Ebenso hab ich eine Materialliste erstellt.
Wenn möglich bitte ein mal Gegenprüfen dann kann ich das Ganze in Ihr Bestellsystem eingeben.
Wünsche ein schönes Wochenende
Ihre Anmerunken bezüglich der Dämpfung, und der Erdung hab ich mir zu herzen genommen und den Plan final nochmal überarbeitet.
Ebenso hab ich eine Materialliste erstellt.
Wenn möglich bitte ein mal Gegenprüfen dann kann ich das Ganze in Ihr Bestellsystem eingeben.
Wünsche ein schönes Wochenende
- techno-com
- Site Admin
- Beiträge: 22448
- Registriert: 17. November 2005 09:32
- Wohnort: 74076 Heilbronn
- Hat sich bedankt: 504 Mal
- Danksagung erhalten: 575 Mal
- Kontaktdaten:
Re: Umbau Kabel-Anlage EFH
Hallo zurück
Heute mit Handy im Geschäft, habe ein neues Bild gemacht und das im Beitrag zuvor ersetzt
Jetzt sieht es wohl "noch besser" aus
1. überdenken sie das mit den Self-Install Steckern ! Ich würde dort die Cabelcon QM-Stecker überall verwendet vorziehen (+ F-Kompressionszange dann noch wie zuvor erklärt)
2. haben sie für das Hirschmann Koka Kabel ("Dach" in ihrern Rubriken) die 4.9er Self-Install Stecker in der Bestell-Liste, passt .. aber auch unter "Installationsmaterial" diese 4.9er Stecker für das Dur-Line DUR-95KN Kabel (und ihr Bestandskabel wo man das erst genau nachschauen müsste mit dem Dielektrium welcher Self-Install Stecker da passen würde) dann ... dort wären es aber die 5.1er Stecker (bei den QM-Steckern wären es die gleichen Stecker, die passen auf beide Kabel und mit großer Sicherheit auch auf ihr Bestandskabel wenn das einen ca. Durchmesser von 7mm hat).
3. immer ein paar mehr von den Steckern nehmen '(*1) ... den damit kann man sich super einfach und super gut ein eigenes Anschlusskabel von den Dosen bis zum Receiver anfertigen. Kein Kabel ist günstiger zu machen und vor allem ist KEINES besser als ein solche selbst angefertigtes.
4. Cabelcon-Stripper - gerade bei vielen Kabeln die abisoliert werden müssen ein Tool das sehr wichtig ist
5. Dachabdeckung "Frankfurt" würde ich nicht nehmen .... vorziehen diese => Alu- Dachpfanne ziegelrot (kunststoffbeschichtet mit Fixier- Klebestreifen)
6. ErdungsLASCHE 48-50mm verwenden für den Anschluss vom Erdungskabel (Blitzstrom-tragend, was der orig Anschluss am Sparrenhalter nicht ist und dieser nur für das PA-Kabel zum anschließen tauglich wäre)
-- Preis von der Maka50 ist falsch in der Liste, aber das war mir nur durch Zufall aufgefallen !
Wenn sie am Ende mit uns zufrieden waren wäre eine Bewertung sehr hilfreich für uns, vor allem bei Google-Places (da wird dort offensichtlich mit bezahlten, negativen Bewertungen tlw. zu kämpfen haben .. sonst nicht erklärbar das 3 Leute innerhalb von kurzer Zeit alls uns, eine Frauenärtin im Ruhrpott und eine Klinik in Berlin parallel alle gleich negativ bewerten
)
Links:
Google-Places
Shopauskunft
Im "Bewertungstext" dort gerne ein paar Worte rein schreiben, auch gerne den Link zu diesem Beitrag das es auch "belegbar" ist das diese Bewertung ernst gemeint ist
'(*1)
34 Stecker haben sie akt. in ihrer Liste ...
Ich rechne mal kurz durch:
4x Stecker am LNB (sind beim Koka Kabel bereits vormontiert)
4x innen am Koka 799 B UV-beständigen Koaxkabel
4x Ausgang am Mast-nahen PA
4x Eingang am Multischalter vom Mast-nahen PA kommend
6x Ausgänge Multischalter (Teilnehmerausgänge)
8x am 4er Erdungsblock der als "Verbinder" verwendet wird
---------
26 Stecker .....
Diese werden also auf jeden Fall benötigt.
Kiwi94 hat geschrieben:Der Aufbau auf dem Lochblech gefällt mir schon mal SEHR GUT, das sieht sauber aus.
Jetzt sieht es wohl "noch besser" aus
Ich glaube jetzt nichts mehr gesehen zu haben was ich ändern würdeKiwi94 hat geschrieben:Ihre Anmerunken bezüglich der Dämpfung, und der Erdung hab ich mir zu herzen genommen und den Plan final nochmal überarbeitet.
Da habe ich noch ein paar Sachen ... gestern Abend schon drauf geschaut, dachte aber das mache ich jetzt lieber heute wenn ich vor dem großen PC sitze und mir das alles mal größer anschauen kann ....Kiwi94 hat geschrieben:Ebenso hab ich eine Materialliste erstellt.
Wenn möglich bitte ein mal Gegenprüfen dann kann ich das Ganze in Ihr Bestellsystem eingeben.
1. überdenken sie das mit den Self-Install Steckern ! Ich würde dort die Cabelcon QM-Stecker überall verwendet vorziehen (+ F-Kompressionszange dann noch wie zuvor erklärt)
2. haben sie für das Hirschmann Koka Kabel ("Dach" in ihrern Rubriken) die 4.9er Self-Install Stecker in der Bestell-Liste, passt .. aber auch unter "Installationsmaterial" diese 4.9er Stecker für das Dur-Line DUR-95KN Kabel (und ihr Bestandskabel wo man das erst genau nachschauen müsste mit dem Dielektrium welcher Self-Install Stecker da passen würde) dann ... dort wären es aber die 5.1er Stecker (bei den QM-Steckern wären es die gleichen Stecker, die passen auf beide Kabel und mit großer Sicherheit auch auf ihr Bestandskabel wenn das einen ca. Durchmesser von 7mm hat).
3. immer ein paar mehr von den Steckern nehmen '(*1) ... den damit kann man sich super einfach und super gut ein eigenes Anschlusskabel von den Dosen bis zum Receiver anfertigen. Kein Kabel ist günstiger zu machen und vor allem ist KEINES besser als ein solche selbst angefertigtes.
4. Cabelcon-Stripper - gerade bei vielen Kabeln die abisoliert werden müssen ein Tool das sehr wichtig ist
5. Dachabdeckung "Frankfurt" würde ich nicht nehmen .... vorziehen diese => Alu- Dachpfanne ziegelrot (kunststoffbeschichtet mit Fixier- Klebestreifen)
6. ErdungsLASCHE 48-50mm verwenden für den Anschluss vom Erdungskabel (Blitzstrom-tragend, was der orig Anschluss am Sparrenhalter nicht ist und dieser nur für das PA-Kabel zum anschließen tauglich wäre)
-- Preis von der Maka50 ist falsch in der Liste, aber das war mir nur durch Zufall aufgefallen !
Dito ... bleiben sie gesund ("stay healthy and take care").Kiwi94 hat geschrieben:Wünsche ein schönes Wochenende
Wenn sie am Ende mit uns zufrieden waren wäre eine Bewertung sehr hilfreich für uns, vor allem bei Google-Places (da wird dort offensichtlich mit bezahlten, negativen Bewertungen tlw. zu kämpfen haben .. sonst nicht erklärbar das 3 Leute innerhalb von kurzer Zeit alls uns, eine Frauenärtin im Ruhrpott und eine Klinik in Berlin parallel alle gleich negativ bewerten
Links:
Google-Places
Shopauskunft
Im "Bewertungstext" dort gerne ein paar Worte rein schreiben, auch gerne den Link zu diesem Beitrag das es auch "belegbar" ist das diese Bewertung ernst gemeint ist
'(*1)
34 Stecker haben sie akt. in ihrer Liste ...
Ich rechne mal kurz durch:
4x Stecker am LNB (sind beim Koka Kabel bereits vormontiert)
4x innen am Koka 799 B UV-beständigen Koaxkabel
4x Ausgang am Mast-nahen PA
4x Eingang am Multischalter vom Mast-nahen PA kommend
6x Ausgänge Multischalter (Teilnehmerausgänge)
8x am 4er Erdungsblock der als "Verbinder" verwendet wird
---------
26 Stecker .....
Diese werden also auf jeden Fall benötigt.
Vielleicht sind wir nicht günstiger als ein Discounter oder reiner Online-Kartonschieber, aber sicherlich besser !
Normkonforme Beratung und Bau sind bei uns selbstverständlich.
Sat-Shop Heilbronn Kunden können sich auch nach dem Kauf auf unseren besten Service verlassen
Hier im Forum wird kein After-Sales-Support für Fremdkäufe geleistet !! Wenden Sie sich dazu an ihren Verkäufer ......
Tristan Uhde / Satanlagen Onlineshop / SAT-Shop Heilbronn
https://www.satshop-heilbronn.de (SSL) / SAT-Onlineforum https://www.satanlagenforum.de (SSL)
Tel ------ (Fragen gehören ins Forum ! Den nur hier können sie richtig bearbeitet werden, auch was hier noch nicht von A-Z genau schon erklärt/behandelt ist ) .. Dieser Hinweis weil täglich dutzende Fragen per Email oder per PM über das Forum rein kommen die noch dazu inhaltlich nicht das intus haben das man etwas dazu sagen könnte.
Wichtiger Hinweis: Zuständigkeiten verantwortliche Elektrofachkraft (VEFK) und Blitzschutzfachkräfte
Informieren Sie sich dort über Folgen und Auswirkungen von Eigenleistung und lassen Sie selbst durchgeführte Installationen von entsprechender Stelle prüfen und abnehmen. Dafür sind VOR ORT spezielle und qualifizierte Blitzschutz-Fachkräfte notwendig, Ferndiagnosen für Blitzschutz/Erdung können hier NICHT durchgeführt werden ("wie kann ICH das machen ..." oder ähnlich bringt da nichts).
Diese Signatur wächst von Woche zu Woche und enthält immer mehr grundlegende Inhalte die bitte berücksichtigt werden sollten bei bzw. VOR Anfragen !
100% beantwortet werden können nur Anfragen die auch alle relevanten Teile beinhalten die man benötigt für eine Antwort (genaue Beschreibungen/ Angabe von Herstellern/Typen für vorhandenes Material etc.). Bitte vermeiden Sie Aussagen wie "habe viel gelesen, aber versteht das nicht ..." ohne Nennung von dem was Sie gelesen haben und was genau unklar war an den Erklärungen die hier gelesen wurden - den nur dann kann man auch darauf eingehen was event. unklar ist/war.
Bitte unbedingt vor einem Post lesen => Boardregeln / Datenschutz
Wir erteilen hier keine Rechtsberatung, unsere Hinweise sind nach bestem Wissen und bedürfen einer entsprechenden juristischen/technischen weiteren Beratung.
Normkonforme Beratung und Bau sind bei uns selbstverständlich.
Sat-Shop Heilbronn Kunden können sich auch nach dem Kauf auf unseren besten Service verlassen
Hier im Forum wird kein After-Sales-Support für Fremdkäufe geleistet !! Wenden Sie sich dazu an ihren Verkäufer ......
Tristan Uhde / Satanlagen Onlineshop / SAT-Shop Heilbronn
https://www.satshop-heilbronn.de (SSL) / SAT-Onlineforum https://www.satanlagenforum.de (SSL)
Tel ------ (Fragen gehören ins Forum ! Den nur hier können sie richtig bearbeitet werden, auch was hier noch nicht von A-Z genau schon erklärt/behandelt ist ) .. Dieser Hinweis weil täglich dutzende Fragen per Email oder per PM über das Forum rein kommen die noch dazu inhaltlich nicht das intus haben das man etwas dazu sagen könnte.
Wichtiger Hinweis: Zuständigkeiten verantwortliche Elektrofachkraft (VEFK) und Blitzschutzfachkräfte
Informieren Sie sich dort über Folgen und Auswirkungen von Eigenleistung und lassen Sie selbst durchgeführte Installationen von entsprechender Stelle prüfen und abnehmen. Dafür sind VOR ORT spezielle und qualifizierte Blitzschutz-Fachkräfte notwendig, Ferndiagnosen für Blitzschutz/Erdung können hier NICHT durchgeführt werden ("wie kann ICH das machen ..." oder ähnlich bringt da nichts).
Diese Signatur wächst von Woche zu Woche und enthält immer mehr grundlegende Inhalte die bitte berücksichtigt werden sollten bei bzw. VOR Anfragen !
100% beantwortet werden können nur Anfragen die auch alle relevanten Teile beinhalten die man benötigt für eine Antwort (genaue Beschreibungen/ Angabe von Herstellern/Typen für vorhandenes Material etc.). Bitte vermeiden Sie Aussagen wie "habe viel gelesen, aber versteht das nicht ..." ohne Nennung von dem was Sie gelesen haben und was genau unklar war an den Erklärungen die hier gelesen wurden - den nur dann kann man auch darauf eingehen was event. unklar ist/war.
Bitte unbedingt vor einem Post lesen => Boardregeln / Datenschutz
Wir erteilen hier keine Rechtsberatung, unsere Hinweise sind nach bestem Wissen und bedürfen einer entsprechenden juristischen/technischen weiteren Beratung.
- techno-com
- Site Admin
- Beiträge: 22448
- Registriert: 17. November 2005 09:32
- Wohnort: 74076 Heilbronn
- Hat sich bedankt: 504 Mal
- Danksagung erhalten: 575 Mal
- Kontaktdaten:
Re: Umbau Kabel-Anlage EFH
Vielen Dank für ihre Bestellung
Für die Vollständigkeit vom Beitrag hier ein Screenshot davon:
Geht heute alles raus, tlw. per DPD und tlw. per DHL (das sind die Lieferungen dann von hier aus). Sie erhalten gleich alle Versand-Trackingnummern per Email.
Wünsche dann mal
.. und bitte darum nach dem Aufbau einen Bericht mit Bildern dann noch hier einzustellen. Bitte vergeben sie den Bildern passende Namen zum "Inhalt" vom Bild, nur so werden die Bilder dann auch passend bei Google und über die Board-Suche hier gefunde.
Für die Vollständigkeit vom Beitrag hier ein Screenshot davon:
Geht heute alles raus, tlw. per DPD und tlw. per DHL (das sind die Lieferungen dann von hier aus). Sie erhalten gleich alle Versand-Trackingnummern per Email.
Wünsche dann mal
.. und bitte darum nach dem Aufbau einen Bericht mit Bildern dann noch hier einzustellen. Bitte vergeben sie den Bildern passende Namen zum "Inhalt" vom Bild, nur so werden die Bilder dann auch passend bei Google und über die Board-Suche hier gefunde.
Vielleicht sind wir nicht günstiger als ein Discounter oder reiner Online-Kartonschieber, aber sicherlich besser !
Normkonforme Beratung und Bau sind bei uns selbstverständlich.
Sat-Shop Heilbronn Kunden können sich auch nach dem Kauf auf unseren besten Service verlassen
Hier im Forum wird kein After-Sales-Support für Fremdkäufe geleistet !! Wenden Sie sich dazu an ihren Verkäufer ......
Tristan Uhde / Satanlagen Onlineshop / SAT-Shop Heilbronn
https://www.satshop-heilbronn.de (SSL) / SAT-Onlineforum https://www.satanlagenforum.de (SSL)
Tel ------ (Fragen gehören ins Forum ! Den nur hier können sie richtig bearbeitet werden, auch was hier noch nicht von A-Z genau schon erklärt/behandelt ist ) .. Dieser Hinweis weil täglich dutzende Fragen per Email oder per PM über das Forum rein kommen die noch dazu inhaltlich nicht das intus haben das man etwas dazu sagen könnte.
Wichtiger Hinweis: Zuständigkeiten verantwortliche Elektrofachkraft (VEFK) und Blitzschutzfachkräfte
Informieren Sie sich dort über Folgen und Auswirkungen von Eigenleistung und lassen Sie selbst durchgeführte Installationen von entsprechender Stelle prüfen und abnehmen. Dafür sind VOR ORT spezielle und qualifizierte Blitzschutz-Fachkräfte notwendig, Ferndiagnosen für Blitzschutz/Erdung können hier NICHT durchgeführt werden ("wie kann ICH das machen ..." oder ähnlich bringt da nichts).
Diese Signatur wächst von Woche zu Woche und enthält immer mehr grundlegende Inhalte die bitte berücksichtigt werden sollten bei bzw. VOR Anfragen !
100% beantwortet werden können nur Anfragen die auch alle relevanten Teile beinhalten die man benötigt für eine Antwort (genaue Beschreibungen/ Angabe von Herstellern/Typen für vorhandenes Material etc.). Bitte vermeiden Sie Aussagen wie "habe viel gelesen, aber versteht das nicht ..." ohne Nennung von dem was Sie gelesen haben und was genau unklar war an den Erklärungen die hier gelesen wurden - den nur dann kann man auch darauf eingehen was event. unklar ist/war.
Bitte unbedingt vor einem Post lesen => Boardregeln / Datenschutz
Wir erteilen hier keine Rechtsberatung, unsere Hinweise sind nach bestem Wissen und bedürfen einer entsprechenden juristischen/technischen weiteren Beratung.
Normkonforme Beratung und Bau sind bei uns selbstverständlich.
Sat-Shop Heilbronn Kunden können sich auch nach dem Kauf auf unseren besten Service verlassen
Hier im Forum wird kein After-Sales-Support für Fremdkäufe geleistet !! Wenden Sie sich dazu an ihren Verkäufer ......
Tristan Uhde / Satanlagen Onlineshop / SAT-Shop Heilbronn
https://www.satshop-heilbronn.de (SSL) / SAT-Onlineforum https://www.satanlagenforum.de (SSL)
Tel ------ (Fragen gehören ins Forum ! Den nur hier können sie richtig bearbeitet werden, auch was hier noch nicht von A-Z genau schon erklärt/behandelt ist ) .. Dieser Hinweis weil täglich dutzende Fragen per Email oder per PM über das Forum rein kommen die noch dazu inhaltlich nicht das intus haben das man etwas dazu sagen könnte.
Wichtiger Hinweis: Zuständigkeiten verantwortliche Elektrofachkraft (VEFK) und Blitzschutzfachkräfte
Informieren Sie sich dort über Folgen und Auswirkungen von Eigenleistung und lassen Sie selbst durchgeführte Installationen von entsprechender Stelle prüfen und abnehmen. Dafür sind VOR ORT spezielle und qualifizierte Blitzschutz-Fachkräfte notwendig, Ferndiagnosen für Blitzschutz/Erdung können hier NICHT durchgeführt werden ("wie kann ICH das machen ..." oder ähnlich bringt da nichts).
Diese Signatur wächst von Woche zu Woche und enthält immer mehr grundlegende Inhalte die bitte berücksichtigt werden sollten bei bzw. VOR Anfragen !
100% beantwortet werden können nur Anfragen die auch alle relevanten Teile beinhalten die man benötigt für eine Antwort (genaue Beschreibungen/ Angabe von Herstellern/Typen für vorhandenes Material etc.). Bitte vermeiden Sie Aussagen wie "habe viel gelesen, aber versteht das nicht ..." ohne Nennung von dem was Sie gelesen haben und was genau unklar war an den Erklärungen die hier gelesen wurden - den nur dann kann man auch darauf eingehen was event. unklar ist/war.
Bitte unbedingt vor einem Post lesen => Boardregeln / Datenschutz
Wir erteilen hier keine Rechtsberatung, unsere Hinweise sind nach bestem Wissen und bedürfen einer entsprechenden juristischen/technischen weiteren Beratung.
Re: Umbau Kabel-Anlage EFH
Vielen Dank mal wieder für die zügige Antwort.
Hab die Bestellung soeben abgeschickt und möchte mich nochmals für die sehr Kompetente und Problemlose Beratung bedanken.
Jetzt hoffe ich mal dass alle Vorüberlegungen richtig waren und der Aufbau und die Inbetriebnahme reibungslos verlaufen.
Deine Anregung bezüglicher der Stecker hat mich überzeugt und ich hab mich für die Cabelcon QM-Stecker entschieden.1. überdenken sie das mit den Self-Install Steckern ! Ich würde dort die Cabelcon QM-Stecker überall verwendet vorziehen (+ F-Kompressionszange dann noch wie zuvor erklärt)
2. haben sie für das Hirschmann Koka Kabel ("Dach" in ihrern Rubriken) die 4.9er Self-Install Stecker in der Bestell-Liste, passt .. aber auch unter "Installationsmaterial" diese 4.9er Stecker für das Dur-Line DIR-95KN Kabel (und ihr Bestandskabel wo man das erst genau nachschauen müsste mit dem Dielektrium welcher Self-Install Stecker da passen würde) dann ... dort wären es aber die 5.1er Stecker (bei den QM-Steckern wären es die gleichen Stecker, die passen auf beide Kabel und mit großer Sicherheit auch auf ihr Bestandskabel wenn das einen ca. Durchmesser von 7mm hat).
3. immer ein paar mehr von den Steckern nehmen '(*1) ... den damit kann man sich super einfach und super gut ein eigenes Anschlusskabel von den Dosen bis zum Receiver anfertigen. Kein Kabel ist günstiger zu machen und vor allem ist KEINES besser als ein solche selbst angefertigtes.
Hab die Bestellung soeben abgeschickt und möchte mich nochmals für die sehr Kompetente und Problemlose Beratung bedanken.
Jetzt hoffe ich mal dass alle Vorüberlegungen richtig waren und der Aufbau und die Inbetriebnahme reibungslos verlaufen.
Re: Umbau Kabel-Anlage EFH
Sodelle da bin ich wieder,
alle Packete sind unversehrt und vollständig bei mir angekommen und ich habe endlich von der Theorie in die Tat übergehen können.
Begonnen hab ich auf dem Dach wo ich den Dachsparrenhalter (Hercules) montiert habe, was super einfach ging. Nachdem ich mir die Mühe gemacht hatte das Erdungskabel 1x16mm^2 vom Haupterder im Keller bis aufs dach zu ziehen um den dort am Dachsparrenhalter anzuschliesen konnte ich mit dem Spiegel weiter machen. Hier hab ich mir um möglichst wenig auf dem Dach machen zu müssen den LNB und die Kabel bereits auf dem Boden vormontiert.
Und das ist das Ergebnis: Weiter gings mit dem Mastnahen Potentialausgleich welchen ich an einem Dachsparren nahe der Kabeleinführung angebracht habe.
Hier konnte ich gleich mal die Kompressionszange und die F-Stecker (F-56-CX3 7.0 QM Quick Mount) von Cabelcon testen und muss sagen mit dem passenden Abisolierwerkzeug (Cabelcon Cable Stripper RG6/59) war das ein Kinderspiel.
Im nächsten Schritt galt es die alte Kabel-TV Technik zu demontieren und die perfekt vormontierte Montageplatte mit dem Jultec JRS0502-4+4T anzubringen.
Schnell noch die F-stecker auf die bestehenden Leitungen aufgepresst und den PE mit 1x4mm^2 aufgelegt FERTIG
Zum Schluss dann noch die Kabel-Dosen gegen die zuvor im Plan berechneten SAt-Andennendosen ausgetauscht und losgehen konnte es mit der Inbetriebnahme.
Hab zunächst mal die Schüssel auf die richtige Position gebracht einen Sendersuchlauf durchführen und fertig sind die Legacy-Anschlüsse.
Beim Unicabel bedarf es noch ein paar weiterer Einstellungen, hier gilt es zunächst den Unicabel-Modus am Reciver einzuschalten und dann der gewählten ID (Teilnehmernummer innerhalb eines Strangs) die passende Frequenz zuzuordnen. Die Frequenzen sind bei Jultec auf dem Gerät zu finden. Einmal eingestellt, Suchlauf gemacht und los geht der TV Spaß.
Ich möchte mich an dieser Stelle nochmals für die exzellente und professionelle Beratung bedanken ich hab einiges lernen dürfen.
Sollte ich wieder mal eine Sat-Anlage Planen werde ich denselben Weg wieder wählen, sowie anderen empfehlen.
alle Packete sind unversehrt und vollständig bei mir angekommen und ich habe endlich von der Theorie in die Tat übergehen können.
Begonnen hab ich auf dem Dach wo ich den Dachsparrenhalter (Hercules) montiert habe, was super einfach ging. Nachdem ich mir die Mühe gemacht hatte das Erdungskabel 1x16mm^2 vom Haupterder im Keller bis aufs dach zu ziehen um den dort am Dachsparrenhalter anzuschliesen konnte ich mit dem Spiegel weiter machen. Hier hab ich mir um möglichst wenig auf dem Dach machen zu müssen den LNB und die Kabel bereits auf dem Boden vormontiert.
Und das ist das Ergebnis: Weiter gings mit dem Mastnahen Potentialausgleich welchen ich an einem Dachsparren nahe der Kabeleinführung angebracht habe.
Hier konnte ich gleich mal die Kompressionszange und die F-Stecker (F-56-CX3 7.0 QM Quick Mount) von Cabelcon testen und muss sagen mit dem passenden Abisolierwerkzeug (Cabelcon Cable Stripper RG6/59) war das ein Kinderspiel.
Im nächsten Schritt galt es die alte Kabel-TV Technik zu demontieren und die perfekt vormontierte Montageplatte mit dem Jultec JRS0502-4+4T anzubringen.
Schnell noch die F-stecker auf die bestehenden Leitungen aufgepresst und den PE mit 1x4mm^2 aufgelegt FERTIG
Zum Schluss dann noch die Kabel-Dosen gegen die zuvor im Plan berechneten SAt-Andennendosen ausgetauscht und losgehen konnte es mit der Inbetriebnahme.
Hab zunächst mal die Schüssel auf die richtige Position gebracht einen Sendersuchlauf durchführen und fertig sind die Legacy-Anschlüsse.
Beim Unicabel bedarf es noch ein paar weiterer Einstellungen, hier gilt es zunächst den Unicabel-Modus am Reciver einzuschalten und dann der gewählten ID (Teilnehmernummer innerhalb eines Strangs) die passende Frequenz zuzuordnen. Die Frequenzen sind bei Jultec auf dem Gerät zu finden. Einmal eingestellt, Suchlauf gemacht und los geht der TV Spaß.
Ich möchte mich an dieser Stelle nochmals für die exzellente und professionelle Beratung bedanken ich hab einiges lernen dürfen.
Sollte ich wieder mal eine Sat-Anlage Planen werde ich denselben Weg wieder wählen, sowie anderen empfehlen.
- techno-com
- Site Admin
- Beiträge: 22448
- Registriert: 17. November 2005 09:32
- Wohnort: 74076 Heilbronn
- Hat sich bedankt: 504 Mal
- Danksagung erhalten: 575 Mal
- Kontaktdaten:
Re: Umbau Kabel-Anlage EFH
Hallo zurück
Vielen Dank erst mal für diesen super Bericht
Zwei Sachen habe ich aber noch:
1. an dem Dachsparrenhalter haben Sie das Erdungskabel an die Anschlussklemme dort angeschlossen. Lesen Sie dazu oben noch einmal meinen Beitrag. Dafür wäre eine spezielle ErdungsLASCHE besser gewesen beziehungsweise sogar notwendig da diese Blitz-Strom tragend ist

2. die Überspannungsschütze müssen auf die andere Seite vom Mast-nahen Potentialausgleich.. also in Richtung „innen“ !
Vielen Dank erst mal für diesen super Bericht
Zwei Sachen habe ich aber noch:
1. an dem Dachsparrenhalter haben Sie das Erdungskabel an die Anschlussklemme dort angeschlossen. Lesen Sie dazu oben noch einmal meinen Beitrag. Dafür wäre eine spezielle ErdungsLASCHE besser gewesen beziehungsweise sogar notwendig da diese Blitz-Strom tragend ist
2. die Überspannungsschütze müssen auf die andere Seite vom Mast-nahen Potentialausgleich.. also in Richtung „innen“ !
Vielleicht sind wir nicht günstiger als ein Discounter oder reiner Online-Kartonschieber, aber sicherlich besser !
Normkonforme Beratung und Bau sind bei uns selbstverständlich.
Sat-Shop Heilbronn Kunden können sich auch nach dem Kauf auf unseren besten Service verlassen
Hier im Forum wird kein After-Sales-Support für Fremdkäufe geleistet !! Wenden Sie sich dazu an ihren Verkäufer ......
Tristan Uhde / Satanlagen Onlineshop / SAT-Shop Heilbronn
https://www.satshop-heilbronn.de (SSL) / SAT-Onlineforum https://www.satanlagenforum.de (SSL)
Tel ------ (Fragen gehören ins Forum ! Den nur hier können sie richtig bearbeitet werden, auch was hier noch nicht von A-Z genau schon erklärt/behandelt ist ) .. Dieser Hinweis weil täglich dutzende Fragen per Email oder per PM über das Forum rein kommen die noch dazu inhaltlich nicht das intus haben das man etwas dazu sagen könnte.
Wichtiger Hinweis: Zuständigkeiten verantwortliche Elektrofachkraft (VEFK) und Blitzschutzfachkräfte
Informieren Sie sich dort über Folgen und Auswirkungen von Eigenleistung und lassen Sie selbst durchgeführte Installationen von entsprechender Stelle prüfen und abnehmen. Dafür sind VOR ORT spezielle und qualifizierte Blitzschutz-Fachkräfte notwendig, Ferndiagnosen für Blitzschutz/Erdung können hier NICHT durchgeführt werden ("wie kann ICH das machen ..." oder ähnlich bringt da nichts).
Diese Signatur wächst von Woche zu Woche und enthält immer mehr grundlegende Inhalte die bitte berücksichtigt werden sollten bei bzw. VOR Anfragen !
100% beantwortet werden können nur Anfragen die auch alle relevanten Teile beinhalten die man benötigt für eine Antwort (genaue Beschreibungen/ Angabe von Herstellern/Typen für vorhandenes Material etc.). Bitte vermeiden Sie Aussagen wie "habe viel gelesen, aber versteht das nicht ..." ohne Nennung von dem was Sie gelesen haben und was genau unklar war an den Erklärungen die hier gelesen wurden - den nur dann kann man auch darauf eingehen was event. unklar ist/war.
Bitte unbedingt vor einem Post lesen => Boardregeln / Datenschutz
Wir erteilen hier keine Rechtsberatung, unsere Hinweise sind nach bestem Wissen und bedürfen einer entsprechenden juristischen/technischen weiteren Beratung.
Normkonforme Beratung und Bau sind bei uns selbstverständlich.
Sat-Shop Heilbronn Kunden können sich auch nach dem Kauf auf unseren besten Service verlassen
Hier im Forum wird kein After-Sales-Support für Fremdkäufe geleistet !! Wenden Sie sich dazu an ihren Verkäufer ......
Tristan Uhde / Satanlagen Onlineshop / SAT-Shop Heilbronn
https://www.satshop-heilbronn.de (SSL) / SAT-Onlineforum https://www.satanlagenforum.de (SSL)
Tel ------ (Fragen gehören ins Forum ! Den nur hier können sie richtig bearbeitet werden, auch was hier noch nicht von A-Z genau schon erklärt/behandelt ist ) .. Dieser Hinweis weil täglich dutzende Fragen per Email oder per PM über das Forum rein kommen die noch dazu inhaltlich nicht das intus haben das man etwas dazu sagen könnte.
Wichtiger Hinweis: Zuständigkeiten verantwortliche Elektrofachkraft (VEFK) und Blitzschutzfachkräfte
Informieren Sie sich dort über Folgen und Auswirkungen von Eigenleistung und lassen Sie selbst durchgeführte Installationen von entsprechender Stelle prüfen und abnehmen. Dafür sind VOR ORT spezielle und qualifizierte Blitzschutz-Fachkräfte notwendig, Ferndiagnosen für Blitzschutz/Erdung können hier NICHT durchgeführt werden ("wie kann ICH das machen ..." oder ähnlich bringt da nichts).
Diese Signatur wächst von Woche zu Woche und enthält immer mehr grundlegende Inhalte die bitte berücksichtigt werden sollten bei bzw. VOR Anfragen !
100% beantwortet werden können nur Anfragen die auch alle relevanten Teile beinhalten die man benötigt für eine Antwort (genaue Beschreibungen/ Angabe von Herstellern/Typen für vorhandenes Material etc.). Bitte vermeiden Sie Aussagen wie "habe viel gelesen, aber versteht das nicht ..." ohne Nennung von dem was Sie gelesen haben und was genau unklar war an den Erklärungen die hier gelesen wurden - den nur dann kann man auch darauf eingehen was event. unklar ist/war.
Bitte unbedingt vor einem Post lesen => Boardregeln / Datenschutz
Wir erteilen hier keine Rechtsberatung, unsere Hinweise sind nach bestem Wissen und bedürfen einer entsprechenden juristischen/technischen weiteren Beratung.
Re: Umbau Kabel-Anlage EFH
Zu Punkt 2
Wenn ich Bilder von anddren Anlagen anschaue wie diese z.B.
Sat-Anlage für MFH: Komponenten und Fragen
Ist der Überspannungsschutz auf dere Mastseite verbaut oder auch bei den Anlagen wo der Überspannungsschutz direkt auf der Montageplatte sitz ist er auf der Mastseite verbaut.
Ich möchte Ihre Kompetenz nicht anzweifeln, jerdoch hat sich da was in der praxis geändert oder hab ich was falsch verstanden?
habe ich eine Frage. Bei mir ist der Überspannungs zum masten hin gerichtet verbaut, wenn ich Sie jetzt richtig verstehe soll ich diesen zum Multischalter gerichtet verbauen.die Überspannungsschütze müssen auf die andere Seite vom Mast-nahen Potentialausgleich.. also in Richtung „innen“ !
Wenn ich Bilder von anddren Anlagen anschaue wie diese z.B.
Sat-Anlage für MFH: Komponenten und Fragen
Ist der Überspannungsschutz auf dere Mastseite verbaut oder auch bei den Anlagen wo der Überspannungsschutz direkt auf der Montageplatte sitz ist er auf der Mastseite verbaut.
Ich möchte Ihre Kompetenz nicht anzweifeln, jerdoch hat sich da was in der praxis geändert oder hab ich was falsch verstanden?
Re: Umbau Kabel-Anlage EFH
Aus einem anderen Beitrag:Kiwi94 hat geschrieben:Zu Punkt 2 "die Überspannungsschütze müssen auf die andere Seite vom Mast-nahen Potentialausgleich.. also in Richtung „innen“ ! "
habe ich eine Frage.
Jultec JPS0504-8M plus JRS0502-4+4T - Hardware für Umbau Einkabelsystem plus Legacy
techno-com hat geschrieben:1. Überspannungsschütze müssen gedreht werden ... recht neu so das es auf diesem Weg gemacht wird, hatte aber viele Gespräche dazu und da kam es raus das es so wohl der bessere und vor allem richtige Weg ist
- techno-com
- Site Admin
- Beiträge: 22448
- Registriert: 17. November 2005 09:32
- Wohnort: 74076 Heilbronn
- Hat sich bedankt: 504 Mal
- Danksagung erhalten: 575 Mal
- Kontaktdaten:
Re: Umbau Kabel-Anlage EFH
Und auch in dem genannten Beitrag steht:

Bild aus dem vorab verlinkten, neueren Beitrag:P.S. aus den Bildern oben .. Änderung ! Die Überspannungsschütze gehören andersrum montiert, zeigend nach innen ! Ist neu/besser/richtig/hier geändert !
Vielleicht sind wir nicht günstiger als ein Discounter oder reiner Online-Kartonschieber, aber sicherlich besser !
Normkonforme Beratung und Bau sind bei uns selbstverständlich.
Sat-Shop Heilbronn Kunden können sich auch nach dem Kauf auf unseren besten Service verlassen
Hier im Forum wird kein After-Sales-Support für Fremdkäufe geleistet !! Wenden Sie sich dazu an ihren Verkäufer ......
Tristan Uhde / Satanlagen Onlineshop / SAT-Shop Heilbronn
https://www.satshop-heilbronn.de (SSL) / SAT-Onlineforum https://www.satanlagenforum.de (SSL)
Tel ------ (Fragen gehören ins Forum ! Den nur hier können sie richtig bearbeitet werden, auch was hier noch nicht von A-Z genau schon erklärt/behandelt ist ) .. Dieser Hinweis weil täglich dutzende Fragen per Email oder per PM über das Forum rein kommen die noch dazu inhaltlich nicht das intus haben das man etwas dazu sagen könnte.
Wichtiger Hinweis: Zuständigkeiten verantwortliche Elektrofachkraft (VEFK) und Blitzschutzfachkräfte
Informieren Sie sich dort über Folgen und Auswirkungen von Eigenleistung und lassen Sie selbst durchgeführte Installationen von entsprechender Stelle prüfen und abnehmen. Dafür sind VOR ORT spezielle und qualifizierte Blitzschutz-Fachkräfte notwendig, Ferndiagnosen für Blitzschutz/Erdung können hier NICHT durchgeführt werden ("wie kann ICH das machen ..." oder ähnlich bringt da nichts).
Diese Signatur wächst von Woche zu Woche und enthält immer mehr grundlegende Inhalte die bitte berücksichtigt werden sollten bei bzw. VOR Anfragen !
100% beantwortet werden können nur Anfragen die auch alle relevanten Teile beinhalten die man benötigt für eine Antwort (genaue Beschreibungen/ Angabe von Herstellern/Typen für vorhandenes Material etc.). Bitte vermeiden Sie Aussagen wie "habe viel gelesen, aber versteht das nicht ..." ohne Nennung von dem was Sie gelesen haben und was genau unklar war an den Erklärungen die hier gelesen wurden - den nur dann kann man auch darauf eingehen was event. unklar ist/war.
Bitte unbedingt vor einem Post lesen => Boardregeln / Datenschutz
Wir erteilen hier keine Rechtsberatung, unsere Hinweise sind nach bestem Wissen und bedürfen einer entsprechenden juristischen/technischen weiteren Beratung.
Normkonforme Beratung und Bau sind bei uns selbstverständlich.
Sat-Shop Heilbronn Kunden können sich auch nach dem Kauf auf unseren besten Service verlassen
Hier im Forum wird kein After-Sales-Support für Fremdkäufe geleistet !! Wenden Sie sich dazu an ihren Verkäufer ......
Tristan Uhde / Satanlagen Onlineshop / SAT-Shop Heilbronn
https://www.satshop-heilbronn.de (SSL) / SAT-Onlineforum https://www.satanlagenforum.de (SSL)
Tel ------ (Fragen gehören ins Forum ! Den nur hier können sie richtig bearbeitet werden, auch was hier noch nicht von A-Z genau schon erklärt/behandelt ist ) .. Dieser Hinweis weil täglich dutzende Fragen per Email oder per PM über das Forum rein kommen die noch dazu inhaltlich nicht das intus haben das man etwas dazu sagen könnte.
Wichtiger Hinweis: Zuständigkeiten verantwortliche Elektrofachkraft (VEFK) und Blitzschutzfachkräfte
Informieren Sie sich dort über Folgen und Auswirkungen von Eigenleistung und lassen Sie selbst durchgeführte Installationen von entsprechender Stelle prüfen und abnehmen. Dafür sind VOR ORT spezielle und qualifizierte Blitzschutz-Fachkräfte notwendig, Ferndiagnosen für Blitzschutz/Erdung können hier NICHT durchgeführt werden ("wie kann ICH das machen ..." oder ähnlich bringt da nichts).
Diese Signatur wächst von Woche zu Woche und enthält immer mehr grundlegende Inhalte die bitte berücksichtigt werden sollten bei bzw. VOR Anfragen !
100% beantwortet werden können nur Anfragen die auch alle relevanten Teile beinhalten die man benötigt für eine Antwort (genaue Beschreibungen/ Angabe von Herstellern/Typen für vorhandenes Material etc.). Bitte vermeiden Sie Aussagen wie "habe viel gelesen, aber versteht das nicht ..." ohne Nennung von dem was Sie gelesen haben und was genau unklar war an den Erklärungen die hier gelesen wurden - den nur dann kann man auch darauf eingehen was event. unklar ist/war.
Bitte unbedingt vor einem Post lesen => Boardregeln / Datenschutz
Wir erteilen hier keine Rechtsberatung, unsere Hinweise sind nach bestem Wissen und bedürfen einer entsprechenden juristischen/technischen weiteren Beratung.
-
- Related Topics
- Antworten
- Zugriffe
- Letzter Beitrag
-
-
Umbau von Kabel auf Unicable, Test von vorhandenen Kabeln
Dateianhang von belegdol » 28. Februar 2025 14:17 - 13 Antworten
- 1797 Zugriffe
-
Letzter Beitrag von Dipol
Neuester Beitrag
29. Juni 2025 11:39
Fragen zu digitalen SAT- Einkabelsystemen
-
-
- 3 Antworten
- 1059 Zugriffe
-
Letzter Beitrag von techno-com
Neuester Beitrag
15. Oktober 2024 13:46
technische Fragen zu Satanlagen
-
-
Umbau Legacey | Disecq Anlage mit 4 Sat Positionen auf UniCable
Dateianhang von greenhornxxl » 30. Dezember 2023 03:02 - 3 Antworten
- 1461 Zugriffe
-
Letzter Beitrag von techno-com
Neuester Beitrag
2. Januar 2024 09:36
Fragen zu digitalen SAT- Einkabelsystemen
-
-
- 1 Antworten
- 1719 Zugriffe
-
Letzter Beitrag von techno-com
Neuester Beitrag
31. August 2023 10:07
technische Fragen zu Satanlagen
-
-
Umbau Sat im EFH von Stern auf Unicable
Dateianhang von Deleted User 14037 » 15. Dezember 2022 20:45 - 2 Antworten
- 1500 Zugriffe
-
Letzter Beitrag von Deleted User 14037
Neuester Beitrag
19. Dezember 2022 22:11
Mülleimer
-
-
- 3 Antworten
- 4910 Zugriffe
-
Letzter Beitrag von techno-com
Neuester Beitrag
10. August 2022 13:25
SAT>IP
-
- 11 Antworten
- 3187 Zugriffe
-
Letzter Beitrag von techno-com
Neuester Beitrag
28. Februar 2022 09:18
Fragen zu digitalen SAT- Einkabelsystemen
-
- 4 Antworten
- 1158 Zugriffe
-
Letzter Beitrag von techno-com
Neuester Beitrag
24. Dezember 2021 10:57
Mülleimer
-
- 1 Antworten
- 899 Zugriffe
-
Letzter Beitrag von techno-com
Neuester Beitrag
22. Oktober 2021 06:23
Mülleimer
-
-
Optische Sat-Signalversorgung (DVB-S/S2/S2x) über Glasfasterkabel - Umbau von optischem LNB
Dateianhang von techno-com » 27. Mai 2021 14:04 - 0 Antworten
- 7121 Zugriffe
-
Letzter Beitrag von techno-com
Neuester Beitrag
27. Mai 2021 14:04
Technik- News
-

