Umrüstung Kabel auf Sat im Altbau
Umrüstung Kabel auf Sat im Altbau
Hallo,
Wir möchten (primär aus Kostengründen) unsere bestehende Kabelfernsehlösung auf Satellit umrüsten. Hier geht es um einen 4 geschossigen Altbau inmitten in einer Stadt mit 13 Wohneinheiten. Das Gebäude besitzt keinen Blitzschutz. Die ältesten Leitungen aus dem bestehenden Kabelnetz stammen ungefähr aus dem Jahr 1992. Es gibt überall die (alten) 2-Loch Dosen. In den Leitungswegen befinden sich derzeit mehrere einfache Leitungsverteiler (2-fach und 3-fach). Über die Jahre wurden verschiedene Etagen immer mal wieder um- und ausgebaut - daher ist die aktuelle Kabelführung vielleicht ein wenig sonderbar.
die Anforderungen:
- sternförmige Anbindung baulich nicht überall möglich
- idealerweise möglichst wenig Aufwand bei Neuverkabelung der einzelnen Wohnungen
- ein paar zusätzliche Räume/Büros sollen dabei noch einen Sat-Anschluss bekommen
- 2 bis 3 Twin-Anschlüsse sind vorgesehen
- von älteren Röhren-TVs bis hin zu Plasma und LED-Fernsehern ist alles mögliche vorhanden
- die meisten Wohnungen (Appartements) sollen mit einfachen (HD-fähigen) Receivern nachgerüstet werden
- für die Twin-Anschlüsse werden vermutlich ein paar schicke VU+ Geräte beschafft
- Multischalter/Kaskaden sollten (möglichst) stromsparend Receiver-Powered sein (VDU 518 o.ä.)
- ggf. soll gleich noch eine UKW/DAB Antenne mit installiert & angeschlossen (zumindestens berücksichtigt) werden
Ich habe mich hier schon in andere Themen ein wenig eingelesen und würde daher zu dem Schluss kommen, daß hier wohl die Unicable-Lösung die günstigste Form der Umsetzung wäre ? Ich habe versucht das ein wenig zu skizzieren. Die genaue Kabelführung konnten wir noch nicht ganz genau nachvollziehen. Der (angenommene) aktuelle IST-Zustand in blau - der SOLL-Zustand in rot. Noch offen ist auch die Position des Sat-Spiegels (ca. 90 cm ?). Idealerweise sollte dieser eigentlich unterhalb des Daches (außerhalb des Blitzbereichs) angebracht werden. Und dann auch idealerweise nicht an den beiden Strassenseiten. Das wird allerdings wohl wegen der ungünstigen Ausrichtung des Gebäudes (bzw. der Satelliten) nichts. Somit muss sie vermutlich aufs Dach. Mindestens die Installation des Spiegels und das verlegen des Kabels (außen am Gebäude) bis in den Keller soll dann vsl. eine lokale Firma übernehmen. Wir befinden uns derzeit quasi noch in der Konzeptionsphase und wollen erstmal eine optimale Möglichkeit finden. Zusätzlich dann natürlich auch in Erfahrung bringen, welche Einzelgeräte man benötigt und was dies dann alles ungefähr kosten wird.
Da alle Wohnungen bereits einen Ethernet-LAN Anschluss haben (der auch für den Internetzugang genutzt wird), hatte ich alternativ noch kurz eine Sat-IP Lösung im Kopf. Da dann aber wohl alle Wohnungen auch noch einen eigenen kleinen Switch benötigen (und damit auch wieder ein wenig mehr Strom ziehen) und die Sat-IP Lösungen noch nicht ganz so weit verbreitet zu sein scheint, kommt das Kostentechnisch unterm Strich vermutlich auch nicht günstiger ?
			
			
									
						Wir möchten (primär aus Kostengründen) unsere bestehende Kabelfernsehlösung auf Satellit umrüsten. Hier geht es um einen 4 geschossigen Altbau inmitten in einer Stadt mit 13 Wohneinheiten. Das Gebäude besitzt keinen Blitzschutz. Die ältesten Leitungen aus dem bestehenden Kabelnetz stammen ungefähr aus dem Jahr 1992. Es gibt überall die (alten) 2-Loch Dosen. In den Leitungswegen befinden sich derzeit mehrere einfache Leitungsverteiler (2-fach und 3-fach). Über die Jahre wurden verschiedene Etagen immer mal wieder um- und ausgebaut - daher ist die aktuelle Kabelführung vielleicht ein wenig sonderbar.
die Anforderungen:
- sternförmige Anbindung baulich nicht überall möglich
- idealerweise möglichst wenig Aufwand bei Neuverkabelung der einzelnen Wohnungen
- ein paar zusätzliche Räume/Büros sollen dabei noch einen Sat-Anschluss bekommen
- 2 bis 3 Twin-Anschlüsse sind vorgesehen
- von älteren Röhren-TVs bis hin zu Plasma und LED-Fernsehern ist alles mögliche vorhanden
- die meisten Wohnungen (Appartements) sollen mit einfachen (HD-fähigen) Receivern nachgerüstet werden
- für die Twin-Anschlüsse werden vermutlich ein paar schicke VU+ Geräte beschafft
- Multischalter/Kaskaden sollten (möglichst) stromsparend Receiver-Powered sein (VDU 518 o.ä.)
- ggf. soll gleich noch eine UKW/DAB Antenne mit installiert & angeschlossen (zumindestens berücksichtigt) werden
Ich habe mich hier schon in andere Themen ein wenig eingelesen und würde daher zu dem Schluss kommen, daß hier wohl die Unicable-Lösung die günstigste Form der Umsetzung wäre ? Ich habe versucht das ein wenig zu skizzieren. Die genaue Kabelführung konnten wir noch nicht ganz genau nachvollziehen. Der (angenommene) aktuelle IST-Zustand in blau - der SOLL-Zustand in rot. Noch offen ist auch die Position des Sat-Spiegels (ca. 90 cm ?). Idealerweise sollte dieser eigentlich unterhalb des Daches (außerhalb des Blitzbereichs) angebracht werden. Und dann auch idealerweise nicht an den beiden Strassenseiten. Das wird allerdings wohl wegen der ungünstigen Ausrichtung des Gebäudes (bzw. der Satelliten) nichts. Somit muss sie vermutlich aufs Dach. Mindestens die Installation des Spiegels und das verlegen des Kabels (außen am Gebäude) bis in den Keller soll dann vsl. eine lokale Firma übernehmen. Wir befinden uns derzeit quasi noch in der Konzeptionsphase und wollen erstmal eine optimale Möglichkeit finden. Zusätzlich dann natürlich auch in Erfahrung bringen, welche Einzelgeräte man benötigt und was dies dann alles ungefähr kosten wird.
Da alle Wohnungen bereits einen Ethernet-LAN Anschluss haben (der auch für den Internetzugang genutzt wird), hatte ich alternativ noch kurz eine Sat-IP Lösung im Kopf. Da dann aber wohl alle Wohnungen auch noch einen eigenen kleinen Switch benötigen (und damit auch wieder ein wenig mehr Strom ziehen) und die Sat-IP Lösungen noch nicht ganz so weit verbreitet zu sein scheint, kommt das Kostentechnisch unterm Strich vermutlich auch nicht günstiger ?
- techno-com
- Site Admin
- Beiträge: 22432
- Registriert: 17. November 2005 09:32
- Wohnort: 74076 Heilbronn
- Hat sich bedankt: 504 Mal
- Danksagung erhalten: 574 Mal
- Kontaktdaten:
Re: Umrüstung Kabel auf Sat im Altbau
Hallo und Herzlich Willkommen im Forummyoo hat geschrieben:Hallo,
 
 Ich ersehe das sie sich mit der Materie schon sehr gut auseinander gesetzt haben, das passt ja alles schon wunderbar.
Ich gehe jetzt mal ein paar einzelne Punkte/Frage durch, genau durchstimmen sollten wir das mit den genau benötigten Komponenten erst dann wenn alles ganz klar ist
 
 Alte Kabel sind oft besser als neue Kabel (z.B. sind diese eigentlich immer aus Voll-Kupfer (also kein CCS-Kabel, Stahl-Kupfer). Steht auf dem alten Kabel etwas drauf (Hersteller + Typ) und ganz wichtig wären natürlich auch die einzelnen Kabelwege.myoo hat geschrieben:Die ältesten Leitungen aus dem bestehenden Kabelnetz stammen ungefähr aus dem Jahr 1992.
Antennendosen + Verteiler müssen auf jeden Fall alle getauscht werden. Nicht nur das man bei Kabel-TV (max. Frequenz 862MHz) jetzt mit viel höheren Frequenzen (bei Unicable ca. bis 2100MHz) arbeitet, bei Unicable sollten auch die Kombinationen aus Verteiler + Dosen in Sachen "Diodenentkopplung" stimmen.myoo hat geschrieben:Es gibt überall die (alten) 2-Loch Dosen. In den Leitungswegen befinden sich derzeit mehrere einfache Leitungsverteiler (2-fach und 3-fach).
Auch muss die Auskoppeldämpfung der Antennendosen in den einzelnen Strängen angepasst werden .... Lesen sie mal dazu unter Unicable-Lösung ohne Wechsel der Antennendosen?? und vielen anderen Beiträge, z.B. HILFEEEE!24 Teilnehmer Unicable Anlage + Umrüstung Mehrfamilienhaus Kabel -> SAT + Umrüstung von Kabelfernsehen zu SAT-Fernsehen + Umrüstung EFH von Kabel auf Sat
Von der Zusammenstellung der einzelnen Stränge (auch die 2-fach schon aufgesplitteten direkt nach dem Unicable-Schalter) passt das in der Anzahl der benötigten Umsetzungen. Die Wahl von VU+ Geräten ist sehr gut, diese harmonieren mit "Unicable" sehr gut und es gab bei diesen Geräten im Gegensatz zu anderen E²-Receivern noch keine Probleme.myoo hat geschrieben:- für die Twin-Anschlüsse werden vermutlich ein paar schicke VU+ Geräte beschafft
Habe selbst im Büro und zu Hause VU+ Geräte (Solo²) im Einsatz, ich wechsle nicht mehr da ich damit sehr zufrieden bin.
Das wären dann 2x Jultec JPS0501-8A + 1x Jultec JPS0501-8TN ..... kaskadiert hintereinander geschalten. Hatten wir gerade in einem anderen Beitrag z.B. unter Bestehende SAT-Anlage um Unicable erweitern wo das erklärt wird.myoo hat geschrieben:- Multischalter/Kaskaden sollten (möglichst) stromsparend Receiver-Powered sein (VDU 518 o.ä.)
UKW... hm, da redet man gerade von einer Abschaltung, siehe unter UKW-Abschaltung soll 2018 klappen ! Das sind also "nur noch" 5 Jahre.myoo hat geschrieben:- ggf. soll gleich noch eine UKW/DAB Antenne mit installiert & angeschlossen (zumindestens berücksichtigt) werden
DVB-T wäre ein Backup wenn es einmal zum Ausfall der SAT-Empfangsanlage bei sehr schlechtem Wetter kommen sollte, TV-Empfang von allen Sendern (bei DVB-T sind es ja nur ein paar wenige) ist ja bei einer Unicable-Anlage voll über Sat-Antenne gegeben.
Machbar wäre das aber auf jeden Fall, müsste man nur eine DVB-T (UKW) Antenne extra installieren, ein Kabel extra zum Multischalter verlegen und vor der Einspeisung des Signals in den Multischalter einen Vorverstärker setzen um das Signal "aufzupeppeln".
Wenn die Antenne "hinter" dem Haus installiert werden soll dann geht das nicht, da ist keine freie Sicht zum Satelliten !myoo hat geschrieben:Noch offen ist auch die Position des Sat-Spiegels (ca. 90 cm ?). Idealerweise sollte dieser eigentlich unterhalb des Daches (außerhalb des Blitzbereichs) angebracht werden. Und dann auch idealerweise nicht an den beiden Strassenseiten. Das wird allerdings wohl wegen der ungünstigen Ausrichtung des Gebäudes (bzw. der Satelliten) nichts. Somit muss sie vermutlich aufs Dach. Mindestens die Installation des Spiegels und das verlegen des Kabels (außen am Gebäude) bis in den Keller soll dann vsl. eine lokale Firma übernehmen.
Auch wenn sie die Antenne im Blitz-geschützten Bereich installieren würden wäre das zwar eine Entbindung vom äußeren Blitzschutz (1x16mm² vom Halter bis zur Haupterdungsschiene/HES im Keller), aber der innere Blitzschutz (auch Potentialausgleich) müsste trotzdem durchgeführt werden da es sich um eine wohnungsübergreifende Installation handeln.
Da wird aber eh diese Anlage dann auf dem Dach aufstellen müssten bleibt nur der Weg über die volle Erdung => Erdung Satellitenanlage / Antennenmast + Potentialausgleich
D.h. dann:
Antennenmast (Dachsparrenhalter) Herkules S48/90
Dachziegel
Gumminaschette
Klebemanschette
Blitzschutzkabel 1x16mm² massiv Kupfer vom Sparrenhalter bis zur HES im Keller
Potentialausgleichskabel 1x4mm² massiv Kupfer vom Sparrenhalter bis zum Montageort vom Multischalter
mind. 4er Erdungsblock (wenn nur SAT ohne DVB-T) nahe dem Antennenmast (mastnaher PA)
11er Erdungsblock bei den Multischaltern (über diesen führen die Kabel die vom LNB/der DVB-T Antenne kommen und alle Kabel die in die Stränge abgehen)
Außer dem was oben steht fehlt natürlich noch:myoo hat geschrieben:Wir befinden uns derzeit quasi noch in der Konzeptionsphase und wollen erstmal eine optimale Möglichkeit finden. Zusätzlich dann natürlich auch in Erfahrung bringen, welche Einzelgeräte man benötigt und was dies dann alles ungefähr kosten wird.
Antenne - Triax TD88cm Alu
LNB - Inverto Black Premium Quattro LNB
Koaxkabel (da reicht das Standard 2-fach abgeschirmte Voll-Kupfer Koaxkabel aus)
F-Stecker (empfehle F-SelfInstall Stecker)
Verteiler
Dosen
P.S. fällt mir eben erst auf ! Der Anschluss ganz rechts unten wo nur ein Kabel für einen Anschluss genutzt werden soll kann auch über den Legacy-Ausgang vom Multischalter versorgt werden. Würde eine Unicable-Umsetzungen an dem anderen Strang der über diesen Multischalter versorgt werden soll frei machen und der Receiver der am Legacy-Ausgang hängt müsste NICHT unicable-tauglich sein !
Diese Dose müsste eine Standard 3-Loch Antennendose sein (z.B. Jultec JAD 300TRS)
Vielleicht sind wir nicht günstiger als ein Discounter oder reiner Online-Kartonschieber, aber sicherlich besser ! 
Normkonforme Beratung und Bau sind bei uns selbstverständlich.
Sat-Shop Heilbronn Kunden können sich auch nach dem Kauf auf unseren besten Service verlassen
Hier im Forum wird kein After-Sales-Support für Fremdkäufe geleistet !! Wenden Sie sich dazu an ihren Verkäufer ......
Tristan Uhde / Satanlagen Onlineshop / SAT-Shop Heilbronn
https://www.satshop-heilbronn.de (SSL) / SAT-Onlineforum https://www.satanlagenforum.de (SSL)
Tel ------ (Fragen gehören ins Forum ! Den nur hier können sie richtig bearbeitet werden, auch was hier noch nicht von A-Z genau schon erklärt/behandelt ist ) .. Dieser Hinweis weil täglich dutzende Fragen per Email oder per PM über das Forum rein kommen die noch dazu inhaltlich nicht das intus haben das man etwas dazu sagen könnte.
Wichtiger Hinweis: Zuständigkeiten verantwortliche Elektrofachkraft (VEFK) und Blitzschutzfachkräfte
Informieren Sie sich dort über Folgen und Auswirkungen von Eigenleistung und lassen Sie selbst durchgeführte Installationen von entsprechender Stelle prüfen und abnehmen. Dafür sind VOR ORT spezielle und qualifizierte Blitzschutz-Fachkräfte notwendig, Ferndiagnosen für Blitzschutz/Erdung können hier NICHT durchgeführt werden ("wie kann ICH das machen ..." oder ähnlich bringt da nichts).
Diese Signatur wächst von Woche zu Woche und enthält immer mehr grundlegende Inhalte die bitte berücksichtigt werden sollten bei bzw. VOR Anfragen !
100% beantwortet werden können nur Anfragen die auch alle relevanten Teile beinhalten die man benötigt für eine Antwort (genaue Beschreibungen/ Angabe von Herstellern/Typen für vorhandenes Material etc.). Bitte vermeiden Sie Aussagen wie "habe viel gelesen, aber versteht das nicht ..." ohne Nennung von dem was Sie gelesen haben und was genau unklar war an den Erklärungen die hier gelesen wurden - den nur dann kann man auch darauf eingehen was event. unklar ist/war.
Bitte unbedingt vor einem Post lesen => Boardregeln / Datenschutz
Wir erteilen hier keine Rechtsberatung, unsere Hinweise sind nach bestem Wissen und bedürfen einer entsprechenden juristischen/technischen weiteren Beratung.
			
						Normkonforme Beratung und Bau sind bei uns selbstverständlich.
Sat-Shop Heilbronn Kunden können sich auch nach dem Kauf auf unseren besten Service verlassen
Hier im Forum wird kein After-Sales-Support für Fremdkäufe geleistet !! Wenden Sie sich dazu an ihren Verkäufer ......
Tristan Uhde / Satanlagen Onlineshop / SAT-Shop Heilbronn
https://www.satshop-heilbronn.de (SSL) / SAT-Onlineforum https://www.satanlagenforum.de (SSL)
Tel ------ (Fragen gehören ins Forum ! Den nur hier können sie richtig bearbeitet werden, auch was hier noch nicht von A-Z genau schon erklärt/behandelt ist ) .. Dieser Hinweis weil täglich dutzende Fragen per Email oder per PM über das Forum rein kommen die noch dazu inhaltlich nicht das intus haben das man etwas dazu sagen könnte.
Wichtiger Hinweis: Zuständigkeiten verantwortliche Elektrofachkraft (VEFK) und Blitzschutzfachkräfte
Informieren Sie sich dort über Folgen und Auswirkungen von Eigenleistung und lassen Sie selbst durchgeführte Installationen von entsprechender Stelle prüfen und abnehmen. Dafür sind VOR ORT spezielle und qualifizierte Blitzschutz-Fachkräfte notwendig, Ferndiagnosen für Blitzschutz/Erdung können hier NICHT durchgeführt werden ("wie kann ICH das machen ..." oder ähnlich bringt da nichts).
Diese Signatur wächst von Woche zu Woche und enthält immer mehr grundlegende Inhalte die bitte berücksichtigt werden sollten bei bzw. VOR Anfragen !
100% beantwortet werden können nur Anfragen die auch alle relevanten Teile beinhalten die man benötigt für eine Antwort (genaue Beschreibungen/ Angabe von Herstellern/Typen für vorhandenes Material etc.). Bitte vermeiden Sie Aussagen wie "habe viel gelesen, aber versteht das nicht ..." ohne Nennung von dem was Sie gelesen haben und was genau unklar war an den Erklärungen die hier gelesen wurden - den nur dann kann man auch darauf eingehen was event. unklar ist/war.
Bitte unbedingt vor einem Post lesen => Boardregeln / Datenschutz
Wir erteilen hier keine Rechtsberatung, unsere Hinweise sind nach bestem Wissen und bedürfen einer entsprechenden juristischen/technischen weiteren Beratung.
- techno-com
- Site Admin
- Beiträge: 22432
- Registriert: 17. November 2005 09:32
- Wohnort: 74076 Heilbronn
- Hat sich bedankt: 504 Mal
- Danksagung erhalten: 574 Mal
- Kontaktdaten:
Re: Umrüstung Kabel auf Sat im Altbau
Bei einem Beitrag eben kam mir noch ein Bild in die Finger das hier genau rein passt (entnommen aber aus dem bereits oben verlinkten Beitrag HILFEEEE!24 Teilnehmer Unicable Anlage ) .... Verdeutlicht aber hier dann noch besser was ich vorab schon versucht habe zu beschreiben.
			
							
			
									
						Vielleicht sind wir nicht günstiger als ein Discounter oder reiner Online-Kartonschieber, aber sicherlich besser ! 
Normkonforme Beratung und Bau sind bei uns selbstverständlich.
Sat-Shop Heilbronn Kunden können sich auch nach dem Kauf auf unseren besten Service verlassen
Hier im Forum wird kein After-Sales-Support für Fremdkäufe geleistet !! Wenden Sie sich dazu an ihren Verkäufer ......
Tristan Uhde / Satanlagen Onlineshop / SAT-Shop Heilbronn
https://www.satshop-heilbronn.de (SSL) / SAT-Onlineforum https://www.satanlagenforum.de (SSL)
Tel ------ (Fragen gehören ins Forum ! Den nur hier können sie richtig bearbeitet werden, auch was hier noch nicht von A-Z genau schon erklärt/behandelt ist ) .. Dieser Hinweis weil täglich dutzende Fragen per Email oder per PM über das Forum rein kommen die noch dazu inhaltlich nicht das intus haben das man etwas dazu sagen könnte.
Wichtiger Hinweis: Zuständigkeiten verantwortliche Elektrofachkraft (VEFK) und Blitzschutzfachkräfte
Informieren Sie sich dort über Folgen und Auswirkungen von Eigenleistung und lassen Sie selbst durchgeführte Installationen von entsprechender Stelle prüfen und abnehmen. Dafür sind VOR ORT spezielle und qualifizierte Blitzschutz-Fachkräfte notwendig, Ferndiagnosen für Blitzschutz/Erdung können hier NICHT durchgeführt werden ("wie kann ICH das machen ..." oder ähnlich bringt da nichts).
Diese Signatur wächst von Woche zu Woche und enthält immer mehr grundlegende Inhalte die bitte berücksichtigt werden sollten bei bzw. VOR Anfragen !
100% beantwortet werden können nur Anfragen die auch alle relevanten Teile beinhalten die man benötigt für eine Antwort (genaue Beschreibungen/ Angabe von Herstellern/Typen für vorhandenes Material etc.). Bitte vermeiden Sie Aussagen wie "habe viel gelesen, aber versteht das nicht ..." ohne Nennung von dem was Sie gelesen haben und was genau unklar war an den Erklärungen die hier gelesen wurden - den nur dann kann man auch darauf eingehen was event. unklar ist/war.
Bitte unbedingt vor einem Post lesen => Boardregeln / Datenschutz
Wir erteilen hier keine Rechtsberatung, unsere Hinweise sind nach bestem Wissen und bedürfen einer entsprechenden juristischen/technischen weiteren Beratung.
			
						Normkonforme Beratung und Bau sind bei uns selbstverständlich.
Sat-Shop Heilbronn Kunden können sich auch nach dem Kauf auf unseren besten Service verlassen
Hier im Forum wird kein After-Sales-Support für Fremdkäufe geleistet !! Wenden Sie sich dazu an ihren Verkäufer ......
Tristan Uhde / Satanlagen Onlineshop / SAT-Shop Heilbronn
https://www.satshop-heilbronn.de (SSL) / SAT-Onlineforum https://www.satanlagenforum.de (SSL)
Tel ------ (Fragen gehören ins Forum ! Den nur hier können sie richtig bearbeitet werden, auch was hier noch nicht von A-Z genau schon erklärt/behandelt ist ) .. Dieser Hinweis weil täglich dutzende Fragen per Email oder per PM über das Forum rein kommen die noch dazu inhaltlich nicht das intus haben das man etwas dazu sagen könnte.
Wichtiger Hinweis: Zuständigkeiten verantwortliche Elektrofachkraft (VEFK) und Blitzschutzfachkräfte
Informieren Sie sich dort über Folgen und Auswirkungen von Eigenleistung und lassen Sie selbst durchgeführte Installationen von entsprechender Stelle prüfen und abnehmen. Dafür sind VOR ORT spezielle und qualifizierte Blitzschutz-Fachkräfte notwendig, Ferndiagnosen für Blitzschutz/Erdung können hier NICHT durchgeführt werden ("wie kann ICH das machen ..." oder ähnlich bringt da nichts).
Diese Signatur wächst von Woche zu Woche und enthält immer mehr grundlegende Inhalte die bitte berücksichtigt werden sollten bei bzw. VOR Anfragen !
100% beantwortet werden können nur Anfragen die auch alle relevanten Teile beinhalten die man benötigt für eine Antwort (genaue Beschreibungen/ Angabe von Herstellern/Typen für vorhandenes Material etc.). Bitte vermeiden Sie Aussagen wie "habe viel gelesen, aber versteht das nicht ..." ohne Nennung von dem was Sie gelesen haben und was genau unklar war an den Erklärungen die hier gelesen wurden - den nur dann kann man auch darauf eingehen was event. unklar ist/war.
Bitte unbedingt vor einem Post lesen => Boardregeln / Datenschutz
Wir erteilen hier keine Rechtsberatung, unsere Hinweise sind nach bestem Wissen und bedürfen einer entsprechenden juristischen/technischen weiteren Beratung.
Re: Umrüstung Kabel auf Sat im Altbau
Hallo und Danke für ihre ausführliche Rückmeldung. Ich habe die letzten Tage erstmal weitestgehend die verlinkten Beiträge durchgearbeitet und versucht mich noch etwas weiter in das Thema einzuarbeiten.
DVB-T ist hier (in Thüringen) mit der Senderauswahl nicht wirklich eine (Fallback-) Alternative. Da gibts (für den Notfall) bei Zattoo im Internet mehr ...
- LNB - sind hier irgendwelche besonderen Anforderungen zu beachten ?
Wir haben uns von einer lokalen Firma mal eine Kostenvoranschlag rechnen lassen. Dort wird uns ein Alps-LNB vorgeschlagen. Alps scheint laut Recherche generell keine ganz schlechte Wahl zu sein. Der genaue Typ wurde nicht genannt, allerdings scheint mir der Einzelpreis von rund 80€ etwas hoch - im Internet finde ich Preise zu einem Drittel davon.
Neben der TechniSat-Schüssel (ok) sind auch TechniRouter aufgeführt. Laut Google ist dort aber vermutlich noch der alte ST-Chipsatz und nicht der neuere Entropic verbaut - und somit nicht so ideal ?
Als Sat-Kabel wurde nur 120db Kabel beschrieben. Wir sollen uns hier vermutlich nicht durch den hohen Abschirmungswert blenden lassen und besser darauf achten, daß es wenigstens ein Vollkupfer-Kabel ist ?
Zum Zeitpunkt des Angebots sind wir noch von einer tieferen Montage der Schüssel an der Süd-Strassenseite ausgegangen. Daher ist im KVA kein Blitzschutz enthalten - leider aber auch weder Erdungsblöcke noch Potentialausgleich. Müssen wir dann nochmal (inkl. Dachmontage) überarbeiten lassen.
- Blitzschutz & PA - Bei der aktuell angedachten Dachmontage ist (unsererseits) geplant sämtliche Kabel außen am Haus (Hofseite) herunter und erst unten in den Keller zu führen. Gibt es genauere Vorschriften darüber, welche Abstände in unserem Fall die Sat-, PA- und Blitzschutzkabel haben müssen ? Ich habe irgendwo gelesen, daß das Blitzschutzkabel einen "gewissen" Abstand zu dem Rest haben soll. Aber können die z.Bsp. direkt nebeneinander (ggf. jeweils in einem kleinen Kabelkanal o.ä.) geführt werden ?
			
			
									
						Ich werde versuchen in den nächsten Tagen nochmal die genauen Kabelwege samt Verteiler in Erfahrung zu bringen. Da werde ich mal schauen, ob ich noch Typenbezeichnungen auf den Leitungen finde, und dann berichten. Habe auch gerade eine (Netzwelt) Excel-Datei zur Pegelberechnung gefunden ...techno-com hat geschrieben:Alte Kabel sind oft besser als neue Kabel (z.B. sind diese eigentlich immer aus Voll-Kupfer (also kein CCS-Kabel, Stahl-Kupfer). Steht auf dem alten Kabel etwas drauf (Hersteller + Typ) und ganz wichtig wären natürlich auch die einzelnen Kabelwege.
Davon habe ich auch gehört - aber für mich klang das bisher noch nicht wirklich endgültig. 20 Euro für eine UKW-Antenne + extra Kabel & ggf. Verstärker fallen bei dem Gesamtprojekt dann aber auch nicht mehr ins Gewicht. Und wenn man dann schon mal dabei ist, ggf. auch gleich den Nachfolger DAB/+.techno-com hat geschrieben:UKW... hm, da redet man gerade von einer Abschaltung, siehe unter UKW-Abschaltung soll 2018 klappen ! Das sind also "nur noch" 5 Jahre. DVB-T wäre ein Backup ...
DVB-T ist hier (in Thüringen) mit der Senderauswahl nicht wirklich eine (Fallback-) Alternative. Da gibts (für den Notfall) bei Zattoo im Internet mehr ...

Die Idee war eigentlich, die Schüssel zwar hinter dem Haus, aber auf Höhe des 3.OG (neben einem Fenster) anzubringen, so daß die Sicht zum Satelliten gegeben ist. Viel tiefer geht das bei der Gebäudehöhe natürlich nicht. Inzwischen sind wir der Meinung, daß sie vermutlich doch auf dem Dach am besten aufgehoben ist.techno-com hat geschrieben:Wenn die Antenne "hinter" dem Haus installiert werden soll dann geht das nicht, da ist keine freie Sicht zum Satelliten !
...
Da wird aber eh diese Anlage dann auf dem Dach aufstellen müssten bleibt nur der Weg über die volle Erdung.
- Alu-Schüssel - Gibt es eigentlich irgendwelche Unterschiede (Vorteile/Nachteile) gegenüber einer Stahl-Schüssel ?techno-com hat geschrieben:Außer dem was oben steht fehlt natürlich noch:
Antenne - Triax TD88cm Alu
LNB - Inverto Black Premium Quattro LNB
Koaxkabel (da reicht das Standard 2-fach abgeschirmte Voll-Kupfer Koaxkabel aus)
F-Stecker (empfehle F-SelfInstall Stecker)
Verteiler
Dosen
- LNB - sind hier irgendwelche besonderen Anforderungen zu beachten ?
Wir haben uns von einer lokalen Firma mal eine Kostenvoranschlag rechnen lassen. Dort wird uns ein Alps-LNB vorgeschlagen. Alps scheint laut Recherche generell keine ganz schlechte Wahl zu sein. Der genaue Typ wurde nicht genannt, allerdings scheint mir der Einzelpreis von rund 80€ etwas hoch - im Internet finde ich Preise zu einem Drittel davon.
Neben der TechniSat-Schüssel (ok) sind auch TechniRouter aufgeführt. Laut Google ist dort aber vermutlich noch der alte ST-Chipsatz und nicht der neuere Entropic verbaut - und somit nicht so ideal ?
Als Sat-Kabel wurde nur 120db Kabel beschrieben. Wir sollen uns hier vermutlich nicht durch den hohen Abschirmungswert blenden lassen und besser darauf achten, daß es wenigstens ein Vollkupfer-Kabel ist ?
Zum Zeitpunkt des Angebots sind wir noch von einer tieferen Montage der Schüssel an der Süd-Strassenseite ausgegangen. Daher ist im KVA kein Blitzschutz enthalten - leider aber auch weder Erdungsblöcke noch Potentialausgleich. Müssen wir dann nochmal (inkl. Dachmontage) überarbeiten lassen.
- Blitzschutz & PA - Bei der aktuell angedachten Dachmontage ist (unsererseits) geplant sämtliche Kabel außen am Haus (Hofseite) herunter und erst unten in den Keller zu führen. Gibt es genauere Vorschriften darüber, welche Abstände in unserem Fall die Sat-, PA- und Blitzschutzkabel haben müssen ? Ich habe irgendwo gelesen, daß das Blitzschutzkabel einen "gewissen" Abstand zu dem Rest haben soll. Aber können die z.Bsp. direkt nebeneinander (ggf. jeweils in einem kleinen Kabelkanal o.ä.) geführt werden ?
- techno-com
- Site Admin
- Beiträge: 22432
- Registriert: 17. November 2005 09:32
- Wohnort: 74076 Heilbronn
- Hat sich bedankt: 504 Mal
- Danksagung erhalten: 574 Mal
- Kontaktdaten:
Re: Umrüstung Kabel auf Sat im Altbau
Ja, das kenne ich auchmyoo hat geschrieben:Habe auch gerade eine (Netzwelt) Excel-Datei zur Pegelberechnung gefunden ...
 
 Dafür sind aber wirklich sehr viele Daten notwendig, also z.B. max. Ausgangspegel der Unicable-Schalter, Kabellängen, Kabeldämpfung, Dosendämpfung .....
Stahl rostet, Alu nicht.myoo hat geschrieben:- Alu-Schüssel - Gibt es eigentlich irgendwelche Unterschiede (Vorteile/Nachteile) gegenüber einer Stahl-Schüssel ?
Nein, ein Quattro-LNB ist immer gleich. Auf jeden Fall nimmt man eines von einem Qualitätshersteller, und dabei verwende ich immer das Inverto Black Premium Quattro-LNB.myoo hat geschrieben:- LNB - sind hier irgendwelche besonderen Anforderungen zu beachten ?
1. Das Alps-Quattro-LNB kostet bei uns 22.90€ (es gibt von Alps nur ein Quattro-LNB)myoo hat geschrieben:Wir haben uns von einer lokalen Firma mal eine Kostenvoranschlag rechnen lassen. Dort wird uns ein Alps-LNB vorgeschlagen. Alps scheint laut Recherche generell keine ganz schlechte Wahl zu sein. Der genaue Typ wurde nicht genannt, allerdings scheint mir der Einzelpreis von rund 80€ etwas hoch - im Internet finde ich Preise zu einem Drittel davon.
Neben der TechniSat-Schüssel (ok) sind auch TechniRouter aufgeführt. Laut Google ist dort aber vermutlich noch der alte ST-Chipsatz und nicht der neuere Entropic verbaut - und somit nicht so ideal ?
Als Sat-Kabel wurde nur 120db Kabel beschrieben. Wir sollen uns hier vermutlich nicht durch den hohen Abschirmungswert blenden lassen und besser darauf achten, daß es wenigstens ein Vollkupfer-Kabel ist ?
Zum Zeitpunkt des Angebots sind wir noch von einer tieferen Montage der Schüssel an der Süd-Strassenseite ausgegangen. Daher ist im KVA kein Blitzschutz enthalten - leider aber auch weder Erdungsblöcke noch Potentialausgleich. Müssen wir dann nochmal (inkl. Dachmontage) überarbeiten lassen.
2. ST-Chipsatz/Entropic-Chipsatz => siehe z.B. Punkt Nr. 13 unter Umrüstung Mehrfamilienhaus Kabel -> SAT
3. 120db Koaxialkabel ist wahrscheinlich eines aus der "Werbelüge".... beachten sie hierzu unseren Hinweis von unserer LNB-Shopseite:
4. egal wo die Antenne bisher für die Montage geplant war ist der "innere Blitzschutz" (Potentialausgleich) schon immer eine Vorschrift bei ihren Vorgaben einer wohnungsübergreifenden Installation durchgeführt wird/werden soll (siehe unter Erdung Satellitenanlage / Antennenmast + Potentialausgleich )ACHTUNG !
Es gibt in den Beschreibungen von LNB´s Teile die für Werbezwecke herangezogen werden.
So z.B. sagte ein "Rauschmass" ABSOLUT nichts über die LNB-Qualität aus, Angaben wie 0.1db dafür sind technisch bei unseren Umgebungstemperaturen gar nicht möglich und wenn diese so von einem Hersteller angegeben werden ggf. nur möglich weil die Messung dafür in einer künstlichen Laborumgebung bei -20 Grad durchgeführt wurde (leider gibt es keine einheitliche Regelung wie diese Messung durchgeführt werden muss).
"HDTV kompatibel", "3D kompatibel" oder auch "Sky tauglich" (hier haben schon viele Kunden gefragt ob das LNB die Sky-Sender frei schaltet !) sind die lustigsten Bewerbungen in Artikelbeschreibungen, das können ganz einfach ALLE LNBs und ist daher keine "Besonderheit" !
Ein "vergoldeter" Anschluss an den LNB-Ausgängen ist auch unnötig, alleine die Schicht der Vergoldung hier ist schon so dünn das sie überhaupt nichts bringt.
Bei einem LNB ist es vielmehr nur wichtig das es qualitativ hochwertig ist, so z.B. wie wetterfest es ist und z.B. technische Werte wie der Stromverbrauch oder wie die Kreuzentkopplung. Fragen sie uns wenn sie sich unsicher sind !
.... und geben sie nichts auf "Tests", diese sind oft das Papier nicht wert worauf die gedruckt sind !
Innerer Blitzschutz (Potentialausgleich / Potenzialausgleich)
(nur vorgeschrieben/durchzuführen wenn die Antenne im nicht "Blitz geschützten Bereich" (ungesicherter Blitzschutzbereich) montiert wurde, sie also dem Blitzschutz unterzogen werden muss. Weiterhin auch dann vorgeschrieben wenn eine wohnungsübergreifende bzw. hausübergreifende Installation durchgeführt wurde, also mehr als eine Wohnpartei daran angeschlossen ist.
....................
Ja, das ist ein sehr leidiger Teil der Vorschriften. Der Abstand vom Erdungskabel zu den Koaxkabeln ist in Abhängigkeit von der gesamten Leitungslänge. In der Regel ist das 1.5 - 2.5m.myoo hat geschrieben:- Blitzschutz & PA - Bei der aktuell angedachten Dachmontage ist (unsererseits) geplant sämtliche Kabel außen am Haus (Hofseite) herunter und erst unten in den Keller zu führen. Gibt es genauere Vorschriften darüber, welche Abstände in unserem Fall die Sat-, PA- und Blitzschutzkabel haben müssen ? Ich habe irgendwo gelesen, daß das Blitzschutzkabel einen "gewissen" Abstand zu dem Rest haben soll. Aber können die z.Bsp. direkt nebeneinander (ggf. jeweils in einem kleinen Kabelkanal o.ä.) geführt werden ?
Vielleicht sind wir nicht günstiger als ein Discounter oder reiner Online-Kartonschieber, aber sicherlich besser ! 
Normkonforme Beratung und Bau sind bei uns selbstverständlich.
Sat-Shop Heilbronn Kunden können sich auch nach dem Kauf auf unseren besten Service verlassen
Hier im Forum wird kein After-Sales-Support für Fremdkäufe geleistet !! Wenden Sie sich dazu an ihren Verkäufer ......
Tristan Uhde / Satanlagen Onlineshop / SAT-Shop Heilbronn
https://www.satshop-heilbronn.de (SSL) / SAT-Onlineforum https://www.satanlagenforum.de (SSL)
Tel ------ (Fragen gehören ins Forum ! Den nur hier können sie richtig bearbeitet werden, auch was hier noch nicht von A-Z genau schon erklärt/behandelt ist ) .. Dieser Hinweis weil täglich dutzende Fragen per Email oder per PM über das Forum rein kommen die noch dazu inhaltlich nicht das intus haben das man etwas dazu sagen könnte.
Wichtiger Hinweis: Zuständigkeiten verantwortliche Elektrofachkraft (VEFK) und Blitzschutzfachkräfte
Informieren Sie sich dort über Folgen und Auswirkungen von Eigenleistung und lassen Sie selbst durchgeführte Installationen von entsprechender Stelle prüfen und abnehmen. Dafür sind VOR ORT spezielle und qualifizierte Blitzschutz-Fachkräfte notwendig, Ferndiagnosen für Blitzschutz/Erdung können hier NICHT durchgeführt werden ("wie kann ICH das machen ..." oder ähnlich bringt da nichts).
Diese Signatur wächst von Woche zu Woche und enthält immer mehr grundlegende Inhalte die bitte berücksichtigt werden sollten bei bzw. VOR Anfragen !
100% beantwortet werden können nur Anfragen die auch alle relevanten Teile beinhalten die man benötigt für eine Antwort (genaue Beschreibungen/ Angabe von Herstellern/Typen für vorhandenes Material etc.). Bitte vermeiden Sie Aussagen wie "habe viel gelesen, aber versteht das nicht ..." ohne Nennung von dem was Sie gelesen haben und was genau unklar war an den Erklärungen die hier gelesen wurden - den nur dann kann man auch darauf eingehen was event. unklar ist/war.
Bitte unbedingt vor einem Post lesen => Boardregeln / Datenschutz
Wir erteilen hier keine Rechtsberatung, unsere Hinweise sind nach bestem Wissen und bedürfen einer entsprechenden juristischen/technischen weiteren Beratung.
			
						Normkonforme Beratung und Bau sind bei uns selbstverständlich.
Sat-Shop Heilbronn Kunden können sich auch nach dem Kauf auf unseren besten Service verlassen
Hier im Forum wird kein After-Sales-Support für Fremdkäufe geleistet !! Wenden Sie sich dazu an ihren Verkäufer ......
Tristan Uhde / Satanlagen Onlineshop / SAT-Shop Heilbronn
https://www.satshop-heilbronn.de (SSL) / SAT-Onlineforum https://www.satanlagenforum.de (SSL)
Tel ------ (Fragen gehören ins Forum ! Den nur hier können sie richtig bearbeitet werden, auch was hier noch nicht von A-Z genau schon erklärt/behandelt ist ) .. Dieser Hinweis weil täglich dutzende Fragen per Email oder per PM über das Forum rein kommen die noch dazu inhaltlich nicht das intus haben das man etwas dazu sagen könnte.
Wichtiger Hinweis: Zuständigkeiten verantwortliche Elektrofachkraft (VEFK) und Blitzschutzfachkräfte
Informieren Sie sich dort über Folgen und Auswirkungen von Eigenleistung und lassen Sie selbst durchgeführte Installationen von entsprechender Stelle prüfen und abnehmen. Dafür sind VOR ORT spezielle und qualifizierte Blitzschutz-Fachkräfte notwendig, Ferndiagnosen für Blitzschutz/Erdung können hier NICHT durchgeführt werden ("wie kann ICH das machen ..." oder ähnlich bringt da nichts).
Diese Signatur wächst von Woche zu Woche und enthält immer mehr grundlegende Inhalte die bitte berücksichtigt werden sollten bei bzw. VOR Anfragen !
100% beantwortet werden können nur Anfragen die auch alle relevanten Teile beinhalten die man benötigt für eine Antwort (genaue Beschreibungen/ Angabe von Herstellern/Typen für vorhandenes Material etc.). Bitte vermeiden Sie Aussagen wie "habe viel gelesen, aber versteht das nicht ..." ohne Nennung von dem was Sie gelesen haben und was genau unklar war an den Erklärungen die hier gelesen wurden - den nur dann kann man auch darauf eingehen was event. unklar ist/war.
Bitte unbedingt vor einem Post lesen => Boardregeln / Datenschutz
Wir erteilen hier keine Rechtsberatung, unsere Hinweise sind nach bestem Wissen und bedürfen einer entsprechenden juristischen/technischen weiteren Beratung.
Re: Umrüstung Kabel auf Sat im Altbau
Doch gleich soo viel ... ?techno-com hat geschrieben:Ja, das ist ein sehr leidiger Teil der Vorschriften. Der Abstand vom Erdungskabel zu den Koaxkabeln ist in Abhängigkeit von der gesamten Leitungslänge. In der Regel ist das 1.5 - 2.5m.
 
 Dann kann (sollte) man die vermutlich auch unten nicht durch einen gemeinsamen Wanddurchbruch wieder in den Keller führen ?
 
 Sollten dann PA und Blitzschutz, oder PA und Sat-Kabel gemeinsam nach unten geführt werden ?
Btw. Wenn das Blitzschutzkabel oben am Spiegel direkt am Mast verbunden wird, beträgt der Abstand zum Antennenkabel doch aber auch nur ein paar cm, wenn das (für gewöhnlich) am Feedarm auch direkt bis zum Mast (mit dem PA & Blitzschutzkabel) geführt wird ?
- techno-com
- Site Admin
- Beiträge: 22432
- Registriert: 17. November 2005 09:32
- Wohnort: 74076 Heilbronn
- Hat sich bedankt: 504 Mal
- Danksagung erhalten: 574 Mal
- Kontaktdaten:
Re: Umrüstung Kabel auf Sat im Altbau
Das ist ja jetzt auch nur ein Richtwert, wenn man das genau ausrechnen will bräuchte man den ganz genauen Kabelweg für das Koaxkabel + Erdungskabel.... i.d.R. sind es aber diese 1.5-2.5 Meter.myoo hat geschrieben:Doch gleich soo viel ... ?
Muss man dann natürlich.myoo hat geschrieben:Dann kann (sollte) man die vermutlich auch unten nicht durch einen gemeinsamen Wanddurchbruch wieder in den Keller führen ?
PA + Koaxkabelmyoo hat geschrieben:Sollten dann PA und Blitzschutz, oder PA und Sat-Kabel gemeinsam nach unten geführt werden ?
Das ist ja wieder mal das Irre an der Sache ! Eigentlich eine Sache die genau durch das von ihnen geschriebene in einem grassen Widerspruch steht das der Trennungsabstand gar nicht einzuhalten ist .... und wenn man das mit der DIN-Forumulierung jetzt noch super genau auslegt (was man ja eigentlich auch muss) dann dürfte das Erdungskabel auch keine Stromkabel in der Wand kreuzen/queren in einem Abstand von weniger als dem "Trennungsabstand" (und dann wird es ganz unmöglich).myoo hat geschrieben:Btw. Wenn das Blitzschutzkabel oben am Spiegel direkt am Mast verbunden wird, beträgt der Abstand zum Antennenkabel doch aber auch nur ein paar cm, wenn das (für gewöhnlich) am Feedarm auch direkt bis zum Mast (mit dem PA & Blitzschutzkabel) geführt wird ?
Vielleicht sind wir nicht günstiger als ein Discounter oder reiner Online-Kartonschieber, aber sicherlich besser ! 
Normkonforme Beratung und Bau sind bei uns selbstverständlich.
Sat-Shop Heilbronn Kunden können sich auch nach dem Kauf auf unseren besten Service verlassen
Hier im Forum wird kein After-Sales-Support für Fremdkäufe geleistet !! Wenden Sie sich dazu an ihren Verkäufer ......
Tristan Uhde / Satanlagen Onlineshop / SAT-Shop Heilbronn
https://www.satshop-heilbronn.de (SSL) / SAT-Onlineforum https://www.satanlagenforum.de (SSL)
Tel ------ (Fragen gehören ins Forum ! Den nur hier können sie richtig bearbeitet werden, auch was hier noch nicht von A-Z genau schon erklärt/behandelt ist ) .. Dieser Hinweis weil täglich dutzende Fragen per Email oder per PM über das Forum rein kommen die noch dazu inhaltlich nicht das intus haben das man etwas dazu sagen könnte.
Wichtiger Hinweis: Zuständigkeiten verantwortliche Elektrofachkraft (VEFK) und Blitzschutzfachkräfte
Informieren Sie sich dort über Folgen und Auswirkungen von Eigenleistung und lassen Sie selbst durchgeführte Installationen von entsprechender Stelle prüfen und abnehmen. Dafür sind VOR ORT spezielle und qualifizierte Blitzschutz-Fachkräfte notwendig, Ferndiagnosen für Blitzschutz/Erdung können hier NICHT durchgeführt werden ("wie kann ICH das machen ..." oder ähnlich bringt da nichts).
Diese Signatur wächst von Woche zu Woche und enthält immer mehr grundlegende Inhalte die bitte berücksichtigt werden sollten bei bzw. VOR Anfragen !
100% beantwortet werden können nur Anfragen die auch alle relevanten Teile beinhalten die man benötigt für eine Antwort (genaue Beschreibungen/ Angabe von Herstellern/Typen für vorhandenes Material etc.). Bitte vermeiden Sie Aussagen wie "habe viel gelesen, aber versteht das nicht ..." ohne Nennung von dem was Sie gelesen haben und was genau unklar war an den Erklärungen die hier gelesen wurden - den nur dann kann man auch darauf eingehen was event. unklar ist/war.
Bitte unbedingt vor einem Post lesen => Boardregeln / Datenschutz
Wir erteilen hier keine Rechtsberatung, unsere Hinweise sind nach bestem Wissen und bedürfen einer entsprechenden juristischen/technischen weiteren Beratung.
			
						Normkonforme Beratung und Bau sind bei uns selbstverständlich.
Sat-Shop Heilbronn Kunden können sich auch nach dem Kauf auf unseren besten Service verlassen
Hier im Forum wird kein After-Sales-Support für Fremdkäufe geleistet !! Wenden Sie sich dazu an ihren Verkäufer ......
Tristan Uhde / Satanlagen Onlineshop / SAT-Shop Heilbronn
https://www.satshop-heilbronn.de (SSL) / SAT-Onlineforum https://www.satanlagenforum.de (SSL)
Tel ------ (Fragen gehören ins Forum ! Den nur hier können sie richtig bearbeitet werden, auch was hier noch nicht von A-Z genau schon erklärt/behandelt ist ) .. Dieser Hinweis weil täglich dutzende Fragen per Email oder per PM über das Forum rein kommen die noch dazu inhaltlich nicht das intus haben das man etwas dazu sagen könnte.
Wichtiger Hinweis: Zuständigkeiten verantwortliche Elektrofachkraft (VEFK) und Blitzschutzfachkräfte
Informieren Sie sich dort über Folgen und Auswirkungen von Eigenleistung und lassen Sie selbst durchgeführte Installationen von entsprechender Stelle prüfen und abnehmen. Dafür sind VOR ORT spezielle und qualifizierte Blitzschutz-Fachkräfte notwendig, Ferndiagnosen für Blitzschutz/Erdung können hier NICHT durchgeführt werden ("wie kann ICH das machen ..." oder ähnlich bringt da nichts).
Diese Signatur wächst von Woche zu Woche und enthält immer mehr grundlegende Inhalte die bitte berücksichtigt werden sollten bei bzw. VOR Anfragen !
100% beantwortet werden können nur Anfragen die auch alle relevanten Teile beinhalten die man benötigt für eine Antwort (genaue Beschreibungen/ Angabe von Herstellern/Typen für vorhandenes Material etc.). Bitte vermeiden Sie Aussagen wie "habe viel gelesen, aber versteht das nicht ..." ohne Nennung von dem was Sie gelesen haben und was genau unklar war an den Erklärungen die hier gelesen wurden - den nur dann kann man auch darauf eingehen was event. unklar ist/war.
Bitte unbedingt vor einem Post lesen => Boardregeln / Datenschutz
Wir erteilen hier keine Rechtsberatung, unsere Hinweise sind nach bestem Wissen und bedürfen einer entsprechenden juristischen/technischen weiteren Beratung.
Re: Umrüstung Kabel auf Sat im Altbau
Kleiner Zwischenstand - viel Kraut und Rüben ...
Inzwischen haben wir ein paar genauere Informationen zum bestehenden Kabel-Altbestand. Viele Leitungswege sind (historisch gewachsen) nicht so optimal - das läßt sich (im Keller zumindest) teilweise bei der Umrüstung korrigieren. Wir sind derzeit noch dabei die genauen Kabelwege im OG3 heraus zu bekommen. Es gibt leider auch nur sehr wenige beschriftete Koax-Kabel. Da kann man dann wohl zur Berechnung (Schätzung) der Dämpfung der restlichen (schwarzen) Leitungen wohl nur einen Mittelwert annehmen. Wie sich herausstellte haben wir viel mehr direkte Verbindungen als ursprünglich angenommen. Man könnte diese dann zwar teilweise auch am Legacy betreiben, aber dann würden wir uns die Möglichkeit verbauen, später ggf. doch noch mal in dem einen oder anderen Appartement einen Twin-Receiver anschliessen zu können. Daher nach wie vor der Plan, alle Appartements hinter dem CSS-Port wieder auf Verteiler zu patchen. Als Sat-Dosen haben wir uns (wegen dem flexibleren Management) die nicht programmierbaren JAD's vorgestellt. Wenn ich das in einem anderen Beitrag richtig gelesen habe, dann sollten die Verteiler zwar DC-fähig, aber nicht diodenentkoppelt sein, da bereits die JAD-Dosen diodenentkoppelt sind und die Diodenentkopplung nur einmal pro Strang (idealerweise am Ende) gemacht werden sollte ?
Alle offenen Ein- und Ausgänge sollten terminiert werden (DC-entkoppelt ?) - dazu zählen dann auch ggf. nicht verwendete Ausgänge an Verteilern als auch direkt am Multischalter (Legacy-Port) ?
Da die gesamte Umrüstung der Dosen wohl ein paar Tage dauern wird (immer mal ein Stückchen nach Feierabend) und die Installation des Sat-Spiegels ggf. auch noch ein wenig auf sich warten läßt, soll das (dann noch) vorhandene Kabel-Signal (direkt nach dem Verstärker) über den CATV Eingang mit eingespeist werden. Soweit ich das verstanden habe, sollte sich dann das Kabelsignal in einem schon auf neue 3-Loch-Dose umgerüsteten und auf Mulitschalter gepatchten Appartement über die IEC-Buchse wieder ganz normal empfangen lassen ?
			
			
									
						Inzwischen haben wir ein paar genauere Informationen zum bestehenden Kabel-Altbestand. Viele Leitungswege sind (historisch gewachsen) nicht so optimal - das läßt sich (im Keller zumindest) teilweise bei der Umrüstung korrigieren. Wir sind derzeit noch dabei die genauen Kabelwege im OG3 heraus zu bekommen. Es gibt leider auch nur sehr wenige beschriftete Koax-Kabel. Da kann man dann wohl zur Berechnung (Schätzung) der Dämpfung der restlichen (schwarzen) Leitungen wohl nur einen Mittelwert annehmen. Wie sich herausstellte haben wir viel mehr direkte Verbindungen als ursprünglich angenommen. Man könnte diese dann zwar teilweise auch am Legacy betreiben, aber dann würden wir uns die Möglichkeit verbauen, später ggf. doch noch mal in dem einen oder anderen Appartement einen Twin-Receiver anschliessen zu können. Daher nach wie vor der Plan, alle Appartements hinter dem CSS-Port wieder auf Verteiler zu patchen. Als Sat-Dosen haben wir uns (wegen dem flexibleren Management) die nicht programmierbaren JAD's vorgestellt. Wenn ich das in einem anderen Beitrag richtig gelesen habe, dann sollten die Verteiler zwar DC-fähig, aber nicht diodenentkoppelt sein, da bereits die JAD-Dosen diodenentkoppelt sind und die Diodenentkopplung nur einmal pro Strang (idealerweise am Ende) gemacht werden sollte ?
Alle offenen Ein- und Ausgänge sollten terminiert werden (DC-entkoppelt ?) - dazu zählen dann auch ggf. nicht verwendete Ausgänge an Verteilern als auch direkt am Multischalter (Legacy-Port) ?
Da die gesamte Umrüstung der Dosen wohl ein paar Tage dauern wird (immer mal ein Stückchen nach Feierabend) und die Installation des Sat-Spiegels ggf. auch noch ein wenig auf sich warten läßt, soll das (dann noch) vorhandene Kabel-Signal (direkt nach dem Verstärker) über den CATV Eingang mit eingespeist werden. Soweit ich das verstanden habe, sollte sich dann das Kabelsignal in einem schon auf neue 3-Loch-Dose umgerüsteten und auf Mulitschalter gepatchten Appartement über die IEC-Buchse wieder ganz normal empfangen lassen ?
Warum wird bei unserem Vorhaben eigentlich auch ein Netzteil benötigt ? Es wird ja nicht (wie oben) mit anderen Multischaltern gemischt und im Manual steht "Die Einkabelumsetzer bis 8 Umsetzungen sind komplett receivergespeist, d.h. zum Betrieb ist kein Netzteil erforderlich." ?Das wären dann 2x Jultec JPS0501-8A + 1x Jultec JPS0501-8TN ..... kaskadiert hintereinander geschalten. Hatten wir gerade in einem anderen Beitrag z.B. unter Bestehende SAT-Anlage um Unicable erweitern wo das erklärt wird.myoo hat geschrieben:- Multischalter/Kaskaden sollten (möglichst) stromsparend Receiver-Powered sein (VDU 518 o.ä.)
- techno-com
- Site Admin
- Beiträge: 22432
- Registriert: 17. November 2005 09:32
- Wohnort: 74076 Heilbronn
- Hat sich bedankt: 504 Mal
- Danksagung erhalten: 574 Mal
- Kontaktdaten:
Re: Umrüstung Kabel auf Sat im Altbau
Gleich zu Anfang .... ich kann aus der Skizze sehr wenig raus lesen, z.B. aus dem Grund das div. WE mehrfach darin vorkommen (unten + oben) und einmal dort nur ein Kabel eingezeichnet ist das auch dort endet und einmal ein Kabel kommt und dort dann weiter geht in die nächste WE. Leitungslängen kann ich darin auch nicht ausfindig machen..... aber das ist ja akt. auch sekundär, die Grundtechnik haben sie ja absolut verstanden und wissen wie man die Unicable-Verteilung aufbaut (wie man also verschiedene WE zusammenfassen kann über je einen Schalter bzw. auch wie man Legacy mit ins Spiel bringen kann/könnte).myoo hat geschrieben:Kleiner Zwischenstand - viel Kraut und Rüben ...
Ja, das ist sicherlich für die Zukunft am sichersten ... man kann aber z.B. in den sehr kleinen WE auch gerne über Legacy versorgen und macht die dortigen Mieter/Inhaber dann nicht abhängig von einem unicable-tauglichen Receiver !? Entscheidung die frei bleibt, sie wissen aber ja da genau wie die Technik ist wenn man das so liest (aber vorsichtig .... Unicable- und Legay-Versorgung sind andere Dosen die zum Einsatz kommen müssten ! Unicable-Enddose = Jultec JAD307TRS/JAP307TRS --- Legacy-Stichdose = Jultec JAD300TRS).myoo hat geschrieben:Wie sich herausstellte haben wir viel mehr direkte Verbindungen als ursprünglich angenommen. Man könnte diese dann zwar teilweise auch am Legacy betreiben, aber dann würden wir uns die Möglichkeit verbauen, später ggf. doch noch mal in dem einen oder anderen Appartement einen Twin-Receiver anschliessen zu können. Daher nach wie vor der Plan, alle Appartements hinter dem CSS-Port wieder auf Verteiler zu patchen.
Flexibleres Management ? Was soll das sein ?myoo hat geschrieben:Als Sat-Dosen haben wir uns (wegen dem flexibleren Management) die nicht programmierbaren JAD's vorgestellt.
JAD = keine wohnungsübergreifende Schutzschaltung und Möglichkeit das UserA dem UserB die "Frequenz klaut" und diesen damit aussperrt/stört.
JAP = feste Zuweisung von IDs auf die Antennendosen + keine Möglichkeit der wohnungsübergreifenden Störung
Genau richtig !myoo hat geschrieben:Wenn ich das in einem anderen Beitrag richtig gelesen habe, dann sollten die Verteiler zwar DC-fähig, aber nicht diodenentkoppelt sein, da bereits die JAD-Dosen diodenentkoppelt sind und die Diodenentkopplung nur einmal pro Strang (idealerweise am Ende) gemacht werden sollte ?
 
 Genau richtig !myoo hat geschrieben:Alle offenen Ein- und Ausgänge sollten terminiert werden (DC-entkoppelt ?) - dazu zählen dann auch ggf. nicht verwendete Ausgänge an Verteilern als auch direkt am Multischalter (Legacy-Port) ?
 
 Solange das Kabelsignal auch in den Multischalter eingespeist ist und die durch den Multischalter entstehenden terrestrischen Durchgangsdämpfungen ausgeglichen sind (genug Pegel anliegt) geht das ohne Probleme.myoo hat geschrieben:... soll das (dann noch) vorhandene Kabel-Signal (direkt nach dem Verstärker) über den CATV Eingang mit eingespeist werden. Soweit ich das verstanden habe, sollte sich dann das Kabelsignal in einem schon auf neue 3-Loch-Dose umgerüsteten und auf Mulitschalter gepatchten Appartement über die IEC-Buchse wieder ganz normal empfangen lassen ?
Die Einkabelumsetzer selbst sind auch voll/komplett receivergespeist, von daher wird auch nur 1x ein Netzteil benötigt. Das eine LNB ist für die LNB-Versorgung da, und dazu steht im Manuel:myoo hat geschrieben:Warum wird bei unserem Vorhaben eigentlich auch ein Netzteil benötigt ? Es wird ja nicht (wie oben) mit anderen Multischaltern gemischt und im Manual steht "Die Einkabelumsetzer bis 8 Umsetzungen sind komplett receivergespeist, d.h. zum Betrieb ist kein Netzteil erforderlich." ?
Alle JPS-Einkabelumsetzer sind mit Buchsen zum Anschluss eines Netzteils ausgestattet, über die das LNB gespeist werden kann. Nur Geräte mit einem "R" in der Typenbezeichnung (JRS oder JRM) leiten die Speisespannung der Receiver zu den LNBs weiter.
Die Varianten "-AN" und "-TN" kennzeichnet Geräte, welche zwangsweise ein Netzteil für den Betrieb benötigen (z.B. JAL0530AN, JPS0501-12AN). Diese werden mit einem passenden Netzteil ausgeliefert.
Vielleicht sind wir nicht günstiger als ein Discounter oder reiner Online-Kartonschieber, aber sicherlich besser ! 
Normkonforme Beratung und Bau sind bei uns selbstverständlich.
Sat-Shop Heilbronn Kunden können sich auch nach dem Kauf auf unseren besten Service verlassen
Hier im Forum wird kein After-Sales-Support für Fremdkäufe geleistet !! Wenden Sie sich dazu an ihren Verkäufer ......
Tristan Uhde / Satanlagen Onlineshop / SAT-Shop Heilbronn
https://www.satshop-heilbronn.de (SSL) / SAT-Onlineforum https://www.satanlagenforum.de (SSL)
Tel ------ (Fragen gehören ins Forum ! Den nur hier können sie richtig bearbeitet werden, auch was hier noch nicht von A-Z genau schon erklärt/behandelt ist ) .. Dieser Hinweis weil täglich dutzende Fragen per Email oder per PM über das Forum rein kommen die noch dazu inhaltlich nicht das intus haben das man etwas dazu sagen könnte.
Wichtiger Hinweis: Zuständigkeiten verantwortliche Elektrofachkraft (VEFK) und Blitzschutzfachkräfte
Informieren Sie sich dort über Folgen und Auswirkungen von Eigenleistung und lassen Sie selbst durchgeführte Installationen von entsprechender Stelle prüfen und abnehmen. Dafür sind VOR ORT spezielle und qualifizierte Blitzschutz-Fachkräfte notwendig, Ferndiagnosen für Blitzschutz/Erdung können hier NICHT durchgeführt werden ("wie kann ICH das machen ..." oder ähnlich bringt da nichts).
Diese Signatur wächst von Woche zu Woche und enthält immer mehr grundlegende Inhalte die bitte berücksichtigt werden sollten bei bzw. VOR Anfragen !
100% beantwortet werden können nur Anfragen die auch alle relevanten Teile beinhalten die man benötigt für eine Antwort (genaue Beschreibungen/ Angabe von Herstellern/Typen für vorhandenes Material etc.). Bitte vermeiden Sie Aussagen wie "habe viel gelesen, aber versteht das nicht ..." ohne Nennung von dem was Sie gelesen haben und was genau unklar war an den Erklärungen die hier gelesen wurden - den nur dann kann man auch darauf eingehen was event. unklar ist/war.
Bitte unbedingt vor einem Post lesen => Boardregeln / Datenschutz
Wir erteilen hier keine Rechtsberatung, unsere Hinweise sind nach bestem Wissen und bedürfen einer entsprechenden juristischen/technischen weiteren Beratung.
			
						Normkonforme Beratung und Bau sind bei uns selbstverständlich.
Sat-Shop Heilbronn Kunden können sich auch nach dem Kauf auf unseren besten Service verlassen
Hier im Forum wird kein After-Sales-Support für Fremdkäufe geleistet !! Wenden Sie sich dazu an ihren Verkäufer ......
Tristan Uhde / Satanlagen Onlineshop / SAT-Shop Heilbronn
https://www.satshop-heilbronn.de (SSL) / SAT-Onlineforum https://www.satanlagenforum.de (SSL)
Tel ------ (Fragen gehören ins Forum ! Den nur hier können sie richtig bearbeitet werden, auch was hier noch nicht von A-Z genau schon erklärt/behandelt ist ) .. Dieser Hinweis weil täglich dutzende Fragen per Email oder per PM über das Forum rein kommen die noch dazu inhaltlich nicht das intus haben das man etwas dazu sagen könnte.
Wichtiger Hinweis: Zuständigkeiten verantwortliche Elektrofachkraft (VEFK) und Blitzschutzfachkräfte
Informieren Sie sich dort über Folgen und Auswirkungen von Eigenleistung und lassen Sie selbst durchgeführte Installationen von entsprechender Stelle prüfen und abnehmen. Dafür sind VOR ORT spezielle und qualifizierte Blitzschutz-Fachkräfte notwendig, Ferndiagnosen für Blitzschutz/Erdung können hier NICHT durchgeführt werden ("wie kann ICH das machen ..." oder ähnlich bringt da nichts).
Diese Signatur wächst von Woche zu Woche und enthält immer mehr grundlegende Inhalte die bitte berücksichtigt werden sollten bei bzw. VOR Anfragen !
100% beantwortet werden können nur Anfragen die auch alle relevanten Teile beinhalten die man benötigt für eine Antwort (genaue Beschreibungen/ Angabe von Herstellern/Typen für vorhandenes Material etc.). Bitte vermeiden Sie Aussagen wie "habe viel gelesen, aber versteht das nicht ..." ohne Nennung von dem was Sie gelesen haben und was genau unklar war an den Erklärungen die hier gelesen wurden - den nur dann kann man auch darauf eingehen was event. unklar ist/war.
Bitte unbedingt vor einem Post lesen => Boardregeln / Datenschutz
Wir erteilen hier keine Rechtsberatung, unsere Hinweise sind nach bestem Wissen und bedürfen einer entsprechenden juristischen/technischen weiteren Beratung.
Re: Umrüstung Kabel auf Sat im Altbau
Und ich dachte schon, ich könnte es selbsterklärend darstellen ...techno-com hat geschrieben:Gleich zu Anfang .... ich kann aus der Skizze sehr wenig raus lesen, z.B. aus dem Grund das div. WE mehrfach darin vorkommen (unten + oben) und einmal dort nur ein Kabel eingezeichnet ist das auch dort endet und einmal ein Kabel kommt und dort dann weiter geht in die nächste WE. Leitungslängen kann ich darin auch nicht ausfindig machen....
 
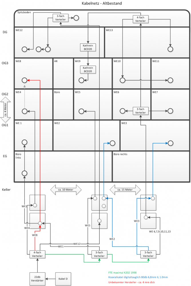
 Es gibt 3 Kabelschächte (alte Schornsteine) die damals mit PVC-Leerrohren versehen wurden. Die Leerrohre enden im Keller in jeweils 2 größeren Unterputzdosen (das sollen die viereckigen Kästen im Keller darstellen). In welche UP-Dose das geht ist hier eigentlich nicht relevant - aber da ich die Zeichnung auch selbst verwende und bei dem Durcheinander nicht den Überblick verliere, habe ich die mit eingezeichnet. Die 8 und 15 Meter sollen die Abstände der Kabelschächte darstellen - die 4 Meter die jeweilige Geschosshöhe. Die Sat-Einspeisung und Multischalter sollen dann auch im "Elektro-Keller" beim linken Kabelschacht eingebaut werden.
Jeder Strich steht auch für nur eine Leitung. Für Verwirrung sorgt im Keller vermutlich der rechte Schacht mit der Leitungsbezeichnung WE6,7,9,10,11,13 ? Das ist (weiter oben) die noch offene Baustelle im Plan. Mittels abschrauben der Leitungen von den Verteilern im Keller wissen wir inzwischen welche WE an welcher Leitung hängt. Und WE6,7,9,10,11,13 hängen eben an dieser einen Leitung. Bis in OG2 (WE6,7) konnten wir den Leitungsweg nachvollziehen. In OG3 (WE9,10,11 +13) haben wir die Verteiler und genauen Leitungswege noch nicht gefunden - daher sind dort die Kabel noch nicht eingezeichnet. Wir wissen durch den Test aber definitiv, dass sie auch an dieser Leitung hängen müssen.
Das Büro unten links im EG hat keine richtige Dose. Da wurde das Kabel für WE1 im Schacht einfach aufgetrennt und mit IEC-Steckern abgezweigt - da wird zukünftig wohl eine ordentliche AP-Dose hinkommen.
Zwischen WE4 und WE8 gibt es auch noch eine Leitung (noch nicht eingezeichnet) - vermutlich ist diese aber irgendwo defekt und daher wurde WE8 nochmal mit einem ganz dünnen Koax-Kabel direkt im Keller angeschlossen.
techno-com hat geschrieben:... man kann aber z.B. in den sehr kleinen WE auch gerne über Legacy versorgen und macht die dortigen Mieter/Inhaber dann nicht abhängig von einem unicable-tauglichen Receiver !?
... (aber vorsichtig .... Unicable- und Legay-Versorgung sind andere Dosen die zum Einsatz kommen müssten ! Unicable-Enddose = Jultec JAD307TRS/JAP307TRS --- Legacy-Stichdose = Jultec JAD300TRS).
zum Verständnis mit dem "Flexibleren Management": Das Problem mit den möglichen Störungen bei JAD-Dosen ist uns durchaus bewußt. Aber: Fast alle WE's werden als möblierte Appartements vermietet. Die Inklusivmiete beinhaltet u.a. auch TV. Daher werden auch die Receiver von uns (konfiguriert und) gestellt. Somit wollen wir möglichst überall auch die gleichen (Unicable-) Dosen + Receiver verwenden, um sie bei Bedarf (Defekt) ggf. auch einfach mal austauschen zu können. So sollte es eigentlich nicht notwendig sein, dass die einzelnen Mieter da selbst noch dran herum fummeln müssen (und im schlimmsten Fall den Strang lahm legen). Und falls es später noch den einen oder anderen Dauermieter mehr (oder weniger) gibt und er einen eigenen Receiver mit Twin-Anschluss nutzen möchte, dann haben wir in jedem Strang noch Reserve und müssen die Dosen auch nicht wieder umprogrammieren. Das ist ein Spagat zwischen mehr Störungssicherheit mit etwas höheren Kosten (Dosen und Programmer) gegenüber dem anfälligeren aber einfacheren und flexibleren System mit weniger Aufwand. Mal schauen, was wir da machen ....techno-com hat geschrieben:Flexibleres Management ? Was soll das sein ?
JAD = keine wohnungsübergreifende Schutzschaltung und Möglichkeit das UserA dem UserB die "Frequenz klaut" und diesen damit aussperrt/stört.
JAP = feste Zuweisung von IDs auf die Antennendosen + keine Möglichkeit der wohnungsübergreifenden Störung
Dann haben wir schonmal mindestens 2 Stellen entdeckt, wo dies nicht der Fall ist. Im DG ist am 2- und 4-fach Verteiler jeweils ein Ausgang offen.techno-com hat geschrieben:Genau richtig !myoo hat geschrieben:Alle offenen Ein- und Ausgänge sollten terminiert werden (DC-entkoppelt ?) - dazu zählen dann auch ggf. nicht verwendete Ausgänge an Verteilern als auch direkt am Multischalter (Legacy-Port) ?
Gut zu wissen. Das eingespeiste Kabelsignal am Übergabepunkt sollte also eigentlich einen Pegel haben, den man ohne Verstärker direkt auf einen TV legen könnte und ein ordentliches Bild liefern müsste ? Der (Haus-) Verstärker soll lediglich die Dämpfung der nachgeschalteten Verteiler und Leitungen kompensieren ?techno-com hat geschrieben:Solange das Kabelsignal auch in den Multischalter eingespeist ist und die durch den Multischalter entstehenden terrestrischen Durchgangsdämpfungen ausgeglichen sind (genug Pegel anliegt) geht das ohne Probleme.
Derzeit haben einige WE's schon einen relativ schlechten Analog-Empfang. Der ist nach unseren Tests wohl teilweise noch etwas schlechter geworden. Ich vermute irgendwo eine zu hohe Übergangsdämpfung an den einfachen F-Steckern, Probleme mit offenen Ausgängen oder intern beschädigte Leitungen (durch ziehen und drehen an den Leitungen - die dann im schlimmsten Fall auch noch getauscht werden müssten). Im Zuge des Umbaus werde ich dann vermutlich mal mit einem kleinen TV von Verteiler zu Verteiler laufen und schauen wo das Bild schlechter wird. Die Bildstörungsgrenze sieht man vermutlich mit dem alten noch vorhandenen analogen Kabelanschluss besser (mehr oder weniger Bildrauschen) als später mit dem digitalen Sat-Signal (gutes Bild -> Klötzchen -> gar kein Bild) ?
Ach so - da habe ich mich verguckt und einen Denkfehler - das sind ja JPS0501-8 (und keine JRS0501-8).techno-com hat geschrieben:Alle JPS-Einkabelumsetzer sind mit Buchsen zum Anschluss eines Netzteils ausgestattet, über die das LNB gespeist werden kann. Nur Geräte mit einem "R" in der Typenbezeichnung (JRS oder JRM) leiten die Speisespannung der Receiver zu den LNBs weiter.
Die Varianten "-AN" und "-TN" kennzeichnet Geräte, welche zwangsweise ein Netzteil für den Betrieb benötigen (z.B. JAL0530AN, JPS0501-12AN). Diese werden mit einem passenden Netzteil ausgeliefert.
- techno-com
- Site Admin
- Beiträge: 22432
- Registriert: 17. November 2005 09:32
- Wohnort: 74076 Heilbronn
- Hat sich bedankt: 504 Mal
- Danksagung erhalten: 574 Mal
- Kontaktdaten:
Re: Umrüstung Kabel auf Sat im Altbau
Huimyoo hat geschrieben:Und ich dachte schon, ich könnte es selbsterklärend darstellen ...
 
 Das ist Input
 
 Ich glaube aber wirklich das ihr Plan aktuell da zu 100% nur von ihnen erkannt werden kann, eben der Vorteil des Planers der noch ein paar Sachen im Hinterkopf hat.
Das ist aber nicht so schlimm, der einzige Zweig der hier in einen Bereich zu hoher Dämpfung kommen könnte ist auf den ersten Blick dann nur der ins DG wo die 2 Verteiler dran hängen (bei dem 2-fach Verteiler fehlt mir da akt. auch noch der Sinn des Einsatzes da nur ein Ausgang belegt ist
 - ggf. eine Erweiterung die noch geplant ist, das wird schon seinen Sinn haben denke ich)..... Dort muss ggf. ein Verstärker irgendwo vor dem ersten oder zweiten Verteiler rein (Inlineverstärker, z.B. den ferngespeisten Jultec JAI115, würde ich da zuerst mal einsetzen wenn es zu Problemen kommt).
  - ggf. eine Erweiterung die noch geplant ist, das wird schon seinen Sinn haben denke ich)..... Dort muss ggf. ein Verstärker irgendwo vor dem ersten oder zweiten Verteiler rein (Inlineverstärker, z.B. den ferngespeisten Jultec JAI115, würde ich da zuerst mal einsetzen wenn es zu Problemen kommt).Der Jultec JPS0501-8 hat aber ja auch 93dBµV Ausgangspegel am Unicable-Ausgang (CSS-Ausgang), da ist schon viel Luft zum "verbraten" durch Kabelwege, Verteiler + Antennendosen (von diesen Bauteilen kann man ja die Dämpfung auch in den technischen Daten jeweils erkennen/raus lesen).
Grundsätzlich gilt:
Bei DVB-S und DVB-S2 ist der Normpegel nach DIN EN 60728-1 (früher EN 50083-7) festgelegt auf 47-77dBµV (optimale Werte bei DVB-S 50-65dBµV und bei DVB-S2 50-73dBµV)
OK, das ist jetzt verstanden !myoo hat geschrieben:zum Verständnis mit dem "Flexibleren Management": Das Problem mit den möglichen Störungen bei JAD-Dosen ist uns durchaus bewußt. Aber: Fast alle WE's werden als möblierte Appartements vermietet...........
 
 Ein guter Receiver für so einen Einsatz wäre z.B.:
Smart CX01
Smart CX01 USB-PVR ready
Smart CX20 CI+
Diese Geräte werden für solche Sachen gerne eingesetzt, daher ist auch die Software der Geräte für Unicable sehr gut "entwickelt" (vieles auch über für das/die Geräte/e später nachgereichte Updates).
Eine Idee wäre da noch die Menu-Sperre zu aktivieren, also dem Receiver einen PIN zu verpassen das keiner ins Menu kommt um die Einstellungen zu verändern.
Die RAPS-Funktion der Geräte garantiert auch eine schnelle Einstellung der Programmliste bei neuen Sendern bzw. bei Senderumstellungen.
Dazu mal ein Spektrum das zeigt wie sich ein Signal "verändert" bei einer fehlenden Terminierung (hier im Fall von Stammleitungsausgängen). Das kann man nicht "sehen", das kann man eben nur mit einem entsprechenden Messgerät dann über das Spektrum messen.myoo hat geschrieben:Dann haben wir schonmal mindestens 2 Stellen entdeckt, wo dies nicht der Fall ist. Im DG ist am 2- und 4-fach Verteiler jeweils ein Ausgang offen.
Ja, direkt am ÜP ist das Signal immer so das man direkt daran ein Endgerät betreiben könnte (sogar viel höher eigentlich)... der Verstärker muss dann eben die folgenden Dämpfungen kompensieren schon vor der Verteilung dann meistens und tlw. muss sogar noch später nach verstärkt werden (bei größeren Aufbauten eben).myoo hat geschrieben:Gut zu wissen. Das eingespeiste Kabelsignal am Übergabepunkt sollte also eigentlich einen Pegel haben, den man ohne Verstärker direkt auf einen TV legen könnte und ein ordentliches Bild liefern müsste ? Der (Haus-) Verstärker soll lediglich die Dämpfung der nachgeschalteten Verteiler und Leitungen kompensieren ?
Dann wird das an den langen Kabelwegen, vielen Verteilungen + Antennendosen-Auskoppeldämpfungen liegen.... so etwas muss ganz genau geplant sein im Normalfall.myoo hat geschrieben:Derzeit haben einige WE's schon einen relativ schlechten Analog-Empfang. Der ist nach unseren Tests wohl teilweise noch etwas schlechter geworden. Ich vermute irgendwo eine zu hohe Übergangsdämpfung an den einfachen F-Steckern, Probleme mit offenen Ausgängen oder intern beschädigte Leitungen (durch ziehen und drehen an den Leitungen - die dann im schlimmsten Fall auch noch getauscht werden müssten).
myoo hat geschrieben:Die Bildstörungsgrenze sieht man vermutlich mit dem alten noch vorhandenen analogen Kabelanschluss besser (mehr oder weniger Bildrauschen) als später mit dem digitalen Sat-Signal (gutes Bild -> Klötzchen -> gar kein Bild) ?
 
 myoo hat geschrieben:Ach so - da habe ich mich verguckt und einen Denkfehler - das sind ja JPS0501-8 (und keine JRS0501-8).
 Ja, da macht ein "P" und ein "R" schon riesen Unterschiede.
  Ja, da macht ein "P" und ein "R" schon riesen Unterschiede.Vielleicht sind wir nicht günstiger als ein Discounter oder reiner Online-Kartonschieber, aber sicherlich besser ! 
Normkonforme Beratung und Bau sind bei uns selbstverständlich.
Sat-Shop Heilbronn Kunden können sich auch nach dem Kauf auf unseren besten Service verlassen
Hier im Forum wird kein After-Sales-Support für Fremdkäufe geleistet !! Wenden Sie sich dazu an ihren Verkäufer ......
Tristan Uhde / Satanlagen Onlineshop / SAT-Shop Heilbronn
https://www.satshop-heilbronn.de (SSL) / SAT-Onlineforum https://www.satanlagenforum.de (SSL)
Tel ------ (Fragen gehören ins Forum ! Den nur hier können sie richtig bearbeitet werden, auch was hier noch nicht von A-Z genau schon erklärt/behandelt ist ) .. Dieser Hinweis weil täglich dutzende Fragen per Email oder per PM über das Forum rein kommen die noch dazu inhaltlich nicht das intus haben das man etwas dazu sagen könnte.
Wichtiger Hinweis: Zuständigkeiten verantwortliche Elektrofachkraft (VEFK) und Blitzschutzfachkräfte
Informieren Sie sich dort über Folgen und Auswirkungen von Eigenleistung und lassen Sie selbst durchgeführte Installationen von entsprechender Stelle prüfen und abnehmen. Dafür sind VOR ORT spezielle und qualifizierte Blitzschutz-Fachkräfte notwendig, Ferndiagnosen für Blitzschutz/Erdung können hier NICHT durchgeführt werden ("wie kann ICH das machen ..." oder ähnlich bringt da nichts).
Diese Signatur wächst von Woche zu Woche und enthält immer mehr grundlegende Inhalte die bitte berücksichtigt werden sollten bei bzw. VOR Anfragen !
100% beantwortet werden können nur Anfragen die auch alle relevanten Teile beinhalten die man benötigt für eine Antwort (genaue Beschreibungen/ Angabe von Herstellern/Typen für vorhandenes Material etc.). Bitte vermeiden Sie Aussagen wie "habe viel gelesen, aber versteht das nicht ..." ohne Nennung von dem was Sie gelesen haben und was genau unklar war an den Erklärungen die hier gelesen wurden - den nur dann kann man auch darauf eingehen was event. unklar ist/war.
Bitte unbedingt vor einem Post lesen => Boardregeln / Datenschutz
Wir erteilen hier keine Rechtsberatung, unsere Hinweise sind nach bestem Wissen und bedürfen einer entsprechenden juristischen/technischen weiteren Beratung.
			
						Normkonforme Beratung und Bau sind bei uns selbstverständlich.
Sat-Shop Heilbronn Kunden können sich auch nach dem Kauf auf unseren besten Service verlassen
Hier im Forum wird kein After-Sales-Support für Fremdkäufe geleistet !! Wenden Sie sich dazu an ihren Verkäufer ......
Tristan Uhde / Satanlagen Onlineshop / SAT-Shop Heilbronn
https://www.satshop-heilbronn.de (SSL) / SAT-Onlineforum https://www.satanlagenforum.de (SSL)
Tel ------ (Fragen gehören ins Forum ! Den nur hier können sie richtig bearbeitet werden, auch was hier noch nicht von A-Z genau schon erklärt/behandelt ist ) .. Dieser Hinweis weil täglich dutzende Fragen per Email oder per PM über das Forum rein kommen die noch dazu inhaltlich nicht das intus haben das man etwas dazu sagen könnte.
Wichtiger Hinweis: Zuständigkeiten verantwortliche Elektrofachkraft (VEFK) und Blitzschutzfachkräfte
Informieren Sie sich dort über Folgen und Auswirkungen von Eigenleistung und lassen Sie selbst durchgeführte Installationen von entsprechender Stelle prüfen und abnehmen. Dafür sind VOR ORT spezielle und qualifizierte Blitzschutz-Fachkräfte notwendig, Ferndiagnosen für Blitzschutz/Erdung können hier NICHT durchgeführt werden ("wie kann ICH das machen ..." oder ähnlich bringt da nichts).
Diese Signatur wächst von Woche zu Woche und enthält immer mehr grundlegende Inhalte die bitte berücksichtigt werden sollten bei bzw. VOR Anfragen !
100% beantwortet werden können nur Anfragen die auch alle relevanten Teile beinhalten die man benötigt für eine Antwort (genaue Beschreibungen/ Angabe von Herstellern/Typen für vorhandenes Material etc.). Bitte vermeiden Sie Aussagen wie "habe viel gelesen, aber versteht das nicht ..." ohne Nennung von dem was Sie gelesen haben und was genau unklar war an den Erklärungen die hier gelesen wurden - den nur dann kann man auch darauf eingehen was event. unklar ist/war.
Bitte unbedingt vor einem Post lesen => Boardregeln / Datenschutz
Wir erteilen hier keine Rechtsberatung, unsere Hinweise sind nach bestem Wissen und bedürfen einer entsprechenden juristischen/technischen weiteren Beratung.
Re: Umrüstung Kabel auf Sat im Altbau
Gut zu wissen. Leider geht mein altes Oszi nur bis 10 MHz ...techno-com hat geschrieben:Dazu mal ein Spektrum das zeigt wie sich ein Signal "verändert" bei einer fehlenden Terminierung (hier im Fall von Stammleitungsausgängen). Das kann man nicht "sehen", das kann man eben nur mit einem entsprechenden Messgerät dann über das Spektrum messen.
 
 Das würde ich so interpretieren, daß dann bestimmte Sender schlechter zu empfangen sind als andere - je nachdem, wo der Frequenzeinbruch ist. Und wenn das Bild über alle Sender/Kanäle schlecht ist, liegt es mehr an einer zu hohen Dämpfung.
Inzwischen haben wir alle Kabel und Verteiler gefunden. Als Sat-Dosen sollen nun doch die JAP's zum Einsatz kommen. Ich habe den Plan dann mal so umgestrickt, wie ich es für halbwegs richtig halte. Was meinen Sie dazu ? Insbesondere die Auswahl der Dämpfung an den Dosen. Da bei fast allen Koax-Kabel der Hersteller nicht bekannt ist, habe ich Pi mal Daumen mit 3-4 db Dämpfung auf 10m gerechnet. Bei den Verteilern mit 7,5 db. Kann ich eine JAP31x auch als Enddose benutzen - muss dort in den "Ausgang" noch ein Abschlusswiederstand rein ? Die grün-gestrichelten Dosen im Büro unten rechts, auf OG2 und in AR (OG3) werden wohl erstmal nicht mit gesetzt. Es soll nur die techn. Möglichkeit geben, diese später bei Bedarf noch nachrüsten zu können.
Die Zahl in der Dose soll die Anzahl der benötigten Unicable-ID's darstellen.
Die roten Leitungen werden wir wahrscheinlich zurückbauen und dafür die grün-gestrichelten Leitungen benutzen (neu legen) - betrifft WE4/WE8 und WE5/WE9.
- techno-com
- Site Admin
- Beiträge: 22432
- Registriert: 17. November 2005 09:32
- Wohnort: 74076 Heilbronn
- Hat sich bedankt: 504 Mal
- Danksagung erhalten: 574 Mal
- Kontaktdaten:
Re: Umrüstung Kabel auf Sat im Altbau
Kein Problem.... das oben gezeigte ist eine Studie von einem sehr kompetenten Fachmann (in diversen Foren, incl. diesem hier, unterwegs als "Dipol") den ich mittlerweile sehr gut kenne.... die sollte alles genau belegen !myoo hat geschrieben:Gut zu wissen. Leider geht mein altes Oszi nur bis 10 MHz ...
Es ist technische einfach falsch, es kann zu erheblichen Störungen kommen (zu vielen verschiedenen Fehlerbildern die man alle gar nicht aufzählen und erklären kann) und es ist einfachst zu umgehen das Probleme auftreten indem man alles terminiert. Ist ja auch keine Sache die riesen Unkosten verursacht.....myoo hat geschrieben:Das würde ich so interpretieren, daß dann bestimmte Sender schlechter zu empfangen sind als andere - je nachdem, wo der Frequenzeinbruch ist. Und wenn das Bild über alle Sender/Kanäle schlecht ist, liegt es mehr an einer zu hohen Dämpfung.
Gute Entscheidung ! Man weiß nie wer mal einen eigenen Receiver ggf. anschließt und den dann falsch einstellt (eine andere ID "klaut"), vor allem bei so vielen verschiedenen Wohnparteien die an einem Schalter hängen....myoo hat geschrieben:Als Sat-Dosen sollen nun doch die JAP's zum Einsatz kommen.
Puuuuuuuuuuuuuuuuuhhhhhhhhhhhmyoo hat geschrieben:Ich habe den Plan dann mal so umgestrickt, wie ich es für halbwegs richtig halte. Was meinen Sie dazu ?
 
 Ich versteh den wirklich nicht, sorry !
Auf den ersten Blick (ich habe mir die beiden Bilder extra in ein Bild umgewandelt das ich es nebeneinander direkt anschauen kann) sehe ich viele fragliche Sachen für mich:
1. was machen die DVB-T Antennen von Kathrein (BCD20) inmitten eines einzigen Stranges und warum sind das 2 Stk. hintereinander ?
2. WE 4: dort kommt an der JAP310 ein Kabel an, geht dann aber in 2 Richtungen weiter ? Das geht mit einer Durchgangsdose nicht (die hat einen Eingang und einen Ausgang) - da fehlt dann ein 2-fach Verteiler
3. in WE 6 sehe ich einen Inline-Verstärker (Dur-Line V3010 mit 10dB) .... würde ich erst einmal ohne austesten, vor allem weil ein Inline-Verstärker auch Strom vom Antennenkabel (Receiver-Schaltspannungen) abzweigt und dort ggf. dieser nicht mehr ausreichend zur Verfügung stehen könnte.... ggf. muss dort ein netzversorgter Verstärker rein wenn es zu diesem Problem kommen sollte)
4. WE 7: machen sie eine bereits terminierte JAP307TRS rein
5. "Büro rechts" wird mit einem eigenen Kabel versorgt vom Multischalter aus .... ist dort nicht eine Single-Receiver Versorgung ausreichend ? Dann könnten man diesen Anschluss über den "Legacy-Ausgang" vom Multischalter versorgen (dann JAD300TRS Dose rein). Würde aus dem einen 3-fach Verteiler nach dem 2. Unicable-Multischalter (der mittige in der Zeichnung) dann einen 2-fach Verteiler machen und wieder ein paar db mehr "Power" bringen was ggf. bei den folgenden Kabelwegen etwas bringen würde.
Das ist das Problem, "Pi mal Daumen" stimmt nicht immer - ist aber sehr wichtig bei event. auftretenden Problemen um diese zu finden.myoo hat geschrieben:Insbesondere die Auswahl der Dämpfung an den Dosen. Da bei fast allen Koax-Kabel der Hersteller nicht bekannt ist, habe ich Pi mal Daumen mit 3-4 dB Dämpfung auf 10m gerechnet.
Ja, das ist genau richtig und in ihrem Fall auch wirklich oft sinnvoll (z.B. WE 1+2+3 und Büro rechts)myoo hat geschrieben:Kann ich eine JAP31x auch als Enddose benutzen - muss dort in den "Ausgang" noch ein Abschlusswiederstand rein ?
Grundsätzlich sieht ihr Aufbau aber wirklich gut aus, da haben sie wirklich gute Planungsarbeit geleistet

Vielleicht sind wir nicht günstiger als ein Discounter oder reiner Online-Kartonschieber, aber sicherlich besser ! 
Normkonforme Beratung und Bau sind bei uns selbstverständlich.
Sat-Shop Heilbronn Kunden können sich auch nach dem Kauf auf unseren besten Service verlassen
Hier im Forum wird kein After-Sales-Support für Fremdkäufe geleistet !! Wenden Sie sich dazu an ihren Verkäufer ......
Tristan Uhde / Satanlagen Onlineshop / SAT-Shop Heilbronn
https://www.satshop-heilbronn.de (SSL) / SAT-Onlineforum https://www.satanlagenforum.de (SSL)
Tel ------ (Fragen gehören ins Forum ! Den nur hier können sie richtig bearbeitet werden, auch was hier noch nicht von A-Z genau schon erklärt/behandelt ist ) .. Dieser Hinweis weil täglich dutzende Fragen per Email oder per PM über das Forum rein kommen die noch dazu inhaltlich nicht das intus haben das man etwas dazu sagen könnte.
Wichtiger Hinweis: Zuständigkeiten verantwortliche Elektrofachkraft (VEFK) und Blitzschutzfachkräfte
Informieren Sie sich dort über Folgen und Auswirkungen von Eigenleistung und lassen Sie selbst durchgeführte Installationen von entsprechender Stelle prüfen und abnehmen. Dafür sind VOR ORT spezielle und qualifizierte Blitzschutz-Fachkräfte notwendig, Ferndiagnosen für Blitzschutz/Erdung können hier NICHT durchgeführt werden ("wie kann ICH das machen ..." oder ähnlich bringt da nichts).
Diese Signatur wächst von Woche zu Woche und enthält immer mehr grundlegende Inhalte die bitte berücksichtigt werden sollten bei bzw. VOR Anfragen !
100% beantwortet werden können nur Anfragen die auch alle relevanten Teile beinhalten die man benötigt für eine Antwort (genaue Beschreibungen/ Angabe von Herstellern/Typen für vorhandenes Material etc.). Bitte vermeiden Sie Aussagen wie "habe viel gelesen, aber versteht das nicht ..." ohne Nennung von dem was Sie gelesen haben und was genau unklar war an den Erklärungen die hier gelesen wurden - den nur dann kann man auch darauf eingehen was event. unklar ist/war.
Bitte unbedingt vor einem Post lesen => Boardregeln / Datenschutz
Wir erteilen hier keine Rechtsberatung, unsere Hinweise sind nach bestem Wissen und bedürfen einer entsprechenden juristischen/technischen weiteren Beratung.
			
						Normkonforme Beratung und Bau sind bei uns selbstverständlich.
Sat-Shop Heilbronn Kunden können sich auch nach dem Kauf auf unseren besten Service verlassen
Hier im Forum wird kein After-Sales-Support für Fremdkäufe geleistet !! Wenden Sie sich dazu an ihren Verkäufer ......
Tristan Uhde / Satanlagen Onlineshop / SAT-Shop Heilbronn
https://www.satshop-heilbronn.de (SSL) / SAT-Onlineforum https://www.satanlagenforum.de (SSL)
Tel ------ (Fragen gehören ins Forum ! Den nur hier können sie richtig bearbeitet werden, auch was hier noch nicht von A-Z genau schon erklärt/behandelt ist ) .. Dieser Hinweis weil täglich dutzende Fragen per Email oder per PM über das Forum rein kommen die noch dazu inhaltlich nicht das intus haben das man etwas dazu sagen könnte.
Wichtiger Hinweis: Zuständigkeiten verantwortliche Elektrofachkraft (VEFK) und Blitzschutzfachkräfte
Informieren Sie sich dort über Folgen und Auswirkungen von Eigenleistung und lassen Sie selbst durchgeführte Installationen von entsprechender Stelle prüfen und abnehmen. Dafür sind VOR ORT spezielle und qualifizierte Blitzschutz-Fachkräfte notwendig, Ferndiagnosen für Blitzschutz/Erdung können hier NICHT durchgeführt werden ("wie kann ICH das machen ..." oder ähnlich bringt da nichts).
Diese Signatur wächst von Woche zu Woche und enthält immer mehr grundlegende Inhalte die bitte berücksichtigt werden sollten bei bzw. VOR Anfragen !
100% beantwortet werden können nur Anfragen die auch alle relevanten Teile beinhalten die man benötigt für eine Antwort (genaue Beschreibungen/ Angabe von Herstellern/Typen für vorhandenes Material etc.). Bitte vermeiden Sie Aussagen wie "habe viel gelesen, aber versteht das nicht ..." ohne Nennung von dem was Sie gelesen haben und was genau unklar war an den Erklärungen die hier gelesen wurden - den nur dann kann man auch darauf eingehen was event. unklar ist/war.
Bitte unbedingt vor einem Post lesen => Boardregeln / Datenschutz
Wir erteilen hier keine Rechtsberatung, unsere Hinweise sind nach bestem Wissen und bedürfen einer entsprechenden juristischen/technischen weiteren Beratung.
Re: Umrüstung Kabel auf Sat im Altbau
Hallo und Danke fürs "Review" ...
Da habe ich scheinbar doch wieder zu wenige Informationen dazugeschrieben. 
 
 
 
Bei niedrigen IDs/Frequenzen auf alten Leitungen mit 3db/10m rechnen. Sind das brauchbare Werte ?
Eine noch ganz andere Frage: Ich überlege die Koax-Anschlussleitungen (zw. Receiver und Dose) ggf. selbst zu bauen (mit Self-Install Steckern). a) Ist einfaches, 2-fach geschirmtes Kabel ggf. flexibler als 3-fach geschirmtes Koax-Kabel ? b) Ist das überhaupt sinnvoll ?
Ich denke, so langsam ist meine Einkaufsliste fertig und ich werde demnächst mal den ersten Schwung bestellen ...
			
			
									
						Da habe ich scheinbar doch wieder zu wenige Informationen dazugeschrieben.
 
 Vor dem jetzt (noch) aktuellen Kabel-D Anschluss war hier mal eine Kathrein Sat-Anlage mit einer Art Kopfstation (o.ä.) installiert. Damit wurden wohl nur eine Hand voll Sat-Programme auf andere Frequenzen umgesetzt, so das man am TV keine Receiver benötigte. Die alte Schüssel liegt immernoch im Keller rum ... und die alten Verteiler hat man sheinbar bei der damaligen Umrüstung auf Kabel einfach wieder mit verbaut (bzw. drin gelassen). Das ist also ein Relikt aus vergangen Zeiten. Von der unsinnigen Stückelei und der Dämpfug abgesehen, müßte das Frequenztechnisch (bis 2GHz) aber sogar funktionieren. Aber der Strang samt Verteiler soll ja auch ersetzt werden. Das ist übrigens eine der Wohnungen mit dem schlechtesten Empfang. Inzwischen kann ich mir vorstellen warum ...techno-com hat geschrieben:1. was machen die DVB-T Antennen von Kathrein (BCD20) inmitten eines einzigen Stranges und warum sind das 2 Stk. hintereinander ?
 
 Ja - das passiert, wenn man sich alle Optionen offen halten will ... das ist wirklich etwas unglücklich dargestellt. Die Dose im Büro in OG2 und im AbstellRaum in OG3 darüber ist nur optional und hatte ich erst am Ende noch mit dazu genommen. Wenn das Büro eine Dose bekommen soll, können wir dort natürlich entweder keine weitere Leitung nach oben ziehen oder brauchen noch einen 2-fach Verteiler.techno-com hat geschrieben:2. WE 4: dort kommt an der JAP310 ein Kabel an, geht dann aber in 2 Richtungen weiter ? Das geht mit einer Durchgangsdose nicht (die hat einen Eingang und einen Ausgang) - da fehlt dann ein 2-fach Verteiler
Der Hintergrund für den kleinen Verstärker war der lange Weg (60m Koax + 3x Verteiler = insg. ca. -44db (?) - 7db Auskoppeldämpfung = ca. 42db ?) bis in WE11. Ich dachte das bei den stromsparenden (?) JPS-Switchen die max. 40mA für den In-Line Verstärker nicht weiter stören sollten ? Falls der Netzversorgt werden sollte, dann würde ich den tendenziell an den Anfang des Strangs im Keller (direkt hinter den Verteiler) setzen wollen. Oder könnte ich an der Stelle dann Probleme wegen einem zu hohen Eingangpegel für den Verstärker bekommen so daß er schon verzerrt ? Der JAI-115 verstärkt mir aber leider nicht den UKW/DAB Bereich (bis 950 MHz).techno-com hat geschrieben:3. in WE 6 sehe ich einen Inline-Verstärker (Dur-Line V3010 mit 10dB) .... würde ich erst einmal ohne austesten, vor allem weil ein Inline-Verstärker auch Strom vom Antennenkabel (Receiver-Schaltspannungen) abzweigt und dort ggf. dieser nicht mehr ausreichend zur Verfügung stehen könnte.... ggf. muss dort ein netzversorgter Verstärker rein wenn es zu diesem Problem kommen sollte)
Das müsste sich dann aber auch auf die Dosen in WE6 und WE13 beziehen ?techno-com hat geschrieben:4. WE 7: machen sie eine bereits terminierte JAP307TRS rein
Das hatten sie ja am Anfang schon vorgeschlagen. Aber da wir das möglichst einheitlich halten wollten habe ich den mit auf die Unicable-Leitung geplant. Derzeit steht das Büro leer und es wird (derzeit) auch gar keine Dose benötigt. Wer weiß, wer/was da später rein kommt - da sollte das möglichst mit in der Unicable-Leitung liegen. So kann man das notfalls ja auch nochmal auf einen anderen Switch umpatchen falls uns irgendwo die ID's ausgehen.techno-com hat geschrieben:5. "Büro rechts" wird mit einem eigenen Kabel versorgt vom Multischalter aus .... ist dort nicht eine Single-Receiver Versorgung ausreichend ? Dann könnten man diesen Anschluss über den "Legacy-Ausgang" vom Multischalter versorgen (dann JAD300TRS Dose rein). Würde aus dem einen 3-fach Verteiler nach dem 2. Unicable-Multischalter (der mittige in der Zeichnung) dann einen 2-fach Verteiler machen und wieder ein paar db mehr "Power" bringen was ggf. bei den folgenden Kabelwegen etwas bringen würde.
Ich rechne derzeit bei einer hohen ID/Frequenz auf einer alten Leitung mit 4db/10m Leitungsdämmpfung - bei einer neuen Leitung mit 3db/10m (bzw. laut Datenblatt).techno-com hat geschrieben:Das ist das Problem, "Pi mal Daumen" stimmt nicht immer - ist aber sehr wichtig bei event. auftretenden Problemen um diese zu finden.myoo hat geschrieben:Insbesondere die Auswahl der Dämpfung an den Dosen. Da bei fast allen Koax-Kabel der Hersteller nicht bekannt ist, habe ich Pi mal Daumen mit 3-4 db Dämpfung auf 10m gerechnet.
Bei niedrigen IDs/Frequenzen auf alten Leitungen mit 3db/10m rechnen. Sind das brauchbare Werte ?
Eine noch ganz andere Frage: Ich überlege die Koax-Anschlussleitungen (zw. Receiver und Dose) ggf. selbst zu bauen (mit Self-Install Steckern). a) Ist einfaches, 2-fach geschirmtes Kabel ggf. flexibler als 3-fach geschirmtes Koax-Kabel ? b) Ist das überhaupt sinnvoll ?
Ich denke, so langsam ist meine Einkaufsliste fertig und ich werde demnächst mal den ersten Schwung bestellen ...
- techno-com
- Site Admin
- Beiträge: 22432
- Registriert: 17. November 2005 09:32
- Wohnort: 74076 Heilbronn
- Hat sich bedankt: 504 Mal
- Danksagung erhalten: 574 Mal
- Kontaktdaten:
Re: Umrüstung Kabel auf Sat im Altbau
... geb mein Bestes .....myoo hat geschrieben:Hallo und Danke fürs "Review" ...
Wir kommen da schon durch...myoo hat geschrieben:Da habe ich scheinbar doch wieder zu wenige Informationen dazugeschrieben.
Ich glaube schon das sie wissen was sie planen, das sind sicher tlw. Sachen die mehr im Kopf rum gehen als auf dem Papier eingezeichnet werden .... es gibt auf dem Papier glaube ich noch andere Stellen (z.B. der 3-fach Verteiler oben rechts der ja nur ein 2-facher wird weil der rote Strang mit der alten Kanalaufbereitungsanlagen-Einspeisung weg fällt) die anders werden als gezeichnet.... wird schon alles passen !myoo hat geschrieben:Ja - das passiert, wenn man sich alle Optionen offen halten will ... das ist wirklich etwas unglücklich dargestellt. Die Dose im Büro in OG2 und im AbstellRaum in OG3 darüber ist nur optional und hatte ich erst am Ende noch mit dazu genommen. Wenn das Büro eine Dose bekommen soll, können wir dort natürlich entweder keine weitere Leitung nach oben ziehen oder brauchen noch einen 2-fach Verteiler.
Der JPS-Switch ist vollkommen receivergespeist, d.h. alle Receiver die eingeschaltet sind versorgen diesen mit seiner benötigten Power-Versorgung (das werden keine 100mA insg. sein), nur das LNB wird über das externe Netzteil gespeist (incl. Standby-Schaltung wenn alle Receiver aus sind - das sollte bei ihnen aber nicht so angeschlossen werden da ja auch eine Terrestrik mit drauf liegt, also den Strom an den Anschluss "continuous" und nicht an "Standby" - siehe unter Unicable Erweiterung die 1000ste (zwischen Multischalter) ).myoo hat geschrieben:Der Hintergrund für den kleinen Verstärker war der lange Weg (60m Koax + 3x Verteiler = insg. ca. -44db (?) - 7db Auskoppeldämpfung = ca. 42db ?) bis in WE11. Ich dachte das bei den stromsparenden (?) JPS-Switchen die max. 40mA für den In-Line Verstärker nicht weiter stören sollten ?
Das wird also mit der Spannungsversorgung von einem Inline schon passen, ich sage nur was "passieren kann"/"möglich wäre" da ihr Kabel wirklich eine absolute Unbekannte ist.
Auf ihrem Bild kann ich auch keine 60m ersehen, nur wenn ich den roten Strang mit einrechne der ja aber raus kommt ?!
Wir wäre es oben im Spitzboden vor dem Verteiler ? Pegelberechnung wäre hier aber wirklich sehr angebracht das man noch einen verwertbaren Pegel dort hat um ihn zu verstärken.....myoo hat geschrieben:Falls der Netzversorgt werden sollte, dann würde ich den tendenziell an den Anfang des Strangs im Keller (direkt hinter den Verteiler) setzen wollen. Oder könnte ich an der Stelle dann Probleme wegen einem zu hohen Eingangpegel für den Verstärker bekommen so daß er schon verzerrt ?
Ja, das ist ein reiner SAT-Verstärker.myoo hat geschrieben:Der JAI-115 verstärkt mir aber leider nicht den UKW/DAB Bereich (bis 950 MHz).
Ja, auch dort würde ich das so machen.myoo hat geschrieben:Das müsste sich dann aber auch auf die Dosen in WE6 und WE13 beziehen ?
Machen sie den also erst gar nicht ran wenn da keine Dose rein kommt bzw. schließen sie ihn wirklich erst einmal an den Legacy an (+Jultec JAD300TRS Stichdose dann dort)....myoo hat geschrieben:Das hatten sie ja am Anfang schon vorgeschlagen. Aber da wir das möglichst einheitlich halten wollten habe ich den mit auf die Unicable-Leitung geplant. Derzeit steht das Büro leer und es wird (derzeit) auch gar keine Dose benötigt. Wer weiß, wer/was da später rein kommt - da sollte das möglichst mit in der Unicable-Leitung liegen. So kann man das notfalls ja auch nochmal auf einen anderen Switch umpatchen falls uns irgendwo die ID's ausgehen.
Spart einen 3-fach Verteiler (macht einen 2-fach drauß) und bringt so auf den oben schon relevanten Strang ein paar db mehr ..... denken sie anders rum, jetzt an Legacy und später wenn unbedingt benötigt in den Unicable-Zweig erst mit rein.
Das kommt ca. hin.myoo hat geschrieben:............Bei niedrigen IDs/Frequenzen auf alten Leitungen mit 3db/10m rechnen. Sind das brauchbare Werte ?
Das ist MEHR ALS sinnvoll !myoo hat geschrieben:Eine noch ganz andere Frage: Ich überlege die Koax-Anschlussleitungen (zw. Receiver und Dose) ggf. selbst zu bauen (mit Self-Install Steckern). a) Ist einfaches, 2-fach geschirmtes Kabel ggf. flexibler als 3-fach geschirmtes Koax-Kabel ? b) Ist das überhaupt sinnvoll ?
Keine fertigen Dosen-Anschlußkabel, die versauen einem die gesamte Anlage !
Hirschmann Push-On F-Stecker PFC 070 oder Self-Install F-Stecker Cabelcon CC F-56 5.1 .... 2-fach geschirmtes Kabel reicht bei guten Steckern und guter Montage vollkommen aus !
Vielleicht sind wir nicht günstiger als ein Discounter oder reiner Online-Kartonschieber, aber sicherlich besser ! 
Normkonforme Beratung und Bau sind bei uns selbstverständlich.
Sat-Shop Heilbronn Kunden können sich auch nach dem Kauf auf unseren besten Service verlassen
Hier im Forum wird kein After-Sales-Support für Fremdkäufe geleistet !! Wenden Sie sich dazu an ihren Verkäufer ......
Tristan Uhde / Satanlagen Onlineshop / SAT-Shop Heilbronn
https://www.satshop-heilbronn.de (SSL) / SAT-Onlineforum https://www.satanlagenforum.de (SSL)
Tel ------ (Fragen gehören ins Forum ! Den nur hier können sie richtig bearbeitet werden, auch was hier noch nicht von A-Z genau schon erklärt/behandelt ist ) .. Dieser Hinweis weil täglich dutzende Fragen per Email oder per PM über das Forum rein kommen die noch dazu inhaltlich nicht das intus haben das man etwas dazu sagen könnte.
Wichtiger Hinweis: Zuständigkeiten verantwortliche Elektrofachkraft (VEFK) und Blitzschutzfachkräfte
Informieren Sie sich dort über Folgen und Auswirkungen von Eigenleistung und lassen Sie selbst durchgeführte Installationen von entsprechender Stelle prüfen und abnehmen. Dafür sind VOR ORT spezielle und qualifizierte Blitzschutz-Fachkräfte notwendig, Ferndiagnosen für Blitzschutz/Erdung können hier NICHT durchgeführt werden ("wie kann ICH das machen ..." oder ähnlich bringt da nichts).
Diese Signatur wächst von Woche zu Woche und enthält immer mehr grundlegende Inhalte die bitte berücksichtigt werden sollten bei bzw. VOR Anfragen !
100% beantwortet werden können nur Anfragen die auch alle relevanten Teile beinhalten die man benötigt für eine Antwort (genaue Beschreibungen/ Angabe von Herstellern/Typen für vorhandenes Material etc.). Bitte vermeiden Sie Aussagen wie "habe viel gelesen, aber versteht das nicht ..." ohne Nennung von dem was Sie gelesen haben und was genau unklar war an den Erklärungen die hier gelesen wurden - den nur dann kann man auch darauf eingehen was event. unklar ist/war.
Bitte unbedingt vor einem Post lesen => Boardregeln / Datenschutz
Wir erteilen hier keine Rechtsberatung, unsere Hinweise sind nach bestem Wissen und bedürfen einer entsprechenden juristischen/technischen weiteren Beratung.
			
						Normkonforme Beratung und Bau sind bei uns selbstverständlich.
Sat-Shop Heilbronn Kunden können sich auch nach dem Kauf auf unseren besten Service verlassen
Hier im Forum wird kein After-Sales-Support für Fremdkäufe geleistet !! Wenden Sie sich dazu an ihren Verkäufer ......
Tristan Uhde / Satanlagen Onlineshop / SAT-Shop Heilbronn
https://www.satshop-heilbronn.de (SSL) / SAT-Onlineforum https://www.satanlagenforum.de (SSL)
Tel ------ (Fragen gehören ins Forum ! Den nur hier können sie richtig bearbeitet werden, auch was hier noch nicht von A-Z genau schon erklärt/behandelt ist ) .. Dieser Hinweis weil täglich dutzende Fragen per Email oder per PM über das Forum rein kommen die noch dazu inhaltlich nicht das intus haben das man etwas dazu sagen könnte.
Wichtiger Hinweis: Zuständigkeiten verantwortliche Elektrofachkraft (VEFK) und Blitzschutzfachkräfte
Informieren Sie sich dort über Folgen und Auswirkungen von Eigenleistung und lassen Sie selbst durchgeführte Installationen von entsprechender Stelle prüfen und abnehmen. Dafür sind VOR ORT spezielle und qualifizierte Blitzschutz-Fachkräfte notwendig, Ferndiagnosen für Blitzschutz/Erdung können hier NICHT durchgeführt werden ("wie kann ICH das machen ..." oder ähnlich bringt da nichts).
Diese Signatur wächst von Woche zu Woche und enthält immer mehr grundlegende Inhalte die bitte berücksichtigt werden sollten bei bzw. VOR Anfragen !
100% beantwortet werden können nur Anfragen die auch alle relevanten Teile beinhalten die man benötigt für eine Antwort (genaue Beschreibungen/ Angabe von Herstellern/Typen für vorhandenes Material etc.). Bitte vermeiden Sie Aussagen wie "habe viel gelesen, aber versteht das nicht ..." ohne Nennung von dem was Sie gelesen haben und was genau unklar war an den Erklärungen die hier gelesen wurden - den nur dann kann man auch darauf eingehen was event. unklar ist/war.
Bitte unbedingt vor einem Post lesen => Boardregeln / Datenschutz
Wir erteilen hier keine Rechtsberatung, unsere Hinweise sind nach bestem Wissen und bedürfen einer entsprechenden juristischen/technischen weiteren Beratung.
Re: Umrüstung Kabel auf Sat im Altbau
Hallo,
 
 
Die zurückzubauenden Leitungen habe ich jetzt aus dem Plan entfernt. Da fast alle Kabel alt sind, habe ich mit den dort abgebildeten Dämpfungen gerechnet (3-4db/10m).
Die negative Zahl hinter der ID stellt die Dämpfung der Leitungen/Verteiler bei der jeweiligen Frequenz bis vor die Dose dar.
Der Pegel unter dem Dosentyp, soll den jeweiligen Ausgangspegel darstellen (unter Berücksichtigung des Dosentyps bzw. dessen Dämpfung).
Damit es nicht langweilig wird, habe ich alles wieder ein wenig farbig gemacht: Diesmal um die Dosen eines Strangs besser identifizieren zu können.
			
			
									
						Die Idee ist gut und ich habe es mir am Wochenende nochmal durch den Kopf (und Taschenrechner) gehen lassen. Habe ein paar Verteiler ersetzt und etwas umgepatcht. Meinen (theoretischen) Berechungen nach liege ich jetzt mit den Pegeln überall zwischen 47-70db. Damit sollten wir zum einen gerade so über dem Minimalpegel, aber auch noch so weit unter dem Maximalpegel liegen, das die eine oder andere Leitung auch noch etwas "besser" sein darf als hier angenommen. In WE10,11,13 könnte es etwas knapp werden - mal schauen, wie das analoge Bild dann dort aussieht. Auf jeden Fall haben wir so in jedem Strang noch eine ID in Reserve. Habe ich was vergessen ... ? Ach so - die Erklärung ...techno-com hat geschrieben:... Spart einen 3-fach Verteiler (macht einen 2-fach drauß) und bringt so auf den oben schon relevanten Strang ein paar db mehr ...
 
 Die zurückzubauenden Leitungen habe ich jetzt aus dem Plan entfernt. Da fast alle Kabel alt sind, habe ich mit den dort abgebildeten Dämpfungen gerechnet (3-4db/10m).
Die negative Zahl hinter der ID stellt die Dämpfung der Leitungen/Verteiler bei der jeweiligen Frequenz bis vor die Dose dar.
Der Pegel unter dem Dosentyp, soll den jeweiligen Ausgangspegel darstellen (unter Berücksichtigung des Dosentyps bzw. dessen Dämpfung).
Damit es nicht langweilig wird, habe ich alles wieder ein wenig farbig gemacht: Diesmal um die Dosen eines Strangs besser identifizieren zu können.
- techno-com
- Site Admin
- Beiträge: 22432
- Registriert: 17. November 2005 09:32
- Wohnort: 74076 Heilbronn
- Hat sich bedankt: 504 Mal
- Danksagung erhalten: 574 Mal
- Kontaktdaten:
Re: Umrüstung Kabel auf Sat im Altbau
Das sieht doch gut aus.....
Aber noch eine Sache => die Kabeldämpfung, Verteilerdämpfung und Dosen-Anschlussdämpfung ist natürlich je nach ID (als "Frequenz") unterschiedlich das man das nicht pauschal für jede Dose gleich so berechnen kann..... bei nur 1076MHz (Unicable-ID 1) ist die Dämpfung auf den Kabeln etc. natürlich viel geringer als bei 1790 MHz (Unicable-ID 8).... von daher sind an den kritischen Stellen sicher mehr dbµV dann anliegend als hier berechnet.
			
			
									
						Aber noch eine Sache => die Kabeldämpfung, Verteilerdämpfung und Dosen-Anschlussdämpfung ist natürlich je nach ID (als "Frequenz") unterschiedlich das man das nicht pauschal für jede Dose gleich so berechnen kann..... bei nur 1076MHz (Unicable-ID 1) ist die Dämpfung auf den Kabeln etc. natürlich viel geringer als bei 1790 MHz (Unicable-ID 8).... von daher sind an den kritischen Stellen sicher mehr dbµV dann anliegend als hier berechnet.
Vielleicht sind wir nicht günstiger als ein Discounter oder reiner Online-Kartonschieber, aber sicherlich besser ! 
Normkonforme Beratung und Bau sind bei uns selbstverständlich.
Sat-Shop Heilbronn Kunden können sich auch nach dem Kauf auf unseren besten Service verlassen
Hier im Forum wird kein After-Sales-Support für Fremdkäufe geleistet !! Wenden Sie sich dazu an ihren Verkäufer ......
Tristan Uhde / Satanlagen Onlineshop / SAT-Shop Heilbronn
https://www.satshop-heilbronn.de (SSL) / SAT-Onlineforum https://www.satanlagenforum.de (SSL)
Tel ------ (Fragen gehören ins Forum ! Den nur hier können sie richtig bearbeitet werden, auch was hier noch nicht von A-Z genau schon erklärt/behandelt ist ) .. Dieser Hinweis weil täglich dutzende Fragen per Email oder per PM über das Forum rein kommen die noch dazu inhaltlich nicht das intus haben das man etwas dazu sagen könnte.
Wichtiger Hinweis: Zuständigkeiten verantwortliche Elektrofachkraft (VEFK) und Blitzschutzfachkräfte
Informieren Sie sich dort über Folgen und Auswirkungen von Eigenleistung und lassen Sie selbst durchgeführte Installationen von entsprechender Stelle prüfen und abnehmen. Dafür sind VOR ORT spezielle und qualifizierte Blitzschutz-Fachkräfte notwendig, Ferndiagnosen für Blitzschutz/Erdung können hier NICHT durchgeführt werden ("wie kann ICH das machen ..." oder ähnlich bringt da nichts).
Diese Signatur wächst von Woche zu Woche und enthält immer mehr grundlegende Inhalte die bitte berücksichtigt werden sollten bei bzw. VOR Anfragen !
100% beantwortet werden können nur Anfragen die auch alle relevanten Teile beinhalten die man benötigt für eine Antwort (genaue Beschreibungen/ Angabe von Herstellern/Typen für vorhandenes Material etc.). Bitte vermeiden Sie Aussagen wie "habe viel gelesen, aber versteht das nicht ..." ohne Nennung von dem was Sie gelesen haben und was genau unklar war an den Erklärungen die hier gelesen wurden - den nur dann kann man auch darauf eingehen was event. unklar ist/war.
Bitte unbedingt vor einem Post lesen => Boardregeln / Datenschutz
Wir erteilen hier keine Rechtsberatung, unsere Hinweise sind nach bestem Wissen und bedürfen einer entsprechenden juristischen/technischen weiteren Beratung.
			
						Normkonforme Beratung und Bau sind bei uns selbstverständlich.
Sat-Shop Heilbronn Kunden können sich auch nach dem Kauf auf unseren besten Service verlassen
Hier im Forum wird kein After-Sales-Support für Fremdkäufe geleistet !! Wenden Sie sich dazu an ihren Verkäufer ......
Tristan Uhde / Satanlagen Onlineshop / SAT-Shop Heilbronn
https://www.satshop-heilbronn.de (SSL) / SAT-Onlineforum https://www.satanlagenforum.de (SSL)
Tel ------ (Fragen gehören ins Forum ! Den nur hier können sie richtig bearbeitet werden, auch was hier noch nicht von A-Z genau schon erklärt/behandelt ist ) .. Dieser Hinweis weil täglich dutzende Fragen per Email oder per PM über das Forum rein kommen die noch dazu inhaltlich nicht das intus haben das man etwas dazu sagen könnte.
Wichtiger Hinweis: Zuständigkeiten verantwortliche Elektrofachkraft (VEFK) und Blitzschutzfachkräfte
Informieren Sie sich dort über Folgen und Auswirkungen von Eigenleistung und lassen Sie selbst durchgeführte Installationen von entsprechender Stelle prüfen und abnehmen. Dafür sind VOR ORT spezielle und qualifizierte Blitzschutz-Fachkräfte notwendig, Ferndiagnosen für Blitzschutz/Erdung können hier NICHT durchgeführt werden ("wie kann ICH das machen ..." oder ähnlich bringt da nichts).
Diese Signatur wächst von Woche zu Woche und enthält immer mehr grundlegende Inhalte die bitte berücksichtigt werden sollten bei bzw. VOR Anfragen !
100% beantwortet werden können nur Anfragen die auch alle relevanten Teile beinhalten die man benötigt für eine Antwort (genaue Beschreibungen/ Angabe von Herstellern/Typen für vorhandenes Material etc.). Bitte vermeiden Sie Aussagen wie "habe viel gelesen, aber versteht das nicht ..." ohne Nennung von dem was Sie gelesen haben und was genau unklar war an den Erklärungen die hier gelesen wurden - den nur dann kann man auch darauf eingehen was event. unklar ist/war.
Bitte unbedingt vor einem Post lesen => Boardregeln / Datenschutz
Wir erteilen hier keine Rechtsberatung, unsere Hinweise sind nach bestem Wissen und bedürfen einer entsprechenden juristischen/technischen weiteren Beratung.
Re: Umrüstung Kabel auf Sat im Altbau
Das habe ich eigentlich in der Leitungsdämpfung so grob mit einberechnet:techno-com hat geschrieben:... die Kabeldämpfung, Verteilerdämpfung und Dosen-Anschlussdämpfung ist natürlich je nach ID (als "Frequenz") unterschiedlich das man das nicht pauschal für jede Dose gleich so berechnen kann ...
8 (1790 MHz) = 4,0 db / 10m
7 (1688 MHz) = 3,8 db / 10m
6 (1586 MHz) = 3,6 db / 10m
5 (1484 MHz) = 3,4 db / 10m
4 (1382 MHz) = 3,3 db / 10m
3 (1280 MHz) = 3,2 db / 10m
2 (1178 MHz) = 3,1 db / 10m
1 (1076 MHz) = 3,0 db / 10m
Bei den Verteilern habe ich keine Angaben zu der Dämpfung bei unterschiedlichen Frequenzen gefunden.
- techno-com
- Site Admin
- Beiträge: 22432
- Registriert: 17. November 2005 09:32
- Wohnort: 74076 Heilbronn
- Hat sich bedankt: 504 Mal
- Danksagung erhalten: 574 Mal
- Kontaktdaten:
Re: Umrüstung Kabel auf Sat im Altbau
Hier mal die Daten von einem "schlechteren" Kabel 
			
			
									
						Ihres wird noch "schlechter" sein, von daher kommen da ihre Berechnungen gut hin.... Vergessen sie das bei den Verteilern + Dosen, da wirkt sich das nicht so stark aus das man es mit berechnen/einplanen kann.Dämpfung (20 °C, < dB/100 m)
5 MHz: 1.90
55 MHz: 5.25
211 MHz: 10.00
270 MHz: 11.10
300 MHz: 11.64
330 MHz: 12.30
400 MHz: 13.61
450 MHz: 14.43
550 MHz: 16.08
750 MHz: 18.54
870 MHz: 20.06
1000 MHz: 21.49
1450 MHz: 27.1
1750 MHz: 30.5
2150 MHz: 33.5
Vielleicht sind wir nicht günstiger als ein Discounter oder reiner Online-Kartonschieber, aber sicherlich besser ! 
Normkonforme Beratung und Bau sind bei uns selbstverständlich.
Sat-Shop Heilbronn Kunden können sich auch nach dem Kauf auf unseren besten Service verlassen
Hier im Forum wird kein After-Sales-Support für Fremdkäufe geleistet !! Wenden Sie sich dazu an ihren Verkäufer ......
Tristan Uhde / Satanlagen Onlineshop / SAT-Shop Heilbronn
https://www.satshop-heilbronn.de (SSL) / SAT-Onlineforum https://www.satanlagenforum.de (SSL)
Tel ------ (Fragen gehören ins Forum ! Den nur hier können sie richtig bearbeitet werden, auch was hier noch nicht von A-Z genau schon erklärt/behandelt ist ) .. Dieser Hinweis weil täglich dutzende Fragen per Email oder per PM über das Forum rein kommen die noch dazu inhaltlich nicht das intus haben das man etwas dazu sagen könnte.
Wichtiger Hinweis: Zuständigkeiten verantwortliche Elektrofachkraft (VEFK) und Blitzschutzfachkräfte
Informieren Sie sich dort über Folgen und Auswirkungen von Eigenleistung und lassen Sie selbst durchgeführte Installationen von entsprechender Stelle prüfen und abnehmen. Dafür sind VOR ORT spezielle und qualifizierte Blitzschutz-Fachkräfte notwendig, Ferndiagnosen für Blitzschutz/Erdung können hier NICHT durchgeführt werden ("wie kann ICH das machen ..." oder ähnlich bringt da nichts).
Diese Signatur wächst von Woche zu Woche und enthält immer mehr grundlegende Inhalte die bitte berücksichtigt werden sollten bei bzw. VOR Anfragen !
100% beantwortet werden können nur Anfragen die auch alle relevanten Teile beinhalten die man benötigt für eine Antwort (genaue Beschreibungen/ Angabe von Herstellern/Typen für vorhandenes Material etc.). Bitte vermeiden Sie Aussagen wie "habe viel gelesen, aber versteht das nicht ..." ohne Nennung von dem was Sie gelesen haben und was genau unklar war an den Erklärungen die hier gelesen wurden - den nur dann kann man auch darauf eingehen was event. unklar ist/war.
Bitte unbedingt vor einem Post lesen => Boardregeln / Datenschutz
Wir erteilen hier keine Rechtsberatung, unsere Hinweise sind nach bestem Wissen und bedürfen einer entsprechenden juristischen/technischen weiteren Beratung.
			
						Normkonforme Beratung und Bau sind bei uns selbstverständlich.
Sat-Shop Heilbronn Kunden können sich auch nach dem Kauf auf unseren besten Service verlassen
Hier im Forum wird kein After-Sales-Support für Fremdkäufe geleistet !! Wenden Sie sich dazu an ihren Verkäufer ......
Tristan Uhde / Satanlagen Onlineshop / SAT-Shop Heilbronn
https://www.satshop-heilbronn.de (SSL) / SAT-Onlineforum https://www.satanlagenforum.de (SSL)
Tel ------ (Fragen gehören ins Forum ! Den nur hier können sie richtig bearbeitet werden, auch was hier noch nicht von A-Z genau schon erklärt/behandelt ist ) .. Dieser Hinweis weil täglich dutzende Fragen per Email oder per PM über das Forum rein kommen die noch dazu inhaltlich nicht das intus haben das man etwas dazu sagen könnte.
Wichtiger Hinweis: Zuständigkeiten verantwortliche Elektrofachkraft (VEFK) und Blitzschutzfachkräfte
Informieren Sie sich dort über Folgen und Auswirkungen von Eigenleistung und lassen Sie selbst durchgeführte Installationen von entsprechender Stelle prüfen und abnehmen. Dafür sind VOR ORT spezielle und qualifizierte Blitzschutz-Fachkräfte notwendig, Ferndiagnosen für Blitzschutz/Erdung können hier NICHT durchgeführt werden ("wie kann ICH das machen ..." oder ähnlich bringt da nichts).
Diese Signatur wächst von Woche zu Woche und enthält immer mehr grundlegende Inhalte die bitte berücksichtigt werden sollten bei bzw. VOR Anfragen !
100% beantwortet werden können nur Anfragen die auch alle relevanten Teile beinhalten die man benötigt für eine Antwort (genaue Beschreibungen/ Angabe von Herstellern/Typen für vorhandenes Material etc.). Bitte vermeiden Sie Aussagen wie "habe viel gelesen, aber versteht das nicht ..." ohne Nennung von dem was Sie gelesen haben und was genau unklar war an den Erklärungen die hier gelesen wurden - den nur dann kann man auch darauf eingehen was event. unklar ist/war.
Bitte unbedingt vor einem Post lesen => Boardregeln / Datenschutz
Wir erteilen hier keine Rechtsberatung, unsere Hinweise sind nach bestem Wissen und bedürfen einer entsprechenden juristischen/technischen weiteren Beratung.
Re: Umrüstung Kabel auf Sat im Altbau
Um dem Ganzen hier auch noch einen Abschluss zu geben:
Nachdem die Schüssel auf dem Dach montiert wurde und ich die Unicable-Umsetzer montiert hatte, haben wir innerhalb einer Woche Strang für Strang vom Kabelanschluss auf die neue Sat-Anlage geschaltet. Dabei sorgten dann doch noch mal einige Leitungen für ein paar Überraschungen und wurden teilweise komplett ersetzt.
Die erste Verzweifelung am eigenen technischen Verständnis begann dann auch gleich an der ersten Dose: vorher Kabelsignal i.O. -> nach Umbau auf Unicable: Kabelsignal ok - aber kein Signal am Sat-Anschluss und Dose ließ sich auch nicht auslesen oder programmieren. 
 
Was nun ? -> Ganz klar - das Glück an der nächsten Dose probieren ...
  -> Ganz klar - das Glück an der nächsten Dose probieren ...  
Wie sich später herausstellte, hatte ich gleich auf der ersten Leitung einen Kurzschluss (3 Ohm gegen Abschirmung) - warum auch immer da noch das Kabelsignal einwandfrei (!) mit funktionierte. Leitung ersetzt und seitdem war das Multimeter bei jedem Dosenumbau mit dabei. Soweit ich mich erinnere waren das ca. 5.7kOhm (?) auf der Leitung mit montierter (programmierbarer) Unicable-Dose und der Strang war ok. Es hatte sich dann auch nur einmal noch ein Montagefehler eingeschlichen (Kurzschluss durch Verbindung eines feinen Drahtes des Schirms mit dem Leiter im Dosenanschluss).
Davon abgesehen verlief aber sonst alles relativ fehlerfrei und funktionierte auf Anhieb ! Die Programmierung der Dosen und Receiver war dann auch schnell erledigt. An dieser Stelle noch mal ein großes an Herrn Uhde für die Hilfe hier im Forum und den zügigen Versand der Komponenten !
 an Herrn Uhde für die Hilfe hier im Forum und den zügigen Versand der Komponenten !   
 
Inzwischen läuft die Anlage schon seit fast 2 Monaten einwandfrei. Der Kabelanschluss ist abgemeldet und am CATV-Eingang hängt nun auch die UKW/DAB Antenne. Der UKW-Empfang ist super. Der DAB-Empfang (schon im Keller vor der Einspeisung) recht schlecht (nur die Hälfte der Sender und Emfpangsstärke als mit der Wurfantenne) - das muss ich mir bei Gelegenheit noch mal genauer ansehen und ggf. mal mit einem Verstärker experimentieren.
Und noch ein paar Bilder
			
			
									
						Nachdem die Schüssel auf dem Dach montiert wurde und ich die Unicable-Umsetzer montiert hatte, haben wir innerhalb einer Woche Strang für Strang vom Kabelanschluss auf die neue Sat-Anlage geschaltet. Dabei sorgten dann doch noch mal einige Leitungen für ein paar Überraschungen und wurden teilweise komplett ersetzt.
Die erste Verzweifelung am eigenen technischen Verständnis begann dann auch gleich an der ersten Dose: vorher Kabelsignal i.O. -> nach Umbau auf Unicable: Kabelsignal ok - aber kein Signal am Sat-Anschluss und Dose ließ sich auch nicht auslesen oder programmieren.
 
 Was nun ?
 -> Ganz klar - das Glück an der nächsten Dose probieren ...
  -> Ganz klar - das Glück an der nächsten Dose probieren ...  
Wie sich später herausstellte, hatte ich gleich auf der ersten Leitung einen Kurzschluss (3 Ohm gegen Abschirmung) - warum auch immer da noch das Kabelsignal einwandfrei (!) mit funktionierte. Leitung ersetzt und seitdem war das Multimeter bei jedem Dosenumbau mit dabei. Soweit ich mich erinnere waren das ca. 5.7kOhm (?) auf der Leitung mit montierter (programmierbarer) Unicable-Dose und der Strang war ok. Es hatte sich dann auch nur einmal noch ein Montagefehler eingeschlichen (Kurzschluss durch Verbindung eines feinen Drahtes des Schirms mit dem Leiter im Dosenanschluss).
Davon abgesehen verlief aber sonst alles relativ fehlerfrei und funktionierte auf Anhieb ! Die Programmierung der Dosen und Receiver war dann auch schnell erledigt. An dieser Stelle noch mal ein großes
 an Herrn Uhde für die Hilfe hier im Forum und den zügigen Versand der Komponenten !
 an Herrn Uhde für die Hilfe hier im Forum und den zügigen Versand der Komponenten !   
 Inzwischen läuft die Anlage schon seit fast 2 Monaten einwandfrei. Der Kabelanschluss ist abgemeldet und am CATV-Eingang hängt nun auch die UKW/DAB Antenne. Der UKW-Empfang ist super. Der DAB-Empfang (schon im Keller vor der Einspeisung) recht schlecht (nur die Hälfte der Sender und Emfpangsstärke als mit der Wurfantenne) - das muss ich mir bei Gelegenheit noch mal genauer ansehen und ggf. mal mit einem Verstärker experimentieren.
Und noch ein paar Bilder
- techno-com
- Site Admin
- Beiträge: 22432
- Registriert: 17. November 2005 09:32
- Wohnort: 74076 Heilbronn
- Hat sich bedankt: 504 Mal
- Danksagung erhalten: 574 Mal
- Kontaktdaten:
Re: Umrüstung Kabel auf Sat im Altbau
 für den Erfahrungsbericht und die Bilder
  für den Erfahrungsbericht und die Bilder   
 Für die Vollständigkeit vom Beitrag hier noch ein Screenshot davon: Dann weiterhin
 
 P.S. DAB+ wird am Signalpegel liegen ..... der CATV-Eingang wird tlw. bis zu 20db im Durchgang an die Stammleitungen gedämpft, das muss per Verstärker kompensiert werden.
Vielleicht sind wir nicht günstiger als ein Discounter oder reiner Online-Kartonschieber, aber sicherlich besser ! 
Normkonforme Beratung und Bau sind bei uns selbstverständlich.
Sat-Shop Heilbronn Kunden können sich auch nach dem Kauf auf unseren besten Service verlassen
Hier im Forum wird kein After-Sales-Support für Fremdkäufe geleistet !! Wenden Sie sich dazu an ihren Verkäufer ......
Tristan Uhde / Satanlagen Onlineshop / SAT-Shop Heilbronn
https://www.satshop-heilbronn.de (SSL) / SAT-Onlineforum https://www.satanlagenforum.de (SSL)
Tel ------ (Fragen gehören ins Forum ! Den nur hier können sie richtig bearbeitet werden, auch was hier noch nicht von A-Z genau schon erklärt/behandelt ist ) .. Dieser Hinweis weil täglich dutzende Fragen per Email oder per PM über das Forum rein kommen die noch dazu inhaltlich nicht das intus haben das man etwas dazu sagen könnte.
Wichtiger Hinweis: Zuständigkeiten verantwortliche Elektrofachkraft (VEFK) und Blitzschutzfachkräfte
Informieren Sie sich dort über Folgen und Auswirkungen von Eigenleistung und lassen Sie selbst durchgeführte Installationen von entsprechender Stelle prüfen und abnehmen. Dafür sind VOR ORT spezielle und qualifizierte Blitzschutz-Fachkräfte notwendig, Ferndiagnosen für Blitzschutz/Erdung können hier NICHT durchgeführt werden ("wie kann ICH das machen ..." oder ähnlich bringt da nichts).
Diese Signatur wächst von Woche zu Woche und enthält immer mehr grundlegende Inhalte die bitte berücksichtigt werden sollten bei bzw. VOR Anfragen !
100% beantwortet werden können nur Anfragen die auch alle relevanten Teile beinhalten die man benötigt für eine Antwort (genaue Beschreibungen/ Angabe von Herstellern/Typen für vorhandenes Material etc.). Bitte vermeiden Sie Aussagen wie "habe viel gelesen, aber versteht das nicht ..." ohne Nennung von dem was Sie gelesen haben und was genau unklar war an den Erklärungen die hier gelesen wurden - den nur dann kann man auch darauf eingehen was event. unklar ist/war.
Bitte unbedingt vor einem Post lesen => Boardregeln / Datenschutz
Wir erteilen hier keine Rechtsberatung, unsere Hinweise sind nach bestem Wissen und bedürfen einer entsprechenden juristischen/technischen weiteren Beratung.
			
						Normkonforme Beratung und Bau sind bei uns selbstverständlich.
Sat-Shop Heilbronn Kunden können sich auch nach dem Kauf auf unseren besten Service verlassen
Hier im Forum wird kein After-Sales-Support für Fremdkäufe geleistet !! Wenden Sie sich dazu an ihren Verkäufer ......
Tristan Uhde / Satanlagen Onlineshop / SAT-Shop Heilbronn
https://www.satshop-heilbronn.de (SSL) / SAT-Onlineforum https://www.satanlagenforum.de (SSL)
Tel ------ (Fragen gehören ins Forum ! Den nur hier können sie richtig bearbeitet werden, auch was hier noch nicht von A-Z genau schon erklärt/behandelt ist ) .. Dieser Hinweis weil täglich dutzende Fragen per Email oder per PM über das Forum rein kommen die noch dazu inhaltlich nicht das intus haben das man etwas dazu sagen könnte.
Wichtiger Hinweis: Zuständigkeiten verantwortliche Elektrofachkraft (VEFK) und Blitzschutzfachkräfte
Informieren Sie sich dort über Folgen und Auswirkungen von Eigenleistung und lassen Sie selbst durchgeführte Installationen von entsprechender Stelle prüfen und abnehmen. Dafür sind VOR ORT spezielle und qualifizierte Blitzschutz-Fachkräfte notwendig, Ferndiagnosen für Blitzschutz/Erdung können hier NICHT durchgeführt werden ("wie kann ICH das machen ..." oder ähnlich bringt da nichts).
Diese Signatur wächst von Woche zu Woche und enthält immer mehr grundlegende Inhalte die bitte berücksichtigt werden sollten bei bzw. VOR Anfragen !
100% beantwortet werden können nur Anfragen die auch alle relevanten Teile beinhalten die man benötigt für eine Antwort (genaue Beschreibungen/ Angabe von Herstellern/Typen für vorhandenes Material etc.). Bitte vermeiden Sie Aussagen wie "habe viel gelesen, aber versteht das nicht ..." ohne Nennung von dem was Sie gelesen haben und was genau unklar war an den Erklärungen die hier gelesen wurden - den nur dann kann man auch darauf eingehen was event. unklar ist/war.
Bitte unbedingt vor einem Post lesen => Boardregeln / Datenschutz
Wir erteilen hier keine Rechtsberatung, unsere Hinweise sind nach bestem Wissen und bedürfen einer entsprechenden juristischen/technischen weiteren Beratung.
Re: Umrüstung Kabel auf Sat im Altbau
Hallo,
Nach 2,5 Jahren läuft immer noch alles Bestens. 
 
Jetzt soll das Büro rechts im EG zu WG-Zimmern umgebaut werden. Dazu sind mind. 4 weitere Sat-Anschlüsse geplant. Da die Leitungen dahin eh neu gezogen werden müssen (nix vorhanden), habe ich mir gedacht, diese dann direkt (sternförmig) zum Multischalter im Keller zu ziehen und normal als Legacy zu integrieren.
Nur um eine 2. Meinung zu haben: Da die vorhandenen Anschlüsse nicht mehr ausreichen, sollte doch ein Jultec JRM0508A perfekt mit der bestehenden Anlage harmonieren (vor den letzten JPS0501-8TN zwischengeschaltet) ?
			
			
									
						Nach 2,5 Jahren läuft immer noch alles Bestens.
 
 Jetzt soll das Büro rechts im EG zu WG-Zimmern umgebaut werden. Dazu sind mind. 4 weitere Sat-Anschlüsse geplant. Da die Leitungen dahin eh neu gezogen werden müssen (nix vorhanden), habe ich mir gedacht, diese dann direkt (sternförmig) zum Multischalter im Keller zu ziehen und normal als Legacy zu integrieren.
Nur um eine 2. Meinung zu haben: Da die vorhandenen Anschlüsse nicht mehr ausreichen, sollte doch ein Jultec JRM0508A perfekt mit der bestehenden Anlage harmonieren (vor den letzten JPS0501-8TN zwischengeschaltet) ?
- techno-com
- Site Admin
- Beiträge: 22432
- Registriert: 17. November 2005 09:32
- Wohnort: 74076 Heilbronn
- Hat sich bedankt: 504 Mal
- Danksagung erhalten: 574 Mal
- Kontaktdaten:
Re: Umrüstung Kabel auf Sat im Altbau
Hallo zurück   
 
Ist ja immer gut so lange nichts zu hören, hat ja immer zu bedeuten das alles OK ist 
 
Hier gerade parallel wurde eine Anlage abgearbeitet die ihrer absolut ähnelt übrigens => Unicable System JPS0501-8 Antennendosen-Auswahl JAP/JAD
Auch mit 3 JPS0501-8 Schaltern, dort aber mit zusätzlich noch einer terrestrischen Einspeisung und JAP-Antennendosen gegen Fehlprogrammierungen bei wohnungsübergreifender Installation etc. ! Das alles dort auch aufgebaut im abschließbaren Schaltschrank, also auf einer Lochblechplatte.
Aber zu ihrer Frage:
Ich denke das ein JRM0508A dort vor dem ersten JPS0501-8A absolut ohne Probleme funktionieren würde. Die mehr db an Durchgangsdämpfung (LNB-Eingänge auf Kaskadenausgänge) werden ja von der AGC (Auto Gain Control - automatische Verstärkungsregelung) der JPS-Schalter wieder kompensiert so daß der Ausgangspegel wieder gleich bleibt wie zuvor.
Eine Alternative wäre, wenn jetzt z.B. einer der Stämme nicht mehr genug Umsetzungen mit den 8 bietet (-8er Schalter ja aktuell im Einsatz), einen JPS0501-12AN vor zu schalten und diesen für den relevanten alten Strang herzunehmen. Den so frei werdenden JPS0501-8 dann verwenden für ihr neues Vorhaben, dann natürlich per Unicable-Versorgung nur (was ja an dieser Anlage kein Nachteil sein sollte und auch weniger Kabel so zu den neuen Anschlüssen gezogen werden müsste).
			
			
									
						 
 Ist ja immer gut so lange nichts zu hören, hat ja immer zu bedeuten das alles OK ist
 
 Hier gerade parallel wurde eine Anlage abgearbeitet die ihrer absolut ähnelt übrigens => Unicable System JPS0501-8 Antennendosen-Auswahl JAP/JAD
Auch mit 3 JPS0501-8 Schaltern, dort aber mit zusätzlich noch einer terrestrischen Einspeisung und JAP-Antennendosen gegen Fehlprogrammierungen bei wohnungsübergreifender Installation etc. ! Das alles dort auch aufgebaut im abschließbaren Schaltschrank, also auf einer Lochblechplatte.
Aber zu ihrer Frage:
Ich denke das ein JRM0508A dort vor dem ersten JPS0501-8A absolut ohne Probleme funktionieren würde. Die mehr db an Durchgangsdämpfung (LNB-Eingänge auf Kaskadenausgänge) werden ja von der AGC (Auto Gain Control - automatische Verstärkungsregelung) der JPS-Schalter wieder kompensiert so daß der Ausgangspegel wieder gleich bleibt wie zuvor.
Eine Alternative wäre, wenn jetzt z.B. einer der Stämme nicht mehr genug Umsetzungen mit den 8 bietet (-8er Schalter ja aktuell im Einsatz), einen JPS0501-12AN vor zu schalten und diesen für den relevanten alten Strang herzunehmen. Den so frei werdenden JPS0501-8 dann verwenden für ihr neues Vorhaben, dann natürlich per Unicable-Versorgung nur (was ja an dieser Anlage kein Nachteil sein sollte und auch weniger Kabel so zu den neuen Anschlüssen gezogen werden müsste).
Vielleicht sind wir nicht günstiger als ein Discounter oder reiner Online-Kartonschieber, aber sicherlich besser ! 
Normkonforme Beratung und Bau sind bei uns selbstverständlich.
Sat-Shop Heilbronn Kunden können sich auch nach dem Kauf auf unseren besten Service verlassen
Hier im Forum wird kein After-Sales-Support für Fremdkäufe geleistet !! Wenden Sie sich dazu an ihren Verkäufer ......
Tristan Uhde / Satanlagen Onlineshop / SAT-Shop Heilbronn
https://www.satshop-heilbronn.de (SSL) / SAT-Onlineforum https://www.satanlagenforum.de (SSL)
Tel ------ (Fragen gehören ins Forum ! Den nur hier können sie richtig bearbeitet werden, auch was hier noch nicht von A-Z genau schon erklärt/behandelt ist ) .. Dieser Hinweis weil täglich dutzende Fragen per Email oder per PM über das Forum rein kommen die noch dazu inhaltlich nicht das intus haben das man etwas dazu sagen könnte.
Wichtiger Hinweis: Zuständigkeiten verantwortliche Elektrofachkraft (VEFK) und Blitzschutzfachkräfte
Informieren Sie sich dort über Folgen und Auswirkungen von Eigenleistung und lassen Sie selbst durchgeführte Installationen von entsprechender Stelle prüfen und abnehmen. Dafür sind VOR ORT spezielle und qualifizierte Blitzschutz-Fachkräfte notwendig, Ferndiagnosen für Blitzschutz/Erdung können hier NICHT durchgeführt werden ("wie kann ICH das machen ..." oder ähnlich bringt da nichts).
Diese Signatur wächst von Woche zu Woche und enthält immer mehr grundlegende Inhalte die bitte berücksichtigt werden sollten bei bzw. VOR Anfragen !
100% beantwortet werden können nur Anfragen die auch alle relevanten Teile beinhalten die man benötigt für eine Antwort (genaue Beschreibungen/ Angabe von Herstellern/Typen für vorhandenes Material etc.). Bitte vermeiden Sie Aussagen wie "habe viel gelesen, aber versteht das nicht ..." ohne Nennung von dem was Sie gelesen haben und was genau unklar war an den Erklärungen die hier gelesen wurden - den nur dann kann man auch darauf eingehen was event. unklar ist/war.
Bitte unbedingt vor einem Post lesen => Boardregeln / Datenschutz
Wir erteilen hier keine Rechtsberatung, unsere Hinweise sind nach bestem Wissen und bedürfen einer entsprechenden juristischen/technischen weiteren Beratung.
			
						Normkonforme Beratung und Bau sind bei uns selbstverständlich.
Sat-Shop Heilbronn Kunden können sich auch nach dem Kauf auf unseren besten Service verlassen
Hier im Forum wird kein After-Sales-Support für Fremdkäufe geleistet !! Wenden Sie sich dazu an ihren Verkäufer ......
Tristan Uhde / Satanlagen Onlineshop / SAT-Shop Heilbronn
https://www.satshop-heilbronn.de (SSL) / SAT-Onlineforum https://www.satanlagenforum.de (SSL)
Tel ------ (Fragen gehören ins Forum ! Den nur hier können sie richtig bearbeitet werden, auch was hier noch nicht von A-Z genau schon erklärt/behandelt ist ) .. Dieser Hinweis weil täglich dutzende Fragen per Email oder per PM über das Forum rein kommen die noch dazu inhaltlich nicht das intus haben das man etwas dazu sagen könnte.
Wichtiger Hinweis: Zuständigkeiten verantwortliche Elektrofachkraft (VEFK) und Blitzschutzfachkräfte
Informieren Sie sich dort über Folgen und Auswirkungen von Eigenleistung und lassen Sie selbst durchgeführte Installationen von entsprechender Stelle prüfen und abnehmen. Dafür sind VOR ORT spezielle und qualifizierte Blitzschutz-Fachkräfte notwendig, Ferndiagnosen für Blitzschutz/Erdung können hier NICHT durchgeführt werden ("wie kann ICH das machen ..." oder ähnlich bringt da nichts).
Diese Signatur wächst von Woche zu Woche und enthält immer mehr grundlegende Inhalte die bitte berücksichtigt werden sollten bei bzw. VOR Anfragen !
100% beantwortet werden können nur Anfragen die auch alle relevanten Teile beinhalten die man benötigt für eine Antwort (genaue Beschreibungen/ Angabe von Herstellern/Typen für vorhandenes Material etc.). Bitte vermeiden Sie Aussagen wie "habe viel gelesen, aber versteht das nicht ..." ohne Nennung von dem was Sie gelesen haben und was genau unklar war an den Erklärungen die hier gelesen wurden - den nur dann kann man auch darauf eingehen was event. unklar ist/war.
Bitte unbedingt vor einem Post lesen => Boardregeln / Datenschutz
Wir erteilen hier keine Rechtsberatung, unsere Hinweise sind nach bestem Wissen und bedürfen einer entsprechenden juristischen/technischen weiteren Beratung.
Re: Umrüstung Kabel auf Sat im Altbau
Ahja - hat sich ja auch hier schon bewährt ...techno-com hat geschrieben:Hier gerade parallel wurde eine Anlage abgearbeitet die ihrer absolut ähnelt übrigens => Unicable System JPS0501-8 Antennendosen-Auswahl JAP/JAD
Auch mit 3 JPS0501-8 Schaltern, ...
 
 Heißt das, dass der JRM-Schalter kein AGC hat oder gibt es noch andere Gründe, weshalb der ganz vorn eingebaut werden sollte ? Sonst würde ich den nämlich einfach vor den letzten JPS0501-8TN setzen - das wäre vom Umbau her vmtl. am Einfachsten ohne alles komplett neu montieren zu müssen (nur Netzteil links rüber und den letzten JPS- eins tiefer und davor den JRM-).techno-com hat geschrieben:Ich denke das ein JRM0508A dort vor dem ersten JPS0501-8A absolut ohne Probleme funktionieren würde. Die mehr db an Durchgangsdämpfung (LNB-Eingänge auf Kaskadenausgänge) werden ja von der AGC (Auto Gain Control - automatische Verstärkungsregelung) der JPS-Schalter wieder kompensiert so daß der Ausgangspegel wieder gleich bleibt wie zuvor.
- techno-com
- Site Admin
- Beiträge: 22432
- Registriert: 17. November 2005 09:32
- Wohnort: 74076 Heilbronn
- Hat sich bedankt: 504 Mal
- Danksagung erhalten: 574 Mal
- Kontaktdaten:
Re: Umrüstung Kabel auf Sat im Altbau
Eine AGC gibt es nur bei Einkabel-Schaltern (JRS/JPS) !myoo hat geschrieben:Heißt das, dass der JRM-Schalter kein AGC hat oder gibt es noch andere Gründe, weshalb der ganz vorn eingebaut werden sollte ?
Aber nicht nur deshalb (was ich zuvor geschrieben habe), ich würde den JRM0508A vor den kompletten vorhandenen Aufbau setzen.myoo hat geschrieben:Sonst würde ich den nämlich einfach vor den letzten JPS0501-8TN setzen ....
Aber ein Test auch an vorletzter Position ist ja recht einfach und schnell gemacht.
Überlegen würde ich aber was ich zuvor schon geschrieben hatte, statt einem JRM wieder ein JPS einsetzen auch für diese Erweiterung.
Vielleicht sind wir nicht günstiger als ein Discounter oder reiner Online-Kartonschieber, aber sicherlich besser ! 
Normkonforme Beratung und Bau sind bei uns selbstverständlich.
Sat-Shop Heilbronn Kunden können sich auch nach dem Kauf auf unseren besten Service verlassen
Hier im Forum wird kein After-Sales-Support für Fremdkäufe geleistet !! Wenden Sie sich dazu an ihren Verkäufer ......
Tristan Uhde / Satanlagen Onlineshop / SAT-Shop Heilbronn
https://www.satshop-heilbronn.de (SSL) / SAT-Onlineforum https://www.satanlagenforum.de (SSL)
Tel ------ (Fragen gehören ins Forum ! Den nur hier können sie richtig bearbeitet werden, auch was hier noch nicht von A-Z genau schon erklärt/behandelt ist ) .. Dieser Hinweis weil täglich dutzende Fragen per Email oder per PM über das Forum rein kommen die noch dazu inhaltlich nicht das intus haben das man etwas dazu sagen könnte.
Wichtiger Hinweis: Zuständigkeiten verantwortliche Elektrofachkraft (VEFK) und Blitzschutzfachkräfte
Informieren Sie sich dort über Folgen und Auswirkungen von Eigenleistung und lassen Sie selbst durchgeführte Installationen von entsprechender Stelle prüfen und abnehmen. Dafür sind VOR ORT spezielle und qualifizierte Blitzschutz-Fachkräfte notwendig, Ferndiagnosen für Blitzschutz/Erdung können hier NICHT durchgeführt werden ("wie kann ICH das machen ..." oder ähnlich bringt da nichts).
Diese Signatur wächst von Woche zu Woche und enthält immer mehr grundlegende Inhalte die bitte berücksichtigt werden sollten bei bzw. VOR Anfragen !
100% beantwortet werden können nur Anfragen die auch alle relevanten Teile beinhalten die man benötigt für eine Antwort (genaue Beschreibungen/ Angabe von Herstellern/Typen für vorhandenes Material etc.). Bitte vermeiden Sie Aussagen wie "habe viel gelesen, aber versteht das nicht ..." ohne Nennung von dem was Sie gelesen haben und was genau unklar war an den Erklärungen die hier gelesen wurden - den nur dann kann man auch darauf eingehen was event. unklar ist/war.
Bitte unbedingt vor einem Post lesen => Boardregeln / Datenschutz
Wir erteilen hier keine Rechtsberatung, unsere Hinweise sind nach bestem Wissen und bedürfen einer entsprechenden juristischen/technischen weiteren Beratung.
			
						Normkonforme Beratung und Bau sind bei uns selbstverständlich.
Sat-Shop Heilbronn Kunden können sich auch nach dem Kauf auf unseren besten Service verlassen
Hier im Forum wird kein After-Sales-Support für Fremdkäufe geleistet !! Wenden Sie sich dazu an ihren Verkäufer ......
Tristan Uhde / Satanlagen Onlineshop / SAT-Shop Heilbronn
https://www.satshop-heilbronn.de (SSL) / SAT-Onlineforum https://www.satanlagenforum.de (SSL)
Tel ------ (Fragen gehören ins Forum ! Den nur hier können sie richtig bearbeitet werden, auch was hier noch nicht von A-Z genau schon erklärt/behandelt ist ) .. Dieser Hinweis weil täglich dutzende Fragen per Email oder per PM über das Forum rein kommen die noch dazu inhaltlich nicht das intus haben das man etwas dazu sagen könnte.
Wichtiger Hinweis: Zuständigkeiten verantwortliche Elektrofachkraft (VEFK) und Blitzschutzfachkräfte
Informieren Sie sich dort über Folgen und Auswirkungen von Eigenleistung und lassen Sie selbst durchgeführte Installationen von entsprechender Stelle prüfen und abnehmen. Dafür sind VOR ORT spezielle und qualifizierte Blitzschutz-Fachkräfte notwendig, Ferndiagnosen für Blitzschutz/Erdung können hier NICHT durchgeführt werden ("wie kann ICH das machen ..." oder ähnlich bringt da nichts).
Diese Signatur wächst von Woche zu Woche und enthält immer mehr grundlegende Inhalte die bitte berücksichtigt werden sollten bei bzw. VOR Anfragen !
100% beantwortet werden können nur Anfragen die auch alle relevanten Teile beinhalten die man benötigt für eine Antwort (genaue Beschreibungen/ Angabe von Herstellern/Typen für vorhandenes Material etc.). Bitte vermeiden Sie Aussagen wie "habe viel gelesen, aber versteht das nicht ..." ohne Nennung von dem was Sie gelesen haben und was genau unklar war an den Erklärungen die hier gelesen wurden - den nur dann kann man auch darauf eingehen was event. unklar ist/war.
Bitte unbedingt vor einem Post lesen => Boardregeln / Datenschutz
Wir erteilen hier keine Rechtsberatung, unsere Hinweise sind nach bestem Wissen und bedürfen einer entsprechenden juristischen/technischen weiteren Beratung.
Re: Umrüstung Kabel auf Sat im Altbau
Hallo,
Langsam wird es konkreter ...
Wenn es direkt für mich selbst wäre, würde (und werde) ich auch immer wieder auf Einkabel setzen - damit ist man einfach flexibler. Leider steht der eigentliche Eigentümer dem allgemeinen techn. Fortschritt nicht ganz so aufgeschlossen gegenüber (einfach nur auf den Scan-Knopf drücken - ist zu kompliziert die ID und Frequenz einzustellen und noch ein kompatibles Gerät zu haben ). Da wir technisch in den derzeitigen Einkabel-Strängen keine Engpässe haben und auch bei den neu zu installierenden Anschlüssen mechanisch genügend Platz in den vorhandenen Installationsrohren für eine Sternschaltung haben, bekommt er jetzt einfach seine Legacy Anschlüsse mit dem JRM-Schalter ...
 ). Da wir technisch in den derzeitigen Einkabel-Strängen keine Engpässe haben und auch bei den neu zu installierenden Anschlüssen mechanisch genügend Platz in den vorhandenen Installationsrohren für eine Sternschaltung haben, bekommt er jetzt einfach seine Legacy Anschlüsse mit dem JRM-Schalter ...
  
 
Da ich schon wieder eine Weile aus der Materie raus bin ...
- Ich suche dafür noch 100m Sat-Kabel auf das ich die 5.1 Self-Install Stecker (davon hab ich noch einige) gut drauf bekomme. Bisher habe ich mit dem Kathrein LCD 111 gute Erfahrungen gemacht. Das haben sie leider nicht im Shop - können sie mir da ein Anderes empfehlen ? Dieses könnte mit 6,8mm etwas klein sein (Kathrein hatte 7mm) ?
- Als 3-Loch Dose für den JRM0508A passen diese Dosen ? Mehr brauch ich da ja nicht - die ist bereits terminiert ?
			
			
									
						Langsam wird es konkreter ...
Wenn es direkt für mich selbst wäre, würde (und werde) ich auch immer wieder auf Einkabel setzen - damit ist man einfach flexibler. Leider steht der eigentliche Eigentümer dem allgemeinen techn. Fortschritt nicht ganz so aufgeschlossen gegenüber (einfach nur auf den Scan-Knopf drücken - ist zu kompliziert die ID und Frequenz einzustellen und noch ein kompatibles Gerät zu haben
 ). Da wir technisch in den derzeitigen Einkabel-Strängen keine Engpässe haben und auch bei den neu zu installierenden Anschlüssen mechanisch genügend Platz in den vorhandenen Installationsrohren für eine Sternschaltung haben, bekommt er jetzt einfach seine Legacy Anschlüsse mit dem JRM-Schalter ...
 ). Da wir technisch in den derzeitigen Einkabel-Strängen keine Engpässe haben und auch bei den neu zu installierenden Anschlüssen mechanisch genügend Platz in den vorhandenen Installationsrohren für eine Sternschaltung haben, bekommt er jetzt einfach seine Legacy Anschlüsse mit dem JRM-Schalter ... 
 Da ich schon wieder eine Weile aus der Materie raus bin ...
- Ich suche dafür noch 100m Sat-Kabel auf das ich die 5.1 Self-Install Stecker (davon hab ich noch einige) gut drauf bekomme. Bisher habe ich mit dem Kathrein LCD 111 gute Erfahrungen gemacht. Das haben sie leider nicht im Shop - können sie mir da ein Anderes empfehlen ? Dieses könnte mit 6,8mm etwas klein sein (Kathrein hatte 7mm) ?
- Als 3-Loch Dose für den JRM0508A passen diese Dosen ? Mehr brauch ich da ja nicht - die ist bereits terminiert ?
- techno-com
- Site Admin
- Beiträge: 22432
- Registriert: 17. November 2005 09:32
- Wohnort: 74076 Heilbronn
- Hat sich bedankt: 504 Mal
- Danksagung erhalten: 574 Mal
- Kontaktdaten:
Re: Umrüstung Kabel auf Sat im Altbau
Moinmyoo hat geschrieben:Hallo,
 
 Es kommt nicht nur auf den Gesamtdurchmesser beim Kabel an, es geht da mehr um den Durchmesser vom "Dielektrikum" (Innenleiter + "Schäumung" um diesen herum) das der Stecker richtig passt ... Ich bin mit diesem Kabel bisher immer sehr gut gefahren, setze das selbst bei meinen Installationen ein (sogar die Version eines darunter mit einer Schirmdämpfung von 90db durch nur 2-fach Schirmung im Kabel).myoo hat geschrieben:.... können sie mir da ein Anderes empfehlen ? Dieses könnte mit 6,8mm etwas klein sein (Kathrein hatte 7mm) ?
Das sind Stichdosen, also für den Einsatz direkt am LNB bzw. Multischalter-Ausgang ! Passen also ......myoo hat geschrieben:- Als 3-Loch Dose für den JRM0508A passen diese Dosen ? Mehr brauch ich da ja nicht - die ist bereits terminiert ?
Besser und für sie bekannter => Jultec JAD300TRS
Auch hier noch der Screenshot ihrer Bestellung für die Vollständigkeit vom Beitrag:
Vielleicht sind wir nicht günstiger als ein Discounter oder reiner Online-Kartonschieber, aber sicherlich besser ! 
Normkonforme Beratung und Bau sind bei uns selbstverständlich.
Sat-Shop Heilbronn Kunden können sich auch nach dem Kauf auf unseren besten Service verlassen
Hier im Forum wird kein After-Sales-Support für Fremdkäufe geleistet !! Wenden Sie sich dazu an ihren Verkäufer ......
Tristan Uhde / Satanlagen Onlineshop / SAT-Shop Heilbronn
https://www.satshop-heilbronn.de (SSL) / SAT-Onlineforum https://www.satanlagenforum.de (SSL)
Tel ------ (Fragen gehören ins Forum ! Den nur hier können sie richtig bearbeitet werden, auch was hier noch nicht von A-Z genau schon erklärt/behandelt ist ) .. Dieser Hinweis weil täglich dutzende Fragen per Email oder per PM über das Forum rein kommen die noch dazu inhaltlich nicht das intus haben das man etwas dazu sagen könnte.
Wichtiger Hinweis: Zuständigkeiten verantwortliche Elektrofachkraft (VEFK) und Blitzschutzfachkräfte
Informieren Sie sich dort über Folgen und Auswirkungen von Eigenleistung und lassen Sie selbst durchgeführte Installationen von entsprechender Stelle prüfen und abnehmen. Dafür sind VOR ORT spezielle und qualifizierte Blitzschutz-Fachkräfte notwendig, Ferndiagnosen für Blitzschutz/Erdung können hier NICHT durchgeführt werden ("wie kann ICH das machen ..." oder ähnlich bringt da nichts).
Diese Signatur wächst von Woche zu Woche und enthält immer mehr grundlegende Inhalte die bitte berücksichtigt werden sollten bei bzw. VOR Anfragen !
100% beantwortet werden können nur Anfragen die auch alle relevanten Teile beinhalten die man benötigt für eine Antwort (genaue Beschreibungen/ Angabe von Herstellern/Typen für vorhandenes Material etc.). Bitte vermeiden Sie Aussagen wie "habe viel gelesen, aber versteht das nicht ..." ohne Nennung von dem was Sie gelesen haben und was genau unklar war an den Erklärungen die hier gelesen wurden - den nur dann kann man auch darauf eingehen was event. unklar ist/war.
Bitte unbedingt vor einem Post lesen => Boardregeln / Datenschutz
Wir erteilen hier keine Rechtsberatung, unsere Hinweise sind nach bestem Wissen und bedürfen einer entsprechenden juristischen/technischen weiteren Beratung.
			
						Normkonforme Beratung und Bau sind bei uns selbstverständlich.
Sat-Shop Heilbronn Kunden können sich auch nach dem Kauf auf unseren besten Service verlassen
Hier im Forum wird kein After-Sales-Support für Fremdkäufe geleistet !! Wenden Sie sich dazu an ihren Verkäufer ......
Tristan Uhde / Satanlagen Onlineshop / SAT-Shop Heilbronn
https://www.satshop-heilbronn.de (SSL) / SAT-Onlineforum https://www.satanlagenforum.de (SSL)
Tel ------ (Fragen gehören ins Forum ! Den nur hier können sie richtig bearbeitet werden, auch was hier noch nicht von A-Z genau schon erklärt/behandelt ist ) .. Dieser Hinweis weil täglich dutzende Fragen per Email oder per PM über das Forum rein kommen die noch dazu inhaltlich nicht das intus haben das man etwas dazu sagen könnte.
Wichtiger Hinweis: Zuständigkeiten verantwortliche Elektrofachkraft (VEFK) und Blitzschutzfachkräfte
Informieren Sie sich dort über Folgen und Auswirkungen von Eigenleistung und lassen Sie selbst durchgeführte Installationen von entsprechender Stelle prüfen und abnehmen. Dafür sind VOR ORT spezielle und qualifizierte Blitzschutz-Fachkräfte notwendig, Ferndiagnosen für Blitzschutz/Erdung können hier NICHT durchgeführt werden ("wie kann ICH das machen ..." oder ähnlich bringt da nichts).
Diese Signatur wächst von Woche zu Woche und enthält immer mehr grundlegende Inhalte die bitte berücksichtigt werden sollten bei bzw. VOR Anfragen !
100% beantwortet werden können nur Anfragen die auch alle relevanten Teile beinhalten die man benötigt für eine Antwort (genaue Beschreibungen/ Angabe von Herstellern/Typen für vorhandenes Material etc.). Bitte vermeiden Sie Aussagen wie "habe viel gelesen, aber versteht das nicht ..." ohne Nennung von dem was Sie gelesen haben und was genau unklar war an den Erklärungen die hier gelesen wurden - den nur dann kann man auch darauf eingehen was event. unklar ist/war.
Bitte unbedingt vor einem Post lesen => Boardregeln / Datenschutz
Wir erteilen hier keine Rechtsberatung, unsere Hinweise sind nach bestem Wissen und bedürfen einer entsprechenden juristischen/technischen weiteren Beratung.
- 
				- Related Topics
- Antworten
- Zugriffe
- Letzter Beitrag
 
- 
				
- 2 Antworten
- 1374 Zugriffe
- 
						
							Letzter Beitrag von Blubber2955
							Neuester Beitrag
 14. Januar 2023 08:54
 Mülleimer
 
- 
				
- 1 Antworten
- 1431 Zugriffe
- 
						
							Letzter Beitrag von techno-com
							Neuester Beitrag
 6. Januar 2023 20:10
 Mülleimer
 
- 
				
- 3 Antworten
- 1848 Zugriffe
- 
						
							Letzter Beitrag von techno-com
							Neuester Beitrag
 5. September 2022 13:18
 Fragen zu digitalen SAT- Einkabelsystemen
 
- 
				
- 9 Antworten
- 2781 Zugriffe
- 
						
							Letzter Beitrag von makern
							Neuester Beitrag
 14. März 2022 12:49
 Unicable- / Einkabel- LNB´s
 
- 
				
- 5 Antworten
- 2146 Zugriffe
- 
						
							Letzter Beitrag von techno-com
							Neuester Beitrag
 13. Dezember 2021 09:09
 technische Fragen zu Satanlagen
 
- 
				
- 5 Antworten
- 1380 Zugriffe
- 
						
							Letzter Beitrag von techno-com
							Neuester Beitrag
 12. April 2021 10:55
 Mülleimer
 
- 
				
- 2 Antworten
- 1134 Zugriffe
- 
						
							Letzter Beitrag von techno-com
							Neuester Beitrag
 18. Januar 2021 16:38
 Mülleimer
 
- 
				
- 1 Antworten
- 948 Zugriffe
- 
						
							Letzter Beitrag von techno-com
							Neuester Beitrag
 30. November 2020 09:09
 Mülleimer
 
- 
				- 
												Erweiterung bzw. Umrüstung Unicable - Was kann bleiben? Was muß neu?
 Dateianhang von doc_jochim » 18. November 2020 22:11
- 8 Antworten
- 3332 Zugriffe
- 
						
							Letzter Beitrag von doc_jochim
							Neuester Beitrag
 12. Mai 2022 17:58
 Fragen zu digitalen SAT- Einkabelsystemen
 
- 
												
- 
				
- 1 Antworten
- 1049 Zugriffe
- 
						
							Letzter Beitrag von techno-com
							Neuester Beitrag
 20. August 2020 10:30
 Fragen zu digitalen SAT- Einkabelsystemen
 



