Unicable System JPS0501-8 Antennendosen-Auswahl JAP/JAD
- techno-com
- Site Admin
- Beiträge: 22429
- Registriert: 17. November 2005 09:32
- Wohnort: 74076 Heilbronn
- Hat sich bedankt: 504 Mal
- Danksagung erhalten: 574 Mal
- Kontaktdaten:
Unicable System JPS0501-8 Antennendosen-Auswahl JAP/JAD
Anfrage per Email erhalten und ins Forum übernommen.....
------------------------------------------
Sehr geehrte Damen und Herren,
Anbei zwei Zeichnungen wie ich mir (mit -Bild3a- und ohne -Bild3- Reservefrequenzen) die Anlage vorstelle.
Nur mit den Antennendosen von JULTEC (JAP3xxxTRS komme ich noch nicht klar).
Woher weiß ich welche Dose ich an welcher Stelle benötige?
Mit freundlichen Grüßen
xxxx
------------------------------------------
Sehr geehrte Damen und Herren,
Anbei zwei Zeichnungen wie ich mir (mit -Bild3a- und ohne -Bild3- Reservefrequenzen) die Anlage vorstelle.
Nur mit den Antennendosen von JULTEC (JAP3xxxTRS komme ich noch nicht klar).
Woher weiß ich welche Dose ich an welcher Stelle benötige?
Mit freundlichen Grüßen
xxxx
- Dateianhänge
-
- Unicable-System-Aufbau_Jultec_JPS_Antennendosenauswahl-TV-Verteilung3.pdf
- Unicable-System-Aufbau_Jultec_JPS_Antennendosenauswahl-TV-Verteilung3
- (11.09 KiB) 620-mal heruntergeladen
-
- Unicable-System-Aufbau_Jultec_JPS_Antennendosenauswahl-TV-Verteilung3a.pdf
- Unicable-System-Aufbau_Jultec_JPS_Antennendosenauswahl-TV-Verteilung3a
- (11.05 KiB) 587-mal heruntergeladen
Vielleicht sind wir nicht günstiger als ein Discounter oder reiner Online-Kartonschieber, aber sicherlich besser !
Normkonforme Beratung und Bau sind bei uns selbstverständlich.
Sat-Shop Heilbronn Kunden können sich auch nach dem Kauf auf unseren besten Service verlassen
Hier im Forum wird kein After-Sales-Support für Fremdkäufe geleistet !! Wenden Sie sich dazu an ihren Verkäufer ......
Tristan Uhde / Satanlagen Onlineshop / SAT-Shop Heilbronn
https://www.satshop-heilbronn.de (SSL) / SAT-Onlineforum https://www.satanlagenforum.de (SSL)
Tel ------ (Fragen gehören ins Forum ! Den nur hier können sie richtig bearbeitet werden, auch was hier noch nicht von A-Z genau schon erklärt/behandelt ist ) .. Dieser Hinweis weil täglich dutzende Fragen per Email oder per PM über das Forum rein kommen die noch dazu inhaltlich nicht das intus haben das man etwas dazu sagen könnte.
Wichtiger Hinweis: Zuständigkeiten verantwortliche Elektrofachkraft (VEFK) und Blitzschutzfachkräfte
Informieren Sie sich dort über Folgen und Auswirkungen von Eigenleistung und lassen Sie selbst durchgeführte Installationen von entsprechender Stelle prüfen und abnehmen. Dafür sind VOR ORT spezielle und qualifizierte Blitzschutz-Fachkräfte notwendig, Ferndiagnosen für Blitzschutz/Erdung können hier NICHT durchgeführt werden ("wie kann ICH das machen ..." oder ähnlich bringt da nichts).
Diese Signatur wächst von Woche zu Woche und enthält immer mehr grundlegende Inhalte die bitte berücksichtigt werden sollten bei bzw. VOR Anfragen !
100% beantwortet werden können nur Anfragen die auch alle relevanten Teile beinhalten die man benötigt für eine Antwort (genaue Beschreibungen/ Angabe von Herstellern/Typen für vorhandenes Material etc.). Bitte vermeiden Sie Aussagen wie "habe viel gelesen, aber versteht das nicht ..." ohne Nennung von dem was Sie gelesen haben und was genau unklar war an den Erklärungen die hier gelesen wurden - den nur dann kann man auch darauf eingehen was event. unklar ist/war.
Bitte unbedingt vor einem Post lesen => Boardregeln / Datenschutz
Wir erteilen hier keine Rechtsberatung, unsere Hinweise sind nach bestem Wissen und bedürfen einer entsprechenden juristischen/technischen weiteren Beratung.
Normkonforme Beratung und Bau sind bei uns selbstverständlich.
Sat-Shop Heilbronn Kunden können sich auch nach dem Kauf auf unseren besten Service verlassen
Hier im Forum wird kein After-Sales-Support für Fremdkäufe geleistet !! Wenden Sie sich dazu an ihren Verkäufer ......
Tristan Uhde / Satanlagen Onlineshop / SAT-Shop Heilbronn
https://www.satshop-heilbronn.de (SSL) / SAT-Onlineforum https://www.satanlagenforum.de (SSL)
Tel ------ (Fragen gehören ins Forum ! Den nur hier können sie richtig bearbeitet werden, auch was hier noch nicht von A-Z genau schon erklärt/behandelt ist ) .. Dieser Hinweis weil täglich dutzende Fragen per Email oder per PM über das Forum rein kommen die noch dazu inhaltlich nicht das intus haben das man etwas dazu sagen könnte.
Wichtiger Hinweis: Zuständigkeiten verantwortliche Elektrofachkraft (VEFK) und Blitzschutzfachkräfte
Informieren Sie sich dort über Folgen und Auswirkungen von Eigenleistung und lassen Sie selbst durchgeführte Installationen von entsprechender Stelle prüfen und abnehmen. Dafür sind VOR ORT spezielle und qualifizierte Blitzschutz-Fachkräfte notwendig, Ferndiagnosen für Blitzschutz/Erdung können hier NICHT durchgeführt werden ("wie kann ICH das machen ..." oder ähnlich bringt da nichts).
Diese Signatur wächst von Woche zu Woche und enthält immer mehr grundlegende Inhalte die bitte berücksichtigt werden sollten bei bzw. VOR Anfragen !
100% beantwortet werden können nur Anfragen die auch alle relevanten Teile beinhalten die man benötigt für eine Antwort (genaue Beschreibungen/ Angabe von Herstellern/Typen für vorhandenes Material etc.). Bitte vermeiden Sie Aussagen wie "habe viel gelesen, aber versteht das nicht ..." ohne Nennung von dem was Sie gelesen haben und was genau unklar war an den Erklärungen die hier gelesen wurden - den nur dann kann man auch darauf eingehen was event. unklar ist/war.
Bitte unbedingt vor einem Post lesen => Boardregeln / Datenschutz
Wir erteilen hier keine Rechtsberatung, unsere Hinweise sind nach bestem Wissen und bedürfen einer entsprechenden juristischen/technischen weiteren Beratung.
Tags:
- techno-com
- Site Admin
- Beiträge: 22429
- Registriert: 17. November 2005 09:32
- Wohnort: 74076 Heilbronn
- Hat sich bedankt: 504 Mal
- Danksagung erhalten: 574 Mal
- Kontaktdaten:
Re: Unicable System JPS0501-8 Antennendosen-Auswahl JAP/JAD
Hallo.... ich habe das mal ins Forum aufgenommen, ist doch etwas komplexer das alles
Offene Frage aktuell:
- wie sind die Kabelwege zwischen den Dosen ? Das wird dringlich für die Bestimmung der Antennendosen benötigt (siehe auch Pegelberechnungen unter Umrüstung 3 Parteien Haus von Kabel auf SAT , unter Umrüstung von Kabelfernsehen zu SAT-Fernsehen , unter Umrüstung Kabel auf Sat im Altbau und auch unter Unicable System in bestehende Sat-Anlage einbinden
- warum werden Dosen weg gelassen und nicht dort einfach auch Antennendosen verbaut die man dann später immer mal auch vewenden könnte ?
- welche der Geräte sind wirklich "aktiv" und wo soll dort eine "Twin-Versorgung" hergestellt werden wo man dann auch einen Twin-Receiver voll versorgen kann ? Hintergrund ist das es doch, vor allem im ganz rechten Strang, sehr viele Anschlussplätze sind die in Betrieb genommen werden sollen an nur einem JPS-System mit 8 Umsetzungen ! Hier sollte man ggf. mal drüber nachdenken z.B. am rechten Strang einen Jultec JPS0501-12MN einzusetzen der 12 Umsetzungen für die Versorgung dann von 12 Tunern raus gibt, ist kein großer Mehrpreis ! Die Umsetzungen 9-12 (die 4 "mehr" eben) können dann aber nicht via Unicable (EN50494) angesteuert werden, diese Geräte die darauf zugreifen müssen JESS-tauglich sein (EN50607 => Was ist JESS (Jultec Enhanced Stacking System/DIN EN 50607)? ) was ja aber schon sehr viele Geräte schon sind, z.B. mittlerweile auch die Linux-Enigma² Geräte (VU+, Dreambox, Opticum etc. etc. => JESS (EN50607) auf Linux-Enigma² Geräten (Dreambox, VU+...) )
- zwischen UKW-Antenne und dem terrestrischen Eingang vom Multischalter muss ein Verstärker, siehe z.B. unter Umbau Kabelanlage auf Unicable und unter UKW-Verkabelung
Aufgefallen:
- vom JNT19-800 Netzteil gehen 2 "Striche" (was wohl Kabel darstellen soll wenn es mich nicht täuscht) an einen JPS-Schalter ! Da reicht ein Anschluss pro Schalter aus und der muss bei kaskadierten Aufbauten immer an die "countinouly Versorgung" dran, also nicht an den "Standby-Eingang" für die Spannung - siehe Beschreibung im JPS-Manual !
Obligatorischer Hinweis auf die Erdungsvorschriften (Blitzschutz), siehe unter Erdung Satellitenanlage / Antennenmast + Potentialausgleich und unter Vormontagen- Aufbau im Schaltschrank incl Potenzialausgleich

Offene Frage aktuell:
- wie sind die Kabelwege zwischen den Dosen ? Das wird dringlich für die Bestimmung der Antennendosen benötigt (siehe auch Pegelberechnungen unter Umrüstung 3 Parteien Haus von Kabel auf SAT , unter Umrüstung von Kabelfernsehen zu SAT-Fernsehen , unter Umrüstung Kabel auf Sat im Altbau und auch unter Unicable System in bestehende Sat-Anlage einbinden
- warum werden Dosen weg gelassen und nicht dort einfach auch Antennendosen verbaut die man dann später immer mal auch vewenden könnte ?
- welche der Geräte sind wirklich "aktiv" und wo soll dort eine "Twin-Versorgung" hergestellt werden wo man dann auch einen Twin-Receiver voll versorgen kann ? Hintergrund ist das es doch, vor allem im ganz rechten Strang, sehr viele Anschlussplätze sind die in Betrieb genommen werden sollen an nur einem JPS-System mit 8 Umsetzungen ! Hier sollte man ggf. mal drüber nachdenken z.B. am rechten Strang einen Jultec JPS0501-12MN einzusetzen der 12 Umsetzungen für die Versorgung dann von 12 Tunern raus gibt, ist kein großer Mehrpreis ! Die Umsetzungen 9-12 (die 4 "mehr" eben) können dann aber nicht via Unicable (EN50494) angesteuert werden, diese Geräte die darauf zugreifen müssen JESS-tauglich sein (EN50607 => Was ist JESS (Jultec Enhanced Stacking System/DIN EN 50607)? ) was ja aber schon sehr viele Geräte schon sind, z.B. mittlerweile auch die Linux-Enigma² Geräte (VU+, Dreambox, Opticum etc. etc. => JESS (EN50607) auf Linux-Enigma² Geräten (Dreambox, VU+...) )
- zwischen UKW-Antenne und dem terrestrischen Eingang vom Multischalter muss ein Verstärker, siehe z.B. unter Umbau Kabelanlage auf Unicable und unter UKW-Verkabelung
Aufgefallen:
- vom JNT19-800 Netzteil gehen 2 "Striche" (was wohl Kabel darstellen soll wenn es mich nicht täuscht) an einen JPS-Schalter ! Da reicht ein Anschluss pro Schalter aus und der muss bei kaskadierten Aufbauten immer an die "countinouly Versorgung" dran, also nicht an den "Standby-Eingang" für die Spannung - siehe Beschreibung im JPS-Manual !
Obligatorischer Hinweis auf die Erdungsvorschriften (Blitzschutz), siehe unter Erdung Satellitenanlage / Antennenmast + Potentialausgleich und unter Vormontagen- Aufbau im Schaltschrank incl Potenzialausgleich
Vielleicht sind wir nicht günstiger als ein Discounter oder reiner Online-Kartonschieber, aber sicherlich besser !
Normkonforme Beratung und Bau sind bei uns selbstverständlich.
Sat-Shop Heilbronn Kunden können sich auch nach dem Kauf auf unseren besten Service verlassen
Hier im Forum wird kein After-Sales-Support für Fremdkäufe geleistet !! Wenden Sie sich dazu an ihren Verkäufer ......
Tristan Uhde / Satanlagen Onlineshop / SAT-Shop Heilbronn
https://www.satshop-heilbronn.de (SSL) / SAT-Onlineforum https://www.satanlagenforum.de (SSL)
Tel ------ (Fragen gehören ins Forum ! Den nur hier können sie richtig bearbeitet werden, auch was hier noch nicht von A-Z genau schon erklärt/behandelt ist ) .. Dieser Hinweis weil täglich dutzende Fragen per Email oder per PM über das Forum rein kommen die noch dazu inhaltlich nicht das intus haben das man etwas dazu sagen könnte.
Wichtiger Hinweis: Zuständigkeiten verantwortliche Elektrofachkraft (VEFK) und Blitzschutzfachkräfte
Informieren Sie sich dort über Folgen und Auswirkungen von Eigenleistung und lassen Sie selbst durchgeführte Installationen von entsprechender Stelle prüfen und abnehmen. Dafür sind VOR ORT spezielle und qualifizierte Blitzschutz-Fachkräfte notwendig, Ferndiagnosen für Blitzschutz/Erdung können hier NICHT durchgeführt werden ("wie kann ICH das machen ..." oder ähnlich bringt da nichts).
Diese Signatur wächst von Woche zu Woche und enthält immer mehr grundlegende Inhalte die bitte berücksichtigt werden sollten bei bzw. VOR Anfragen !
100% beantwortet werden können nur Anfragen die auch alle relevanten Teile beinhalten die man benötigt für eine Antwort (genaue Beschreibungen/ Angabe von Herstellern/Typen für vorhandenes Material etc.). Bitte vermeiden Sie Aussagen wie "habe viel gelesen, aber versteht das nicht ..." ohne Nennung von dem was Sie gelesen haben und was genau unklar war an den Erklärungen die hier gelesen wurden - den nur dann kann man auch darauf eingehen was event. unklar ist/war.
Bitte unbedingt vor einem Post lesen => Boardregeln / Datenschutz
Wir erteilen hier keine Rechtsberatung, unsere Hinweise sind nach bestem Wissen und bedürfen einer entsprechenden juristischen/technischen weiteren Beratung.
Normkonforme Beratung und Bau sind bei uns selbstverständlich.
Sat-Shop Heilbronn Kunden können sich auch nach dem Kauf auf unseren besten Service verlassen
Hier im Forum wird kein After-Sales-Support für Fremdkäufe geleistet !! Wenden Sie sich dazu an ihren Verkäufer ......
Tristan Uhde / Satanlagen Onlineshop / SAT-Shop Heilbronn
https://www.satshop-heilbronn.de (SSL) / SAT-Onlineforum https://www.satanlagenforum.de (SSL)
Tel ------ (Fragen gehören ins Forum ! Den nur hier können sie richtig bearbeitet werden, auch was hier noch nicht von A-Z genau schon erklärt/behandelt ist ) .. Dieser Hinweis weil täglich dutzende Fragen per Email oder per PM über das Forum rein kommen die noch dazu inhaltlich nicht das intus haben das man etwas dazu sagen könnte.
Wichtiger Hinweis: Zuständigkeiten verantwortliche Elektrofachkraft (VEFK) und Blitzschutzfachkräfte
Informieren Sie sich dort über Folgen und Auswirkungen von Eigenleistung und lassen Sie selbst durchgeführte Installationen von entsprechender Stelle prüfen und abnehmen. Dafür sind VOR ORT spezielle und qualifizierte Blitzschutz-Fachkräfte notwendig, Ferndiagnosen für Blitzschutz/Erdung können hier NICHT durchgeführt werden ("wie kann ICH das machen ..." oder ähnlich bringt da nichts).
Diese Signatur wächst von Woche zu Woche und enthält immer mehr grundlegende Inhalte die bitte berücksichtigt werden sollten bei bzw. VOR Anfragen !
100% beantwortet werden können nur Anfragen die auch alle relevanten Teile beinhalten die man benötigt für eine Antwort (genaue Beschreibungen/ Angabe von Herstellern/Typen für vorhandenes Material etc.). Bitte vermeiden Sie Aussagen wie "habe viel gelesen, aber versteht das nicht ..." ohne Nennung von dem was Sie gelesen haben und was genau unklar war an den Erklärungen die hier gelesen wurden - den nur dann kann man auch darauf eingehen was event. unklar ist/war.
Bitte unbedingt vor einem Post lesen => Boardregeln / Datenschutz
Wir erteilen hier keine Rechtsberatung, unsere Hinweise sind nach bestem Wissen und bedürfen einer entsprechenden juristischen/technischen weiteren Beratung.
Re: Unicable System JPS0501-8 Antennendosen-Auswahl JAP/JAD
So nun mal eine Rückmeldung.
Das System ist nun aufgebaut und natürlich alle Teile vom Sat Shop Heilbronn!
Zur endgültigen Lösung habe ich den Verdrahtungsplan und ein zweites Bild der Anlage eingestellt.
Nun gibt es nur noch zwei Probleme.
In zwei Zimmern sind Sat-Receiver von Kathrein UFS 702 angeschlossen. Mit denen komme ich überhaupt nicht klar.
Da gibt es zwar DiSEqC Angaben - für mich aber absolut unverständlich. Kann da jemand weiter helfen?
Auch geklärt, die können das nicht.
Zweites Problem, der neue TV ( gerade mal ein halbes Jahr alt) im Arbeitszimmer, ein LG, 47 LB 650V - ZN
Da komme ich auch nicht klar. Kann man den überhaupt an der Anlage betreiben - ?
Auch geklärt. Am Menü des TV konnte man nicht erkennen, dass Einstellungen am unteren Bildschirmrand verdeckt waren.
Gruß Roland
Das System ist nun aufgebaut und natürlich alle Teile vom Sat Shop Heilbronn!
Zur endgültigen Lösung habe ich den Verdrahtungsplan und ein zweites Bild der Anlage eingestellt.
Nun gibt es nur noch zwei Probleme.
In zwei Zimmern sind Sat-Receiver von Kathrein UFS 702 angeschlossen. Mit denen komme ich überhaupt nicht klar.
Da gibt es zwar DiSEqC Angaben - für mich aber absolut unverständlich. Kann da jemand weiter helfen?
Auch geklärt, die können das nicht.
Zweites Problem, der neue TV ( gerade mal ein halbes Jahr alt) im Arbeitszimmer, ein LG, 47 LB 650V - ZN
Da komme ich auch nicht klar. Kann man den überhaupt an der Anlage betreiben - ?
Auch geklärt. Am Menü des TV konnte man nicht erkennen, dass Einstellungen am unteren Bildschirmrand verdeckt waren.
Gruß Roland
Zuletzt geändert von Roland.S. am 30. Januar 2016 15:29, insgesamt 3-mal geändert.
- techno-com
- Site Admin
- Beiträge: 22429
- Registriert: 17. November 2005 09:32
- Wohnort: 74076 Heilbronn
- Hat sich bedankt: 504 Mal
- Danksagung erhalten: 574 Mal
- Kontaktdaten:
Re: Unicable System JPS0501-8 Antennendosen-Auswahl JAP/JAD
Roland.S. hat geschrieben:So nun mal eine Rückmeldung.

Wo liegt das Problem, was geht nicht ?Roland.S. hat geschrieben:Zur endgültigen Lösung hätte ich gerne den Plan und ein zweites Bild der Anlage eingestellt - geht aber nicht.
Siehe auch unter Bilder / Anhänge einstellen ins Forum - Wie geht das ? , das einstellen von Bildern ist eigentlich sehr leicht.
"DiSEqC" hat mit den Unicable-Einstellungen (bei Kathrein "SatCR" genannt) absolut nichts zu tun ... aber ich konnte in keiner Anleitung dieses doch recht alten Gerätes überhaupt ersehen das man dort etwas zu Unicable einstellen kann, bedeutet also dieser Receiver ist nicht "unicable-tauglich".Roland.S. hat geschrieben:In zwei Zimmern sind Sat-Receiver von Kathrein UFS 702 angeschlossen. Mit denen komme ich überhaupt nicht klar.
Da gibt es zwar DiSEqC Angaben - für mich aber absolut unverständlich. Kann da jemand weiter helfen?
Unicable-ZF-Frequenzen + Unicable-ID Einstellungen Receiver
Vorab --- der sollte das können mit Unicable ! Diverse Google-Suchen brachten mir das der Unicable kann .....Roland.S. hat geschrieben:Zweites Problem, der neue TV ( gerade mal ein halbes Jahr alt) im Arbeitszimmer, ein LG, 47 LB 650V - ZN
Da komme ich auch nicht klar. Kann man den überhaupt an der Anlage betreiben - ?
ABER, das ist der Hammer .... ich habe mir mal die Bedienungsanleitung + das Datenblatt von dem Gerät runter geladen und angeschaut !
Da steht ja wirklich ALLES drin - wie man den TV transportiert, wie man ihn auspackt und jeder kleinste unnötige Mist über eine "Magic Remote" und die Kamera sowie alles zu optionalem Zubehör ! Aber ich finde KEINE Seite die nur etwas über Einstellungen am Gerät erklärt die auch relevant sind (Sendersuchlauf, Einstellungen, etc. etc. etc.).
Bedienungsanleitung
Bedienungsanleitung Datei-Name Datum der Veröffentlichung Größe
English, German 09/04/2014 28,251K Datenblatt
Datenblatt Datei-Name Datum der Veröffentlichung Größe
German 05/02/2014 N/A Von daher mal an den Verkäufer vom Gerät wenden bzw. LG direkt anrufen um das zu erfragen ....
Hier im Forum gibt es auch einen Beitrag dazu => unicable anlage mit LG TV
Aber selbst der Link dort auf die LG-Seite mit der Beschreibung für die Unicable-Einstellungen (KLICK - das war der mal) geht nicht mehr....
LG ist übrigens nicht gerade bekannt für sehr gute Umsetzungen für Unicable (wenn ein Gerät überhaupt mal dafür tauglich ist ....) => KLICK für Bericht dazu
Vielleicht sind wir nicht günstiger als ein Discounter oder reiner Online-Kartonschieber, aber sicherlich besser !
Normkonforme Beratung und Bau sind bei uns selbstverständlich.
Sat-Shop Heilbronn Kunden können sich auch nach dem Kauf auf unseren besten Service verlassen
Hier im Forum wird kein After-Sales-Support für Fremdkäufe geleistet !! Wenden Sie sich dazu an ihren Verkäufer ......
Tristan Uhde / Satanlagen Onlineshop / SAT-Shop Heilbronn
https://www.satshop-heilbronn.de (SSL) / SAT-Onlineforum https://www.satanlagenforum.de (SSL)
Tel ------ (Fragen gehören ins Forum ! Den nur hier können sie richtig bearbeitet werden, auch was hier noch nicht von A-Z genau schon erklärt/behandelt ist ) .. Dieser Hinweis weil täglich dutzende Fragen per Email oder per PM über das Forum rein kommen die noch dazu inhaltlich nicht das intus haben das man etwas dazu sagen könnte.
Wichtiger Hinweis: Zuständigkeiten verantwortliche Elektrofachkraft (VEFK) und Blitzschutzfachkräfte
Informieren Sie sich dort über Folgen und Auswirkungen von Eigenleistung und lassen Sie selbst durchgeführte Installationen von entsprechender Stelle prüfen und abnehmen. Dafür sind VOR ORT spezielle und qualifizierte Blitzschutz-Fachkräfte notwendig, Ferndiagnosen für Blitzschutz/Erdung können hier NICHT durchgeführt werden ("wie kann ICH das machen ..." oder ähnlich bringt da nichts).
Diese Signatur wächst von Woche zu Woche und enthält immer mehr grundlegende Inhalte die bitte berücksichtigt werden sollten bei bzw. VOR Anfragen !
100% beantwortet werden können nur Anfragen die auch alle relevanten Teile beinhalten die man benötigt für eine Antwort (genaue Beschreibungen/ Angabe von Herstellern/Typen für vorhandenes Material etc.). Bitte vermeiden Sie Aussagen wie "habe viel gelesen, aber versteht das nicht ..." ohne Nennung von dem was Sie gelesen haben und was genau unklar war an den Erklärungen die hier gelesen wurden - den nur dann kann man auch darauf eingehen was event. unklar ist/war.
Bitte unbedingt vor einem Post lesen => Boardregeln / Datenschutz
Wir erteilen hier keine Rechtsberatung, unsere Hinweise sind nach bestem Wissen und bedürfen einer entsprechenden juristischen/technischen weiteren Beratung.
Normkonforme Beratung und Bau sind bei uns selbstverständlich.
Sat-Shop Heilbronn Kunden können sich auch nach dem Kauf auf unseren besten Service verlassen
Hier im Forum wird kein After-Sales-Support für Fremdkäufe geleistet !! Wenden Sie sich dazu an ihren Verkäufer ......
Tristan Uhde / Satanlagen Onlineshop / SAT-Shop Heilbronn
https://www.satshop-heilbronn.de (SSL) / SAT-Onlineforum https://www.satanlagenforum.de (SSL)
Tel ------ (Fragen gehören ins Forum ! Den nur hier können sie richtig bearbeitet werden, auch was hier noch nicht von A-Z genau schon erklärt/behandelt ist ) .. Dieser Hinweis weil täglich dutzende Fragen per Email oder per PM über das Forum rein kommen die noch dazu inhaltlich nicht das intus haben das man etwas dazu sagen könnte.
Wichtiger Hinweis: Zuständigkeiten verantwortliche Elektrofachkraft (VEFK) und Blitzschutzfachkräfte
Informieren Sie sich dort über Folgen und Auswirkungen von Eigenleistung und lassen Sie selbst durchgeführte Installationen von entsprechender Stelle prüfen und abnehmen. Dafür sind VOR ORT spezielle und qualifizierte Blitzschutz-Fachkräfte notwendig, Ferndiagnosen für Blitzschutz/Erdung können hier NICHT durchgeführt werden ("wie kann ICH das machen ..." oder ähnlich bringt da nichts).
Diese Signatur wächst von Woche zu Woche und enthält immer mehr grundlegende Inhalte die bitte berücksichtigt werden sollten bei bzw. VOR Anfragen !
100% beantwortet werden können nur Anfragen die auch alle relevanten Teile beinhalten die man benötigt für eine Antwort (genaue Beschreibungen/ Angabe von Herstellern/Typen für vorhandenes Material etc.). Bitte vermeiden Sie Aussagen wie "habe viel gelesen, aber versteht das nicht ..." ohne Nennung von dem was Sie gelesen haben und was genau unklar war an den Erklärungen die hier gelesen wurden - den nur dann kann man auch darauf eingehen was event. unklar ist/war.
Bitte unbedingt vor einem Post lesen => Boardregeln / Datenschutz
Wir erteilen hier keine Rechtsberatung, unsere Hinweise sind nach bestem Wissen und bedürfen einer entsprechenden juristischen/technischen weiteren Beratung.
Re: Unicable System JPS0501-8 Antennendosen-Auswahl JAP/JAD
Ich habe meinen Beitrag von gestern (30.01.2016) nachgebessert.
In Roter Schrift meine Erkentnisse.
Der LG macht aber gewaltig Probleme mit der Sendersortierung - soll heißen geht gar nicht.
Zuvor mit der "normalen" Einkabellösung Smart DPA31 ging das noch. Ich ärgere mich da aber auch nicht weiter herum. Der TV kommt weg.
Gibt es eine Empfehlung für einen neuen TV...?
Wichtig!! unicable-tauglich, gute Menüführung, 46/47 Zoll, muss kein 3D können - GÜNSTIG !
In Roter Schrift meine Erkentnisse.
Der LG macht aber gewaltig Probleme mit der Sendersortierung - soll heißen geht gar nicht.
Zuvor mit der "normalen" Einkabellösung Smart DPA31 ging das noch. Ich ärgere mich da aber auch nicht weiter herum. Der TV kommt weg.
Gibt es eine Empfehlung für einen neuen TV...?
Wichtig!! unicable-tauglich, gute Menüführung, 46/47 Zoll, muss kein 3D können - GÜNSTIG !
- techno-com
- Site Admin
- Beiträge: 22429
- Registriert: 17. November 2005 09:32
- Wohnort: 74076 Heilbronn
- Hat sich bedankt: 504 Mal
- Danksagung erhalten: 574 Mal
- Kontaktdaten:
Re: Unicable System JPS0501-8 Antennendosen-Auswahl JAP/JAD
Sorry, aber mit Fragen zu TVs sind sie hier total falsch .....
Weder wenn es darum geht wie man jetzt unter einer Unicable-Versorgung die Sender sortiert (was vorher bei einem statischen Einkabelsystem ging ...) oder für Anfragen für einen TV-Neukauf ! Das ist alles kein Bestandteil von diesem Forum für Satanlagen vom Sat-Shop Heilbronn ......
Weder wenn es darum geht wie man jetzt unter einer Unicable-Versorgung die Sender sortiert (was vorher bei einem statischen Einkabelsystem ging ...) oder für Anfragen für einen TV-Neukauf ! Das ist alles kein Bestandteil von diesem Forum für Satanlagen vom Sat-Shop Heilbronn ......
Vielleicht sind wir nicht günstiger als ein Discounter oder reiner Online-Kartonschieber, aber sicherlich besser !
Normkonforme Beratung und Bau sind bei uns selbstverständlich.
Sat-Shop Heilbronn Kunden können sich auch nach dem Kauf auf unseren besten Service verlassen
Hier im Forum wird kein After-Sales-Support für Fremdkäufe geleistet !! Wenden Sie sich dazu an ihren Verkäufer ......
Tristan Uhde / Satanlagen Onlineshop / SAT-Shop Heilbronn
https://www.satshop-heilbronn.de (SSL) / SAT-Onlineforum https://www.satanlagenforum.de (SSL)
Tel ------ (Fragen gehören ins Forum ! Den nur hier können sie richtig bearbeitet werden, auch was hier noch nicht von A-Z genau schon erklärt/behandelt ist ) .. Dieser Hinweis weil täglich dutzende Fragen per Email oder per PM über das Forum rein kommen die noch dazu inhaltlich nicht das intus haben das man etwas dazu sagen könnte.
Wichtiger Hinweis: Zuständigkeiten verantwortliche Elektrofachkraft (VEFK) und Blitzschutzfachkräfte
Informieren Sie sich dort über Folgen und Auswirkungen von Eigenleistung und lassen Sie selbst durchgeführte Installationen von entsprechender Stelle prüfen und abnehmen. Dafür sind VOR ORT spezielle und qualifizierte Blitzschutz-Fachkräfte notwendig, Ferndiagnosen für Blitzschutz/Erdung können hier NICHT durchgeführt werden ("wie kann ICH das machen ..." oder ähnlich bringt da nichts).
Diese Signatur wächst von Woche zu Woche und enthält immer mehr grundlegende Inhalte die bitte berücksichtigt werden sollten bei bzw. VOR Anfragen !
100% beantwortet werden können nur Anfragen die auch alle relevanten Teile beinhalten die man benötigt für eine Antwort (genaue Beschreibungen/ Angabe von Herstellern/Typen für vorhandenes Material etc.). Bitte vermeiden Sie Aussagen wie "habe viel gelesen, aber versteht das nicht ..." ohne Nennung von dem was Sie gelesen haben und was genau unklar war an den Erklärungen die hier gelesen wurden - den nur dann kann man auch darauf eingehen was event. unklar ist/war.
Bitte unbedingt vor einem Post lesen => Boardregeln / Datenschutz
Wir erteilen hier keine Rechtsberatung, unsere Hinweise sind nach bestem Wissen und bedürfen einer entsprechenden juristischen/technischen weiteren Beratung.
Normkonforme Beratung und Bau sind bei uns selbstverständlich.
Sat-Shop Heilbronn Kunden können sich auch nach dem Kauf auf unseren besten Service verlassen
Hier im Forum wird kein After-Sales-Support für Fremdkäufe geleistet !! Wenden Sie sich dazu an ihren Verkäufer ......
Tristan Uhde / Satanlagen Onlineshop / SAT-Shop Heilbronn
https://www.satshop-heilbronn.de (SSL) / SAT-Onlineforum https://www.satanlagenforum.de (SSL)
Tel ------ (Fragen gehören ins Forum ! Den nur hier können sie richtig bearbeitet werden, auch was hier noch nicht von A-Z genau schon erklärt/behandelt ist ) .. Dieser Hinweis weil täglich dutzende Fragen per Email oder per PM über das Forum rein kommen die noch dazu inhaltlich nicht das intus haben das man etwas dazu sagen könnte.
Wichtiger Hinweis: Zuständigkeiten verantwortliche Elektrofachkraft (VEFK) und Blitzschutzfachkräfte
Informieren Sie sich dort über Folgen und Auswirkungen von Eigenleistung und lassen Sie selbst durchgeführte Installationen von entsprechender Stelle prüfen und abnehmen. Dafür sind VOR ORT spezielle und qualifizierte Blitzschutz-Fachkräfte notwendig, Ferndiagnosen für Blitzschutz/Erdung können hier NICHT durchgeführt werden ("wie kann ICH das machen ..." oder ähnlich bringt da nichts).
Diese Signatur wächst von Woche zu Woche und enthält immer mehr grundlegende Inhalte die bitte berücksichtigt werden sollten bei bzw. VOR Anfragen !
100% beantwortet werden können nur Anfragen die auch alle relevanten Teile beinhalten die man benötigt für eine Antwort (genaue Beschreibungen/ Angabe von Herstellern/Typen für vorhandenes Material etc.). Bitte vermeiden Sie Aussagen wie "habe viel gelesen, aber versteht das nicht ..." ohne Nennung von dem was Sie gelesen haben und was genau unklar war an den Erklärungen die hier gelesen wurden - den nur dann kann man auch darauf eingehen was event. unklar ist/war.
Bitte unbedingt vor einem Post lesen => Boardregeln / Datenschutz
Wir erteilen hier keine Rechtsberatung, unsere Hinweise sind nach bestem Wissen und bedürfen einer entsprechenden juristischen/technischen weiteren Beratung.
Re: Unicable System JPS0501-8 Antennendosen-Auswahl JAP/JAD
ok Danke.
Aber ein Problem habe ich noch.
Auch schon vor der Umrüstung fiel sporadisch der gesamte Empfang aus. Auch heute wieder. Das Bild wird erst pixelig, dann ist kein Empfang mehr möglich. erst dachte ich es läge an der Einkabellösung. Da nun aber diese durch die JULTEC Anlage komplett ausgetauscht ist - was bleibt?
Verbaut ist eine Kathrein 70cm Schüssel und ein Kathrein Quadro LNB.
Aber ein Problem habe ich noch.
Auch schon vor der Umrüstung fiel sporadisch der gesamte Empfang aus. Auch heute wieder. Das Bild wird erst pixelig, dann ist kein Empfang mehr möglich. erst dachte ich es läge an der Einkabellösung. Da nun aber diese durch die JULTEC Anlage komplett ausgetauscht ist - was bleibt?
Verbaut ist eine Kathrein 70cm Schüssel und ein Kathrein Quadro LNB.
- techno-com
- Site Admin
- Beiträge: 22429
- Registriert: 17. November 2005 09:32
- Wohnort: 74076 Heilbronn
- Hat sich bedankt: 504 Mal
- Danksagung erhalten: 574 Mal
- Kontaktdaten:
Re: Unicable System JPS0501-8 Antennendosen-Auswahl JAP/JAD
Woran das liegt kann man ihnen nicht sagen, es sollte aber etwas sein das ggf. mit der Signal-Versorgung zu tun hat wenn das schon vorher auch war .....
Aber .... ein Bild kann nicht "pixelig" werden beim digitalen TV, da gibt es nur die Zustände 0 und 1 (geht nicht / geht). Es gibt ein digitales Rauschen das sich ggf. über einen Mosaik-Effekt äußert, das ist aber alles !
Mehr Daten wären sehr hilfreich dann auch .... fällt es überall an jedem Anschluss aus ? Fällt es zu bestimmten Tages-/Uhrzeiten aus ? Wie lange fällt es aus und wie kommt es dann wieder ?
Aber .... ein Bild kann nicht "pixelig" werden beim digitalen TV, da gibt es nur die Zustände 0 und 1 (geht nicht / geht). Es gibt ein digitales Rauschen das sich ggf. über einen Mosaik-Effekt äußert, das ist aber alles !
Mehr Daten wären sehr hilfreich dann auch .... fällt es überall an jedem Anschluss aus ? Fällt es zu bestimmten Tages-/Uhrzeiten aus ? Wie lange fällt es aus und wie kommt es dann wieder ?
Vielleicht sind wir nicht günstiger als ein Discounter oder reiner Online-Kartonschieber, aber sicherlich besser !
Normkonforme Beratung und Bau sind bei uns selbstverständlich.
Sat-Shop Heilbronn Kunden können sich auch nach dem Kauf auf unseren besten Service verlassen
Hier im Forum wird kein After-Sales-Support für Fremdkäufe geleistet !! Wenden Sie sich dazu an ihren Verkäufer ......
Tristan Uhde / Satanlagen Onlineshop / SAT-Shop Heilbronn
https://www.satshop-heilbronn.de (SSL) / SAT-Onlineforum https://www.satanlagenforum.de (SSL)
Tel ------ (Fragen gehören ins Forum ! Den nur hier können sie richtig bearbeitet werden, auch was hier noch nicht von A-Z genau schon erklärt/behandelt ist ) .. Dieser Hinweis weil täglich dutzende Fragen per Email oder per PM über das Forum rein kommen die noch dazu inhaltlich nicht das intus haben das man etwas dazu sagen könnte.
Wichtiger Hinweis: Zuständigkeiten verantwortliche Elektrofachkraft (VEFK) und Blitzschutzfachkräfte
Informieren Sie sich dort über Folgen und Auswirkungen von Eigenleistung und lassen Sie selbst durchgeführte Installationen von entsprechender Stelle prüfen und abnehmen. Dafür sind VOR ORT spezielle und qualifizierte Blitzschutz-Fachkräfte notwendig, Ferndiagnosen für Blitzschutz/Erdung können hier NICHT durchgeführt werden ("wie kann ICH das machen ..." oder ähnlich bringt da nichts).
Diese Signatur wächst von Woche zu Woche und enthält immer mehr grundlegende Inhalte die bitte berücksichtigt werden sollten bei bzw. VOR Anfragen !
100% beantwortet werden können nur Anfragen die auch alle relevanten Teile beinhalten die man benötigt für eine Antwort (genaue Beschreibungen/ Angabe von Herstellern/Typen für vorhandenes Material etc.). Bitte vermeiden Sie Aussagen wie "habe viel gelesen, aber versteht das nicht ..." ohne Nennung von dem was Sie gelesen haben und was genau unklar war an den Erklärungen die hier gelesen wurden - den nur dann kann man auch darauf eingehen was event. unklar ist/war.
Bitte unbedingt vor einem Post lesen => Boardregeln / Datenschutz
Wir erteilen hier keine Rechtsberatung, unsere Hinweise sind nach bestem Wissen und bedürfen einer entsprechenden juristischen/technischen weiteren Beratung.
Normkonforme Beratung und Bau sind bei uns selbstverständlich.
Sat-Shop Heilbronn Kunden können sich auch nach dem Kauf auf unseren besten Service verlassen
Hier im Forum wird kein After-Sales-Support für Fremdkäufe geleistet !! Wenden Sie sich dazu an ihren Verkäufer ......
Tristan Uhde / Satanlagen Onlineshop / SAT-Shop Heilbronn
https://www.satshop-heilbronn.de (SSL) / SAT-Onlineforum https://www.satanlagenforum.de (SSL)
Tel ------ (Fragen gehören ins Forum ! Den nur hier können sie richtig bearbeitet werden, auch was hier noch nicht von A-Z genau schon erklärt/behandelt ist ) .. Dieser Hinweis weil täglich dutzende Fragen per Email oder per PM über das Forum rein kommen die noch dazu inhaltlich nicht das intus haben das man etwas dazu sagen könnte.
Wichtiger Hinweis: Zuständigkeiten verantwortliche Elektrofachkraft (VEFK) und Blitzschutzfachkräfte
Informieren Sie sich dort über Folgen und Auswirkungen von Eigenleistung und lassen Sie selbst durchgeführte Installationen von entsprechender Stelle prüfen und abnehmen. Dafür sind VOR ORT spezielle und qualifizierte Blitzschutz-Fachkräfte notwendig, Ferndiagnosen für Blitzschutz/Erdung können hier NICHT durchgeführt werden ("wie kann ICH das machen ..." oder ähnlich bringt da nichts).
Diese Signatur wächst von Woche zu Woche und enthält immer mehr grundlegende Inhalte die bitte berücksichtigt werden sollten bei bzw. VOR Anfragen !
100% beantwortet werden können nur Anfragen die auch alle relevanten Teile beinhalten die man benötigt für eine Antwort (genaue Beschreibungen/ Angabe von Herstellern/Typen für vorhandenes Material etc.). Bitte vermeiden Sie Aussagen wie "habe viel gelesen, aber versteht das nicht ..." ohne Nennung von dem was Sie gelesen haben und was genau unklar war an den Erklärungen die hier gelesen wurden - den nur dann kann man auch darauf eingehen was event. unklar ist/war.
Bitte unbedingt vor einem Post lesen => Boardregeln / Datenschutz
Wir erteilen hier keine Rechtsberatung, unsere Hinweise sind nach bestem Wissen und bedürfen einer entsprechenden juristischen/technischen weiteren Beratung.
Re: Unicable System JPS0501-8 Antennendosen-Auswahl JAP/JAD
Mosaik-Effek, das trifft es wohl am ehesten. Dies hält ein paar Sekunden an, dann ist alles weg - überall!
Erst dachte ich es hängt mit den kalten Nächten zusammen weil es erst spät Abends bei -5/6°C auftrat. Dann aber auch am Nachmittag bei +9°C.
So urplötzlich wie das Signal weg ist, so kommt das Bild aber auch wieder - als wenn nichts gewesen wäre.
Eine bestimmte Regelmäßigkeit ist nicht auszumachen.
Nach meiner Einschätzung bleibt ja wohl nur noch das LNB, alles andere (bis auf die verlegten Antennenkabel) ist ja neu.
Erst dachte ich es hängt mit den kalten Nächten zusammen weil es erst spät Abends bei -5/6°C auftrat. Dann aber auch am Nachmittag bei +9°C.
So urplötzlich wie das Signal weg ist, so kommt das Bild aber auch wieder - als wenn nichts gewesen wäre.
Eine bestimmte Regelmäßigkeit ist nicht auszumachen.
Nach meiner Einschätzung bleibt ja wohl nur noch das LNB, alles andere (bis auf die verlegten Antennenkabel) ist ja neu.
- techno-com
- Site Admin
- Beiträge: 22429
- Registriert: 17. November 2005 09:32
- Wohnort: 74076 Heilbronn
- Hat sich bedankt: 504 Mal
- Danksagung erhalten: 574 Mal
- Kontaktdaten:
Re: Unicable System JPS0501-8 Antennendosen-Auswahl JAP/JAD
Ja, das kommt auch meiner Meinung nach hier in Frage (auch wenn ein Schaden an Kathrein-LNBs die sich so äußern nur sehr sehr selten sind).
Anfangen würde ich aber mal mit der genauen Ausrichtung der Antenne => Kurzanleitung Satantenne ausrichten + Gesamtinbetriebnahme
Richtig, wirklich 100% richtig, kann man das aber nur mit einem professionellen Sat-Meßgerät machen. Alles andere wäre nur eine Ausrichtung nach Signalstärke (dbµV) die absolut nicht relevant ist, es zählt nur die Signalqualiät (MER/BER) und das bekommt man nur mit einem entsprechenden Meßgerät auch richtig raus gemessen.
P.S. betrifft das dann alle Programme ? Das wäre meiner Meinung nach dann eher ein Effekt von einem "schlechten Empfang" und die 100%ige Justierung der Antenne würde ggf. schon helfen. Immer bedenken, das Wetter "über" der Antenne ist nicht relevant für den Empfang ! Die Satelliten stehen 36000km über dem Äquator, d.h. auf dem Weg dorthin (also Richtung Süd-Süd-Ost) ist das Wetter (die "Behinderung" der Übertragung durch Wolken/Wasser in der Luft) relevant.
Anfangen würde ich aber mal mit der genauen Ausrichtung der Antenne => Kurzanleitung Satantenne ausrichten + Gesamtinbetriebnahme
Richtig, wirklich 100% richtig, kann man das aber nur mit einem professionellen Sat-Meßgerät machen. Alles andere wäre nur eine Ausrichtung nach Signalstärke (dbµV) die absolut nicht relevant ist, es zählt nur die Signalqualiät (MER/BER) und das bekommt man nur mit einem entsprechenden Meßgerät auch richtig raus gemessen.
P.S. betrifft das dann alle Programme ? Das wäre meiner Meinung nach dann eher ein Effekt von einem "schlechten Empfang" und die 100%ige Justierung der Antenne würde ggf. schon helfen. Immer bedenken, das Wetter "über" der Antenne ist nicht relevant für den Empfang ! Die Satelliten stehen 36000km über dem Äquator, d.h. auf dem Weg dorthin (also Richtung Süd-Süd-Ost) ist das Wetter (die "Behinderung" der Übertragung durch Wolken/Wasser in der Luft) relevant.
Vielleicht sind wir nicht günstiger als ein Discounter oder reiner Online-Kartonschieber, aber sicherlich besser !
Normkonforme Beratung und Bau sind bei uns selbstverständlich.
Sat-Shop Heilbronn Kunden können sich auch nach dem Kauf auf unseren besten Service verlassen
Hier im Forum wird kein After-Sales-Support für Fremdkäufe geleistet !! Wenden Sie sich dazu an ihren Verkäufer ......
Tristan Uhde / Satanlagen Onlineshop / SAT-Shop Heilbronn
https://www.satshop-heilbronn.de (SSL) / SAT-Onlineforum https://www.satanlagenforum.de (SSL)
Tel ------ (Fragen gehören ins Forum ! Den nur hier können sie richtig bearbeitet werden, auch was hier noch nicht von A-Z genau schon erklärt/behandelt ist ) .. Dieser Hinweis weil täglich dutzende Fragen per Email oder per PM über das Forum rein kommen die noch dazu inhaltlich nicht das intus haben das man etwas dazu sagen könnte.
Wichtiger Hinweis: Zuständigkeiten verantwortliche Elektrofachkraft (VEFK) und Blitzschutzfachkräfte
Informieren Sie sich dort über Folgen und Auswirkungen von Eigenleistung und lassen Sie selbst durchgeführte Installationen von entsprechender Stelle prüfen und abnehmen. Dafür sind VOR ORT spezielle und qualifizierte Blitzschutz-Fachkräfte notwendig, Ferndiagnosen für Blitzschutz/Erdung können hier NICHT durchgeführt werden ("wie kann ICH das machen ..." oder ähnlich bringt da nichts).
Diese Signatur wächst von Woche zu Woche und enthält immer mehr grundlegende Inhalte die bitte berücksichtigt werden sollten bei bzw. VOR Anfragen !
100% beantwortet werden können nur Anfragen die auch alle relevanten Teile beinhalten die man benötigt für eine Antwort (genaue Beschreibungen/ Angabe von Herstellern/Typen für vorhandenes Material etc.). Bitte vermeiden Sie Aussagen wie "habe viel gelesen, aber versteht das nicht ..." ohne Nennung von dem was Sie gelesen haben und was genau unklar war an den Erklärungen die hier gelesen wurden - den nur dann kann man auch darauf eingehen was event. unklar ist/war.
Bitte unbedingt vor einem Post lesen => Boardregeln / Datenschutz
Wir erteilen hier keine Rechtsberatung, unsere Hinweise sind nach bestem Wissen und bedürfen einer entsprechenden juristischen/technischen weiteren Beratung.
Normkonforme Beratung und Bau sind bei uns selbstverständlich.
Sat-Shop Heilbronn Kunden können sich auch nach dem Kauf auf unseren besten Service verlassen
Hier im Forum wird kein After-Sales-Support für Fremdkäufe geleistet !! Wenden Sie sich dazu an ihren Verkäufer ......
Tristan Uhde / Satanlagen Onlineshop / SAT-Shop Heilbronn
https://www.satshop-heilbronn.de (SSL) / SAT-Onlineforum https://www.satanlagenforum.de (SSL)
Tel ------ (Fragen gehören ins Forum ! Den nur hier können sie richtig bearbeitet werden, auch was hier noch nicht von A-Z genau schon erklärt/behandelt ist ) .. Dieser Hinweis weil täglich dutzende Fragen per Email oder per PM über das Forum rein kommen die noch dazu inhaltlich nicht das intus haben das man etwas dazu sagen könnte.
Wichtiger Hinweis: Zuständigkeiten verantwortliche Elektrofachkraft (VEFK) und Blitzschutzfachkräfte
Informieren Sie sich dort über Folgen und Auswirkungen von Eigenleistung und lassen Sie selbst durchgeführte Installationen von entsprechender Stelle prüfen und abnehmen. Dafür sind VOR ORT spezielle und qualifizierte Blitzschutz-Fachkräfte notwendig, Ferndiagnosen für Blitzschutz/Erdung können hier NICHT durchgeführt werden ("wie kann ICH das machen ..." oder ähnlich bringt da nichts).
Diese Signatur wächst von Woche zu Woche und enthält immer mehr grundlegende Inhalte die bitte berücksichtigt werden sollten bei bzw. VOR Anfragen !
100% beantwortet werden können nur Anfragen die auch alle relevanten Teile beinhalten die man benötigt für eine Antwort (genaue Beschreibungen/ Angabe von Herstellern/Typen für vorhandenes Material etc.). Bitte vermeiden Sie Aussagen wie "habe viel gelesen, aber versteht das nicht ..." ohne Nennung von dem was Sie gelesen haben und was genau unklar war an den Erklärungen die hier gelesen wurden - den nur dann kann man auch darauf eingehen was event. unklar ist/war.
Bitte unbedingt vor einem Post lesen => Boardregeln / Datenschutz
Wir erteilen hier keine Rechtsberatung, unsere Hinweise sind nach bestem Wissen und bedürfen einer entsprechenden juristischen/technischen weiteren Beratung.
- techno-com
- Site Admin
- Beiträge: 22429
- Registriert: 17. November 2005 09:32
- Wohnort: 74076 Heilbronn
- Hat sich bedankt: 504 Mal
- Danksagung erhalten: 574 Mal
- Kontaktdaten:
Re: Unicable System JPS0501-8 Antennendosen-Auswahl JAP/JAD
Gerade einen alten Beitrag aus 2013 wieder in die Hände bekommen hier => Umrüstung Kabel auf Sat im Altbau
War genau wie auch hier in ihrer Anlagenplanung ein System mit mehreren JPS-Systemen kaskadiert hintereinander geschaltet
Mit dieser hier von ihnen meiner Erinnerung nach die beiden größten Anlagen wohl die hier geplant und umgesetzt wurden (wobei noch viel mehr möglich wäre
)
War genau wie auch hier in ihrer Anlagenplanung ein System mit mehreren JPS-Systemen kaskadiert hintereinander geschaltet

Mit dieser hier von ihnen meiner Erinnerung nach die beiden größten Anlagen wohl die hier geplant und umgesetzt wurden (wobei noch viel mehr möglich wäre

Vielleicht sind wir nicht günstiger als ein Discounter oder reiner Online-Kartonschieber, aber sicherlich besser !
Normkonforme Beratung und Bau sind bei uns selbstverständlich.
Sat-Shop Heilbronn Kunden können sich auch nach dem Kauf auf unseren besten Service verlassen
Hier im Forum wird kein After-Sales-Support für Fremdkäufe geleistet !! Wenden Sie sich dazu an ihren Verkäufer ......
Tristan Uhde / Satanlagen Onlineshop / SAT-Shop Heilbronn
https://www.satshop-heilbronn.de (SSL) / SAT-Onlineforum https://www.satanlagenforum.de (SSL)
Tel ------ (Fragen gehören ins Forum ! Den nur hier können sie richtig bearbeitet werden, auch was hier noch nicht von A-Z genau schon erklärt/behandelt ist ) .. Dieser Hinweis weil täglich dutzende Fragen per Email oder per PM über das Forum rein kommen die noch dazu inhaltlich nicht das intus haben das man etwas dazu sagen könnte.
Wichtiger Hinweis: Zuständigkeiten verantwortliche Elektrofachkraft (VEFK) und Blitzschutzfachkräfte
Informieren Sie sich dort über Folgen und Auswirkungen von Eigenleistung und lassen Sie selbst durchgeführte Installationen von entsprechender Stelle prüfen und abnehmen. Dafür sind VOR ORT spezielle und qualifizierte Blitzschutz-Fachkräfte notwendig, Ferndiagnosen für Blitzschutz/Erdung können hier NICHT durchgeführt werden ("wie kann ICH das machen ..." oder ähnlich bringt da nichts).
Diese Signatur wächst von Woche zu Woche und enthält immer mehr grundlegende Inhalte die bitte berücksichtigt werden sollten bei bzw. VOR Anfragen !
100% beantwortet werden können nur Anfragen die auch alle relevanten Teile beinhalten die man benötigt für eine Antwort (genaue Beschreibungen/ Angabe von Herstellern/Typen für vorhandenes Material etc.). Bitte vermeiden Sie Aussagen wie "habe viel gelesen, aber versteht das nicht ..." ohne Nennung von dem was Sie gelesen haben und was genau unklar war an den Erklärungen die hier gelesen wurden - den nur dann kann man auch darauf eingehen was event. unklar ist/war.
Bitte unbedingt vor einem Post lesen => Boardregeln / Datenschutz
Wir erteilen hier keine Rechtsberatung, unsere Hinweise sind nach bestem Wissen und bedürfen einer entsprechenden juristischen/technischen weiteren Beratung.
Normkonforme Beratung und Bau sind bei uns selbstverständlich.
Sat-Shop Heilbronn Kunden können sich auch nach dem Kauf auf unseren besten Service verlassen
Hier im Forum wird kein After-Sales-Support für Fremdkäufe geleistet !! Wenden Sie sich dazu an ihren Verkäufer ......
Tristan Uhde / Satanlagen Onlineshop / SAT-Shop Heilbronn
https://www.satshop-heilbronn.de (SSL) / SAT-Onlineforum https://www.satanlagenforum.de (SSL)
Tel ------ (Fragen gehören ins Forum ! Den nur hier können sie richtig bearbeitet werden, auch was hier noch nicht von A-Z genau schon erklärt/behandelt ist ) .. Dieser Hinweis weil täglich dutzende Fragen per Email oder per PM über das Forum rein kommen die noch dazu inhaltlich nicht das intus haben das man etwas dazu sagen könnte.
Wichtiger Hinweis: Zuständigkeiten verantwortliche Elektrofachkraft (VEFK) und Blitzschutzfachkräfte
Informieren Sie sich dort über Folgen und Auswirkungen von Eigenleistung und lassen Sie selbst durchgeführte Installationen von entsprechender Stelle prüfen und abnehmen. Dafür sind VOR ORT spezielle und qualifizierte Blitzschutz-Fachkräfte notwendig, Ferndiagnosen für Blitzschutz/Erdung können hier NICHT durchgeführt werden ("wie kann ICH das machen ..." oder ähnlich bringt da nichts).
Diese Signatur wächst von Woche zu Woche und enthält immer mehr grundlegende Inhalte die bitte berücksichtigt werden sollten bei bzw. VOR Anfragen !
100% beantwortet werden können nur Anfragen die auch alle relevanten Teile beinhalten die man benötigt für eine Antwort (genaue Beschreibungen/ Angabe von Herstellern/Typen für vorhandenes Material etc.). Bitte vermeiden Sie Aussagen wie "habe viel gelesen, aber versteht das nicht ..." ohne Nennung von dem was Sie gelesen haben und was genau unklar war an den Erklärungen die hier gelesen wurden - den nur dann kann man auch darauf eingehen was event. unklar ist/war.
Bitte unbedingt vor einem Post lesen => Boardregeln / Datenschutz
Wir erteilen hier keine Rechtsberatung, unsere Hinweise sind nach bestem Wissen und bedürfen einer entsprechenden juristischen/technischen weiteren Beratung.
Re: Unicable System JPS0501-8 Antennendosen-Auswahl JAP/JAD
Das ist aber auch eine sehr große Anlage.
Zurück zu meinem Empfangsproblem.
Ich habe von einem Freund das LNB zum testen bekommen - und siehe da ich habe wieder Empfang.
Ja, aber nur fast perfekt. Ich bekomme kein 3Sat und kein ZDFinfo ??
Nachfrage was ist gemeint mit
Zurück zu meinem Empfangsproblem.
Ich habe von einem Freund das LNB zum testen bekommen - und siehe da ich habe wieder Empfang.
Ja, aber nur fast perfekt. Ich bekomme kein 3Sat und kein ZDFinfo ??
Nachfrage was ist gemeint mit
...da wäre noch viel mehr möglich?
- techno-com
- Site Admin
- Beiträge: 22429
- Registriert: 17. November 2005 09:32
- Wohnort: 74076 Heilbronn
- Hat sich bedankt: 504 Mal
- Danksagung erhalten: 574 Mal
- Kontaktdaten:
Re: Unicable System JPS0501-8 Antennendosen-Auswahl JAP/JAD
Lässt auf einen defekten LNB tippen, also ihr "alter".Roland.S. hat geschrieben:Ich habe von einem Freund das LNB zum testen bekommen - und siehe da ich habe wieder Empfang.
Sicherlich meinen sie die 3Sat und ZDFinfo in HD !Roland.S. hat geschrieben:Ja, aber nur fast perfekt. Ich bekomme kein 3Sat und kein ZDFinfo ??
Sicherlich geht dann auch KiKa HD nicht. Diese 3 Programme liegen auf einen gemeinsamen Transponder im vertikal-Lowband ! Prüfen sie mal diese Sender die auch im vertikal-Lowband übertragen werden: Wenn die dann auch nicht gehen sollte es nur eine fehldende Ebene ggf. in der Zuführung vom LNB zu der Multischalter-Versorgung liegen (also VL-Band komplett fehlend in der Multischalter-Versorgung).
Wenn möglich mal direkt an das vom LNB kommende VL-Kabel einen Receiver direkt anschließen und dann die o.g. Programme alle mal einzeln testen (jeweils eines pro Transponder/TP).
Receiver darf dann aber nicht im Unicable-Modus eingestellt sein, wenn der direkt an das Kabel dran kommt bitte auf den normalen "Universal-LNB Betrieb" (Legacy-Modus) einstellen.
Das noch mehr möglich ist an Versorgung, also mehr als:Roland.S. hat geschrieben:Nachfrage was ist gemeint mit...da wäre noch viel mehr möglich?
Roland.S. hat geschrieben:Das ist aber auch eine sehr große Anlage.
Vielleicht sind wir nicht günstiger als ein Discounter oder reiner Online-Kartonschieber, aber sicherlich besser !
Normkonforme Beratung und Bau sind bei uns selbstverständlich.
Sat-Shop Heilbronn Kunden können sich auch nach dem Kauf auf unseren besten Service verlassen
Hier im Forum wird kein After-Sales-Support für Fremdkäufe geleistet !! Wenden Sie sich dazu an ihren Verkäufer ......
Tristan Uhde / Satanlagen Onlineshop / SAT-Shop Heilbronn
https://www.satshop-heilbronn.de (SSL) / SAT-Onlineforum https://www.satanlagenforum.de (SSL)
Tel ------ (Fragen gehören ins Forum ! Den nur hier können sie richtig bearbeitet werden, auch was hier noch nicht von A-Z genau schon erklärt/behandelt ist ) .. Dieser Hinweis weil täglich dutzende Fragen per Email oder per PM über das Forum rein kommen die noch dazu inhaltlich nicht das intus haben das man etwas dazu sagen könnte.
Wichtiger Hinweis: Zuständigkeiten verantwortliche Elektrofachkraft (VEFK) und Blitzschutzfachkräfte
Informieren Sie sich dort über Folgen und Auswirkungen von Eigenleistung und lassen Sie selbst durchgeführte Installationen von entsprechender Stelle prüfen und abnehmen. Dafür sind VOR ORT spezielle und qualifizierte Blitzschutz-Fachkräfte notwendig, Ferndiagnosen für Blitzschutz/Erdung können hier NICHT durchgeführt werden ("wie kann ICH das machen ..." oder ähnlich bringt da nichts).
Diese Signatur wächst von Woche zu Woche und enthält immer mehr grundlegende Inhalte die bitte berücksichtigt werden sollten bei bzw. VOR Anfragen !
100% beantwortet werden können nur Anfragen die auch alle relevanten Teile beinhalten die man benötigt für eine Antwort (genaue Beschreibungen/ Angabe von Herstellern/Typen für vorhandenes Material etc.). Bitte vermeiden Sie Aussagen wie "habe viel gelesen, aber versteht das nicht ..." ohne Nennung von dem was Sie gelesen haben und was genau unklar war an den Erklärungen die hier gelesen wurden - den nur dann kann man auch darauf eingehen was event. unklar ist/war.
Bitte unbedingt vor einem Post lesen => Boardregeln / Datenschutz
Wir erteilen hier keine Rechtsberatung, unsere Hinweise sind nach bestem Wissen und bedürfen einer entsprechenden juristischen/technischen weiteren Beratung.
Normkonforme Beratung und Bau sind bei uns selbstverständlich.
Sat-Shop Heilbronn Kunden können sich auch nach dem Kauf auf unseren besten Service verlassen
Hier im Forum wird kein After-Sales-Support für Fremdkäufe geleistet !! Wenden Sie sich dazu an ihren Verkäufer ......
Tristan Uhde / Satanlagen Onlineshop / SAT-Shop Heilbronn
https://www.satshop-heilbronn.de (SSL) / SAT-Onlineforum https://www.satanlagenforum.de (SSL)
Tel ------ (Fragen gehören ins Forum ! Den nur hier können sie richtig bearbeitet werden, auch was hier noch nicht von A-Z genau schon erklärt/behandelt ist ) .. Dieser Hinweis weil täglich dutzende Fragen per Email oder per PM über das Forum rein kommen die noch dazu inhaltlich nicht das intus haben das man etwas dazu sagen könnte.
Wichtiger Hinweis: Zuständigkeiten verantwortliche Elektrofachkraft (VEFK) und Blitzschutzfachkräfte
Informieren Sie sich dort über Folgen und Auswirkungen von Eigenleistung und lassen Sie selbst durchgeführte Installationen von entsprechender Stelle prüfen und abnehmen. Dafür sind VOR ORT spezielle und qualifizierte Blitzschutz-Fachkräfte notwendig, Ferndiagnosen für Blitzschutz/Erdung können hier NICHT durchgeführt werden ("wie kann ICH das machen ..." oder ähnlich bringt da nichts).
Diese Signatur wächst von Woche zu Woche und enthält immer mehr grundlegende Inhalte die bitte berücksichtigt werden sollten bei bzw. VOR Anfragen !
100% beantwortet werden können nur Anfragen die auch alle relevanten Teile beinhalten die man benötigt für eine Antwort (genaue Beschreibungen/ Angabe von Herstellern/Typen für vorhandenes Material etc.). Bitte vermeiden Sie Aussagen wie "habe viel gelesen, aber versteht das nicht ..." ohne Nennung von dem was Sie gelesen haben und was genau unklar war an den Erklärungen die hier gelesen wurden - den nur dann kann man auch darauf eingehen was event. unklar ist/war.
Bitte unbedingt vor einem Post lesen => Boardregeln / Datenschutz
Wir erteilen hier keine Rechtsberatung, unsere Hinweise sind nach bestem Wissen und bedürfen einer entsprechenden juristischen/technischen weiteren Beratung.
- techno-com
- Site Admin
- Beiträge: 22429
- Registriert: 17. November 2005 09:32
- Wohnort: 74076 Heilbronn
- Hat sich bedankt: 504 Mal
- Danksagung erhalten: 574 Mal
- Kontaktdaten:
Re: Unicable System JPS0501-8 Antennendosen-Auswahl JAP/JAD
Für die Vollständigkeit vom Beitrag noch der Screenshot ihrer Bestellung, hatte ich ja ganz vergessen

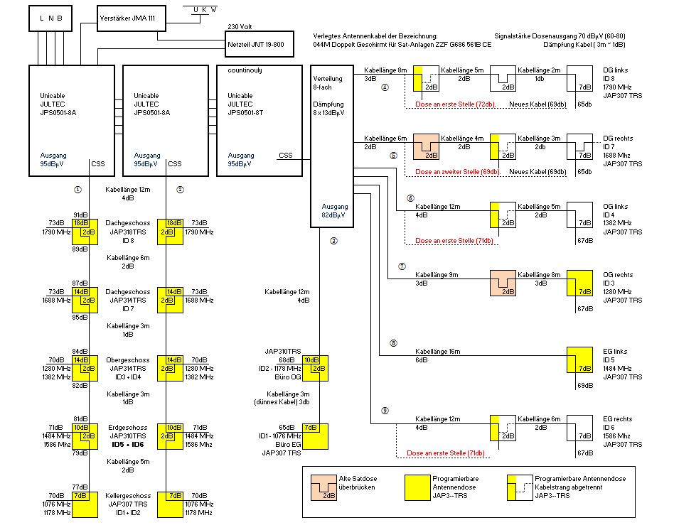
Programmierung der Antennendosen: 2x JAP318 - 2 Stück mit 1790 MHz, 4x JAP314 - 2 Stück mit 1688 MHZ + 2 Stück mit 1280 MHz und 1382 MHz, 3x JAP310 - 1 Stück mit 1178 MHz + 2 Stück mit 1484 MHz und 1586 MHZ, 9x JAP307 - 1 Stück mit 1382 MHz + 1 Stück mit 1280 MHz + 1 Stück mit 1484 MHz + 1 Stück mit 1586 MHz + 1 Stück mit 1688 MHz + 1 Stück mit 1790 MHz + 1 Stück mit 1076 MHz + 2 Stück mit 1076 MHz und 1178 MHz
Vielleicht sind wir nicht günstiger als ein Discounter oder reiner Online-Kartonschieber, aber sicherlich besser !
Normkonforme Beratung und Bau sind bei uns selbstverständlich.
Sat-Shop Heilbronn Kunden können sich auch nach dem Kauf auf unseren besten Service verlassen
Hier im Forum wird kein After-Sales-Support für Fremdkäufe geleistet !! Wenden Sie sich dazu an ihren Verkäufer ......
Tristan Uhde / Satanlagen Onlineshop / SAT-Shop Heilbronn
https://www.satshop-heilbronn.de (SSL) / SAT-Onlineforum https://www.satanlagenforum.de (SSL)
Tel ------ (Fragen gehören ins Forum ! Den nur hier können sie richtig bearbeitet werden, auch was hier noch nicht von A-Z genau schon erklärt/behandelt ist ) .. Dieser Hinweis weil täglich dutzende Fragen per Email oder per PM über das Forum rein kommen die noch dazu inhaltlich nicht das intus haben das man etwas dazu sagen könnte.
Wichtiger Hinweis: Zuständigkeiten verantwortliche Elektrofachkraft (VEFK) und Blitzschutzfachkräfte
Informieren Sie sich dort über Folgen und Auswirkungen von Eigenleistung und lassen Sie selbst durchgeführte Installationen von entsprechender Stelle prüfen und abnehmen. Dafür sind VOR ORT spezielle und qualifizierte Blitzschutz-Fachkräfte notwendig, Ferndiagnosen für Blitzschutz/Erdung können hier NICHT durchgeführt werden ("wie kann ICH das machen ..." oder ähnlich bringt da nichts).
Diese Signatur wächst von Woche zu Woche und enthält immer mehr grundlegende Inhalte die bitte berücksichtigt werden sollten bei bzw. VOR Anfragen !
100% beantwortet werden können nur Anfragen die auch alle relevanten Teile beinhalten die man benötigt für eine Antwort (genaue Beschreibungen/ Angabe von Herstellern/Typen für vorhandenes Material etc.). Bitte vermeiden Sie Aussagen wie "habe viel gelesen, aber versteht das nicht ..." ohne Nennung von dem was Sie gelesen haben und was genau unklar war an den Erklärungen die hier gelesen wurden - den nur dann kann man auch darauf eingehen was event. unklar ist/war.
Bitte unbedingt vor einem Post lesen => Boardregeln / Datenschutz
Wir erteilen hier keine Rechtsberatung, unsere Hinweise sind nach bestem Wissen und bedürfen einer entsprechenden juristischen/technischen weiteren Beratung.
Normkonforme Beratung und Bau sind bei uns selbstverständlich.
Sat-Shop Heilbronn Kunden können sich auch nach dem Kauf auf unseren besten Service verlassen
Hier im Forum wird kein After-Sales-Support für Fremdkäufe geleistet !! Wenden Sie sich dazu an ihren Verkäufer ......
Tristan Uhde / Satanlagen Onlineshop / SAT-Shop Heilbronn
https://www.satshop-heilbronn.de (SSL) / SAT-Onlineforum https://www.satanlagenforum.de (SSL)
Tel ------ (Fragen gehören ins Forum ! Den nur hier können sie richtig bearbeitet werden, auch was hier noch nicht von A-Z genau schon erklärt/behandelt ist ) .. Dieser Hinweis weil täglich dutzende Fragen per Email oder per PM über das Forum rein kommen die noch dazu inhaltlich nicht das intus haben das man etwas dazu sagen könnte.
Wichtiger Hinweis: Zuständigkeiten verantwortliche Elektrofachkraft (VEFK) und Blitzschutzfachkräfte
Informieren Sie sich dort über Folgen und Auswirkungen von Eigenleistung und lassen Sie selbst durchgeführte Installationen von entsprechender Stelle prüfen und abnehmen. Dafür sind VOR ORT spezielle und qualifizierte Blitzschutz-Fachkräfte notwendig, Ferndiagnosen für Blitzschutz/Erdung können hier NICHT durchgeführt werden ("wie kann ICH das machen ..." oder ähnlich bringt da nichts).
Diese Signatur wächst von Woche zu Woche und enthält immer mehr grundlegende Inhalte die bitte berücksichtigt werden sollten bei bzw. VOR Anfragen !
100% beantwortet werden können nur Anfragen die auch alle relevanten Teile beinhalten die man benötigt für eine Antwort (genaue Beschreibungen/ Angabe von Herstellern/Typen für vorhandenes Material etc.). Bitte vermeiden Sie Aussagen wie "habe viel gelesen, aber versteht das nicht ..." ohne Nennung von dem was Sie gelesen haben und was genau unklar war an den Erklärungen die hier gelesen wurden - den nur dann kann man auch darauf eingehen was event. unklar ist/war.
Bitte unbedingt vor einem Post lesen => Boardregeln / Datenschutz
Wir erteilen hier keine Rechtsberatung, unsere Hinweise sind nach bestem Wissen und bedürfen einer entsprechenden juristischen/technischen weiteren Beratung.
Re: Unicable System JPS0501-8 Antennendosen-Auswahl JAP/JAD
----------
Hier hat sich ein Denkfehler meinerseits eingeschlichen - daher ------- meines Komentars.
Über das vertikal-Lowband bekomme ich tatsächlich keinen Empfang. Ich werde dieser Tage (sobald das Wetter besser ist) die Verkabelung am LNB nochmal prüfen. Vermutlich nur ein schlechter Kontakt.
Hier hat sich ein Denkfehler meinerseits eingeschlichen - daher ------- meines Komentars.
Über das vertikal-Lowband bekomme ich tatsächlich keinen Empfang. Ich werde dieser Tage (sobald das Wetter besser ist) die Verkabelung am LNB nochmal prüfen. Vermutlich nur ein schlechter Kontakt.
Zuletzt geändert von Roland.S. am 4. Februar 2016 08:38, insgesamt 1-mal geändert.
- techno-com
- Site Admin
- Beiträge: 22429
- Registriert: 17. November 2005 09:32
- Wohnort: 74076 Heilbronn
- Hat sich bedankt: 504 Mal
- Danksagung erhalten: 574 Mal
- Kontaktdaten:
Re: Unicable System JPS0501-8 Antennendosen-Auswahl JAP/JAD
Hatte hier gestern Abend schon gelesen (per Handy => Tapatalk), da stand noch was hier von "... komisch .. an einem Strang gehen die Programme an Receiver1 und am Receiver2 dann nicht mehr .... trotz neuem Sendersuchlauf ...".
Was war jetzt anders daran das ich nur noch Striche jetzt sehe ?
Was war jetzt anders daran das ich nur noch Striche jetzt sehe ?
Vielleicht sind wir nicht günstiger als ein Discounter oder reiner Online-Kartonschieber, aber sicherlich besser !
Normkonforme Beratung und Bau sind bei uns selbstverständlich.
Sat-Shop Heilbronn Kunden können sich auch nach dem Kauf auf unseren besten Service verlassen
Hier im Forum wird kein After-Sales-Support für Fremdkäufe geleistet !! Wenden Sie sich dazu an ihren Verkäufer ......
Tristan Uhde / Satanlagen Onlineshop / SAT-Shop Heilbronn
https://www.satshop-heilbronn.de (SSL) / SAT-Onlineforum https://www.satanlagenforum.de (SSL)
Tel ------ (Fragen gehören ins Forum ! Den nur hier können sie richtig bearbeitet werden, auch was hier noch nicht von A-Z genau schon erklärt/behandelt ist ) .. Dieser Hinweis weil täglich dutzende Fragen per Email oder per PM über das Forum rein kommen die noch dazu inhaltlich nicht das intus haben das man etwas dazu sagen könnte.
Wichtiger Hinweis: Zuständigkeiten verantwortliche Elektrofachkraft (VEFK) und Blitzschutzfachkräfte
Informieren Sie sich dort über Folgen und Auswirkungen von Eigenleistung und lassen Sie selbst durchgeführte Installationen von entsprechender Stelle prüfen und abnehmen. Dafür sind VOR ORT spezielle und qualifizierte Blitzschutz-Fachkräfte notwendig, Ferndiagnosen für Blitzschutz/Erdung können hier NICHT durchgeführt werden ("wie kann ICH das machen ..." oder ähnlich bringt da nichts).
Diese Signatur wächst von Woche zu Woche und enthält immer mehr grundlegende Inhalte die bitte berücksichtigt werden sollten bei bzw. VOR Anfragen !
100% beantwortet werden können nur Anfragen die auch alle relevanten Teile beinhalten die man benötigt für eine Antwort (genaue Beschreibungen/ Angabe von Herstellern/Typen für vorhandenes Material etc.). Bitte vermeiden Sie Aussagen wie "habe viel gelesen, aber versteht das nicht ..." ohne Nennung von dem was Sie gelesen haben und was genau unklar war an den Erklärungen die hier gelesen wurden - den nur dann kann man auch darauf eingehen was event. unklar ist/war.
Bitte unbedingt vor einem Post lesen => Boardregeln / Datenschutz
Wir erteilen hier keine Rechtsberatung, unsere Hinweise sind nach bestem Wissen und bedürfen einer entsprechenden juristischen/technischen weiteren Beratung.
Normkonforme Beratung und Bau sind bei uns selbstverständlich.
Sat-Shop Heilbronn Kunden können sich auch nach dem Kauf auf unseren besten Service verlassen
Hier im Forum wird kein After-Sales-Support für Fremdkäufe geleistet !! Wenden Sie sich dazu an ihren Verkäufer ......
Tristan Uhde / Satanlagen Onlineshop / SAT-Shop Heilbronn
https://www.satshop-heilbronn.de (SSL) / SAT-Onlineforum https://www.satanlagenforum.de (SSL)
Tel ------ (Fragen gehören ins Forum ! Den nur hier können sie richtig bearbeitet werden, auch was hier noch nicht von A-Z genau schon erklärt/behandelt ist ) .. Dieser Hinweis weil täglich dutzende Fragen per Email oder per PM über das Forum rein kommen die noch dazu inhaltlich nicht das intus haben das man etwas dazu sagen könnte.
Wichtiger Hinweis: Zuständigkeiten verantwortliche Elektrofachkraft (VEFK) und Blitzschutzfachkräfte
Informieren Sie sich dort über Folgen und Auswirkungen von Eigenleistung und lassen Sie selbst durchgeführte Installationen von entsprechender Stelle prüfen und abnehmen. Dafür sind VOR ORT spezielle und qualifizierte Blitzschutz-Fachkräfte notwendig, Ferndiagnosen für Blitzschutz/Erdung können hier NICHT durchgeführt werden ("wie kann ICH das machen ..." oder ähnlich bringt da nichts).
Diese Signatur wächst von Woche zu Woche und enthält immer mehr grundlegende Inhalte die bitte berücksichtigt werden sollten bei bzw. VOR Anfragen !
100% beantwortet werden können nur Anfragen die auch alle relevanten Teile beinhalten die man benötigt für eine Antwort (genaue Beschreibungen/ Angabe von Herstellern/Typen für vorhandenes Material etc.). Bitte vermeiden Sie Aussagen wie "habe viel gelesen, aber versteht das nicht ..." ohne Nennung von dem was Sie gelesen haben und was genau unklar war an den Erklärungen die hier gelesen wurden - den nur dann kann man auch darauf eingehen was event. unklar ist/war.
Bitte unbedingt vor einem Post lesen => Boardregeln / Datenschutz
Wir erteilen hier keine Rechtsberatung, unsere Hinweise sind nach bestem Wissen und bedürfen einer entsprechenden juristischen/technischen weiteren Beratung.
Re: Unicable System JPS0501-8 Antennendosen-Auswahl JAP/JAD
So ein kleiner Zwischenbericht:Roland.S. hat geschrieben:Über das vertikal-Lowband bekomme ich tatsächlich keinen Empfang. Ich werde dieser Tage (sobald das Wetter besser ist) die Verkabelung am LNB nochmal prüfen. Vermutlich nur ein schlechter Kontakt.
LNB war tatsächlich defekt. Leider war das gekaufte vom Händler aus meinem Ort auch kaputt. Riesen Theater bis dann endlich doch noch mal ein anderes aufgebaut wurde und siehe da - der Empfang war plötzlich da.
Der LG-TV (wie zuvor, weiter oben angesprochen) läuft auch - aber nur weil an einem 9 Monate alten Gerät der Techniker eine Platine gewechselt hat (zum Glück Garantie).
Mein TV im Keller läuft auch nach dem dritten Receiver nicht. Ich habe zuvor an einem Anschluss getestet an dem ein TV läuft. Die Empfänger haben einfach nur das Problem... sie können kein anständiges unicable Umsetzen oder die Bedienungsanleitung nimmt dies aus - oder auch viel zu kompliziert. Gestestet habe ich bisher ein Kathrein UFS910, da war ein Softwareupdate nötig, ging aber trotzdem nicht. Dann ein Smart CX02, da konnte man, wenn auch umständlich alles einstellen, geht aber auch nicht. Als nächstes kommt ein Edison Progressiv HD Compact ran.
Hätte ich gewusst wie viel Zeit, Ärger und Umstände die Umrüstung mit sich bringt....
Ach ja - der auch in einem vorangegangenen Kommentar von mir angesprochene Panasonic TV läuft auch nicht - obwohl laut Hotline der unicable tauglich/fähig ist.!?
- techno-com
- Site Admin
- Beiträge: 22429
- Registriert: 17. November 2005 09:32
- Wohnort: 74076 Heilbronn
- Hat sich bedankt: 504 Mal
- Danksagung erhalten: 574 Mal
- Kontaktdaten:
Re: Unicable System JPS0501-8 Antennendosen-Auswahl JAP/JAD
Roland.S. hat geschrieben:LNB war tatsächlich defekt. Leider war das gekaufte vom Händler aus meinem Ort auch kaputt. Riesen Theater bis dann endlich doch noch mal ein anderes aufgebaut wurde und siehe da - der Empfang war plötzlich da.

Denke nicht das dies mit der neuen Platine zu tun hat, das wird einfach eine neue Software jetzt sein die man auch am Gerät mit der "alten" Platine hätten aufspielen können sicherlich.Roland.S. hat geschrieben:Der LG-TV (wie zuvor, weiter oben angesprochen) läuft auch - aber nur weil an einem 9 Monate alten Gerät der Techniker eine Platine gewechselt hat (zum Glück Garantie).
Platinen von Geräten werden nicht geändert im Aufbau das dann Unicable damit geht.
Kathrein UFS910 sowie Smart CX02 gehen an Unicable einwandfrei, super Programmierung dafür !Roland.S. hat geschrieben:Mein TV im Keller läuft auch nach dem dritten Receiver nicht. Ich habe zuvor an einem Anschluss getestet an dem ein TV läuft. Die Empfänger haben einfach nur das Problem... sie können kein anständiges unicable Umsetzen oder die Bedienungsanleitung nimmt dies aus - oder auch viel zu kompliziert. Gestestet habe ich bisher ein Kathrein UFS910, da war ein Softwareupdate nötig, ging aber trotzdem nicht. Dann ein Smart CX02, da konnte man, wenn auch umständlich alles einstellen, geht aber auch nicht. Als nächstes kommt ein Edison Progressiv HD Compact ran.
Sie sagen nichts zu den Einstellungen am Gerät das man mehr sagen könnte...
Wie oben .... Sie sagen nichts zu den Einstellungen am Gerät das man mehr sagen könnte...Roland.S. hat geschrieben:Ach ja - der auch in einem vorangegangenen Kommentar von mir angesprochene Panasonic TV läuft auch nicht - obwohl laut Hotline der unicable tauglich/fähig ist.!?
Vielleicht sind wir nicht günstiger als ein Discounter oder reiner Online-Kartonschieber, aber sicherlich besser !
Normkonforme Beratung und Bau sind bei uns selbstverständlich.
Sat-Shop Heilbronn Kunden können sich auch nach dem Kauf auf unseren besten Service verlassen
Hier im Forum wird kein After-Sales-Support für Fremdkäufe geleistet !! Wenden Sie sich dazu an ihren Verkäufer ......
Tristan Uhde / Satanlagen Onlineshop / SAT-Shop Heilbronn
https://www.satshop-heilbronn.de (SSL) / SAT-Onlineforum https://www.satanlagenforum.de (SSL)
Tel ------ (Fragen gehören ins Forum ! Den nur hier können sie richtig bearbeitet werden, auch was hier noch nicht von A-Z genau schon erklärt/behandelt ist ) .. Dieser Hinweis weil täglich dutzende Fragen per Email oder per PM über das Forum rein kommen die noch dazu inhaltlich nicht das intus haben das man etwas dazu sagen könnte.
Wichtiger Hinweis: Zuständigkeiten verantwortliche Elektrofachkraft (VEFK) und Blitzschutzfachkräfte
Informieren Sie sich dort über Folgen und Auswirkungen von Eigenleistung und lassen Sie selbst durchgeführte Installationen von entsprechender Stelle prüfen und abnehmen. Dafür sind VOR ORT spezielle und qualifizierte Blitzschutz-Fachkräfte notwendig, Ferndiagnosen für Blitzschutz/Erdung können hier NICHT durchgeführt werden ("wie kann ICH das machen ..." oder ähnlich bringt da nichts).
Diese Signatur wächst von Woche zu Woche und enthält immer mehr grundlegende Inhalte die bitte berücksichtigt werden sollten bei bzw. VOR Anfragen !
100% beantwortet werden können nur Anfragen die auch alle relevanten Teile beinhalten die man benötigt für eine Antwort (genaue Beschreibungen/ Angabe von Herstellern/Typen für vorhandenes Material etc.). Bitte vermeiden Sie Aussagen wie "habe viel gelesen, aber versteht das nicht ..." ohne Nennung von dem was Sie gelesen haben und was genau unklar war an den Erklärungen die hier gelesen wurden - den nur dann kann man auch darauf eingehen was event. unklar ist/war.
Bitte unbedingt vor einem Post lesen => Boardregeln / Datenschutz
Wir erteilen hier keine Rechtsberatung, unsere Hinweise sind nach bestem Wissen und bedürfen einer entsprechenden juristischen/technischen weiteren Beratung.
Normkonforme Beratung und Bau sind bei uns selbstverständlich.
Sat-Shop Heilbronn Kunden können sich auch nach dem Kauf auf unseren besten Service verlassen
Hier im Forum wird kein After-Sales-Support für Fremdkäufe geleistet !! Wenden Sie sich dazu an ihren Verkäufer ......
Tristan Uhde / Satanlagen Onlineshop / SAT-Shop Heilbronn
https://www.satshop-heilbronn.de (SSL) / SAT-Onlineforum https://www.satanlagenforum.de (SSL)
Tel ------ (Fragen gehören ins Forum ! Den nur hier können sie richtig bearbeitet werden, auch was hier noch nicht von A-Z genau schon erklärt/behandelt ist ) .. Dieser Hinweis weil täglich dutzende Fragen per Email oder per PM über das Forum rein kommen die noch dazu inhaltlich nicht das intus haben das man etwas dazu sagen könnte.
Wichtiger Hinweis: Zuständigkeiten verantwortliche Elektrofachkraft (VEFK) und Blitzschutzfachkräfte
Informieren Sie sich dort über Folgen und Auswirkungen von Eigenleistung und lassen Sie selbst durchgeführte Installationen von entsprechender Stelle prüfen und abnehmen. Dafür sind VOR ORT spezielle und qualifizierte Blitzschutz-Fachkräfte notwendig, Ferndiagnosen für Blitzschutz/Erdung können hier NICHT durchgeführt werden ("wie kann ICH das machen ..." oder ähnlich bringt da nichts).
Diese Signatur wächst von Woche zu Woche und enthält immer mehr grundlegende Inhalte die bitte berücksichtigt werden sollten bei bzw. VOR Anfragen !
100% beantwortet werden können nur Anfragen die auch alle relevanten Teile beinhalten die man benötigt für eine Antwort (genaue Beschreibungen/ Angabe von Herstellern/Typen für vorhandenes Material etc.). Bitte vermeiden Sie Aussagen wie "habe viel gelesen, aber versteht das nicht ..." ohne Nennung von dem was Sie gelesen haben und was genau unklar war an den Erklärungen die hier gelesen wurden - den nur dann kann man auch darauf eingehen was event. unklar ist/war.
Bitte unbedingt vor einem Post lesen => Boardregeln / Datenschutz
Wir erteilen hier keine Rechtsberatung, unsere Hinweise sind nach bestem Wissen und bedürfen einer entsprechenden juristischen/technischen weiteren Beratung.
Re: Unicable System JPS0501-8 Antennendosen-Auswahl JAP/JAD
Das ist richtig, aber als der Techniker den Servicemode starten wollte machte er schon ahha, da wurde nämlich im Servicemode schon gar nicht alles angezeigt. Ebenso hat sich das Gerät beim Sendersortieren aufgehängt. Komisch nur, genau zu dem Zeitpunkt als die Sat-Anlage umgebaut wurde.techno-com hat geschrieben:Denke nicht das dies mit der neuen Platine zu tun hat, das wird einfach eine neue Software jetzt sein die man auch am Gerät mit der "alten" Platine hätten aufspielen können sicherlich.
Platinen von Geräten werden nicht geändert im Aufbau das dann Unicable damit geht.
Den Smart habe ich zum testen noch da. Was soll ich dazu sagen, ich habe alles so eingestellt wie auf den Seiten 60+61 (je nach Format ist es auch die Seite44) der Bedienungsanleitung zu lesen ist. ZF-Kanal 1 auf 1076MHz, 2 auf 1178MHZ, 3 auf 1280MHz usw. eingestellt. Dann auf Seite 61 Punkt 4. den ZF-Kanal gemäß der Dose eingegeben an der er angeschlossen ist. Hier habe ich auch den Standort mal gewechselt, also an eine andere Dose angehängt an der ein TV läuft. Bei Punkt 6. Sat-Position mal von A auf B gewechselt - ohne Erfolg.techno-com hat geschrieben:Kathrein UFS910 sowie Smart CX02 gehen an Unicable einwandfrei, super Programmierung dafür !
Sie sagen nichts zu den Einstellungen am Gerät das man mehr sagen könnte...
Re: Unicable System JPS0501-8 Antennendosen-Auswahl JAP/JAD
Neue Erfahrung:
Die Sat-Receiver sind anscheinend alle unfähig was die Umsetzung unicable angeht. Zwischenzeitlich habe ich den 4ten angeschlossen. Der erste übrigens der auch mehr oder minder funktioniert. Die Einstellung ZF-Kanal und Frequenz ging schon mal und auch die Sendersuche. Nun aber kommen viele Sender gar nicht als HD obwohl die in HD ausgestrahlt werden (z.B. Phönix, mdr...) Dann habe ich das Gerät im Wohnzimmen wo mein Loewe steht angeschlossen.
Hier ist ID 3+4 an der Antennendose vergeben. Der Receiver fand da mal gar kein Empfang. Nur auf ID8 mit 1790Mhz war plötzlich der Empfang da.
Wie kann das sein wenn die Antennendose auf ID3+4 programiert ist?
Während der Sendersortierung war dann plötzlich der Empfang wieder weg. Neue ZF-Einstellung und dann war das Signal auf ZF3 vorhanden wie es sein soll. Wiederum Sendersuchlauf, wiederum Senderabbrüche bzw. kein Signal weil der Receiver anscheinend merkte - oh falscher Kanal. Also wieder umstellen - usw....
Ich denke immer noch, dass es an den Empfängern liegt.... China, Taiwan alles Mistware in denen die selben Chips verbaut wurden da alle eine ähnliche Menüstruktur aufweisen.
Ein Gutes gibt es zu berichten. Mein Loewe und der LG laufen zwischenzeitlich perfekt. Auch der Pannasonic geht. Hier war entgegen der Bedienungsanleitung UND Kundendienst eine falsche Einstellung (PIN-Code) angegeben.
Meine Erfahrung bisher, nur die Tripple-Tuner in den TV-Geräten können unicable vernünftig umsetzen. Mag sein, dass sündhaft teure Receiver das evtl. auch können - da steht aber das Preis/Leistungsverhältnis in keinem vernünftigen Verhältnnis zu einem neuen TV-Gerät.
Die Sat-Receiver sind anscheinend alle unfähig was die Umsetzung unicable angeht. Zwischenzeitlich habe ich den 4ten angeschlossen. Der erste übrigens der auch mehr oder minder funktioniert. Die Einstellung ZF-Kanal und Frequenz ging schon mal und auch die Sendersuche. Nun aber kommen viele Sender gar nicht als HD obwohl die in HD ausgestrahlt werden (z.B. Phönix, mdr...) Dann habe ich das Gerät im Wohnzimmen wo mein Loewe steht angeschlossen.
Hier ist ID 3+4 an der Antennendose vergeben. Der Receiver fand da mal gar kein Empfang. Nur auf ID8 mit 1790Mhz war plötzlich der Empfang da.
Wie kann das sein wenn die Antennendose auf ID3+4 programiert ist?
Während der Sendersortierung war dann plötzlich der Empfang wieder weg. Neue ZF-Einstellung und dann war das Signal auf ZF3 vorhanden wie es sein soll. Wiederum Sendersuchlauf, wiederum Senderabbrüche bzw. kein Signal weil der Receiver anscheinend merkte - oh falscher Kanal. Also wieder umstellen - usw....
Ich denke immer noch, dass es an den Empfängern liegt.... China, Taiwan alles Mistware in denen die selben Chips verbaut wurden da alle eine ähnliche Menüstruktur aufweisen.
Ein Gutes gibt es zu berichten. Mein Loewe und der LG laufen zwischenzeitlich perfekt. Auch der Pannasonic geht. Hier war entgegen der Bedienungsanleitung UND Kundendienst eine falsche Einstellung (PIN-Code) angegeben.
Meine Erfahrung bisher, nur die Tripple-Tuner in den TV-Geräten können unicable vernünftig umsetzen. Mag sein, dass sündhaft teure Receiver das evtl. auch können - da steht aber das Preis/Leistungsverhältnis in keinem vernünftigen Verhältnnis zu einem neuen TV-Gerät.
Re: Unicable System JPS0501-8 Antennendosen-Auswahl JAP/JAD
Hallo Roland
1. Frage: Ist das Anlageschema (29.1.16, unter dem Schaltkasten) identisch mit dem aktuellen Zustand?
Ich rede im folgenden von Strang links bzw. rechts.
Sie schreiben nicht, an welchem Strang Sie Probleme haben, links oder rechts.
Zuerst einmal, sind im Keller die Abschlusswiderstände montiert?
Ich selbst würde mich mal von oben nach unten arbeiten.
Das heisst im DG an Strang links einen Receiver anschliessen, ID 8 einstellen, Senderdurchlauf machen. Werden Sender gefunden? wenn ja, dann am Strang rechts das Gleiche bzw. Empfang kontrollieren. Weiter zur ID 7 usw.
Wenn keine Sender gefunden werden, den Ausgang an der entsprechenden Anschlussdose abhängen und Endwiderstand setzen. Dann nochmals Senderdurchlauf.
Es könnte ja sein, dass im weiteren Verlauf der Anschlüsse sich irgendwo ein Fehler eingeschlichen hat.
An den Receivern (Typ ?) kann es nicht liegen, höchstens an den Einstellungen. Evtl. die Receiver zuerst auf die Werkseinstellungen zurücksetzen, dann kann man bei «Null» beginnen.
An einer von mir installierten Anlage JPS17-12 mit 3 Satelliten laufen Receiver und TV mit Sattuner einwandfrei.
Bitte jeweils den Empfängertyp und die von Ihnen vorgenommenen Einstellungen angeben, damit man auch Anhaltspunkte finden kann.
PS. Ich nenne den Zustand wo das Signal zu schwach wird und kippt, Klötzchenbildung statt Mosaik
Gruss
Guido
1. Frage: Ist das Anlageschema (29.1.16, unter dem Schaltkasten) identisch mit dem aktuellen Zustand?
Ich rede im folgenden von Strang links bzw. rechts.
Sie schreiben nicht, an welchem Strang Sie Probleme haben, links oder rechts.
Zuerst einmal, sind im Keller die Abschlusswiderstände montiert?
Ich selbst würde mich mal von oben nach unten arbeiten.
Das heisst im DG an Strang links einen Receiver anschliessen, ID 8 einstellen, Senderdurchlauf machen. Werden Sender gefunden? wenn ja, dann am Strang rechts das Gleiche bzw. Empfang kontrollieren. Weiter zur ID 7 usw.
Wenn keine Sender gefunden werden, den Ausgang an der entsprechenden Anschlussdose abhängen und Endwiderstand setzen. Dann nochmals Senderdurchlauf.
Es könnte ja sein, dass im weiteren Verlauf der Anschlüsse sich irgendwo ein Fehler eingeschlichen hat.
An den Receivern (Typ ?) kann es nicht liegen, höchstens an den Einstellungen. Evtl. die Receiver zuerst auf die Werkseinstellungen zurücksetzen, dann kann man bei «Null» beginnen.
An einer von mir installierten Anlage JPS17-12 mit 3 Satelliten laufen Receiver und TV mit Sattuner einwandfrei.
Bitte jeweils den Empfängertyp und die von Ihnen vorgenommenen Einstellungen angeben, damit man auch Anhaltspunkte finden kann.
PS. Ich nenne den Zustand wo das Signal zu schwach wird und kippt, Klötzchenbildung statt Mosaik
Gruss
Guido
Re: Unicable System JPS0501-8 Antennendosen-Auswahl JAP/JAD
Hallo Guido
Das Anlageschema unter dem Schaltkasten ist aktuell.
An allen Strängen sind die Probleme vorhanden.
An den beiden Stängen links, die bis in den Keller führen, sind TV`s mit Tripple Tuner in Betrieb.
Sollte also ein Problem im Strang bis zu den TV`s sein, dürften diese ja auch nicht funktionieren.
Die Receiver habe ich an einer funktionierenden Dose an der ein TV angeschlossen ist getestet.
Abschlusswiderstände werden bei den JAP307TRS Dosen nicht benötigt, das sind Stichdosen. Jeder Strang endet mit solch einer Dose.
Die Receiver wurden mehrmals auf Wekseinstellung gesetzt - ohne Erfolg.
Die Signalstärke wird an allen TV Geräten mit über 85% teils 98% angezeigt.
Da ich von den getesteten Receivern keinen mehr da habe (alle retouniert) würde mir evtl. weiterhelfen wenn du mir sagst welche bei dir gut laufen. Ich muss mir ja noch zwei zulegen.
Gruß Roland
Das Anlageschema unter dem Schaltkasten ist aktuell.
An allen Strängen sind die Probleme vorhanden.
An den beiden Stängen links, die bis in den Keller führen, sind TV`s mit Tripple Tuner in Betrieb.
Sollte also ein Problem im Strang bis zu den TV`s sein, dürften diese ja auch nicht funktionieren.
Die Receiver habe ich an einer funktionierenden Dose an der ein TV angeschlossen ist getestet.
Abschlusswiderstände werden bei den JAP307TRS Dosen nicht benötigt, das sind Stichdosen. Jeder Strang endet mit solch einer Dose.
Die Receiver wurden mehrmals auf Wekseinstellung gesetzt - ohne Erfolg.
Die Signalstärke wird an allen TV Geräten mit über 85% teils 98% angezeigt.
Da ich von den getesteten Receivern keinen mehr da habe (alle retouniert) würde mir evtl. weiterhelfen wenn du mir sagst welche bei dir gut laufen. Ich muss mir ja noch zwei zulegen.
Gruß Roland
Re: Unicable System JPS0501-8 Antennendosen-Auswahl JAP/JAD
Hallo Roland
Falsch: JAP307TRS ist eine Enddose. Soeben bei Jultec nachgeschaut ... «sowie eine echte, intern terminierte Enddose (JAP307TRS) zur Verfügung.»
Jess-fähige Receiver. Die Receiver auf dieser Liste können sicher alle «Unicable», sind ja einfach die ersten 8 IDs ...
In der beschriebenen Anlage läuft ein Samsung-TV sowie ein SetOne Genius. Dieser war damals neben dem ARCON Titan 6001 der einzige Jess-fähige Empfänger
und die Firma ist ca. 6 km von mir weg zuhause. Unicable kann ja nur mit 2 Satelliten umgehen.
Sollte ein Empfänger nicht funktionieren, würde ich einmal eine normale JAD-Dose direkt am JPS anschliessen.
Den Empfänger direkt am JPS anschliessen, wird wahrscheinlich den Tuner übersteuern (man kann es ja ausprobieren...)
Dann kannst Du alle ID-Kombinationen ausprobieren, ohne dass eine blockiert wird.
Guido
Falsch: JAP307TRS ist eine Enddose. Soeben bei Jultec nachgeschaut ... «sowie eine echte, intern terminierte Enddose (JAP307TRS) zur Verfügung.»
Jess-fähige Receiver. Die Receiver auf dieser Liste können sicher alle «Unicable», sind ja einfach die ersten 8 IDs ...
In der beschriebenen Anlage läuft ein Samsung-TV sowie ein SetOne Genius. Dieser war damals neben dem ARCON Titan 6001 der einzige Jess-fähige Empfänger
und die Firma ist ca. 6 km von mir weg zuhause. Unicable kann ja nur mit 2 Satelliten umgehen.
Sollte ein Empfänger nicht funktionieren, würde ich einmal eine normale JAD-Dose direkt am JPS anschliessen.
Den Empfänger direkt am JPS anschliessen, wird wahrscheinlich den Tuner übersteuern (man kann es ja ausprobieren...)
Dann kannst Du alle ID-Kombinationen ausprobieren, ohne dass eine blockiert wird.
Dies sieht nach einem Receiver aus, der keinen S2-Tuner hat, deshalb findet er keine HD-SenderRoland.S. hat geschrieben:Nun aber kommen viele Sender gar nicht als HD obwohl die in HD ausgestrahlt werden (z.B. Phönix, mdr...).
Guido
- techno-com
- Site Admin
- Beiträge: 22429
- Registriert: 17. November 2005 09:32
- Wohnort: 74076 Heilbronn
- Hat sich bedankt: 504 Mal
- Danksagung erhalten: 574 Mal
- Kontaktdaten:
Re: Unicable System JPS0501-8 Antennendosen-Auswahl JAP/JAD
Dem widerspreche ich einfach mal ....... das Problem wird hier woanders zu suchen sein ! Ganz einfach an den Einstellungen, der Verschaltung etc. etc. ! Schon eine falsch herum eingebaute Dose (Eingang/Ausgang vertauscht an ihr) kann zu solchen Problemen führen .....Roland.S. hat geschrieben:Die Sat-Receiver sind anscheinend alle unfähig was die Umsetzung unicable angeht. Zwischenzeitlich habe ich den 4ten angeschlossen. Der erste übrigens der auch mehr oder minder funktioniert. Die Einstellung ZF-Kanal und Frequenz ging schon mal und auch die Sendersuche. Nun aber kommen viele Sender gar nicht als HD obwohl die in HD ausgestrahlt werden (z.B. Phönix, mdr...)
Ich blicke aber hier in der kompletten Beschreibung aktuell nicht mehr durch .... was geht, was geht nicht ? Wo geht etwas, wo geht etwas nicht ? Warum wird nicht mal ein Receiver/TV der funktioniert umplaziert an einen Ort wo etwas nicht zu funktionieren scheint (dann natürlich mit angepasster ID die an diesem Anschluss freigegeben ist) um auszuschließen das es sich um ein Signalproblem handelt ?
Ausschlussverfahren anwenden !
Hier wird von "DG", "Wohnzimmer" und "Keller" gesprochen, ich verstehe aber nicht wirklich welche Räume/Anschlüsse das auf dem Kabelplan genau sein sollen ... hier fehlt die Präzision in der Beschreibung aktuell das man sich ein 100%iges Bild von der tatsächlichen Sachen machen könnte ....
So z.B. "in Raum xyz markiert läuft dieser Fernseher, mit einem Receiver bekomme ich dort auch ein Signal --- nehme ich diesen Receiver mit in Raum zyx und passe die Einstellungen an geht es dann auch/bzw. geht es dort nicht mehr ...".
Funktioniert der Loewe dort ohne Probleme mit ALLEN Programmen ?Roland.S. hat geschrieben:Dann habe ich das Gerät im Wohnzimmen wo mein Loewe steht angeschlossen.
Welche Einstellung im Antennenmenu ist dort vorgenommen (SCR-Einstellungen oder ID-Zuordnungen / beginnend bei 0 oder 1 im ID-Auswahlmenu) ?
Wenn ein anderer Receiver der auf ID8 arbeitet an ist kann jeder andere Receiver der über ID8 eingestellt ist dessen Programme die er angefordert hat auch sehen .... nur umschalten kann nur der Receiver der auch die ID8 an der Dose frei gegeben hat (nur der kann sein Umschaltsignal auch zum Multischalter durch senden)....Roland.S. hat geschrieben:Hier ist ID 3+4 an der Antennendose vergeben. Der Receiver fand da mal gar kein Empfang. Nur auf ID8 mit 1790Mhz war plötzlich der Empfang da.
Wie kann das sein wenn die Antennendose auf ID3+4 programiert ist?
--- habe übrigens keine Angabe gefunden welches Gerät dort jetzt getestet wurde ? Welches der vielen die schon genannt wurden ? Wie sind dessen Einstellungen GENAU gewesen im Antennenmenu und auch hier SCR oder ID im Antennenmenu ? ---
Klares Zeichen wie zuvor genannt..... dann hatte der Receiver der mit ID8 arbeitet in dieser Zeit umgeschalten !Roland.S. hat geschrieben:Während der Sendersortierung war dann plötzlich der Empfang wieder weg. Neue ZF-Einstellung und dann war das Signal auf ZF3 vorhanden wie es sein soll. Wiederum Sendersuchlauf, wiederum Senderabbrüche bzw. kein Signal weil der Receiver anscheinend merkte - oh falscher Kanal. Also wieder umstellen - usw....
Jetzt wäre mit Sicherheit in dieser Situation ein anderes Programm gegangen ..... eben das was der Receiver der mit ID8 arbeitet in der Zwischenzeit angefordert hatte !
Nein, alle Geräte die sie verwenden kommen von da her .... es baut keiner mehr in Deutschland !Roland.S. hat geschrieben:Ich denke immer noch, dass es an den Empfängern liegt.... China, Taiwan alles Mistware in denen die selben Chips verbaut wurden da alle eine ähnliche Menüstruktur aufweisen.
Was für ein PIN-Code und welche falsch "Einstellung" vom Kundendienst und der Bedienungsanleitung ? Ich versteh das nicht ....Roland.S. hat geschrieben:Ein Gutes gibt es zu berichten. Mein Loewe und der LG laufen zwischenzeitlich perfekt. Auch der Pannasonic geht. Hier war entgegen der Bedienungsanleitung UND Kundendienst eine falsche Einstellung (PIN-Code) angegeben.
Fazit: bitte eine präzise Beschreibung vom Problem .... ich habe bisher noch nicht einmal verstanden an welchem Anschluss es jetzt funktioniert, mit welchem Gerät dort im Einsatz und welchen Einstellungen und vor allem nicht an welchem Anschluss es Probleme gibt und weiterhin auch nicht ob es diese Probleme dort nur mit einem Gerät gibt oder mit verschiedenen Geräten die ggf. sogar an anderen Anschlüsse einwandfrei funktionieren ?
Welche Programme gehen/nicht gehen, da habe ich auch ein Verständnisproblem ...
Vielleicht sind wir nicht günstiger als ein Discounter oder reiner Online-Kartonschieber, aber sicherlich besser !
Normkonforme Beratung und Bau sind bei uns selbstverständlich.
Sat-Shop Heilbronn Kunden können sich auch nach dem Kauf auf unseren besten Service verlassen
Hier im Forum wird kein After-Sales-Support für Fremdkäufe geleistet !! Wenden Sie sich dazu an ihren Verkäufer ......
Tristan Uhde / Satanlagen Onlineshop / SAT-Shop Heilbronn
https://www.satshop-heilbronn.de (SSL) / SAT-Onlineforum https://www.satanlagenforum.de (SSL)
Tel ------ (Fragen gehören ins Forum ! Den nur hier können sie richtig bearbeitet werden, auch was hier noch nicht von A-Z genau schon erklärt/behandelt ist ) .. Dieser Hinweis weil täglich dutzende Fragen per Email oder per PM über das Forum rein kommen die noch dazu inhaltlich nicht das intus haben das man etwas dazu sagen könnte.
Wichtiger Hinweis: Zuständigkeiten verantwortliche Elektrofachkraft (VEFK) und Blitzschutzfachkräfte
Informieren Sie sich dort über Folgen und Auswirkungen von Eigenleistung und lassen Sie selbst durchgeführte Installationen von entsprechender Stelle prüfen und abnehmen. Dafür sind VOR ORT spezielle und qualifizierte Blitzschutz-Fachkräfte notwendig, Ferndiagnosen für Blitzschutz/Erdung können hier NICHT durchgeführt werden ("wie kann ICH das machen ..." oder ähnlich bringt da nichts).
Diese Signatur wächst von Woche zu Woche und enthält immer mehr grundlegende Inhalte die bitte berücksichtigt werden sollten bei bzw. VOR Anfragen !
100% beantwortet werden können nur Anfragen die auch alle relevanten Teile beinhalten die man benötigt für eine Antwort (genaue Beschreibungen/ Angabe von Herstellern/Typen für vorhandenes Material etc.). Bitte vermeiden Sie Aussagen wie "habe viel gelesen, aber versteht das nicht ..." ohne Nennung von dem was Sie gelesen haben und was genau unklar war an den Erklärungen die hier gelesen wurden - den nur dann kann man auch darauf eingehen was event. unklar ist/war.
Bitte unbedingt vor einem Post lesen => Boardregeln / Datenschutz
Wir erteilen hier keine Rechtsberatung, unsere Hinweise sind nach bestem Wissen und bedürfen einer entsprechenden juristischen/technischen weiteren Beratung.
Normkonforme Beratung und Bau sind bei uns selbstverständlich.
Sat-Shop Heilbronn Kunden können sich auch nach dem Kauf auf unseren besten Service verlassen
Hier im Forum wird kein After-Sales-Support für Fremdkäufe geleistet !! Wenden Sie sich dazu an ihren Verkäufer ......
Tristan Uhde / Satanlagen Onlineshop / SAT-Shop Heilbronn
https://www.satshop-heilbronn.de (SSL) / SAT-Onlineforum https://www.satanlagenforum.de (SSL)
Tel ------ (Fragen gehören ins Forum ! Den nur hier können sie richtig bearbeitet werden, auch was hier noch nicht von A-Z genau schon erklärt/behandelt ist ) .. Dieser Hinweis weil täglich dutzende Fragen per Email oder per PM über das Forum rein kommen die noch dazu inhaltlich nicht das intus haben das man etwas dazu sagen könnte.
Wichtiger Hinweis: Zuständigkeiten verantwortliche Elektrofachkraft (VEFK) und Blitzschutzfachkräfte
Informieren Sie sich dort über Folgen und Auswirkungen von Eigenleistung und lassen Sie selbst durchgeführte Installationen von entsprechender Stelle prüfen und abnehmen. Dafür sind VOR ORT spezielle und qualifizierte Blitzschutz-Fachkräfte notwendig, Ferndiagnosen für Blitzschutz/Erdung können hier NICHT durchgeführt werden ("wie kann ICH das machen ..." oder ähnlich bringt da nichts).
Diese Signatur wächst von Woche zu Woche und enthält immer mehr grundlegende Inhalte die bitte berücksichtigt werden sollten bei bzw. VOR Anfragen !
100% beantwortet werden können nur Anfragen die auch alle relevanten Teile beinhalten die man benötigt für eine Antwort (genaue Beschreibungen/ Angabe von Herstellern/Typen für vorhandenes Material etc.). Bitte vermeiden Sie Aussagen wie "habe viel gelesen, aber versteht das nicht ..." ohne Nennung von dem was Sie gelesen haben und was genau unklar war an den Erklärungen die hier gelesen wurden - den nur dann kann man auch darauf eingehen was event. unklar ist/war.
Bitte unbedingt vor einem Post lesen => Boardregeln / Datenschutz
Wir erteilen hier keine Rechtsberatung, unsere Hinweise sind nach bestem Wissen und bedürfen einer entsprechenden juristischen/technischen weiteren Beratung.
- techno-com
- Site Admin
- Beiträge: 22429
- Registriert: 17. November 2005 09:32
- Wohnort: 74076 Heilbronn
- Hat sich bedankt: 504 Mal
- Danksagung erhalten: 574 Mal
- Kontaktdaten:
Re: Unicable System JPS0501-8 Antennendosen-Auswahl JAP/JAD
Ja, die JAD307 / JAP307 ist eine wahre Enddose ... Stichdosen hätten an dieser Anlage nichts zu suchen !guba hat geschrieben:Falsch: JAP307TRS ist eine Enddose. Soeben bei Jultec nachgeschaut ... «sowie eine echte, intern terminierte Enddose (JAP307TRS) zur Verfügung.»
Viele der getesteten Geräte sind super tauglich für diese Unicable-Anlage, vor allem der Kathrein und der Smart die vorher schon genannt wurden ! Hier ist sicherlich nicht die Schuld an diesen beiden Receivern zu suchen wenn etwas damit nicht funktioniert an der Anlage......guba hat geschrieben:Jess-fähige Receiver. Die Receiver auf dieser Liste können sicher alle «Unicable», sind ja einfach die ersten 8 IDs ...
Vielleicht sind wir nicht günstiger als ein Discounter oder reiner Online-Kartonschieber, aber sicherlich besser !
Normkonforme Beratung und Bau sind bei uns selbstverständlich.
Sat-Shop Heilbronn Kunden können sich auch nach dem Kauf auf unseren besten Service verlassen
Hier im Forum wird kein After-Sales-Support für Fremdkäufe geleistet !! Wenden Sie sich dazu an ihren Verkäufer ......
Tristan Uhde / Satanlagen Onlineshop / SAT-Shop Heilbronn
https://www.satshop-heilbronn.de (SSL) / SAT-Onlineforum https://www.satanlagenforum.de (SSL)
Tel ------ (Fragen gehören ins Forum ! Den nur hier können sie richtig bearbeitet werden, auch was hier noch nicht von A-Z genau schon erklärt/behandelt ist ) .. Dieser Hinweis weil täglich dutzende Fragen per Email oder per PM über das Forum rein kommen die noch dazu inhaltlich nicht das intus haben das man etwas dazu sagen könnte.
Wichtiger Hinweis: Zuständigkeiten verantwortliche Elektrofachkraft (VEFK) und Blitzschutzfachkräfte
Informieren Sie sich dort über Folgen und Auswirkungen von Eigenleistung und lassen Sie selbst durchgeführte Installationen von entsprechender Stelle prüfen und abnehmen. Dafür sind VOR ORT spezielle und qualifizierte Blitzschutz-Fachkräfte notwendig, Ferndiagnosen für Blitzschutz/Erdung können hier NICHT durchgeführt werden ("wie kann ICH das machen ..." oder ähnlich bringt da nichts).
Diese Signatur wächst von Woche zu Woche und enthält immer mehr grundlegende Inhalte die bitte berücksichtigt werden sollten bei bzw. VOR Anfragen !
100% beantwortet werden können nur Anfragen die auch alle relevanten Teile beinhalten die man benötigt für eine Antwort (genaue Beschreibungen/ Angabe von Herstellern/Typen für vorhandenes Material etc.). Bitte vermeiden Sie Aussagen wie "habe viel gelesen, aber versteht das nicht ..." ohne Nennung von dem was Sie gelesen haben und was genau unklar war an den Erklärungen die hier gelesen wurden - den nur dann kann man auch darauf eingehen was event. unklar ist/war.
Bitte unbedingt vor einem Post lesen => Boardregeln / Datenschutz
Wir erteilen hier keine Rechtsberatung, unsere Hinweise sind nach bestem Wissen und bedürfen einer entsprechenden juristischen/technischen weiteren Beratung.
Normkonforme Beratung und Bau sind bei uns selbstverständlich.
Sat-Shop Heilbronn Kunden können sich auch nach dem Kauf auf unseren besten Service verlassen
Hier im Forum wird kein After-Sales-Support für Fremdkäufe geleistet !! Wenden Sie sich dazu an ihren Verkäufer ......
Tristan Uhde / Satanlagen Onlineshop / SAT-Shop Heilbronn
https://www.satshop-heilbronn.de (SSL) / SAT-Onlineforum https://www.satanlagenforum.de (SSL)
Tel ------ (Fragen gehören ins Forum ! Den nur hier können sie richtig bearbeitet werden, auch was hier noch nicht von A-Z genau schon erklärt/behandelt ist ) .. Dieser Hinweis weil täglich dutzende Fragen per Email oder per PM über das Forum rein kommen die noch dazu inhaltlich nicht das intus haben das man etwas dazu sagen könnte.
Wichtiger Hinweis: Zuständigkeiten verantwortliche Elektrofachkraft (VEFK) und Blitzschutzfachkräfte
Informieren Sie sich dort über Folgen und Auswirkungen von Eigenleistung und lassen Sie selbst durchgeführte Installationen von entsprechender Stelle prüfen und abnehmen. Dafür sind VOR ORT spezielle und qualifizierte Blitzschutz-Fachkräfte notwendig, Ferndiagnosen für Blitzschutz/Erdung können hier NICHT durchgeführt werden ("wie kann ICH das machen ..." oder ähnlich bringt da nichts).
Diese Signatur wächst von Woche zu Woche und enthält immer mehr grundlegende Inhalte die bitte berücksichtigt werden sollten bei bzw. VOR Anfragen !
100% beantwortet werden können nur Anfragen die auch alle relevanten Teile beinhalten die man benötigt für eine Antwort (genaue Beschreibungen/ Angabe von Herstellern/Typen für vorhandenes Material etc.). Bitte vermeiden Sie Aussagen wie "habe viel gelesen, aber versteht das nicht ..." ohne Nennung von dem was Sie gelesen haben und was genau unklar war an den Erklärungen die hier gelesen wurden - den nur dann kann man auch darauf eingehen was event. unklar ist/war.
Bitte unbedingt vor einem Post lesen => Boardregeln / Datenschutz
Wir erteilen hier keine Rechtsberatung, unsere Hinweise sind nach bestem Wissen und bedürfen einer entsprechenden juristischen/technischen weiteren Beratung.
Re: Unicable System JPS0501-8 Antennendosen-Auswahl JAP/JAD
Um das ganze einfach abzukürzen:
Aus dem Plan geht die Verkabelung hervor. Auch, dass nur an Strang 1 und 2 die Leitungen bis in den Keller gehen.
Thema Antennendosen - in meinem Plan geht daraus hervor welche (JAP...) mit welcher Dämpfung, ID und Frequenz wo verbaut ist. Wer kommt hier eigentlich auf die Idee es seien (JAD...) verbaut? Sollte in meinem Plan ein Fehler drin sein - wäre ich bestimmt vor dem Kauf darauf hingewiesen worden (es bestand ja reger Schriftverkehr). Somit ist das Thema Antennendose erledigt.
Thema Receiver und TV und falsch herum eingebaute Antennendosen usw.:
Nehmen wir den ersten Strang (1). In dessen Verlauf sind 5 Dosen verbaut. Dosentyp, ID und Frequenz aus dem Plan zu entnehmen.
Im DG ist an erster Stelle die JAP318 mit ID8 = 1790MHz verbaut. Hier läuft ein Pannasonic-TV(48"), zwischenzeitlich auch einwandfrei. An diesem Gerät gab es das Problem, dass laut Anleitung und Kundendienst bei der Einstellung auf unicable ein PIN zu verwenden ist. Die war einfach falsch.
Im weiteren Verlauf ist im OG die JAP314 mit ID3+4 = 1280+1382MHz verbaut. Hier läuft ein Loewe ART60" auch einwandfrei.
Diesem Strang weiter folgend ist im EG eine JAP310 mit ID5+6 = 1484+151586MHz verbaut. Hieran läuft ein LG (47"). Hier gab es die Probleme mit der Platine die vom Kundendienst getauscht wurde. Im KG von Strang1+2 sollen Receiver angeschlossen werden.
In den vorangegangenen Beiträgen, die Receiver betreffend, wurden alle zum testen und programmieren am Anschluss (OG Loewe-TV) angeschlossen. Wenn am ganzen Strang TV-Geräte laufen, ist davon auszugehen, dass alles in Ordnung ist. Wenn also an einem funktionierenden Anschluss nun ein Receiver angeschlossen wird und dieser nicht einstellbar ist, gehe ich davon aus, dass es am Receiver liegt und nicht an der Dose oder der Verkabelung. Receiver wieder weg und TV dran und der TV läuft wie er soll.
Aus dem Plan geht die Verkabelung hervor. Auch, dass nur an Strang 1 und 2 die Leitungen bis in den Keller gehen.
Thema Antennendosen - in meinem Plan geht daraus hervor welche (JAP...) mit welcher Dämpfung, ID und Frequenz wo verbaut ist. Wer kommt hier eigentlich auf die Idee es seien (JAD...) verbaut? Sollte in meinem Plan ein Fehler drin sein - wäre ich bestimmt vor dem Kauf darauf hingewiesen worden (es bestand ja reger Schriftverkehr). Somit ist das Thema Antennendose erledigt.
Thema Receiver und TV und falsch herum eingebaute Antennendosen usw.:
Nehmen wir den ersten Strang (1). In dessen Verlauf sind 5 Dosen verbaut. Dosentyp, ID und Frequenz aus dem Plan zu entnehmen.
Im DG ist an erster Stelle die JAP318 mit ID8 = 1790MHz verbaut. Hier läuft ein Pannasonic-TV(48"), zwischenzeitlich auch einwandfrei. An diesem Gerät gab es das Problem, dass laut Anleitung und Kundendienst bei der Einstellung auf unicable ein PIN zu verwenden ist. Die war einfach falsch.
Im weiteren Verlauf ist im OG die JAP314 mit ID3+4 = 1280+1382MHz verbaut. Hier läuft ein Loewe ART60" auch einwandfrei.
Diesem Strang weiter folgend ist im EG eine JAP310 mit ID5+6 = 1484+151586MHz verbaut. Hieran läuft ein LG (47"). Hier gab es die Probleme mit der Platine die vom Kundendienst getauscht wurde. Im KG von Strang1+2 sollen Receiver angeschlossen werden.
In den vorangegangenen Beiträgen, die Receiver betreffend, wurden alle zum testen und programmieren am Anschluss (OG Loewe-TV) angeschlossen. Wenn am ganzen Strang TV-Geräte laufen, ist davon auszugehen, dass alles in Ordnung ist. Wenn also an einem funktionierenden Anschluss nun ein Receiver angeschlossen wird und dieser nicht einstellbar ist, gehe ich davon aus, dass es am Receiver liegt und nicht an der Dose oder der Verkabelung. Receiver wieder weg und TV dran und der TV läuft wie er soll.
- Dateianhänge
-
- Sat-Verkabelung.pdf
- (32.52 KiB) 631-mal heruntergeladen
Zuletzt geändert von techno-com am 28. Februar 2016 16:49, insgesamt 1-mal geändert.
Grund: Edit by techno-com: .pdf Anhang in Bild umgewandelt und eingestellt
Grund: Edit by techno-com: .pdf Anhang in Bild umgewandelt und eingestellt
- techno-com
- Site Admin
- Beiträge: 22429
- Registriert: 17. November 2005 09:32
- Wohnort: 74076 Heilbronn
- Hat sich bedankt: 504 Mal
- Danksagung erhalten: 574 Mal
- Kontaktdaten:
Re: Unicable System JPS0501-8 Antennendosen-Auswahl JAP/JAD
Ich kann davon nichts lesen das jemand das annimmt oder etwas davon schreibt ... ich lese nur einen Test der vorgeschlagen wurde für einen Receiver-Test, und dabei war eine JAD307 als BEISPIEL genannt !Roland.S. hat geschrieben:Wer kommt hier eigentlich auf die Idee es seien (JAD...) verbaut?
Neue Info die vorher keiner wusste ....Roland.S. hat geschrieben:In den vorangegangenen Beiträgen, die Receiver betreffend, wurden alle zum testen und programmieren am Anschluss (OG Loewe-TV) angeschlossen.
Neue Info die vorher keiner wusste ....Roland.S. hat geschrieben:Wenn am ganzen Strang TV-Geräte laufen, ist davon auszugehen, dass alles in Ordnung ist.
Und immer noch kann keiner etwas dazu sagen weil weiterhin jegliche Angaben ("genaue", ggf. sogar Screenshots die man einstellen kann hier) über die Unicable-Einstellungen im Menu fehlen ..... SCR (0 beginnend) / ID (1 beginnend) macht einem da oft etwas an richtigen Einstellungen vor das dann aber nicht alles auch immer stimmt das der Receiver seine Arbeit wie gewünscht verrichten kann ... wird erklärt unter Unicable-ZF-Frequenzen + Unicable-ID Einstellungen ReceiverRoland.S. hat geschrieben:Wenn also an einem funktionierenden Anschluss nun ein Receiver angeschlossen wird und dieser nicht einstellbar ist, gehe ich davon aus, dass es am Receiver liegt und nicht an der Dose oder der Verkabelung. Receiver wieder weg und TV dran und der TV läuft wie er soll.
Hier fehlen definitiv relevante und genaue Angaben, Sachen wir Fehler in einer Anleitung oder vom Kundenservice kann man weg lassen wenn das alles geklärt ist und mit der eigentlichen Sache nichts zu tun hat (vor allem weil der eigentliche Fehler/die falsche Aussage gar nicht weiter erklärt wurde was da eigentlich genau Sache war...).
Vielleicht sind wir nicht günstiger als ein Discounter oder reiner Online-Kartonschieber, aber sicherlich besser !
Normkonforme Beratung und Bau sind bei uns selbstverständlich.
Sat-Shop Heilbronn Kunden können sich auch nach dem Kauf auf unseren besten Service verlassen
Hier im Forum wird kein After-Sales-Support für Fremdkäufe geleistet !! Wenden Sie sich dazu an ihren Verkäufer ......
Tristan Uhde / Satanlagen Onlineshop / SAT-Shop Heilbronn
https://www.satshop-heilbronn.de (SSL) / SAT-Onlineforum https://www.satanlagenforum.de (SSL)
Tel ------ (Fragen gehören ins Forum ! Den nur hier können sie richtig bearbeitet werden, auch was hier noch nicht von A-Z genau schon erklärt/behandelt ist ) .. Dieser Hinweis weil täglich dutzende Fragen per Email oder per PM über das Forum rein kommen die noch dazu inhaltlich nicht das intus haben das man etwas dazu sagen könnte.
Wichtiger Hinweis: Zuständigkeiten verantwortliche Elektrofachkraft (VEFK) und Blitzschutzfachkräfte
Informieren Sie sich dort über Folgen und Auswirkungen von Eigenleistung und lassen Sie selbst durchgeführte Installationen von entsprechender Stelle prüfen und abnehmen. Dafür sind VOR ORT spezielle und qualifizierte Blitzschutz-Fachkräfte notwendig, Ferndiagnosen für Blitzschutz/Erdung können hier NICHT durchgeführt werden ("wie kann ICH das machen ..." oder ähnlich bringt da nichts).
Diese Signatur wächst von Woche zu Woche und enthält immer mehr grundlegende Inhalte die bitte berücksichtigt werden sollten bei bzw. VOR Anfragen !
100% beantwortet werden können nur Anfragen die auch alle relevanten Teile beinhalten die man benötigt für eine Antwort (genaue Beschreibungen/ Angabe von Herstellern/Typen für vorhandenes Material etc.). Bitte vermeiden Sie Aussagen wie "habe viel gelesen, aber versteht das nicht ..." ohne Nennung von dem was Sie gelesen haben und was genau unklar war an den Erklärungen die hier gelesen wurden - den nur dann kann man auch darauf eingehen was event. unklar ist/war.
Bitte unbedingt vor einem Post lesen => Boardregeln / Datenschutz
Wir erteilen hier keine Rechtsberatung, unsere Hinweise sind nach bestem Wissen und bedürfen einer entsprechenden juristischen/technischen weiteren Beratung.
Normkonforme Beratung und Bau sind bei uns selbstverständlich.
Sat-Shop Heilbronn Kunden können sich auch nach dem Kauf auf unseren besten Service verlassen
Hier im Forum wird kein After-Sales-Support für Fremdkäufe geleistet !! Wenden Sie sich dazu an ihren Verkäufer ......
Tristan Uhde / Satanlagen Onlineshop / SAT-Shop Heilbronn
https://www.satshop-heilbronn.de (SSL) / SAT-Onlineforum https://www.satanlagenforum.de (SSL)
Tel ------ (Fragen gehören ins Forum ! Den nur hier können sie richtig bearbeitet werden, auch was hier noch nicht von A-Z genau schon erklärt/behandelt ist ) .. Dieser Hinweis weil täglich dutzende Fragen per Email oder per PM über das Forum rein kommen die noch dazu inhaltlich nicht das intus haben das man etwas dazu sagen könnte.
Wichtiger Hinweis: Zuständigkeiten verantwortliche Elektrofachkraft (VEFK) und Blitzschutzfachkräfte
Informieren Sie sich dort über Folgen und Auswirkungen von Eigenleistung und lassen Sie selbst durchgeführte Installationen von entsprechender Stelle prüfen und abnehmen. Dafür sind VOR ORT spezielle und qualifizierte Blitzschutz-Fachkräfte notwendig, Ferndiagnosen für Blitzschutz/Erdung können hier NICHT durchgeführt werden ("wie kann ICH das machen ..." oder ähnlich bringt da nichts).
Diese Signatur wächst von Woche zu Woche und enthält immer mehr grundlegende Inhalte die bitte berücksichtigt werden sollten bei bzw. VOR Anfragen !
100% beantwortet werden können nur Anfragen die auch alle relevanten Teile beinhalten die man benötigt für eine Antwort (genaue Beschreibungen/ Angabe von Herstellern/Typen für vorhandenes Material etc.). Bitte vermeiden Sie Aussagen wie "habe viel gelesen, aber versteht das nicht ..." ohne Nennung von dem was Sie gelesen haben und was genau unklar war an den Erklärungen die hier gelesen wurden - den nur dann kann man auch darauf eingehen was event. unklar ist/war.
Bitte unbedingt vor einem Post lesen => Boardregeln / Datenschutz
Wir erteilen hier keine Rechtsberatung, unsere Hinweise sind nach bestem Wissen und bedürfen einer entsprechenden juristischen/technischen weiteren Beratung.
Re: Unicable System JPS0501-8 Antennendosen-Auswahl JAP/JAD
Hallo Roland
Zwischenfrage: wo bist Du eigentlich zuhause?
Zwischenfrage: wo bist Du eigentlich zuhause?
Re: Unicable System JPS0501-8 Antennendosen-Auswahl JAP/JAD
Lange Rede - kurzer Sinn,
die getesteten Receiver sind definitiv nicht geeignet. Nach Rücksprache mit JULTEC bekam ich einen Link auf deren Webseite mit empfehlenswerten Receivern (siehe pdf.Document). Die Geräte müssen den Einkabelstandard JESS (EN 50607) unterstützen.
Beitrag vom 25.02.16:
Katrein UFS910, trotz neuester Sofrware ging nicht.
Auch die getesteten Smart CX02, Edison Progressiv HD Compact, OPTICUM S-60 gingen nicht.
Einen Kathrein UFS800 bestellt (laut Liste) - na und siehe da....das Gerät geht wie es soll.
Ergo - ich bin nicht zu doof Receiver einzustellen und Antennendosen richtig herum anzuklemmen.
Gruß Roland
68753 Waghäusel
die getesteten Receiver sind definitiv nicht geeignet. Nach Rücksprache mit JULTEC bekam ich einen Link auf deren Webseite mit empfehlenswerten Receivern (siehe pdf.Document). Die Geräte müssen den Einkabelstandard JESS (EN 50607) unterstützen.
Beitrag vom 25.02.16:
Katrein UFS910, trotz neuester Sofrware ging nicht.
Auch die getesteten Smart CX02, Edison Progressiv HD Compact, OPTICUM S-60 gingen nicht.
Einen Kathrein UFS800 bestellt (laut Liste) - na und siehe da....das Gerät geht wie es soll.
Ergo - ich bin nicht zu doof Receiver einzustellen und Antennendosen richtig herum anzuklemmen.
Gruß Roland
68753 Waghäusel
- Dateianhänge
-
- jultec-Receiver.pdf
- (17.11 KiB) 601-mal heruntergeladen
- techno-com
- Site Admin
- Beiträge: 22429
- Registriert: 17. November 2005 09:32
- Wohnort: 74076 Heilbronn
- Hat sich bedankt: 504 Mal
- Danksagung erhalten: 574 Mal
- Kontaktdaten:
Re: Unicable System JPS0501-8 Antennendosen-Auswahl JAP/JAD
Diese Receiver-Liste (die nur spezielle JESS-taugliche Receiver nach EN50607 auflistet, nicht aber die Geräte die normal Unicable-tauglich nach EN50494 sind was hier bei ihren verwendeten Multischaltern vollkommen ausreicht !!!) pflege ich tlw. mit Jultec direkt und diese st im oben verlinkten Beitrag 1:1 gleich wie bei denen auf der Homepage hinterlegt => Was ist JESS (Jultec Enhanced Stacking System/DIN EN 50607)?
Sie sollte also kein Geheimnis gewesen sein wie das jetzt klingt, abgesehen davon das sie nicht relevant ist für ihre Schalter-Steuerung !
Weiterhin gehen die Smart CX02 mit 100% Sicherheit, etwas dazu sagen was ggf falsch eingestellt war kann man aber mangels den bereits mehrfach abgefragten Daten weiterhin nicht....
Beitrag erstellt via Tapatalk
Sie sollte also kein Geheimnis gewesen sein wie das jetzt klingt, abgesehen davon das sie nicht relevant ist für ihre Schalter-Steuerung !
Weiterhin gehen die Smart CX02 mit 100% Sicherheit, etwas dazu sagen was ggf falsch eingestellt war kann man aber mangels den bereits mehrfach abgefragten Daten weiterhin nicht....
Beitrag erstellt via Tapatalk
Vielleicht sind wir nicht günstiger als ein Discounter oder reiner Online-Kartonschieber, aber sicherlich besser !
Normkonforme Beratung und Bau sind bei uns selbstverständlich.
Sat-Shop Heilbronn Kunden können sich auch nach dem Kauf auf unseren besten Service verlassen
Hier im Forum wird kein After-Sales-Support für Fremdkäufe geleistet !! Wenden Sie sich dazu an ihren Verkäufer ......
Tristan Uhde / Satanlagen Onlineshop / SAT-Shop Heilbronn
https://www.satshop-heilbronn.de (SSL) / SAT-Onlineforum https://www.satanlagenforum.de (SSL)
Tel ------ (Fragen gehören ins Forum ! Den nur hier können sie richtig bearbeitet werden, auch was hier noch nicht von A-Z genau schon erklärt/behandelt ist ) .. Dieser Hinweis weil täglich dutzende Fragen per Email oder per PM über das Forum rein kommen die noch dazu inhaltlich nicht das intus haben das man etwas dazu sagen könnte.
Wichtiger Hinweis: Zuständigkeiten verantwortliche Elektrofachkraft (VEFK) und Blitzschutzfachkräfte
Informieren Sie sich dort über Folgen und Auswirkungen von Eigenleistung und lassen Sie selbst durchgeführte Installationen von entsprechender Stelle prüfen und abnehmen. Dafür sind VOR ORT spezielle und qualifizierte Blitzschutz-Fachkräfte notwendig, Ferndiagnosen für Blitzschutz/Erdung können hier NICHT durchgeführt werden ("wie kann ICH das machen ..." oder ähnlich bringt da nichts).
Diese Signatur wächst von Woche zu Woche und enthält immer mehr grundlegende Inhalte die bitte berücksichtigt werden sollten bei bzw. VOR Anfragen !
100% beantwortet werden können nur Anfragen die auch alle relevanten Teile beinhalten die man benötigt für eine Antwort (genaue Beschreibungen/ Angabe von Herstellern/Typen für vorhandenes Material etc.). Bitte vermeiden Sie Aussagen wie "habe viel gelesen, aber versteht das nicht ..." ohne Nennung von dem was Sie gelesen haben und was genau unklar war an den Erklärungen die hier gelesen wurden - den nur dann kann man auch darauf eingehen was event. unklar ist/war.
Bitte unbedingt vor einem Post lesen => Boardregeln / Datenschutz
Wir erteilen hier keine Rechtsberatung, unsere Hinweise sind nach bestem Wissen und bedürfen einer entsprechenden juristischen/technischen weiteren Beratung.
Normkonforme Beratung und Bau sind bei uns selbstverständlich.
Sat-Shop Heilbronn Kunden können sich auch nach dem Kauf auf unseren besten Service verlassen
Hier im Forum wird kein After-Sales-Support für Fremdkäufe geleistet !! Wenden Sie sich dazu an ihren Verkäufer ......
Tristan Uhde / Satanlagen Onlineshop / SAT-Shop Heilbronn
https://www.satshop-heilbronn.de (SSL) / SAT-Onlineforum https://www.satanlagenforum.de (SSL)
Tel ------ (Fragen gehören ins Forum ! Den nur hier können sie richtig bearbeitet werden, auch was hier noch nicht von A-Z genau schon erklärt/behandelt ist ) .. Dieser Hinweis weil täglich dutzende Fragen per Email oder per PM über das Forum rein kommen die noch dazu inhaltlich nicht das intus haben das man etwas dazu sagen könnte.
Wichtiger Hinweis: Zuständigkeiten verantwortliche Elektrofachkraft (VEFK) und Blitzschutzfachkräfte
Informieren Sie sich dort über Folgen und Auswirkungen von Eigenleistung und lassen Sie selbst durchgeführte Installationen von entsprechender Stelle prüfen und abnehmen. Dafür sind VOR ORT spezielle und qualifizierte Blitzschutz-Fachkräfte notwendig, Ferndiagnosen für Blitzschutz/Erdung können hier NICHT durchgeführt werden ("wie kann ICH das machen ..." oder ähnlich bringt da nichts).
Diese Signatur wächst von Woche zu Woche und enthält immer mehr grundlegende Inhalte die bitte berücksichtigt werden sollten bei bzw. VOR Anfragen !
100% beantwortet werden können nur Anfragen die auch alle relevanten Teile beinhalten die man benötigt für eine Antwort (genaue Beschreibungen/ Angabe von Herstellern/Typen für vorhandenes Material etc.). Bitte vermeiden Sie Aussagen wie "habe viel gelesen, aber versteht das nicht ..." ohne Nennung von dem was Sie gelesen haben und was genau unklar war an den Erklärungen die hier gelesen wurden - den nur dann kann man auch darauf eingehen was event. unklar ist/war.
Bitte unbedingt vor einem Post lesen => Boardregeln / Datenschutz
Wir erteilen hier keine Rechtsberatung, unsere Hinweise sind nach bestem Wissen und bedürfen einer entsprechenden juristischen/technischen weiteren Beratung.
-
- Related Topics
- Antworten
- Zugriffe
- Letzter Beitrag
-
-
Polytron SCA 508-16A Unicable/JESS Multischalter (8x16 UBs/IDs, Wideband-tauglich, receivergespeist, Legacy-Modus)
Dateianhang von techno-com » 24. Juni 2025 12:18 - 2 Antworten
- 498 Zugriffe
-
Letzter Beitrag von techno-com
Neuester Beitrag
24. Juni 2025 13:45
Technik- News
-
-
- 1 Antworten
- 582 Zugriffe
-
Letzter Beitrag von techno-com
Neuester Beitrag
4. Mai 2025 18:31
Mülleimer
-
-
Umbau von Kabel auf Unicable, Test von vorhandenen Kabeln
Dateianhang von belegdol » 28. Februar 2025 14:17 - 13 Antworten
- 1648 Zugriffe
-
Letzter Beitrag von Dipol
Neuester Beitrag
29. Juni 2025 11:39
Fragen zu digitalen SAT- Einkabelsystemen
-
-
- 1 Antworten
- 753 Zugriffe
-
Letzter Beitrag von techno-com
Neuester Beitrag
6. Januar 2025 18:45
Mülleimer
-
- 1 Antworten
- 603 Zugriffe
-
Letzter Beitrag von techno-com
Neuester Beitrag
23. Dezember 2024 20:58
Mülleimer
-
-
Erweiterung bestehender Anlage mit Unicable-LNB
Dateianhang von nomispetrus » 7. Dezember 2024 22:50 - 3 Antworten
- 926 Zugriffe
-
Letzter Beitrag von techno-com
Neuester Beitrag
10. Dezember 2024 10:03
Unicable- / Einkabel- LNB´s
-
-
- 8 Antworten
- 1168 Zugriffe
-
Letzter Beitrag von techno-com
Neuester Beitrag
11. November 2024 13:22
Fragen zu digitalen SAT- Einkabelsystemen
-
- 2 Antworten
- 682 Zugriffe
-
Letzter Beitrag von Markus2209
Neuester Beitrag
3. Oktober 2024 20:28
Mülleimer
-
-
Noob bittet um Hilfe, Ausfall der SAT-Anlage und Einrichtung Unicable
Dateianhang von analog0815 » 1. Juli 2024 20:09 - 1 Antworten
- 5535 Zugriffe
-
Letzter Beitrag von techno-com
Neuester Beitrag
2. Juli 2024 06:36
Mülleimer
-
-
- 4 Antworten
- 7692 Zugriffe
-
Letzter Beitrag von techno-com
Neuester Beitrag
14. Juni 2024 09:17
Fragen zu co@xLAN