Umstellung von Kabel auf Unikabel Sat Anlage
-
- postet ab und zu
- Beiträge: 28
- Registriert: 13. Februar 2018 20:13
- Danksagung erhalten: 1 Mal
Umstellung von Kabel auf Unikabel Sat Anlage
Guten Tag!
Habe diese Nachricht schon vor einiger Zeit aufgesetzt und in der Zwischenzeit einige Umbauarbeiten tätigen müssen. Daher stelle ich den Beitrag erst jetzt ins Netz, hoffe aber, dass er noch aktuell ist.
Ich bin schon längere Zeit im Netz auf der Suche nach Informationen bezüglich Umstellung meines Kabelnetzes auf Satellitentechnik und dadurch auf diese Webseite gestossen und konnte feststellen, dass hier mit Abstand das umfangreichste Wissen über Satellitenanlagen vermittelt wird. Es ist ganz einfach genial, welche Menge an Informationen hier zur Verfügung stehen.
Ich habe ein Haus mit bestehender Kabel-Infrastruktur gekauft und möchte jetzt die obengenannte Umstellung durchführen. Ich habe aus dem Grund vom Haus den Istzustand erhoben und grafisch dargestellt. Istzustand:
Es handelt sich um ein Haus mit 3 Etagen, die vom Keller aus verkabelt sind. Der vorhandene Verteiler im Keller, der die Etagen versorgt hat, wird nur mehr ausschließlich für die Verbindung zum UPC-Kabelnetz für das Internet genützt und vom neuen Satellitennetz völlig abgekoppelt.
Somit sind 3 Stränge zu berücksichtigen:
- gelber Strang führt in die Sauna, ca 4m lang
- grüner Strang führt ins Erdgeschoss zu drei Anschlussdosen, wo von uns nur eine benutzt und das auch so bleiben wird.
- blauer Strang wird im Keller aufgeteilt, ein Kabel geht in den Arbeitsraum (Wäsche etc.), das zweite ins Obergeschoss zu einem weiteren Verteiler für Wohn- bzw. Schlafzimmer.
Ich habe diese Verkabelung nicht verbrochen und überlege mir, ob es nicht sinnvoll wäre, den Verteiler zum Arbeitsraum zu eliminieren, das Kabel zum ersten Stock dort wo der Verteiler war, zu verbinden (neues Kabel vom Keller bis zum OG legen würde extremen Aufwand bedeuten) und nur das Kabel in den Arbeitsraum neu zu legen. Meine Frage wäre: lohnt sich dass und inwieweit beeinflusst die derzeitige Aufsplittung des blauen Stranges die Qualität.
Die Kabelqualität des Hauses war für den Betrieb über Kabel ausreichend und wurde laut Vorbesitzer des Hauses von der UPC auch immer wieder getestet. Wir konnten jedenfalls keine Probleme beim Fernsehen feststellen. Laut Auskunft sind die Kabel im OG etwa 20 Jahre, die im EG etwa 30 Jahre alt. Ich hoffe, dass das für den Satellitenbetrieb ausreichend ist.
Die Verbindung von der Sat-Schüssel in den Keller zum Schalter wird neu verkabelt.
Die Sat-Schüssel wird unter dem Dachvorbau wind- und regengeschützt montiert. Trotzdem werde ich wahrscheinlich ein spezielles Kabel gegen UV-Strahlung und wasserdichte Steckverbindungen benötigen.
Zu den Steckdosen:
Im Keller sind zwei Enddosen vorhanden, im EG befinden sich drei Dosen, zwei Durchgangsdosen und eine Enddose. Im OG sind auf Grund der sternförmigen Verkabelung drei Enddosen vorhanden. (in der Zeichnung sind nur zwei Dosen eingezeichnet)
Diese Dosen sind alle auszutauschen, können aber, wie ich gelesen habe, weiterhin in der Übergangszeit (Parallelbetrieb) über Kabel betrieben werden.
Zu den Endgeräten:
Im Keller sind an den beiden Dosen HD-Fernseher (etwa 3-4Jahre alt ohne DVB-S Anschluss) über eine UPC-Box bzw. direkt mit einem CLI+ Interface angeschlossen.
Im EG befindet sich ein neuer UHD-Fernseher mit eingebautem DVB-S2 I/F
IM OG befinden sich zwei ebenfalls etwa 3-4 Jahre alte Fernseher, die über UPC-Boxen angeschlossen sind.
Für alle Geräte ausser im EG sind daher Sat-Receiver anzuschaffen. Ich habe da an die VU+ Receiver gedacht.
Soweit zum Istzustand. Ich hoffe nichts vergessen zu haben.
Mir ist der Beitrag "Kaufberatung Einfamilienhaus -Unitymedia zu Unicable" aufgefallen, der meinen Anforderungen an eine SAT-Anlage mit wenigen Ausnahmen entsprechen könnte und würde diesen Beitrag als Grundlage für meine Planung heranziehen.
Folgender Plan:
- 1x Sat Spiegel Gibertini 85 SE im blitzgeschützten Bereich an der Hausmauer
- 1x Wandhalter ALU 45cm Wandabstand
- 1x LNB Dur-Line Breitband-LNB+Ultra WB2 oder vielleicht als Alternative der Dur-Line UK 124 Unicable 2 / JESS LNB (24 Teilnehmer/ EN50494 + EN50607) wäre wegen der Einkabeltechnik von mir bevorzugt
- 2x 50 Meter DUR-line DUR 95KN Vollkupfer Koaxialkabel SAT-Digitalkabel (6,9mm / 1.13mm / >95db / 3-fach geschirmt für die Verbindung Schüssel zum Kellerraum (Kabel im Außenbereich nur 2m lang geführt und unterm Vordach weitgehend geschützt. Bei Einkabeltechnik nur 1x50m notwendig.
- 1x Multischalter Jultec JPS0502-8T + Jultec JNT19-2000 Netzteil
- 3x F-Endwiderstand DC-entkoppelt
- 1x Vorprogrammierung Jultec JPS/JRS Multischalter auf Breitband LNB-Versorgung
- 1x 2-fach Verteiler Kathrein EBC110 ohne Diodenentkopplung (für zusammenfassen von Keller (Arbeitsraum+Sauna)
- 1x 4-fach Verteiler Kathrein EBC114 ohne Diodenentkopplung (für 3 Anschlüsse im OG)
- 1x Abschlusswiderstand für offenen Ausgang 4-fach Verteiler
- 6x Enddose Jultec JAD307TRS (2x Keller, 3x OG) Das EG fällt weg, da bereits installiert. Auch die benötigten Durchgangsdosen Jultec JAD310TRS und Jultec JAD314TRS im Erdgeschoss sind bereits installiert.
Vormontage: Multischalter, Netzgerät, Erdungsblock, 2-fach Verteiler
- Lochblechplatte 40x40
- Erdungsblock 7-fach
- 2x Überspannungsschutz
- 4x Patchkabel 30cm
- 3x Patchkabel 50cm
- Kabel für Potentialausgleich wird selbst montiert, Erdungsschiene direkt im Keller vorhanden
Ich gebe zu, dass habe ich nur abgeschrieben, hoffe aber, dass es so stimmt.
Hätte auch gerne die Lochplatte im Schaltschrank, nur muss der unbedingt eine links angeschlagene Türe haben.
So, jetzt habe ich alles. Ich hoffe, sie sind mir nicht böse, wenn ich vielleicht den einen oder anderen Fehler mit eingebaut oder etwas vergessen habe.
Viele Dank im Voraus und viele Grüsse
Heinz Weiländer
Habe diese Nachricht schon vor einiger Zeit aufgesetzt und in der Zwischenzeit einige Umbauarbeiten tätigen müssen. Daher stelle ich den Beitrag erst jetzt ins Netz, hoffe aber, dass er noch aktuell ist.
Ich bin schon längere Zeit im Netz auf der Suche nach Informationen bezüglich Umstellung meines Kabelnetzes auf Satellitentechnik und dadurch auf diese Webseite gestossen und konnte feststellen, dass hier mit Abstand das umfangreichste Wissen über Satellitenanlagen vermittelt wird. Es ist ganz einfach genial, welche Menge an Informationen hier zur Verfügung stehen.
Ich habe ein Haus mit bestehender Kabel-Infrastruktur gekauft und möchte jetzt die obengenannte Umstellung durchführen. Ich habe aus dem Grund vom Haus den Istzustand erhoben und grafisch dargestellt. Istzustand:
Es handelt sich um ein Haus mit 3 Etagen, die vom Keller aus verkabelt sind. Der vorhandene Verteiler im Keller, der die Etagen versorgt hat, wird nur mehr ausschließlich für die Verbindung zum UPC-Kabelnetz für das Internet genützt und vom neuen Satellitennetz völlig abgekoppelt.
Somit sind 3 Stränge zu berücksichtigen:
- gelber Strang führt in die Sauna, ca 4m lang
- grüner Strang führt ins Erdgeschoss zu drei Anschlussdosen, wo von uns nur eine benutzt und das auch so bleiben wird.
- blauer Strang wird im Keller aufgeteilt, ein Kabel geht in den Arbeitsraum (Wäsche etc.), das zweite ins Obergeschoss zu einem weiteren Verteiler für Wohn- bzw. Schlafzimmer.
Ich habe diese Verkabelung nicht verbrochen und überlege mir, ob es nicht sinnvoll wäre, den Verteiler zum Arbeitsraum zu eliminieren, das Kabel zum ersten Stock dort wo der Verteiler war, zu verbinden (neues Kabel vom Keller bis zum OG legen würde extremen Aufwand bedeuten) und nur das Kabel in den Arbeitsraum neu zu legen. Meine Frage wäre: lohnt sich dass und inwieweit beeinflusst die derzeitige Aufsplittung des blauen Stranges die Qualität.
Die Kabelqualität des Hauses war für den Betrieb über Kabel ausreichend und wurde laut Vorbesitzer des Hauses von der UPC auch immer wieder getestet. Wir konnten jedenfalls keine Probleme beim Fernsehen feststellen. Laut Auskunft sind die Kabel im OG etwa 20 Jahre, die im EG etwa 30 Jahre alt. Ich hoffe, dass das für den Satellitenbetrieb ausreichend ist.
Die Verbindung von der Sat-Schüssel in den Keller zum Schalter wird neu verkabelt.
Die Sat-Schüssel wird unter dem Dachvorbau wind- und regengeschützt montiert. Trotzdem werde ich wahrscheinlich ein spezielles Kabel gegen UV-Strahlung und wasserdichte Steckverbindungen benötigen.
Zu den Steckdosen:
Im Keller sind zwei Enddosen vorhanden, im EG befinden sich drei Dosen, zwei Durchgangsdosen und eine Enddose. Im OG sind auf Grund der sternförmigen Verkabelung drei Enddosen vorhanden. (in der Zeichnung sind nur zwei Dosen eingezeichnet)
Diese Dosen sind alle auszutauschen, können aber, wie ich gelesen habe, weiterhin in der Übergangszeit (Parallelbetrieb) über Kabel betrieben werden.
Zu den Endgeräten:
Im Keller sind an den beiden Dosen HD-Fernseher (etwa 3-4Jahre alt ohne DVB-S Anschluss) über eine UPC-Box bzw. direkt mit einem CLI+ Interface angeschlossen.
Im EG befindet sich ein neuer UHD-Fernseher mit eingebautem DVB-S2 I/F
IM OG befinden sich zwei ebenfalls etwa 3-4 Jahre alte Fernseher, die über UPC-Boxen angeschlossen sind.
Für alle Geräte ausser im EG sind daher Sat-Receiver anzuschaffen. Ich habe da an die VU+ Receiver gedacht.
Soweit zum Istzustand. Ich hoffe nichts vergessen zu haben.
Mir ist der Beitrag "Kaufberatung Einfamilienhaus -Unitymedia zu Unicable" aufgefallen, der meinen Anforderungen an eine SAT-Anlage mit wenigen Ausnahmen entsprechen könnte und würde diesen Beitrag als Grundlage für meine Planung heranziehen.
Folgender Plan:
- 1x Sat Spiegel Gibertini 85 SE im blitzgeschützten Bereich an der Hausmauer
- 1x Wandhalter ALU 45cm Wandabstand
- 1x LNB Dur-Line Breitband-LNB+Ultra WB2 oder vielleicht als Alternative der Dur-Line UK 124 Unicable 2 / JESS LNB (24 Teilnehmer/ EN50494 + EN50607) wäre wegen der Einkabeltechnik von mir bevorzugt
- 2x 50 Meter DUR-line DUR 95KN Vollkupfer Koaxialkabel SAT-Digitalkabel (6,9mm / 1.13mm / >95db / 3-fach geschirmt für die Verbindung Schüssel zum Kellerraum (Kabel im Außenbereich nur 2m lang geführt und unterm Vordach weitgehend geschützt. Bei Einkabeltechnik nur 1x50m notwendig.
- 1x Multischalter Jultec JPS0502-8T + Jultec JNT19-2000 Netzteil
- 3x F-Endwiderstand DC-entkoppelt
- 1x Vorprogrammierung Jultec JPS/JRS Multischalter auf Breitband LNB-Versorgung
- 1x 2-fach Verteiler Kathrein EBC110 ohne Diodenentkopplung (für zusammenfassen von Keller (Arbeitsraum+Sauna)
- 1x 4-fach Verteiler Kathrein EBC114 ohne Diodenentkopplung (für 3 Anschlüsse im OG)
- 1x Abschlusswiderstand für offenen Ausgang 4-fach Verteiler
- 6x Enddose Jultec JAD307TRS (2x Keller, 3x OG) Das EG fällt weg, da bereits installiert. Auch die benötigten Durchgangsdosen Jultec JAD310TRS und Jultec JAD314TRS im Erdgeschoss sind bereits installiert.
Vormontage: Multischalter, Netzgerät, Erdungsblock, 2-fach Verteiler
- Lochblechplatte 40x40
- Erdungsblock 7-fach
- 2x Überspannungsschutz
- 4x Patchkabel 30cm
- 3x Patchkabel 50cm
- Kabel für Potentialausgleich wird selbst montiert, Erdungsschiene direkt im Keller vorhanden
Ich gebe zu, dass habe ich nur abgeschrieben, hoffe aber, dass es so stimmt.
Hätte auch gerne die Lochplatte im Schaltschrank, nur muss der unbedingt eine links angeschlagene Türe haben.
So, jetzt habe ich alles. Ich hoffe, sie sind mir nicht böse, wenn ich vielleicht den einen oder anderen Fehler mit eingebaut oder etwas vergessen habe.
Viele Dank im Voraus und viele Grüsse
Heinz Weiländer
- techno-com
- Site Admin
- Beiträge: 22429
- Registriert: 17. November 2005 09:32
- Wohnort: 74076 Heilbronn
- Hat sich bedankt: 504 Mal
- Danksagung erhalten: 574 Mal
- Kontaktdaten:
Re: Umstellung von Kabel auf Unikabel Sat Anlage
Moderation: verschoben in richtige Rubrik für diese Anfrage
Ihre PDF-Datei gleich auch noch in ein Bild umgewandelt und eingestellt ..
Ihre PDF-Datei gleich auch noch in ein Bild umgewandelt und eingestellt ..
Vielleicht sind wir nicht günstiger als ein Discounter oder reiner Online-Kartonschieber, aber sicherlich besser !
Normkonforme Beratung und Bau sind bei uns selbstverständlich.
Sat-Shop Heilbronn Kunden können sich auch nach dem Kauf auf unseren besten Service verlassen
Hier im Forum wird kein After-Sales-Support für Fremdkäufe geleistet !! Wenden Sie sich dazu an ihren Verkäufer ......
Tristan Uhde / Satanlagen Onlineshop / SAT-Shop Heilbronn
https://www.satshop-heilbronn.de (SSL) / SAT-Onlineforum https://www.satanlagenforum.de (SSL)
Tel ------ (Fragen gehören ins Forum ! Den nur hier können sie richtig bearbeitet werden, auch was hier noch nicht von A-Z genau schon erklärt/behandelt ist ) .. Dieser Hinweis weil täglich dutzende Fragen per Email oder per PM über das Forum rein kommen die noch dazu inhaltlich nicht das intus haben das man etwas dazu sagen könnte.
Wichtiger Hinweis: Zuständigkeiten verantwortliche Elektrofachkraft (VEFK) und Blitzschutzfachkräfte
Informieren Sie sich dort über Folgen und Auswirkungen von Eigenleistung und lassen Sie selbst durchgeführte Installationen von entsprechender Stelle prüfen und abnehmen. Dafür sind VOR ORT spezielle und qualifizierte Blitzschutz-Fachkräfte notwendig, Ferndiagnosen für Blitzschutz/Erdung können hier NICHT durchgeführt werden ("wie kann ICH das machen ..." oder ähnlich bringt da nichts).
Diese Signatur wächst von Woche zu Woche und enthält immer mehr grundlegende Inhalte die bitte berücksichtigt werden sollten bei bzw. VOR Anfragen !
100% beantwortet werden können nur Anfragen die auch alle relevanten Teile beinhalten die man benötigt für eine Antwort (genaue Beschreibungen/ Angabe von Herstellern/Typen für vorhandenes Material etc.). Bitte vermeiden Sie Aussagen wie "habe viel gelesen, aber versteht das nicht ..." ohne Nennung von dem was Sie gelesen haben und was genau unklar war an den Erklärungen die hier gelesen wurden - den nur dann kann man auch darauf eingehen was event. unklar ist/war.
Bitte unbedingt vor einem Post lesen => Boardregeln / Datenschutz
Wir erteilen hier keine Rechtsberatung, unsere Hinweise sind nach bestem Wissen und bedürfen einer entsprechenden juristischen/technischen weiteren Beratung.
Normkonforme Beratung und Bau sind bei uns selbstverständlich.
Sat-Shop Heilbronn Kunden können sich auch nach dem Kauf auf unseren besten Service verlassen
Hier im Forum wird kein After-Sales-Support für Fremdkäufe geleistet !! Wenden Sie sich dazu an ihren Verkäufer ......
Tristan Uhde / Satanlagen Onlineshop / SAT-Shop Heilbronn
https://www.satshop-heilbronn.de (SSL) / SAT-Onlineforum https://www.satanlagenforum.de (SSL)
Tel ------ (Fragen gehören ins Forum ! Den nur hier können sie richtig bearbeitet werden, auch was hier noch nicht von A-Z genau schon erklärt/behandelt ist ) .. Dieser Hinweis weil täglich dutzende Fragen per Email oder per PM über das Forum rein kommen die noch dazu inhaltlich nicht das intus haben das man etwas dazu sagen könnte.
Wichtiger Hinweis: Zuständigkeiten verantwortliche Elektrofachkraft (VEFK) und Blitzschutzfachkräfte
Informieren Sie sich dort über Folgen und Auswirkungen von Eigenleistung und lassen Sie selbst durchgeführte Installationen von entsprechender Stelle prüfen und abnehmen. Dafür sind VOR ORT spezielle und qualifizierte Blitzschutz-Fachkräfte notwendig, Ferndiagnosen für Blitzschutz/Erdung können hier NICHT durchgeführt werden ("wie kann ICH das machen ..." oder ähnlich bringt da nichts).
Diese Signatur wächst von Woche zu Woche und enthält immer mehr grundlegende Inhalte die bitte berücksichtigt werden sollten bei bzw. VOR Anfragen !
100% beantwortet werden können nur Anfragen die auch alle relevanten Teile beinhalten die man benötigt für eine Antwort (genaue Beschreibungen/ Angabe von Herstellern/Typen für vorhandenes Material etc.). Bitte vermeiden Sie Aussagen wie "habe viel gelesen, aber versteht das nicht ..." ohne Nennung von dem was Sie gelesen haben und was genau unklar war an den Erklärungen die hier gelesen wurden - den nur dann kann man auch darauf eingehen was event. unklar ist/war.
Bitte unbedingt vor einem Post lesen => Boardregeln / Datenschutz
Wir erteilen hier keine Rechtsberatung, unsere Hinweise sind nach bestem Wissen und bedürfen einer entsprechenden juristischen/technischen weiteren Beratung.
- techno-com
- Site Admin
- Beiträge: 22429
- Registriert: 17. November 2005 09:32
- Wohnort: 74076 Heilbronn
- Hat sich bedankt: 504 Mal
- Danksagung erhalten: 574 Mal
- Kontaktdaten:
Re: Umstellung von Kabel auf Unikabel Sat Anlage
Wo ist die erste Anfrage dazu nach ihrem ersten Beitrag hier im Forum ?hweilaender hat geschrieben:Habe diese Nachricht schon vor einiger Zeit aufgesetzt und in der Zwischenzeit einige Umbauarbeiten tätigen müssen. Daher stelle ich den Beitrag erst jetzt ins Netz, hoffe aber, dass er noch aktuell ist.
Ich bin schon längere Zeit im Netz auf der Suche nach Informationen bezüglich Umstellung meines Kabelnetzes auf Satellitentechnik und dadurch auf diese Webseite gestossen und konnte feststellen, dass hier mit Abstand das umfangreichste Wissen über Satellitenanlagen vermittelt wird...
Was hat sich seit den Antworten damals dort geändert ?
Brauche mal Bezug dazu um darauf einzugesehen.
Vielleicht sind wir nicht günstiger als ein Discounter oder reiner Online-Kartonschieber, aber sicherlich besser !
Normkonforme Beratung und Bau sind bei uns selbstverständlich.
Sat-Shop Heilbronn Kunden können sich auch nach dem Kauf auf unseren besten Service verlassen
Hier im Forum wird kein After-Sales-Support für Fremdkäufe geleistet !! Wenden Sie sich dazu an ihren Verkäufer ......
Tristan Uhde / Satanlagen Onlineshop / SAT-Shop Heilbronn
https://www.satshop-heilbronn.de (SSL) / SAT-Onlineforum https://www.satanlagenforum.de (SSL)
Tel ------ (Fragen gehören ins Forum ! Den nur hier können sie richtig bearbeitet werden, auch was hier noch nicht von A-Z genau schon erklärt/behandelt ist ) .. Dieser Hinweis weil täglich dutzende Fragen per Email oder per PM über das Forum rein kommen die noch dazu inhaltlich nicht das intus haben das man etwas dazu sagen könnte.
Wichtiger Hinweis: Zuständigkeiten verantwortliche Elektrofachkraft (VEFK) und Blitzschutzfachkräfte
Informieren Sie sich dort über Folgen und Auswirkungen von Eigenleistung und lassen Sie selbst durchgeführte Installationen von entsprechender Stelle prüfen und abnehmen. Dafür sind VOR ORT spezielle und qualifizierte Blitzschutz-Fachkräfte notwendig, Ferndiagnosen für Blitzschutz/Erdung können hier NICHT durchgeführt werden ("wie kann ICH das machen ..." oder ähnlich bringt da nichts).
Diese Signatur wächst von Woche zu Woche und enthält immer mehr grundlegende Inhalte die bitte berücksichtigt werden sollten bei bzw. VOR Anfragen !
100% beantwortet werden können nur Anfragen die auch alle relevanten Teile beinhalten die man benötigt für eine Antwort (genaue Beschreibungen/ Angabe von Herstellern/Typen für vorhandenes Material etc.). Bitte vermeiden Sie Aussagen wie "habe viel gelesen, aber versteht das nicht ..." ohne Nennung von dem was Sie gelesen haben und was genau unklar war an den Erklärungen die hier gelesen wurden - den nur dann kann man auch darauf eingehen was event. unklar ist/war.
Bitte unbedingt vor einem Post lesen => Boardregeln / Datenschutz
Wir erteilen hier keine Rechtsberatung, unsere Hinweise sind nach bestem Wissen und bedürfen einer entsprechenden juristischen/technischen weiteren Beratung.
Normkonforme Beratung und Bau sind bei uns selbstverständlich.
Sat-Shop Heilbronn Kunden können sich auch nach dem Kauf auf unseren besten Service verlassen
Hier im Forum wird kein After-Sales-Support für Fremdkäufe geleistet !! Wenden Sie sich dazu an ihren Verkäufer ......
Tristan Uhde / Satanlagen Onlineshop / SAT-Shop Heilbronn
https://www.satshop-heilbronn.de (SSL) / SAT-Onlineforum https://www.satanlagenforum.de (SSL)
Tel ------ (Fragen gehören ins Forum ! Den nur hier können sie richtig bearbeitet werden, auch was hier noch nicht von A-Z genau schon erklärt/behandelt ist ) .. Dieser Hinweis weil täglich dutzende Fragen per Email oder per PM über das Forum rein kommen die noch dazu inhaltlich nicht das intus haben das man etwas dazu sagen könnte.
Wichtiger Hinweis: Zuständigkeiten verantwortliche Elektrofachkraft (VEFK) und Blitzschutzfachkräfte
Informieren Sie sich dort über Folgen und Auswirkungen von Eigenleistung und lassen Sie selbst durchgeführte Installationen von entsprechender Stelle prüfen und abnehmen. Dafür sind VOR ORT spezielle und qualifizierte Blitzschutz-Fachkräfte notwendig, Ferndiagnosen für Blitzschutz/Erdung können hier NICHT durchgeführt werden ("wie kann ICH das machen ..." oder ähnlich bringt da nichts).
Diese Signatur wächst von Woche zu Woche und enthält immer mehr grundlegende Inhalte die bitte berücksichtigt werden sollten bei bzw. VOR Anfragen !
100% beantwortet werden können nur Anfragen die auch alle relevanten Teile beinhalten die man benötigt für eine Antwort (genaue Beschreibungen/ Angabe von Herstellern/Typen für vorhandenes Material etc.). Bitte vermeiden Sie Aussagen wie "habe viel gelesen, aber versteht das nicht ..." ohne Nennung von dem was Sie gelesen haben und was genau unklar war an den Erklärungen die hier gelesen wurden - den nur dann kann man auch darauf eingehen was event. unklar ist/war.
Bitte unbedingt vor einem Post lesen => Boardregeln / Datenschutz
Wir erteilen hier keine Rechtsberatung, unsere Hinweise sind nach bestem Wissen und bedürfen einer entsprechenden juristischen/technischen weiteren Beratung.
-
- postet ab und zu
- Beiträge: 28
- Registriert: 13. Februar 2018 20:13
- Danksagung erhalten: 1 Mal
Re: Umstellung von Kabel auf Unikabel Sat Anlage
Sorry, war vielleicht etwas mißverständlich formuliert.
Das ist die erste Anfrage, habe sie aber schon im Februar als Entwurf gespeichert und mittlerweile bereits einige Komponenten bei Ihnen gekauft um die Verkabelung inklusive Dosen im Erdgeschoss zu erneuern. Da ich einen neuen Fußboden bekommen habe, wurde die Verkabelung im EG ganz einfach vorgezogen. Diese Änderungen habe ich in meinem Beitrag auch angeführt. Jetzt möchte ich aber die gesamte Umstellung von Kabel auf Satellit in Angriff nehmen.
Das ist die erste Anfrage, habe sie aber schon im Februar als Entwurf gespeichert und mittlerweile bereits einige Komponenten bei Ihnen gekauft um die Verkabelung inklusive Dosen im Erdgeschoss zu erneuern. Da ich einen neuen Fußboden bekommen habe, wurde die Verkabelung im EG ganz einfach vorgezogen. Diese Änderungen habe ich in meinem Beitrag auch angeführt. Jetzt möchte ich aber die gesamte Umstellung von Kabel auf Satellit in Angriff nehmen.
- techno-com
- Site Admin
- Beiträge: 22429
- Registriert: 17. November 2005 09:32
- Wohnort: 74076 Heilbronn
- Hat sich bedankt: 504 Mal
- Danksagung erhalten: 574 Mal
- Kontaktdaten:
Re: Umstellung von Kabel auf Unikabel Sat Anlage
So ... jetzt sitze ich vor einem großen Computer (vorher nur kleines Handy) und habe mir das mal genauer angeschaut
Diese passt schon sehr gut sicherlich, denke ich auch. Mehr zu solchen Anlagen mit Breitband-LNB Versorgung finden sie auch unter Inverto Breitband-LNB SP-IDLP-WDB01-OOPRO-OPP (Wideband / Whole Band - für z.B. Jultec a²'CSS Technologie) , aber dort sehr viele verschiedenste Aufbauten und alle von A-Z incl. Bildern dazu genau erklärt.
Es gibt hier viel zu lesen, aber nur so verstehen sie 100%ig was sie eigentlich planen und umsetzen möchten

Sie meinen diesen Beitrag: Kaufberatung Einfamilienhaus - Unitymedia zu Unicablehweilaender hat geschrieben:Mir ist der Beitrag "Kaufberatung Einfamilienhaus -Unitymedia zu Unicable" aufgefallen, der meinen Anforderungen an eine SAT-Anlage mit wenigen Ausnahmen entsprechen könnte und würde diesen Beitrag als Grundlage für meine Planung heranziehen.
Diese passt schon sehr gut sicherlich, denke ich auch. Mehr zu solchen Anlagen mit Breitband-LNB Versorgung finden sie auch unter Inverto Breitband-LNB SP-IDLP-WDB01-OOPRO-OPP (Wideband / Whole Band - für z.B. Jultec a²'CSS Technologie) , aber dort sehr viele verschiedenste Aufbauten und alle von A-Z incl. Bildern dazu genau erklärt.
Alle Anlagen sind aber sicherlich immer Unikate, von daher sollte man da viel mehr dazu schreiben und in einer Zeichnung die genaue Gegebenheit von einem selbst GENAU darstellen.hweilaender hat geschrieben:Ich gebe zu, dass habe ich nur abgeschrieben, hoffe aber, dass es so stimmt.
Das ist der Ist-Zustand, viel wichtiger wäre aber wie sich sich den Soll-Zustand dann vorstellen und das in einer Zeichnung niederzeichnen die sie dann hier einstellen.hweilaender hat geschrieben:Ich habe ein Haus mit bestehender Kabel-Infrastruktur gekauft und möchte jetzt die obengenannte Umstellung durchführen. Ich habe aus dem Grund vom Haus den Istzustand erhoben und grafisch dargestellt.
TV-Verkabelung.pdf
Istzustand:
Und hier sollte man wirklich einfach mal auf das Kabel drauf schauen, den meist steht dort GENAU der Hersteller + die Typenbezeichnung drauf. Und damit könnte man dann zu 100% arbeiten da man dann die genauen technischen Daten davon raus suchen könnte. Ob es ausreichend ist kann man sonst von hier aus nur schlecht sagen, das wäre dann alles ein Test ins Blaue - aber alte Kabel sind oft besser als neue Kabel, siehe z.B. unter Unicable Umrüstung 40 Jahre alte Kabel oder auch unter Modernisierung in altem Fachwerkhaushweilaender hat geschrieben:Laut Auskunft sind die Kabel im OG etwa 20 Jahre, die im EG etwa 30 Jahre alt. Ich hoffe, dass das für den Satellitenbetrieb ausreichend ist.
Sehr gut, dann ist das alles wie zuvor und vollkommen unabhängig vom neu geplanten Aufbauhweilaender hat geschrieben:Es handelt sich um ein Haus mit 3 Etagen, die vom Keller aus verkabelt sind. Der vorhandene Verteiler im Keller, der die Etagen versorgt hat, wird nur mehr ausschließlich für die Verbindung zum UPC-Kabelnetz für das Internet genützt und vom neuen Satellitennetz völlig abgekoppelt.

Hier bitte einen GENAUEN Plan, das ist essenziell für eine genaue Planung.hweilaender hat geschrieben:Somit sind 3 Stränge zu berücksichtigen:
- gelber Strang führt in die Sauna, ca 4m lang
- grüner Strang führt ins Erdgeschoss zu drei Anschlussdosen, wo von uns nur eine benutzt und das auch so bleiben wird.
- blauer Strang wird im Keller aufgeteilt, ein Kabel geht in den Arbeitsraum (Wäsche etc.), das zweite ins Obergeschoss zu einem weiteren Verteiler für Wohn- bzw. Schlafzimmer.
"Regengeschützt" sagt nichts aus über den Blitzschutz-Bereich, siehe unter Erdung Satellitenanlage / Antennenmast + Potentialausgleich + Vormontagen- Aufbau im Schaltschrank incl Potenzialausgleich und in allen anderen Beiträgen die hier solche Themen genau behandeln. Auchdort immer sehr genau alles erklärt.hweilaender hat geschrieben:Die Sat-Schüssel wird unter dem Dachvorbau wind- und regengeschützt montiert. Trotzdem werde ich wahrscheinlich ein spezielles Kabel gegen UV-Strahlung und wasserdichte Steckverbindungen benötigen.
Das Dur-Line UK124 ist kein Breitband-LNB und für ihr Vorhaben nicht geeignet ..... das ist eine ganz andere Art von Anlagen-Aufbau die aber nicht für unproblematischen Betrieb mit einem solchen dCSS-LNB bekannt ist (extra Rubrik dafür hier im Forum => Fragen zu Unicable- / Einkabel- LNB´shweilaender hat geschrieben:Folgender Plan:
.....
- 1x LNB Dur-Line Breitband-LNB+Ultra WB2 oder vielleicht als Alternative der Dur-Line UK 124 Unicable 2 / JESS LNB (24 Teilnehmer/ EN50494 + EN50607) wäre wegen der Einkabeltechnik von mir bevorzugt
hweilaender hat geschrieben:- 1x Multischalter Jultec JPS0502-8T + Jultec JNT19-2000 Netzteil
- 3x F-Endwiderstand DC-entkoppelt
- 1x Vorprogrammierung Jultec JPS/JRS Multischalter auf Breitband LNB-Versorgung

50m vom LNB bis zum Multischalter ? Gibt es keinen anderen Platz für den Multischalter der ggf. näher an der Antenne sitzt und von wo aus die auch ihre Verkabelung existierend im Haus anfahren könnten ?hweilaender hat geschrieben:- 2x 50 Meter DUR-line DUR 95KN Vollkupfer Koaxialkabel SAT-Digitalkabel (6,9mm / 1.13mm / >95db / 3-fach geschirmt für die Verbindung Schüssel zum Kellerraum (Kabel im Außenbereich nur 2m lang geführt und unterm Vordach weitgehend geschützt. Bei Einkabeltechnik nur 1x50m notwendig.
Eine Erdungsschiene (HES) im Keller darf nur für den Potentialausgleich herangezogen werden WENN die Antenne im Blitz-geschützten Bereich installiert ist, ansonsten muss das PA-Kabel von der geerdeten Antenne (Halterung) abgenommen werden. Wie auch in dem Beitrag genau erklärt den sie als Vorlage herangezogen hatten für ihre Vorlage hier.hweilaender hat geschrieben:- Kabel für Potentialausgleich wird selbst montiert, Erdungsschiene direkt im Keller vorhanden
Das wäre kein Problem, den Aufsatz (Schaltschrank mit Tür) kann man einfach um 180 Grad drehen und auf das Lochblech dann so aufschrauben.hweilaender hat geschrieben:Hätte auch gerne die Lochplatte im Schaltschrank, nur muss der unbedingt eine links angeschlagene Türe haben.
Es gibt hier viel zu lesen, aber nur so verstehen sie 100%ig was sie eigentlich planen und umsetzen möchten

Vielleicht sind wir nicht günstiger als ein Discounter oder reiner Online-Kartonschieber, aber sicherlich besser !
Normkonforme Beratung und Bau sind bei uns selbstverständlich.
Sat-Shop Heilbronn Kunden können sich auch nach dem Kauf auf unseren besten Service verlassen
Hier im Forum wird kein After-Sales-Support für Fremdkäufe geleistet !! Wenden Sie sich dazu an ihren Verkäufer ......
Tristan Uhde / Satanlagen Onlineshop / SAT-Shop Heilbronn
https://www.satshop-heilbronn.de (SSL) / SAT-Onlineforum https://www.satanlagenforum.de (SSL)
Tel ------ (Fragen gehören ins Forum ! Den nur hier können sie richtig bearbeitet werden, auch was hier noch nicht von A-Z genau schon erklärt/behandelt ist ) .. Dieser Hinweis weil täglich dutzende Fragen per Email oder per PM über das Forum rein kommen die noch dazu inhaltlich nicht das intus haben das man etwas dazu sagen könnte.
Wichtiger Hinweis: Zuständigkeiten verantwortliche Elektrofachkraft (VEFK) und Blitzschutzfachkräfte
Informieren Sie sich dort über Folgen und Auswirkungen von Eigenleistung und lassen Sie selbst durchgeführte Installationen von entsprechender Stelle prüfen und abnehmen. Dafür sind VOR ORT spezielle und qualifizierte Blitzschutz-Fachkräfte notwendig, Ferndiagnosen für Blitzschutz/Erdung können hier NICHT durchgeführt werden ("wie kann ICH das machen ..." oder ähnlich bringt da nichts).
Diese Signatur wächst von Woche zu Woche und enthält immer mehr grundlegende Inhalte die bitte berücksichtigt werden sollten bei bzw. VOR Anfragen !
100% beantwortet werden können nur Anfragen die auch alle relevanten Teile beinhalten die man benötigt für eine Antwort (genaue Beschreibungen/ Angabe von Herstellern/Typen für vorhandenes Material etc.). Bitte vermeiden Sie Aussagen wie "habe viel gelesen, aber versteht das nicht ..." ohne Nennung von dem was Sie gelesen haben und was genau unklar war an den Erklärungen die hier gelesen wurden - den nur dann kann man auch darauf eingehen was event. unklar ist/war.
Bitte unbedingt vor einem Post lesen => Boardregeln / Datenschutz
Wir erteilen hier keine Rechtsberatung, unsere Hinweise sind nach bestem Wissen und bedürfen einer entsprechenden juristischen/technischen weiteren Beratung.
Normkonforme Beratung und Bau sind bei uns selbstverständlich.
Sat-Shop Heilbronn Kunden können sich auch nach dem Kauf auf unseren besten Service verlassen
Hier im Forum wird kein After-Sales-Support für Fremdkäufe geleistet !! Wenden Sie sich dazu an ihren Verkäufer ......
Tristan Uhde / Satanlagen Onlineshop / SAT-Shop Heilbronn
https://www.satshop-heilbronn.de (SSL) / SAT-Onlineforum https://www.satanlagenforum.de (SSL)
Tel ------ (Fragen gehören ins Forum ! Den nur hier können sie richtig bearbeitet werden, auch was hier noch nicht von A-Z genau schon erklärt/behandelt ist ) .. Dieser Hinweis weil täglich dutzende Fragen per Email oder per PM über das Forum rein kommen die noch dazu inhaltlich nicht das intus haben das man etwas dazu sagen könnte.
Wichtiger Hinweis: Zuständigkeiten verantwortliche Elektrofachkraft (VEFK) und Blitzschutzfachkräfte
Informieren Sie sich dort über Folgen und Auswirkungen von Eigenleistung und lassen Sie selbst durchgeführte Installationen von entsprechender Stelle prüfen und abnehmen. Dafür sind VOR ORT spezielle und qualifizierte Blitzschutz-Fachkräfte notwendig, Ferndiagnosen für Blitzschutz/Erdung können hier NICHT durchgeführt werden ("wie kann ICH das machen ..." oder ähnlich bringt da nichts).
Diese Signatur wächst von Woche zu Woche und enthält immer mehr grundlegende Inhalte die bitte berücksichtigt werden sollten bei bzw. VOR Anfragen !
100% beantwortet werden können nur Anfragen die auch alle relevanten Teile beinhalten die man benötigt für eine Antwort (genaue Beschreibungen/ Angabe von Herstellern/Typen für vorhandenes Material etc.). Bitte vermeiden Sie Aussagen wie "habe viel gelesen, aber versteht das nicht ..." ohne Nennung von dem was Sie gelesen haben und was genau unklar war an den Erklärungen die hier gelesen wurden - den nur dann kann man auch darauf eingehen was event. unklar ist/war.
Bitte unbedingt vor einem Post lesen => Boardregeln / Datenschutz
Wir erteilen hier keine Rechtsberatung, unsere Hinweise sind nach bestem Wissen und bedürfen einer entsprechenden juristischen/technischen weiteren Beratung.
-
- postet ab und zu
- Beiträge: 28
- Registriert: 13. Februar 2018 20:13
- Danksagung erhalten: 1 Mal
Re: Umstellung von Kabel auf Unikabel Sat Anlage
Sehr geehrter Herr Uhde!
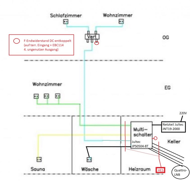
Hier ist nun der Sollzustand, der sich bis auf einen Punkt von der derzeitigen Verkabelung nicht wesentlich unterscheidet. Dieser Punkt ist der Verteiler im Keller, der das vom 1.Stk kommende Kabel mit dem Kabel zur Wachküche zusammenfasst. Ich bin mir nicht sicher, ob das eine gute Lösung ist und würde den Verteiler auflösen und das von oben kommende Kabel eventuell bis zum Multischalter verlängern (Eine neue Verlegung des Kabels vom 1.Stk in den Keller ist nicht möglich)
Bezüglich des Kabels ist es mir nur gelungen den Namen des Kabelherstellers (Heiru) herauszufinden. Das Kabel selbst hat einen versilberten Mittelleiter mit einem Durchmesser von 1,2mm
Die Sat-Schüssel wird am Carport der direkt an das Haus angebaut ist, befestigt. Der Abstand zur Regenrinne beträgt etwa 3m. Ich möchte die Schüssel auch so nahe wie möglich ans Haus montieren (größtmöglicher Schutz vor Wettereinfluss) Ich nehme an, dass dieser Bereich blitzsicher ist.
Kabellänge: Ich habe die Kabellänge vom LMB bis zum Schalter nochmals ausgemessen, 25m werden ausreiche. Da die Einkabellösung nicht infrage kommt, brauche ich 2x25m Kabel.
Ich hoffe, dass diese Informationen für Sie ausreichend sind und ich nichts vergessen habe. Werde weiterhin fleissig die diversen Beiträge lesen um keine Fehler bei der Installation zu machen.
Freundliche Grüße
Heinz Weiländer
Hier ist nun der Sollzustand, der sich bis auf einen Punkt von der derzeitigen Verkabelung nicht wesentlich unterscheidet. Dieser Punkt ist der Verteiler im Keller, der das vom 1.Stk kommende Kabel mit dem Kabel zur Wachküche zusammenfasst. Ich bin mir nicht sicher, ob das eine gute Lösung ist und würde den Verteiler auflösen und das von oben kommende Kabel eventuell bis zum Multischalter verlängern (Eine neue Verlegung des Kabels vom 1.Stk in den Keller ist nicht möglich)
Bezüglich des Kabels ist es mir nur gelungen den Namen des Kabelherstellers (Heiru) herauszufinden. Das Kabel selbst hat einen versilberten Mittelleiter mit einem Durchmesser von 1,2mm
Die Sat-Schüssel wird am Carport der direkt an das Haus angebaut ist, befestigt. Der Abstand zur Regenrinne beträgt etwa 3m. Ich möchte die Schüssel auch so nahe wie möglich ans Haus montieren (größtmöglicher Schutz vor Wettereinfluss) Ich nehme an, dass dieser Bereich blitzsicher ist.
Kabellänge: Ich habe die Kabellänge vom LMB bis zum Schalter nochmals ausgemessen, 25m werden ausreiche. Da die Einkabellösung nicht infrage kommt, brauche ich 2x25m Kabel.
Ich hoffe, dass diese Informationen für Sie ausreichend sind und ich nichts vergessen habe. Werde weiterhin fleissig die diversen Beiträge lesen um keine Fehler bei der Installation zu machen.
Freundliche Grüße
Heinz Weiländer
- techno-com
- Site Admin
- Beiträge: 22429
- Registriert: 17. November 2005 09:32
- Wohnort: 74076 Heilbronn
- Hat sich bedankt: 504 Mal
- Danksagung erhalten: 574 Mal
- Kontaktdaten:
Re: Umstellung von Kabel auf Unikabel Sat Anlage
Moderation: Bild zurecht geschnitten und Nutzdarstellung herausgeholt
- Dateianhänge
-
- Soll-Zustand_hweilaender
- Soll-Zustand_hweilaender.JPG (20.52 KiB) 6017 mal betrachtet
Vielleicht sind wir nicht günstiger als ein Discounter oder reiner Online-Kartonschieber, aber sicherlich besser !
Normkonforme Beratung und Bau sind bei uns selbstverständlich.
Sat-Shop Heilbronn Kunden können sich auch nach dem Kauf auf unseren besten Service verlassen
Hier im Forum wird kein After-Sales-Support für Fremdkäufe geleistet !! Wenden Sie sich dazu an ihren Verkäufer ......
Tristan Uhde / Satanlagen Onlineshop / SAT-Shop Heilbronn
https://www.satshop-heilbronn.de (SSL) / SAT-Onlineforum https://www.satanlagenforum.de (SSL)
Tel ------ (Fragen gehören ins Forum ! Den nur hier können sie richtig bearbeitet werden, auch was hier noch nicht von A-Z genau schon erklärt/behandelt ist ) .. Dieser Hinweis weil täglich dutzende Fragen per Email oder per PM über das Forum rein kommen die noch dazu inhaltlich nicht das intus haben das man etwas dazu sagen könnte.
Wichtiger Hinweis: Zuständigkeiten verantwortliche Elektrofachkraft (VEFK) und Blitzschutzfachkräfte
Informieren Sie sich dort über Folgen und Auswirkungen von Eigenleistung und lassen Sie selbst durchgeführte Installationen von entsprechender Stelle prüfen und abnehmen. Dafür sind VOR ORT spezielle und qualifizierte Blitzschutz-Fachkräfte notwendig, Ferndiagnosen für Blitzschutz/Erdung können hier NICHT durchgeführt werden ("wie kann ICH das machen ..." oder ähnlich bringt da nichts).
Diese Signatur wächst von Woche zu Woche und enthält immer mehr grundlegende Inhalte die bitte berücksichtigt werden sollten bei bzw. VOR Anfragen !
100% beantwortet werden können nur Anfragen die auch alle relevanten Teile beinhalten die man benötigt für eine Antwort (genaue Beschreibungen/ Angabe von Herstellern/Typen für vorhandenes Material etc.). Bitte vermeiden Sie Aussagen wie "habe viel gelesen, aber versteht das nicht ..." ohne Nennung von dem was Sie gelesen haben und was genau unklar war an den Erklärungen die hier gelesen wurden - den nur dann kann man auch darauf eingehen was event. unklar ist/war.
Bitte unbedingt vor einem Post lesen => Boardregeln / Datenschutz
Wir erteilen hier keine Rechtsberatung, unsere Hinweise sind nach bestem Wissen und bedürfen einer entsprechenden juristischen/technischen weiteren Beratung.
Normkonforme Beratung und Bau sind bei uns selbstverständlich.
Sat-Shop Heilbronn Kunden können sich auch nach dem Kauf auf unseren besten Service verlassen
Hier im Forum wird kein After-Sales-Support für Fremdkäufe geleistet !! Wenden Sie sich dazu an ihren Verkäufer ......
Tristan Uhde / Satanlagen Onlineshop / SAT-Shop Heilbronn
https://www.satshop-heilbronn.de (SSL) / SAT-Onlineforum https://www.satanlagenforum.de (SSL)
Tel ------ (Fragen gehören ins Forum ! Den nur hier können sie richtig bearbeitet werden, auch was hier noch nicht von A-Z genau schon erklärt/behandelt ist ) .. Dieser Hinweis weil täglich dutzende Fragen per Email oder per PM über das Forum rein kommen die noch dazu inhaltlich nicht das intus haben das man etwas dazu sagen könnte.
Wichtiger Hinweis: Zuständigkeiten verantwortliche Elektrofachkraft (VEFK) und Blitzschutzfachkräfte
Informieren Sie sich dort über Folgen und Auswirkungen von Eigenleistung und lassen Sie selbst durchgeführte Installationen von entsprechender Stelle prüfen und abnehmen. Dafür sind VOR ORT spezielle und qualifizierte Blitzschutz-Fachkräfte notwendig, Ferndiagnosen für Blitzschutz/Erdung können hier NICHT durchgeführt werden ("wie kann ICH das machen ..." oder ähnlich bringt da nichts).
Diese Signatur wächst von Woche zu Woche und enthält immer mehr grundlegende Inhalte die bitte berücksichtigt werden sollten bei bzw. VOR Anfragen !
100% beantwortet werden können nur Anfragen die auch alle relevanten Teile beinhalten die man benötigt für eine Antwort (genaue Beschreibungen/ Angabe von Herstellern/Typen für vorhandenes Material etc.). Bitte vermeiden Sie Aussagen wie "habe viel gelesen, aber versteht das nicht ..." ohne Nennung von dem was Sie gelesen haben und was genau unklar war an den Erklärungen die hier gelesen wurden - den nur dann kann man auch darauf eingehen was event. unklar ist/war.
Bitte unbedingt vor einem Post lesen => Boardregeln / Datenschutz
Wir erteilen hier keine Rechtsberatung, unsere Hinweise sind nach bestem Wissen und bedürfen einer entsprechenden juristischen/technischen weiteren Beratung.
- techno-com
- Site Admin
- Beiträge: 22429
- Registriert: 17. November 2005 09:32
- Wohnort: 74076 Heilbronn
- Hat sich bedankt: 504 Mal
- Danksagung erhalten: 574 Mal
- Kontaktdaten:
Re: Umstellung von Kabel auf Unikabel Sat Anlage
Hallo zurückhweilaender hat geschrieben:Sehr geehrter Herr Uhde!

Da habe ich jetzt ein Problem mit ihrer Darstellung, aus dem Multischalter gehen 3 Kabel raus ... der JPS0502-8 hat aber nur 2 Ausgänge !hweilaender hat geschrieben:Hier ist nun der Sollzustand, der sich bis auf einen Punkt von der derzeitigen Verkabelung nicht wesentlich unterscheidet.
Da müssten sie noch einen Kathrein EBC110 einsetzen und die Sauna zusammenführen mit dem Abgang zum Wohnzimmer mit den 3 Dosen

Oder einen JPS0504-8 einsetzen, der hätte 4 Ausgänge a 8 Umsetzungen, dann hätte - in wie weit das sinnvoll ist steht auf einem anderen Blatt - auch "Wäsche" noch einen extra Ausgang am Schalter ...
"Sinnvoll" wäre das mit dem JPS0504-8 ggf. sogar, den dann würde man sich die ca. 6-8db Dämpfung durch den EBC110 der akt. den Strang nach oben + "Wäsche" aufbraucht weg und nach oben wäre mehr "Power" (Signalstärke) vorhanden was hier ggf. sogar gar nicht schlecht wäre auf Grund der 2x Verteiler im Signalweg bei event. doch nicht sooo guten Koaxkabeln.hweilaender hat geschrieben:Dieser Punkt ist der Verteiler im Keller, der das vom 1.Stk kommende Kabel mit dem Kabel zur Wachküche zusammenfasst. Ich bin mir nicht sicher, ob das eine gute Lösung ist und würde den Verteiler auflösen und das von oben kommende Kabel eventuell bis zum Multischalter verlängern (Eine neue Verlegung des Kabels vom 1.Stk in den Keller ist nicht möglich)
Alternativ könnte man hier auch 2 Schalter kaskadieren, einen JPS0502-8T und einen JRS0502-4M (Kaskade) dafür für die beiden Abgänge "Saune" und "Wäsche" wo wohl nicht so viele UBs benötigt werden !?
Wie viele Abschirmungen hat dieses Kabel und was für einen Außendurchmesser ? Wie in den bereits verlinkte Beiträgen zuvor (z.B. Unicable Umrüstung 40 Jahre alte Kabel ) sind aber diese alten Kabel sehr oft besser als neue Voodoo-Kabel und das läuft auch damit.hweilaender hat geschrieben:Bezüglich des Kabels ist es mir nur gelungen den Namen des Kabelherstellers (Heiru) herauszufinden. Das Kabel selbst hat einen versilberten Mittelleiter mit einem Durchmesser von 1,2mm
Die Antenne muss nach der Montage mit dem oberen Teil (obere Kante) einen Abstand zum Dach auch noch haben von >2m, dann bleiben wir im geschützten Bereich.hweilaender hat geschrieben:Die Sat-Schüssel wird am Carport der direkt an das Haus angebaut ist, befestigt. Der Abstand zur Regenrinne beträgt etwa 3m. Ich möchte die Schüssel auch so nahe wie möglich ans Haus montieren (größtmöglicher Schutz vor Wettereinfluss) Ich nehme an, dass dieser Bereich blitzsicher ist.
Hier würde ich UV-beständiges Koaxkabel (z.B. Sytronic 75100 AKZ 3 S) empfehlen.hweilaender hat geschrieben:Kabellänge: Ich habe die Kabellänge vom LMB bis zum Schalter nochmals ausgemessen, 25m werden ausreiche. Da die Einkabellösung nicht infrage kommt, brauche ich 2x25m Kabel.
Wir kommen der Sache schon vielllllllll näher, das sollte jetzt fast alles geklärt habenhweilaender hat geschrieben:Ich hoffe, dass diese Informationen für Sie ausreichend sind und ich nichts vergessen habe. Werde weiterhin fleissig die diversen Beiträge lesen um keine Fehler bei der Installation zu machen.

Vielleicht sind wir nicht günstiger als ein Discounter oder reiner Online-Kartonschieber, aber sicherlich besser !
Normkonforme Beratung und Bau sind bei uns selbstverständlich.
Sat-Shop Heilbronn Kunden können sich auch nach dem Kauf auf unseren besten Service verlassen
Hier im Forum wird kein After-Sales-Support für Fremdkäufe geleistet !! Wenden Sie sich dazu an ihren Verkäufer ......
Tristan Uhde / Satanlagen Onlineshop / SAT-Shop Heilbronn
https://www.satshop-heilbronn.de (SSL) / SAT-Onlineforum https://www.satanlagenforum.de (SSL)
Tel ------ (Fragen gehören ins Forum ! Den nur hier können sie richtig bearbeitet werden, auch was hier noch nicht von A-Z genau schon erklärt/behandelt ist ) .. Dieser Hinweis weil täglich dutzende Fragen per Email oder per PM über das Forum rein kommen die noch dazu inhaltlich nicht das intus haben das man etwas dazu sagen könnte.
Wichtiger Hinweis: Zuständigkeiten verantwortliche Elektrofachkraft (VEFK) und Blitzschutzfachkräfte
Informieren Sie sich dort über Folgen und Auswirkungen von Eigenleistung und lassen Sie selbst durchgeführte Installationen von entsprechender Stelle prüfen und abnehmen. Dafür sind VOR ORT spezielle und qualifizierte Blitzschutz-Fachkräfte notwendig, Ferndiagnosen für Blitzschutz/Erdung können hier NICHT durchgeführt werden ("wie kann ICH das machen ..." oder ähnlich bringt da nichts).
Diese Signatur wächst von Woche zu Woche und enthält immer mehr grundlegende Inhalte die bitte berücksichtigt werden sollten bei bzw. VOR Anfragen !
100% beantwortet werden können nur Anfragen die auch alle relevanten Teile beinhalten die man benötigt für eine Antwort (genaue Beschreibungen/ Angabe von Herstellern/Typen für vorhandenes Material etc.). Bitte vermeiden Sie Aussagen wie "habe viel gelesen, aber versteht das nicht ..." ohne Nennung von dem was Sie gelesen haben und was genau unklar war an den Erklärungen die hier gelesen wurden - den nur dann kann man auch darauf eingehen was event. unklar ist/war.
Bitte unbedingt vor einem Post lesen => Boardregeln / Datenschutz
Wir erteilen hier keine Rechtsberatung, unsere Hinweise sind nach bestem Wissen und bedürfen einer entsprechenden juristischen/technischen weiteren Beratung.
Normkonforme Beratung und Bau sind bei uns selbstverständlich.
Sat-Shop Heilbronn Kunden können sich auch nach dem Kauf auf unseren besten Service verlassen
Hier im Forum wird kein After-Sales-Support für Fremdkäufe geleistet !! Wenden Sie sich dazu an ihren Verkäufer ......
Tristan Uhde / Satanlagen Onlineshop / SAT-Shop Heilbronn
https://www.satshop-heilbronn.de (SSL) / SAT-Onlineforum https://www.satanlagenforum.de (SSL)
Tel ------ (Fragen gehören ins Forum ! Den nur hier können sie richtig bearbeitet werden, auch was hier noch nicht von A-Z genau schon erklärt/behandelt ist ) .. Dieser Hinweis weil täglich dutzende Fragen per Email oder per PM über das Forum rein kommen die noch dazu inhaltlich nicht das intus haben das man etwas dazu sagen könnte.
Wichtiger Hinweis: Zuständigkeiten verantwortliche Elektrofachkraft (VEFK) und Blitzschutzfachkräfte
Informieren Sie sich dort über Folgen und Auswirkungen von Eigenleistung und lassen Sie selbst durchgeführte Installationen von entsprechender Stelle prüfen und abnehmen. Dafür sind VOR ORT spezielle und qualifizierte Blitzschutz-Fachkräfte notwendig, Ferndiagnosen für Blitzschutz/Erdung können hier NICHT durchgeführt werden ("wie kann ICH das machen ..." oder ähnlich bringt da nichts).
Diese Signatur wächst von Woche zu Woche und enthält immer mehr grundlegende Inhalte die bitte berücksichtigt werden sollten bei bzw. VOR Anfragen !
100% beantwortet werden können nur Anfragen die auch alle relevanten Teile beinhalten die man benötigt für eine Antwort (genaue Beschreibungen/ Angabe von Herstellern/Typen für vorhandenes Material etc.). Bitte vermeiden Sie Aussagen wie "habe viel gelesen, aber versteht das nicht ..." ohne Nennung von dem was Sie gelesen haben und was genau unklar war an den Erklärungen die hier gelesen wurden - den nur dann kann man auch darauf eingehen was event. unklar ist/war.
Bitte unbedingt vor einem Post lesen => Boardregeln / Datenschutz
Wir erteilen hier keine Rechtsberatung, unsere Hinweise sind nach bestem Wissen und bedürfen einer entsprechenden juristischen/technischen weiteren Beratung.
-
- postet ab und zu
- Beiträge: 28
- Registriert: 13. Februar 2018 20:13
- Danksagung erhalten: 1 Mal
Re: Umstellung von Kabel auf Unikabel Sat Anlage
Hallo Herr Uhde!
Zu dem Punkt Multischalter. Ich habe bereits befürchtet, dass der Verteiler für die Waschküche im Kabel zum ersten Stock dieses bedämpfen wird. Da ich eine ordentliche Installation bevorzuge, werde ich Ihren Rat bezüglich des anderen Schalters JPS0504-8 befolgen. Die vorgeschlagene Alternative mit Kaskadierung ist preislich nicht so interessant, dass ich mich zu dieser entschließen werde. Ich nehme an, dass ein Schalter diese Aufgabe besser machen kann.
Zum Kabel: Es hat zwei Abschirmungen, Folie und Geflecht und der Außendurchmesser beträgt 7mm.
Ich werde das von Ihnen vorgeschlagene Kabel Sytronic 75100 AKZ 3-S nehmen, habe aber gesehen dass nur 20m oder 100m zur Verfügung stehen. Werde dann wohl oder übel die 100m nehmen obwohl ich so viel Kabel nicht benötige.
Hoffentlich habe ich nichts vergessen.
Freundliche Grüße
Heinz Weiländer
Zu dem Punkt Multischalter. Ich habe bereits befürchtet, dass der Verteiler für die Waschküche im Kabel zum ersten Stock dieses bedämpfen wird. Da ich eine ordentliche Installation bevorzuge, werde ich Ihren Rat bezüglich des anderen Schalters JPS0504-8 befolgen. Die vorgeschlagene Alternative mit Kaskadierung ist preislich nicht so interessant, dass ich mich zu dieser entschließen werde. Ich nehme an, dass ein Schalter diese Aufgabe besser machen kann.
Zum Kabel: Es hat zwei Abschirmungen, Folie und Geflecht und der Außendurchmesser beträgt 7mm.
Ich werde das von Ihnen vorgeschlagene Kabel Sytronic 75100 AKZ 3-S nehmen, habe aber gesehen dass nur 20m oder 100m zur Verfügung stehen. Werde dann wohl oder übel die 100m nehmen obwohl ich so viel Kabel nicht benötige.
Hoffentlich habe ich nichts vergessen.
Freundliche Grüße
Heinz Weiländer
Re: Umstellung von Kabel auf Unikabel Sat Anlage
Heiru Koax
Wenn auf dem Kabel nebst Heiru noch HTS draufsteht kann man auf den Innenleiter schliessen: HTS100 ist StahlKupfer, HTS110 ist reines Kupfer.
Abstände Blitzschutz bzw. geschützter Bereich:
Gruss
Guido
Wenn auf dem Kabel nebst Heiru noch HTS draufsteht kann man auf den Innenleiter schliessen: HTS100 ist StahlKupfer, HTS110 ist reines Kupfer.
Abstände Blitzschutz bzw. geschützter Bereich:
Gruss
Guido
- techno-com
- Site Admin
- Beiträge: 22429
- Registriert: 17. November 2005 09:32
- Wohnort: 74076 Heilbronn
- Hat sich bedankt: 504 Mal
- Danksagung erhalten: 574 Mal
- Kontaktdaten:
Re: Umstellung von Kabel auf Unikabel Sat Anlage
Hallo zurückhweilaender hat geschrieben:Hallo Herr Uhde!

Das Kabel ist als 10m, 20m und als 100m im Shop eingestellt. Nehmen sie 3x 20m wird das dann als 60m am Stück geliefert. Natürlich auch 2x 20 + 1x 10m möglich, wären dann entsprechend 50m. Anderes geht das immer nur schlecht einzustellen, daher habe ich das aufgeteitl in Stücke wie sie "normal" immer bestellt werden.hweilaender hat geschrieben:Ich werde das von Ihnen vorgeschlagene Kabel Sytronic 75100 AKZ 3-S nehmen, habe aber gesehen dass nur 20m oder 100m zur Verfügung stehen. Werde dann wohl oder übel die 100m nehmen obwohl ich so viel Kabel nicht benötige.
Habe mal ihren Plan etwas umgezeichnet und alles rein gemacht was mir jetzt eingefallen ist, incl. den Kabeln markiert die über einen Erdungsblock (in ihrem Fall 8 Kabel = 9-fach Erdungsblock der benötigt wird -- 4x vom Quattro-LNB kommend + 4x abgehend in die Räume bzw. WENN sie das per Breitband-LNB machen möchten - dann muss die Vorprogrammierung vom Schalter auf Breitband-LNB Betrieb dazu und das eingezeichnete Quattro-LNB ersetzt werden durch Breitband-LNB + dann nur 2 Kabel von außen nach innen rein und entsprechend kleinerer Erdungsblock möglich ..) geführt werden müssen.hweilaender hat geschrieben:Hoffentlich habe ich nichts vergessen.
Auf diesem Bild kann man jetzt alle Kabel ("Patchkabel") dann ersehen die benötigt werden, hier nicht das benötigte Kabel vom Netzteil zum Multischalter vergessen.
hweilaender hat geschrieben:Zum Kabel: Es hat zwei Abschirmungen, Folie und Geflecht und der Außendurchmesser beträgt 7mm.
Das HTS100+110 hat 3 Abschirmungen laut dem Datenblatt, er schreibt aber von 2-facher Schirmung. Scheint also ein noch älteres Kabel zu sein .... aber da sollte wirklich ein Typ drauf stehen, bitte noch einmal genau nachschauen.guba hat geschrieben:Heiru Koax
Wenn auf dem Kabel nebst Heiru noch HTS draufsteht kann man auf den Innenleiter schliessen: HTS100 ist StahlKupfer, HTS110 ist reines Kupfer.
Vielleicht sind wir nicht günstiger als ein Discounter oder reiner Online-Kartonschieber, aber sicherlich besser !
Normkonforme Beratung und Bau sind bei uns selbstverständlich.
Sat-Shop Heilbronn Kunden können sich auch nach dem Kauf auf unseren besten Service verlassen
Hier im Forum wird kein After-Sales-Support für Fremdkäufe geleistet !! Wenden Sie sich dazu an ihren Verkäufer ......
Tristan Uhde / Satanlagen Onlineshop / SAT-Shop Heilbronn
https://www.satshop-heilbronn.de (SSL) / SAT-Onlineforum https://www.satanlagenforum.de (SSL)
Tel ------ (Fragen gehören ins Forum ! Den nur hier können sie richtig bearbeitet werden, auch was hier noch nicht von A-Z genau schon erklärt/behandelt ist ) .. Dieser Hinweis weil täglich dutzende Fragen per Email oder per PM über das Forum rein kommen die noch dazu inhaltlich nicht das intus haben das man etwas dazu sagen könnte.
Wichtiger Hinweis: Zuständigkeiten verantwortliche Elektrofachkraft (VEFK) und Blitzschutzfachkräfte
Informieren Sie sich dort über Folgen und Auswirkungen von Eigenleistung und lassen Sie selbst durchgeführte Installationen von entsprechender Stelle prüfen und abnehmen. Dafür sind VOR ORT spezielle und qualifizierte Blitzschutz-Fachkräfte notwendig, Ferndiagnosen für Blitzschutz/Erdung können hier NICHT durchgeführt werden ("wie kann ICH das machen ..." oder ähnlich bringt da nichts).
Diese Signatur wächst von Woche zu Woche und enthält immer mehr grundlegende Inhalte die bitte berücksichtigt werden sollten bei bzw. VOR Anfragen !
100% beantwortet werden können nur Anfragen die auch alle relevanten Teile beinhalten die man benötigt für eine Antwort (genaue Beschreibungen/ Angabe von Herstellern/Typen für vorhandenes Material etc.). Bitte vermeiden Sie Aussagen wie "habe viel gelesen, aber versteht das nicht ..." ohne Nennung von dem was Sie gelesen haben und was genau unklar war an den Erklärungen die hier gelesen wurden - den nur dann kann man auch darauf eingehen was event. unklar ist/war.
Bitte unbedingt vor einem Post lesen => Boardregeln / Datenschutz
Wir erteilen hier keine Rechtsberatung, unsere Hinweise sind nach bestem Wissen und bedürfen einer entsprechenden juristischen/technischen weiteren Beratung.
Normkonforme Beratung und Bau sind bei uns selbstverständlich.
Sat-Shop Heilbronn Kunden können sich auch nach dem Kauf auf unseren besten Service verlassen
Hier im Forum wird kein After-Sales-Support für Fremdkäufe geleistet !! Wenden Sie sich dazu an ihren Verkäufer ......
Tristan Uhde / Satanlagen Onlineshop / SAT-Shop Heilbronn
https://www.satshop-heilbronn.de (SSL) / SAT-Onlineforum https://www.satanlagenforum.de (SSL)
Tel ------ (Fragen gehören ins Forum ! Den nur hier können sie richtig bearbeitet werden, auch was hier noch nicht von A-Z genau schon erklärt/behandelt ist ) .. Dieser Hinweis weil täglich dutzende Fragen per Email oder per PM über das Forum rein kommen die noch dazu inhaltlich nicht das intus haben das man etwas dazu sagen könnte.
Wichtiger Hinweis: Zuständigkeiten verantwortliche Elektrofachkraft (VEFK) und Blitzschutzfachkräfte
Informieren Sie sich dort über Folgen und Auswirkungen von Eigenleistung und lassen Sie selbst durchgeführte Installationen von entsprechender Stelle prüfen und abnehmen. Dafür sind VOR ORT spezielle und qualifizierte Blitzschutz-Fachkräfte notwendig, Ferndiagnosen für Blitzschutz/Erdung können hier NICHT durchgeführt werden ("wie kann ICH das machen ..." oder ähnlich bringt da nichts).
Diese Signatur wächst von Woche zu Woche und enthält immer mehr grundlegende Inhalte die bitte berücksichtigt werden sollten bei bzw. VOR Anfragen !
100% beantwortet werden können nur Anfragen die auch alle relevanten Teile beinhalten die man benötigt für eine Antwort (genaue Beschreibungen/ Angabe von Herstellern/Typen für vorhandenes Material etc.). Bitte vermeiden Sie Aussagen wie "habe viel gelesen, aber versteht das nicht ..." ohne Nennung von dem was Sie gelesen haben und was genau unklar war an den Erklärungen die hier gelesen wurden - den nur dann kann man auch darauf eingehen was event. unklar ist/war.
Bitte unbedingt vor einem Post lesen => Boardregeln / Datenschutz
Wir erteilen hier keine Rechtsberatung, unsere Hinweise sind nach bestem Wissen und bedürfen einer entsprechenden juristischen/technischen weiteren Beratung.
-
- postet ab und zu
- Beiträge: 28
- Registriert: 13. Februar 2018 20:13
- Danksagung erhalten: 1 Mal
Re: Umstellung von Kabel auf Unikabel Sat Anlage
Hallo Herr Uhde!
Es ist mir nicht möglich, einwandfrei zu klären, welches Kabel für die Verbindung 1.Stk in den Keller verwendet wurde. Den einzigen Hinweis den ich an einem Ende des Kabels gefunden habe, war die Firma Heiru und vermutlich eine Jahreszahl 1989 und CU, was darauf schließen läßt, dass es ein Kupferkabel ist. Ein Neueinzug dieses Kabels ist faktisch unmöglich, da ich dieses Haus sozusagen mit dem Kabel gekauft und keine Ahnung habe, wie das Kabel verlegt wurde. Es gibt auch keine Unterlagen (wer macht das schon) und der ehem. Besitzer ist verstorben. Ich habe auch Heiru versucht zu kontaktieren (ist ein österr. Unternehmen) aber die haben entweder keine Ahnung mehr, was damals produziert wurde oder sind nicht bereit, mir Auskunft zu geben. Kommt sich aber auf das Gleiche hinaus.
Was könnte ich sonst noch tun um die Qualität des Kabels zu verifizieren?
Bezüglich des LNBs hätte ich gerne die Breitbandlösung mit zwei Kabel zum Schalter.
Habe versucht, eine Stückliste zusammenzustellen. Wahrscheinlich habe ich da Fehler eingebaut. Freundliche Grüße
Heinz Weiländer
Es ist mir nicht möglich, einwandfrei zu klären, welches Kabel für die Verbindung 1.Stk in den Keller verwendet wurde. Den einzigen Hinweis den ich an einem Ende des Kabels gefunden habe, war die Firma Heiru und vermutlich eine Jahreszahl 1989 und CU, was darauf schließen läßt, dass es ein Kupferkabel ist. Ein Neueinzug dieses Kabels ist faktisch unmöglich, da ich dieses Haus sozusagen mit dem Kabel gekauft und keine Ahnung habe, wie das Kabel verlegt wurde. Es gibt auch keine Unterlagen (wer macht das schon) und der ehem. Besitzer ist verstorben. Ich habe auch Heiru versucht zu kontaktieren (ist ein österr. Unternehmen) aber die haben entweder keine Ahnung mehr, was damals produziert wurde oder sind nicht bereit, mir Auskunft zu geben. Kommt sich aber auf das Gleiche hinaus.
Was könnte ich sonst noch tun um die Qualität des Kabels zu verifizieren?
Bezüglich des LNBs hätte ich gerne die Breitbandlösung mit zwei Kabel zum Schalter.
Habe versucht, eine Stückliste zusammenzustellen. Wahrscheinlich habe ich da Fehler eingebaut. Freundliche Grüße
Heinz Weiländer
Zuletzt geändert von techno-com am 15. August 2018 12:07, insgesamt 1-mal geändert.
Grund: Edit by techno-com: Excel Liste in Bild umgewandelt und eingestellt
Grund: Edit by techno-com: Excel Liste in Bild umgewandelt und eingestellt
- techno-com
- Site Admin
- Beiträge: 22429
- Registriert: 17. November 2005 09:32
- Wohnort: 74076 Heilbronn
- Hat sich bedankt: 504 Mal
- Danksagung erhalten: 574 Mal
- Kontaktdaten:
Re: Umstellung von Kabel auf Unikabel Sat Anlage
hweilaender hat geschrieben:Hallo Herr Uhde!

Hilft nur eines, testen !! "Sollte" aber funktionieren wenn da wirklich alle Stecker auch passend gewählt und verbaut werden.hweilaender hat geschrieben:Was könnte ich sonst noch tun um die Qualität des Kabels zu verifizieren?
1. haben sie das Netzteil Jultec JNT19-2000 zweimal drin, eines reichthweilaender hat geschrieben:Habe versucht, eine Stückliste zusammenzustellen. Wahrscheinlich habe ich da Fehler eingebaut.
Stueckliste_User_hweilaender.JPG
2. warum Wandhalter 60cm und welchen genau ? Der steht bei uns auf "nicht lieferbar", könnte aber zur Not so einen liefern wenn der unbedingt notwendig wird wegen dem benötigten Abstand.
Das wäre dann aber dieser hier der 38€ kosten würde .. ist nicht im Shop eingestellt, ist eigentlich nur für meine interne Verwendung hier noch an Lager (brauche den mal von Zeit zu Zeit). Diesen müssten ich auch daher dann nach ihrer Bestellung manuell der Bestellung hinzufügen, also wenn der gewünscht - und der mit 45cm nicht ausreicht der direkt im Shop wäre - nicht direkt zahlen da ich das erst alles manuell machen muss mit der Auftrags-Umstellung. 3. brachen sie 4 Widerstäde DC-entkoppelt ! Zusätzlich zu den beiden die ich schon auf meiner Zeichnung hatte (4. Ausgang am EBC114 + terrestrischer Eingang am Multischalter) kommen dann noch für die beiden offenen SAT-ZF-Eingänge am Multischalter die bei Breitband-LNB-Versorgung ja nicht belegt werden.
4. fehlen Stecker !!! 2x Cabelcon Self-Install Stecker 4.9W außen am LNB (dort zusätzlich 2x Cabelcon Seal-Ring) und innen an das Kabel Sytronic dann 2x Cabelcon Self-Install Stecker 4.9 (ohne "W").
Hilfreiches Tool dafür => Cabelcon Stripper
In Annahme das ihr Kabel ähnliche Eigenschaften vom Dielektrium hat wie das von @guba hier verlinkte für ihr Kabel die o.g. 4.9er Stecker dann noch für alle Verbindungen/Anschlüsse mit diesem Kabel am Erdungsblock + Verbinder + Verteiler.
Anzahl Patchkabel passt ... 2x LNB + 1x Netzteil + 4x abgehende Kabel - welche Längen der Patchkabel bestellt werden ist egal, ich verwende die benötigten Längen und der Preis ist ja gleich.
P.S. da sehe ich noch etwas was man "besser" machen könnte !!!!! Wie lange ist den der Kabelweg zur Sauna und zu "Wäsche" ? Was wurde dort für ein Koaxkabel verwendet ?
Wenn man dort nur eine JAD307TRS (7db Auskoppeldämpfung) einsetzt wäre der Pegel ggf. dort zu hoch (Übersteuerung) ... da könnte man dann eine JAD310/314 Durchgangsdose (10/14db Auskoppeldämpfung) nehmen um mehr Dämpfung zu erhalten ... aus dieser Durchgangsdose kann man dann einfach eine Enddose "machen" indem man in ihren Ausgang einen BK-Endwiderstand DC-entkoppelt rein setzt. Würde den Pegel weiter runter bringen und so wäre das dann im Norm-Pegelbereich bzw. einfach im Bereich das es "besser" wäre. Immerhin haben wir mit dem JPS0504-8 einen Schalter der 93dbµV an jedem Ausgang hat, da dann nur 10m Kabelweg (angenommen) mit ca. 3-5db Dämpfung und diese Enddose mit 7db Auskoppeldämpfung wären wir bei 81-83dbµV am Receiver-Eingang und damit etwas zu hoch ! Sollten da auf ca. 75dbµV kommen um auf er sicheren Seite zu sein und das wäre dann (mit den angenommenen Kabeldämpfungwerten) dort eine JAD314TRS mit dem o.g. Endwiderstand drin.
Auswertung zu diesem langen "Satz" => an diesen beiden Plätzen wohl keine JAD307TRS Enddose, sondern jeweils eine JAD314TRS Durchgangsdose mit BK-Endwiderstand DC-entkoppelt verwenden/-bauen.
Vielleicht sind wir nicht günstiger als ein Discounter oder reiner Online-Kartonschieber, aber sicherlich besser !
Normkonforme Beratung und Bau sind bei uns selbstverständlich.
Sat-Shop Heilbronn Kunden können sich auch nach dem Kauf auf unseren besten Service verlassen
Hier im Forum wird kein After-Sales-Support für Fremdkäufe geleistet !! Wenden Sie sich dazu an ihren Verkäufer ......
Tristan Uhde / Satanlagen Onlineshop / SAT-Shop Heilbronn
https://www.satshop-heilbronn.de (SSL) / SAT-Onlineforum https://www.satanlagenforum.de (SSL)
Tel ------ (Fragen gehören ins Forum ! Den nur hier können sie richtig bearbeitet werden, auch was hier noch nicht von A-Z genau schon erklärt/behandelt ist ) .. Dieser Hinweis weil täglich dutzende Fragen per Email oder per PM über das Forum rein kommen die noch dazu inhaltlich nicht das intus haben das man etwas dazu sagen könnte.
Wichtiger Hinweis: Zuständigkeiten verantwortliche Elektrofachkraft (VEFK) und Blitzschutzfachkräfte
Informieren Sie sich dort über Folgen und Auswirkungen von Eigenleistung und lassen Sie selbst durchgeführte Installationen von entsprechender Stelle prüfen und abnehmen. Dafür sind VOR ORT spezielle und qualifizierte Blitzschutz-Fachkräfte notwendig, Ferndiagnosen für Blitzschutz/Erdung können hier NICHT durchgeführt werden ("wie kann ICH das machen ..." oder ähnlich bringt da nichts).
Diese Signatur wächst von Woche zu Woche und enthält immer mehr grundlegende Inhalte die bitte berücksichtigt werden sollten bei bzw. VOR Anfragen !
100% beantwortet werden können nur Anfragen die auch alle relevanten Teile beinhalten die man benötigt für eine Antwort (genaue Beschreibungen/ Angabe von Herstellern/Typen für vorhandenes Material etc.). Bitte vermeiden Sie Aussagen wie "habe viel gelesen, aber versteht das nicht ..." ohne Nennung von dem was Sie gelesen haben und was genau unklar war an den Erklärungen die hier gelesen wurden - den nur dann kann man auch darauf eingehen was event. unklar ist/war.
Bitte unbedingt vor einem Post lesen => Boardregeln / Datenschutz
Wir erteilen hier keine Rechtsberatung, unsere Hinweise sind nach bestem Wissen und bedürfen einer entsprechenden juristischen/technischen weiteren Beratung.
Normkonforme Beratung und Bau sind bei uns selbstverständlich.
Sat-Shop Heilbronn Kunden können sich auch nach dem Kauf auf unseren besten Service verlassen
Hier im Forum wird kein After-Sales-Support für Fremdkäufe geleistet !! Wenden Sie sich dazu an ihren Verkäufer ......
Tristan Uhde / Satanlagen Onlineshop / SAT-Shop Heilbronn
https://www.satshop-heilbronn.de (SSL) / SAT-Onlineforum https://www.satanlagenforum.de (SSL)
Tel ------ (Fragen gehören ins Forum ! Den nur hier können sie richtig bearbeitet werden, auch was hier noch nicht von A-Z genau schon erklärt/behandelt ist ) .. Dieser Hinweis weil täglich dutzende Fragen per Email oder per PM über das Forum rein kommen die noch dazu inhaltlich nicht das intus haben das man etwas dazu sagen könnte.
Wichtiger Hinweis: Zuständigkeiten verantwortliche Elektrofachkraft (VEFK) und Blitzschutzfachkräfte
Informieren Sie sich dort über Folgen und Auswirkungen von Eigenleistung und lassen Sie selbst durchgeführte Installationen von entsprechender Stelle prüfen und abnehmen. Dafür sind VOR ORT spezielle und qualifizierte Blitzschutz-Fachkräfte notwendig, Ferndiagnosen für Blitzschutz/Erdung können hier NICHT durchgeführt werden ("wie kann ICH das machen ..." oder ähnlich bringt da nichts).
Diese Signatur wächst von Woche zu Woche und enthält immer mehr grundlegende Inhalte die bitte berücksichtigt werden sollten bei bzw. VOR Anfragen !
100% beantwortet werden können nur Anfragen die auch alle relevanten Teile beinhalten die man benötigt für eine Antwort (genaue Beschreibungen/ Angabe von Herstellern/Typen für vorhandenes Material etc.). Bitte vermeiden Sie Aussagen wie "habe viel gelesen, aber versteht das nicht ..." ohne Nennung von dem was Sie gelesen haben und was genau unklar war an den Erklärungen die hier gelesen wurden - den nur dann kann man auch darauf eingehen was event. unklar ist/war.
Bitte unbedingt vor einem Post lesen => Boardregeln / Datenschutz
Wir erteilen hier keine Rechtsberatung, unsere Hinweise sind nach bestem Wissen und bedürfen einer entsprechenden juristischen/technischen weiteren Beratung.
- techno-com
- Site Admin
- Beiträge: 22429
- Registriert: 17. November 2005 09:32
- Wohnort: 74076 Heilbronn
- Hat sich bedankt: 504 Mal
- Danksagung erhalten: 574 Mal
- Kontaktdaten:
Re: Umstellung von Kabel auf Unikabel Sat Anlage
Nachtrag: die Wandhalterung ist jetzt auch im Shop gelistet
Wandhalter Alu 60cm/80cm Wandabstand mit Stützstrebe (WH60A/WH80A)
Wandhalter Alu 60cm/80cm Wandabstand mit Stützstrebe (WH60A/WH80A)
Vielleicht sind wir nicht günstiger als ein Discounter oder reiner Online-Kartonschieber, aber sicherlich besser !
Normkonforme Beratung und Bau sind bei uns selbstverständlich.
Sat-Shop Heilbronn Kunden können sich auch nach dem Kauf auf unseren besten Service verlassen
Hier im Forum wird kein After-Sales-Support für Fremdkäufe geleistet !! Wenden Sie sich dazu an ihren Verkäufer ......
Tristan Uhde / Satanlagen Onlineshop / SAT-Shop Heilbronn
https://www.satshop-heilbronn.de (SSL) / SAT-Onlineforum https://www.satanlagenforum.de (SSL)
Tel ------ (Fragen gehören ins Forum ! Den nur hier können sie richtig bearbeitet werden, auch was hier noch nicht von A-Z genau schon erklärt/behandelt ist ) .. Dieser Hinweis weil täglich dutzende Fragen per Email oder per PM über das Forum rein kommen die noch dazu inhaltlich nicht das intus haben das man etwas dazu sagen könnte.
Wichtiger Hinweis: Zuständigkeiten verantwortliche Elektrofachkraft (VEFK) und Blitzschutzfachkräfte
Informieren Sie sich dort über Folgen und Auswirkungen von Eigenleistung und lassen Sie selbst durchgeführte Installationen von entsprechender Stelle prüfen und abnehmen. Dafür sind VOR ORT spezielle und qualifizierte Blitzschutz-Fachkräfte notwendig, Ferndiagnosen für Blitzschutz/Erdung können hier NICHT durchgeführt werden ("wie kann ICH das machen ..." oder ähnlich bringt da nichts).
Diese Signatur wächst von Woche zu Woche und enthält immer mehr grundlegende Inhalte die bitte berücksichtigt werden sollten bei bzw. VOR Anfragen !
100% beantwortet werden können nur Anfragen die auch alle relevanten Teile beinhalten die man benötigt für eine Antwort (genaue Beschreibungen/ Angabe von Herstellern/Typen für vorhandenes Material etc.). Bitte vermeiden Sie Aussagen wie "habe viel gelesen, aber versteht das nicht ..." ohne Nennung von dem was Sie gelesen haben und was genau unklar war an den Erklärungen die hier gelesen wurden - den nur dann kann man auch darauf eingehen was event. unklar ist/war.
Bitte unbedingt vor einem Post lesen => Boardregeln / Datenschutz
Wir erteilen hier keine Rechtsberatung, unsere Hinweise sind nach bestem Wissen und bedürfen einer entsprechenden juristischen/technischen weiteren Beratung.
Normkonforme Beratung und Bau sind bei uns selbstverständlich.
Sat-Shop Heilbronn Kunden können sich auch nach dem Kauf auf unseren besten Service verlassen
Hier im Forum wird kein After-Sales-Support für Fremdkäufe geleistet !! Wenden Sie sich dazu an ihren Verkäufer ......
Tristan Uhde / Satanlagen Onlineshop / SAT-Shop Heilbronn
https://www.satshop-heilbronn.de (SSL) / SAT-Onlineforum https://www.satanlagenforum.de (SSL)
Tel ------ (Fragen gehören ins Forum ! Den nur hier können sie richtig bearbeitet werden, auch was hier noch nicht von A-Z genau schon erklärt/behandelt ist ) .. Dieser Hinweis weil täglich dutzende Fragen per Email oder per PM über das Forum rein kommen die noch dazu inhaltlich nicht das intus haben das man etwas dazu sagen könnte.
Wichtiger Hinweis: Zuständigkeiten verantwortliche Elektrofachkraft (VEFK) und Blitzschutzfachkräfte
Informieren Sie sich dort über Folgen und Auswirkungen von Eigenleistung und lassen Sie selbst durchgeführte Installationen von entsprechender Stelle prüfen und abnehmen. Dafür sind VOR ORT spezielle und qualifizierte Blitzschutz-Fachkräfte notwendig, Ferndiagnosen für Blitzschutz/Erdung können hier NICHT durchgeführt werden ("wie kann ICH das machen ..." oder ähnlich bringt da nichts).
Diese Signatur wächst von Woche zu Woche und enthält immer mehr grundlegende Inhalte die bitte berücksichtigt werden sollten bei bzw. VOR Anfragen !
100% beantwortet werden können nur Anfragen die auch alle relevanten Teile beinhalten die man benötigt für eine Antwort (genaue Beschreibungen/ Angabe von Herstellern/Typen für vorhandenes Material etc.). Bitte vermeiden Sie Aussagen wie "habe viel gelesen, aber versteht das nicht ..." ohne Nennung von dem was Sie gelesen haben und was genau unklar war an den Erklärungen die hier gelesen wurden - den nur dann kann man auch darauf eingehen was event. unklar ist/war.
Bitte unbedingt vor einem Post lesen => Boardregeln / Datenschutz
Wir erteilen hier keine Rechtsberatung, unsere Hinweise sind nach bestem Wissen und bedürfen einer entsprechenden juristischen/technischen weiteren Beratung.
-
- postet ab und zu
- Beiträge: 28
- Registriert: 13. Februar 2018 20:13
- Danksagung erhalten: 1 Mal
Re: Umstellung von Kabel auf Unikabel Sat Anlage
Hallo Herr Uhde!
Antworten an einem Feiertag - einfach Spitze!
zu 1.
Wurde aus Liste entfernt
zu 2.
Normaler Wandhalter mit 45cm Länge und 5cm Durchmesser funktioniert auch.
zu 3.
Wurde in der Stückliste berücksichtigt
zu 4.
habe ich bei Ihnen bereits gekauft, inklusive Werkzeug.
zu 5.
die beiden JAD307TRS für Wäsche und Sauna wurden in der Liste durch JAD314TRS ersetzt.
neue Stückliste: Ich hoffe, dass Land in Sicht ist.
Freundliche Grüße
Heinz Weiländer
Antworten an einem Feiertag - einfach Spitze!
zu 1.
Wurde aus Liste entfernt
zu 2.
Normaler Wandhalter mit 45cm Länge und 5cm Durchmesser funktioniert auch.
zu 3.
Wurde in der Stückliste berücksichtigt
zu 4.
habe ich bei Ihnen bereits gekauft, inklusive Werkzeug.
zu 5.
die beiden JAD307TRS für Wäsche und Sauna wurden in der Liste durch JAD314TRS ersetzt.
neue Stückliste: Ich hoffe, dass Land in Sicht ist.
Freundliche Grüße
Heinz Weiländer
Zuletzt geändert von techno-com am 15. August 2018 14:28, insgesamt 1-mal geändert.
Grund: Edit by techno-com: Excel Liste in Bild umgewandelt und eingestellt
Grund: Edit by techno-com: Excel Liste in Bild umgewandelt und eingestellt
- techno-com
- Site Admin
- Beiträge: 22429
- Registriert: 17. November 2005 09:32
- Wohnort: 74076 Heilbronn
- Hat sich bedankt: 504 Mal
- Danksagung erhalten: 574 Mal
- Kontaktdaten:
Re: Umstellung von Kabel auf Unikabel Sat Anlage
Hihweilaender hat geschrieben:Hallo Herr Uhde!

Dachte eben schon ich habe das was übersehen, aber wir haben hier keinenhweilaender hat geschrieben:Antworten an einem Feiertag - einfach Spitze!

Code: Alles auswählen
Mariä Himmelfahrt
Wann? 15. August
Wo? Bayern, Saarland
und auch noch zu ihrem Heimatland (das ich gerade erst gesehen habe als ich ihre erste Bestellung angeschaut habe):
Wo? Gesamt Österreich
hweilaender hat geschrieben:zu 1.
Wurde aus Liste entfernt

hweilaender hat geschrieben:zu 2.
Normaler Wandhalter mit 45cm Länge und 5cm Durchmesser funktioniert auch.

hweilaender hat geschrieben:zu 3.
Wurde in der Stückliste berücksichtigt

Nein, nicht richtig !!! Da waren nur die 5.1er Self-Install Stecker dabei und die passen in ihrem Fall wohl nur auf das mit gekaufte Dur-Line Kabel aus dieser Bestellung (aber nicht auf das Sytronic oder gar auf ihr Kabel das sie vor Ort haben, das schon getestet ?)hweilaender hat geschrieben:zu 4.
habe ich bei Ihnen bereits gekauft, inklusive Werkzeug.
Hier mal ein Screenshot ihrer ersten Bestellung:
hweilaender hat geschrieben:zu 5.
die beiden JAD307TRS für Wäsche und Sauna wurden in der Liste durch JAD314TRS ersetzt.


Das sollte so passen ... fehlen aber nur noch wie oben erklärt 4x F-Endwiderstand DC-entkoppelt statt nur 1x wie akt. noch in ihrer Stückliste drin (siehe Erklärung zuvor)hweilaender hat geschrieben:neue Stückliste:
Stueckliste2_User_hweilaender.JPG
hweilaender hat geschrieben:Ich hoffe, dass Land in Sicht ist.

Vielleicht sind wir nicht günstiger als ein Discounter oder reiner Online-Kartonschieber, aber sicherlich besser !
Normkonforme Beratung und Bau sind bei uns selbstverständlich.
Sat-Shop Heilbronn Kunden können sich auch nach dem Kauf auf unseren besten Service verlassen
Hier im Forum wird kein After-Sales-Support für Fremdkäufe geleistet !! Wenden Sie sich dazu an ihren Verkäufer ......
Tristan Uhde / Satanlagen Onlineshop / SAT-Shop Heilbronn
https://www.satshop-heilbronn.de (SSL) / SAT-Onlineforum https://www.satanlagenforum.de (SSL)
Tel ------ (Fragen gehören ins Forum ! Den nur hier können sie richtig bearbeitet werden, auch was hier noch nicht von A-Z genau schon erklärt/behandelt ist ) .. Dieser Hinweis weil täglich dutzende Fragen per Email oder per PM über das Forum rein kommen die noch dazu inhaltlich nicht das intus haben das man etwas dazu sagen könnte.
Wichtiger Hinweis: Zuständigkeiten verantwortliche Elektrofachkraft (VEFK) und Blitzschutzfachkräfte
Informieren Sie sich dort über Folgen und Auswirkungen von Eigenleistung und lassen Sie selbst durchgeführte Installationen von entsprechender Stelle prüfen und abnehmen. Dafür sind VOR ORT spezielle und qualifizierte Blitzschutz-Fachkräfte notwendig, Ferndiagnosen für Blitzschutz/Erdung können hier NICHT durchgeführt werden ("wie kann ICH das machen ..." oder ähnlich bringt da nichts).
Diese Signatur wächst von Woche zu Woche und enthält immer mehr grundlegende Inhalte die bitte berücksichtigt werden sollten bei bzw. VOR Anfragen !
100% beantwortet werden können nur Anfragen die auch alle relevanten Teile beinhalten die man benötigt für eine Antwort (genaue Beschreibungen/ Angabe von Herstellern/Typen für vorhandenes Material etc.). Bitte vermeiden Sie Aussagen wie "habe viel gelesen, aber versteht das nicht ..." ohne Nennung von dem was Sie gelesen haben und was genau unklar war an den Erklärungen die hier gelesen wurden - den nur dann kann man auch darauf eingehen was event. unklar ist/war.
Bitte unbedingt vor einem Post lesen => Boardregeln / Datenschutz
Wir erteilen hier keine Rechtsberatung, unsere Hinweise sind nach bestem Wissen und bedürfen einer entsprechenden juristischen/technischen weiteren Beratung.
Normkonforme Beratung und Bau sind bei uns selbstverständlich.
Sat-Shop Heilbronn Kunden können sich auch nach dem Kauf auf unseren besten Service verlassen
Hier im Forum wird kein After-Sales-Support für Fremdkäufe geleistet !! Wenden Sie sich dazu an ihren Verkäufer ......
Tristan Uhde / Satanlagen Onlineshop / SAT-Shop Heilbronn
https://www.satshop-heilbronn.de (SSL) / SAT-Onlineforum https://www.satanlagenforum.de (SSL)
Tel ------ (Fragen gehören ins Forum ! Den nur hier können sie richtig bearbeitet werden, auch was hier noch nicht von A-Z genau schon erklärt/behandelt ist ) .. Dieser Hinweis weil täglich dutzende Fragen per Email oder per PM über das Forum rein kommen die noch dazu inhaltlich nicht das intus haben das man etwas dazu sagen könnte.
Wichtiger Hinweis: Zuständigkeiten verantwortliche Elektrofachkraft (VEFK) und Blitzschutzfachkräfte
Informieren Sie sich dort über Folgen und Auswirkungen von Eigenleistung und lassen Sie selbst durchgeführte Installationen von entsprechender Stelle prüfen und abnehmen. Dafür sind VOR ORT spezielle und qualifizierte Blitzschutz-Fachkräfte notwendig, Ferndiagnosen für Blitzschutz/Erdung können hier NICHT durchgeführt werden ("wie kann ICH das machen ..." oder ähnlich bringt da nichts).
Diese Signatur wächst von Woche zu Woche und enthält immer mehr grundlegende Inhalte die bitte berücksichtigt werden sollten bei bzw. VOR Anfragen !
100% beantwortet werden können nur Anfragen die auch alle relevanten Teile beinhalten die man benötigt für eine Antwort (genaue Beschreibungen/ Angabe von Herstellern/Typen für vorhandenes Material etc.). Bitte vermeiden Sie Aussagen wie "habe viel gelesen, aber versteht das nicht ..." ohne Nennung von dem was Sie gelesen haben und was genau unklar war an den Erklärungen die hier gelesen wurden - den nur dann kann man auch darauf eingehen was event. unklar ist/war.
Bitte unbedingt vor einem Post lesen => Boardregeln / Datenschutz
Wir erteilen hier keine Rechtsberatung, unsere Hinweise sind nach bestem Wissen und bedürfen einer entsprechenden juristischen/technischen weiteren Beratung.
- techno-com
- Site Admin
- Beiträge: 22429
- Registriert: 17. November 2005 09:32
- Wohnort: 74076 Heilbronn
- Hat sich bedankt: 504 Mal
- Danksagung erhalten: 574 Mal
- Kontaktdaten:
Re: Umstellung von Kabel auf Unikabel Sat Anlage
Hier noch 2 Bilder vom Aufbau auf der 40x40cm Lochblechplatte, akt. noch ohne Schaltschrank "darüber" wie aus ihrer Stückliste. Da kommt dann einfach noch das Gehäuse drauf später.
- Dateianhänge
Vielleicht sind wir nicht günstiger als ein Discounter oder reiner Online-Kartonschieber, aber sicherlich besser !
Normkonforme Beratung und Bau sind bei uns selbstverständlich.
Sat-Shop Heilbronn Kunden können sich auch nach dem Kauf auf unseren besten Service verlassen
Hier im Forum wird kein After-Sales-Support für Fremdkäufe geleistet !! Wenden Sie sich dazu an ihren Verkäufer ......
Tristan Uhde / Satanlagen Onlineshop / SAT-Shop Heilbronn
https://www.satshop-heilbronn.de (SSL) / SAT-Onlineforum https://www.satanlagenforum.de (SSL)
Tel ------ (Fragen gehören ins Forum ! Den nur hier können sie richtig bearbeitet werden, auch was hier noch nicht von A-Z genau schon erklärt/behandelt ist ) .. Dieser Hinweis weil täglich dutzende Fragen per Email oder per PM über das Forum rein kommen die noch dazu inhaltlich nicht das intus haben das man etwas dazu sagen könnte.
Wichtiger Hinweis: Zuständigkeiten verantwortliche Elektrofachkraft (VEFK) und Blitzschutzfachkräfte
Informieren Sie sich dort über Folgen und Auswirkungen von Eigenleistung und lassen Sie selbst durchgeführte Installationen von entsprechender Stelle prüfen und abnehmen. Dafür sind VOR ORT spezielle und qualifizierte Blitzschutz-Fachkräfte notwendig, Ferndiagnosen für Blitzschutz/Erdung können hier NICHT durchgeführt werden ("wie kann ICH das machen ..." oder ähnlich bringt da nichts).
Diese Signatur wächst von Woche zu Woche und enthält immer mehr grundlegende Inhalte die bitte berücksichtigt werden sollten bei bzw. VOR Anfragen !
100% beantwortet werden können nur Anfragen die auch alle relevanten Teile beinhalten die man benötigt für eine Antwort (genaue Beschreibungen/ Angabe von Herstellern/Typen für vorhandenes Material etc.). Bitte vermeiden Sie Aussagen wie "habe viel gelesen, aber versteht das nicht ..." ohne Nennung von dem was Sie gelesen haben und was genau unklar war an den Erklärungen die hier gelesen wurden - den nur dann kann man auch darauf eingehen was event. unklar ist/war.
Bitte unbedingt vor einem Post lesen => Boardregeln / Datenschutz
Wir erteilen hier keine Rechtsberatung, unsere Hinweise sind nach bestem Wissen und bedürfen einer entsprechenden juristischen/technischen weiteren Beratung.
Normkonforme Beratung und Bau sind bei uns selbstverständlich.
Sat-Shop Heilbronn Kunden können sich auch nach dem Kauf auf unseren besten Service verlassen
Hier im Forum wird kein After-Sales-Support für Fremdkäufe geleistet !! Wenden Sie sich dazu an ihren Verkäufer ......
Tristan Uhde / Satanlagen Onlineshop / SAT-Shop Heilbronn
https://www.satshop-heilbronn.de (SSL) / SAT-Onlineforum https://www.satanlagenforum.de (SSL)
Tel ------ (Fragen gehören ins Forum ! Den nur hier können sie richtig bearbeitet werden, auch was hier noch nicht von A-Z genau schon erklärt/behandelt ist ) .. Dieser Hinweis weil täglich dutzende Fragen per Email oder per PM über das Forum rein kommen die noch dazu inhaltlich nicht das intus haben das man etwas dazu sagen könnte.
Wichtiger Hinweis: Zuständigkeiten verantwortliche Elektrofachkraft (VEFK) und Blitzschutzfachkräfte
Informieren Sie sich dort über Folgen und Auswirkungen von Eigenleistung und lassen Sie selbst durchgeführte Installationen von entsprechender Stelle prüfen und abnehmen. Dafür sind VOR ORT spezielle und qualifizierte Blitzschutz-Fachkräfte notwendig, Ferndiagnosen für Blitzschutz/Erdung können hier NICHT durchgeführt werden ("wie kann ICH das machen ..." oder ähnlich bringt da nichts).
Diese Signatur wächst von Woche zu Woche und enthält immer mehr grundlegende Inhalte die bitte berücksichtigt werden sollten bei bzw. VOR Anfragen !
100% beantwortet werden können nur Anfragen die auch alle relevanten Teile beinhalten die man benötigt für eine Antwort (genaue Beschreibungen/ Angabe von Herstellern/Typen für vorhandenes Material etc.). Bitte vermeiden Sie Aussagen wie "habe viel gelesen, aber versteht das nicht ..." ohne Nennung von dem was Sie gelesen haben und was genau unklar war an den Erklärungen die hier gelesen wurden - den nur dann kann man auch darauf eingehen was event. unklar ist/war.
Bitte unbedingt vor einem Post lesen => Boardregeln / Datenschutz
Wir erteilen hier keine Rechtsberatung, unsere Hinweise sind nach bestem Wissen und bedürfen einer entsprechenden juristischen/technischen weiteren Beratung.
-
- postet ab und zu
- Beiträge: 28
- Registriert: 13. Februar 2018 20:13
- Danksagung erhalten: 1 Mal
Re: Umstellung von Kabel auf Unikabel Sat Anlage
Diese werden in meiner Liste aufgenommenEs fehlen noch die folgenden Komponenten:
2x Cabelcon Self-Install Stecker 4.9W außen am LNB (dort zusätzlich 2x Cabelcon Seal-Ring) und innen an das Kabel Sytronic dann 2x Cabelcon Self-Install Stecker 4.9 (ohne "W").
Hilfreiches Tool dafür => Cabelcon Stripper
In meiner Liste sind bereits 6 Stk berücksichtigt. Bitte nochmals kontrollieren.fehlen aber nur noch wie oben erklärt 4x F-Endwiderstand DC-entkoppelt statt nur 1x wie akt. noch in ihrer Stückliste drin (siehe Erklärung zuvor)
mfg
- techno-com
- Site Admin
- Beiträge: 22429
- Registriert: 17. November 2005 09:32
- Wohnort: 74076 Heilbronn
- Hat sich bedankt: 504 Mal
- Danksagung erhalten: 574 Mal
- Kontaktdaten:
Re: Umstellung von Kabel auf Unikabel Sat Anlage
Den "Stripper" hatten sie ja schonhweilaender hat geschrieben:Diese werden in meiner Liste aufgenommen

Stimmt, da stehen ja zusätzlich zu "1x Abschlusswiderstand für offenen Ausgang 4-fach Verteiler" noch einmal dann "6x F-Endwiderstand DC-entkoppelt" extra mit draufhweilaender hat geschrieben:In meiner Liste sind bereits 6 Stk berücksichtigt. Bitte nochmals kontrollieren.

Vielleicht sind wir nicht günstiger als ein Discounter oder reiner Online-Kartonschieber, aber sicherlich besser !
Normkonforme Beratung und Bau sind bei uns selbstverständlich.
Sat-Shop Heilbronn Kunden können sich auch nach dem Kauf auf unseren besten Service verlassen
Hier im Forum wird kein After-Sales-Support für Fremdkäufe geleistet !! Wenden Sie sich dazu an ihren Verkäufer ......
Tristan Uhde / Satanlagen Onlineshop / SAT-Shop Heilbronn
https://www.satshop-heilbronn.de (SSL) / SAT-Onlineforum https://www.satanlagenforum.de (SSL)
Tel ------ (Fragen gehören ins Forum ! Den nur hier können sie richtig bearbeitet werden, auch was hier noch nicht von A-Z genau schon erklärt/behandelt ist ) .. Dieser Hinweis weil täglich dutzende Fragen per Email oder per PM über das Forum rein kommen die noch dazu inhaltlich nicht das intus haben das man etwas dazu sagen könnte.
Wichtiger Hinweis: Zuständigkeiten verantwortliche Elektrofachkraft (VEFK) und Blitzschutzfachkräfte
Informieren Sie sich dort über Folgen und Auswirkungen von Eigenleistung und lassen Sie selbst durchgeführte Installationen von entsprechender Stelle prüfen und abnehmen. Dafür sind VOR ORT spezielle und qualifizierte Blitzschutz-Fachkräfte notwendig, Ferndiagnosen für Blitzschutz/Erdung können hier NICHT durchgeführt werden ("wie kann ICH das machen ..." oder ähnlich bringt da nichts).
Diese Signatur wächst von Woche zu Woche und enthält immer mehr grundlegende Inhalte die bitte berücksichtigt werden sollten bei bzw. VOR Anfragen !
100% beantwortet werden können nur Anfragen die auch alle relevanten Teile beinhalten die man benötigt für eine Antwort (genaue Beschreibungen/ Angabe von Herstellern/Typen für vorhandenes Material etc.). Bitte vermeiden Sie Aussagen wie "habe viel gelesen, aber versteht das nicht ..." ohne Nennung von dem was Sie gelesen haben und was genau unklar war an den Erklärungen die hier gelesen wurden - den nur dann kann man auch darauf eingehen was event. unklar ist/war.
Bitte unbedingt vor einem Post lesen => Boardregeln / Datenschutz
Wir erteilen hier keine Rechtsberatung, unsere Hinweise sind nach bestem Wissen und bedürfen einer entsprechenden juristischen/technischen weiteren Beratung.
Normkonforme Beratung und Bau sind bei uns selbstverständlich.
Sat-Shop Heilbronn Kunden können sich auch nach dem Kauf auf unseren besten Service verlassen
Hier im Forum wird kein After-Sales-Support für Fremdkäufe geleistet !! Wenden Sie sich dazu an ihren Verkäufer ......
Tristan Uhde / Satanlagen Onlineshop / SAT-Shop Heilbronn
https://www.satshop-heilbronn.de (SSL) / SAT-Onlineforum https://www.satanlagenforum.de (SSL)
Tel ------ (Fragen gehören ins Forum ! Den nur hier können sie richtig bearbeitet werden, auch was hier noch nicht von A-Z genau schon erklärt/behandelt ist ) .. Dieser Hinweis weil täglich dutzende Fragen per Email oder per PM über das Forum rein kommen die noch dazu inhaltlich nicht das intus haben das man etwas dazu sagen könnte.
Wichtiger Hinweis: Zuständigkeiten verantwortliche Elektrofachkraft (VEFK) und Blitzschutzfachkräfte
Informieren Sie sich dort über Folgen und Auswirkungen von Eigenleistung und lassen Sie selbst durchgeführte Installationen von entsprechender Stelle prüfen und abnehmen. Dafür sind VOR ORT spezielle und qualifizierte Blitzschutz-Fachkräfte notwendig, Ferndiagnosen für Blitzschutz/Erdung können hier NICHT durchgeführt werden ("wie kann ICH das machen ..." oder ähnlich bringt da nichts).
Diese Signatur wächst von Woche zu Woche und enthält immer mehr grundlegende Inhalte die bitte berücksichtigt werden sollten bei bzw. VOR Anfragen !
100% beantwortet werden können nur Anfragen die auch alle relevanten Teile beinhalten die man benötigt für eine Antwort (genaue Beschreibungen/ Angabe von Herstellern/Typen für vorhandenes Material etc.). Bitte vermeiden Sie Aussagen wie "habe viel gelesen, aber versteht das nicht ..." ohne Nennung von dem was Sie gelesen haben und was genau unklar war an den Erklärungen die hier gelesen wurden - den nur dann kann man auch darauf eingehen was event. unklar ist/war.
Bitte unbedingt vor einem Post lesen => Boardregeln / Datenschutz
Wir erteilen hier keine Rechtsberatung, unsere Hinweise sind nach bestem Wissen und bedürfen einer entsprechenden juristischen/technischen weiteren Beratung.
-
- postet ab und zu
- Beiträge: 28
- Registriert: 13. Februar 2018 20:13
- Danksagung erhalten: 1 Mal
Re: Umstellung von Kabel auf Unikabel Sat Anlage
Hallo Herr Uhde!
Habe jetzt noch die Stecker für das LNB-Kabel in der Liste hinzugefügt. Ich hoffe, dass jetzt alles stimmt. Wenn ja, dann würde ich die Teile gerne bestellen. Freundliche Grüße
Heinz Weiländer
Habe jetzt noch die Stecker für das LNB-Kabel in der Liste hinzugefügt. Ich hoffe, dass jetzt alles stimmt. Wenn ja, dann würde ich die Teile gerne bestellen. Freundliche Grüße
Heinz Weiländer
Zuletzt geändert von techno-com am 16. August 2018 07:44, insgesamt 1-mal geändert.
Grund: Edit by techno-com: Excel Liste in Bild umgewandelt und eingestellt
Grund: Edit by techno-com: Excel Liste in Bild umgewandelt und eingestellt
- techno-com
- Site Admin
- Beiträge: 22429
- Registriert: 17. November 2005 09:32
- Wohnort: 74076 Heilbronn
- Hat sich bedankt: 504 Mal
- Danksagung erhalten: 574 Mal
- Kontaktdaten:
Re: Umstellung von Kabel auf Unikabel Sat Anlage
Sieht gut aus
Dann wäre das noch vor meinem Sommerurlaub auch noch erledigt

Dann wäre das noch vor meinem Sommerurlaub auch noch erledigt
Vielleicht sind wir nicht günstiger als ein Discounter oder reiner Online-Kartonschieber, aber sicherlich besser !
Normkonforme Beratung und Bau sind bei uns selbstverständlich.
Sat-Shop Heilbronn Kunden können sich auch nach dem Kauf auf unseren besten Service verlassen
Hier im Forum wird kein After-Sales-Support für Fremdkäufe geleistet !! Wenden Sie sich dazu an ihren Verkäufer ......
Tristan Uhde / Satanlagen Onlineshop / SAT-Shop Heilbronn
https://www.satshop-heilbronn.de (SSL) / SAT-Onlineforum https://www.satanlagenforum.de (SSL)
Tel ------ (Fragen gehören ins Forum ! Den nur hier können sie richtig bearbeitet werden, auch was hier noch nicht von A-Z genau schon erklärt/behandelt ist ) .. Dieser Hinweis weil täglich dutzende Fragen per Email oder per PM über das Forum rein kommen die noch dazu inhaltlich nicht das intus haben das man etwas dazu sagen könnte.
Wichtiger Hinweis: Zuständigkeiten verantwortliche Elektrofachkraft (VEFK) und Blitzschutzfachkräfte
Informieren Sie sich dort über Folgen und Auswirkungen von Eigenleistung und lassen Sie selbst durchgeführte Installationen von entsprechender Stelle prüfen und abnehmen. Dafür sind VOR ORT spezielle und qualifizierte Blitzschutz-Fachkräfte notwendig, Ferndiagnosen für Blitzschutz/Erdung können hier NICHT durchgeführt werden ("wie kann ICH das machen ..." oder ähnlich bringt da nichts).
Diese Signatur wächst von Woche zu Woche und enthält immer mehr grundlegende Inhalte die bitte berücksichtigt werden sollten bei bzw. VOR Anfragen !
100% beantwortet werden können nur Anfragen die auch alle relevanten Teile beinhalten die man benötigt für eine Antwort (genaue Beschreibungen/ Angabe von Herstellern/Typen für vorhandenes Material etc.). Bitte vermeiden Sie Aussagen wie "habe viel gelesen, aber versteht das nicht ..." ohne Nennung von dem was Sie gelesen haben und was genau unklar war an den Erklärungen die hier gelesen wurden - den nur dann kann man auch darauf eingehen was event. unklar ist/war.
Bitte unbedingt vor einem Post lesen => Boardregeln / Datenschutz
Wir erteilen hier keine Rechtsberatung, unsere Hinweise sind nach bestem Wissen und bedürfen einer entsprechenden juristischen/technischen weiteren Beratung.
Normkonforme Beratung und Bau sind bei uns selbstverständlich.
Sat-Shop Heilbronn Kunden können sich auch nach dem Kauf auf unseren besten Service verlassen
Hier im Forum wird kein After-Sales-Support für Fremdkäufe geleistet !! Wenden Sie sich dazu an ihren Verkäufer ......
Tristan Uhde / Satanlagen Onlineshop / SAT-Shop Heilbronn
https://www.satshop-heilbronn.de (SSL) / SAT-Onlineforum https://www.satanlagenforum.de (SSL)
Tel ------ (Fragen gehören ins Forum ! Den nur hier können sie richtig bearbeitet werden, auch was hier noch nicht von A-Z genau schon erklärt/behandelt ist ) .. Dieser Hinweis weil täglich dutzende Fragen per Email oder per PM über das Forum rein kommen die noch dazu inhaltlich nicht das intus haben das man etwas dazu sagen könnte.
Wichtiger Hinweis: Zuständigkeiten verantwortliche Elektrofachkraft (VEFK) und Blitzschutzfachkräfte
Informieren Sie sich dort über Folgen und Auswirkungen von Eigenleistung und lassen Sie selbst durchgeführte Installationen von entsprechender Stelle prüfen und abnehmen. Dafür sind VOR ORT spezielle und qualifizierte Blitzschutz-Fachkräfte notwendig, Ferndiagnosen für Blitzschutz/Erdung können hier NICHT durchgeführt werden ("wie kann ICH das machen ..." oder ähnlich bringt da nichts).
Diese Signatur wächst von Woche zu Woche und enthält immer mehr grundlegende Inhalte die bitte berücksichtigt werden sollten bei bzw. VOR Anfragen !
100% beantwortet werden können nur Anfragen die auch alle relevanten Teile beinhalten die man benötigt für eine Antwort (genaue Beschreibungen/ Angabe von Herstellern/Typen für vorhandenes Material etc.). Bitte vermeiden Sie Aussagen wie "habe viel gelesen, aber versteht das nicht ..." ohne Nennung von dem was Sie gelesen haben und was genau unklar war an den Erklärungen die hier gelesen wurden - den nur dann kann man auch darauf eingehen was event. unklar ist/war.
Bitte unbedingt vor einem Post lesen => Boardregeln / Datenschutz
Wir erteilen hier keine Rechtsberatung, unsere Hinweise sind nach bestem Wissen und bedürfen einer entsprechenden juristischen/technischen weiteren Beratung.
-
- postet ab und zu
- Beiträge: 28
- Registriert: 13. Februar 2018 20:13
- Danksagung erhalten: 1 Mal
Re: Umstellung von Kabel auf Unikabel Sat Anlage
Hallo Herr Uhde!
Wie gehts jetzt weiter? Muss ich die Ware jetzt online bestellen?
mfg
Wie gehts jetzt weiter? Muss ich die Ware jetzt online bestellen?
mfg
- techno-com
- Site Admin
- Beiträge: 22429
- Registriert: 17. November 2005 09:32
- Wohnort: 74076 Heilbronn
- Hat sich bedankt: 504 Mal
- Danksagung erhalten: 574 Mal
- Kontaktdaten:
Re: Umstellung von Kabel auf Unikabel Sat Anlage

Ja .... ich wüsste akt. noch nicht einmal was ich hier für eine Antennen-Farbe einpacken sollte

Vielleicht sind wir nicht günstiger als ein Discounter oder reiner Online-Kartonschieber, aber sicherlich besser !
Normkonforme Beratung und Bau sind bei uns selbstverständlich.
Sat-Shop Heilbronn Kunden können sich auch nach dem Kauf auf unseren besten Service verlassen
Hier im Forum wird kein After-Sales-Support für Fremdkäufe geleistet !! Wenden Sie sich dazu an ihren Verkäufer ......
Tristan Uhde / Satanlagen Onlineshop / SAT-Shop Heilbronn
https://www.satshop-heilbronn.de (SSL) / SAT-Onlineforum https://www.satanlagenforum.de (SSL)
Tel ------ (Fragen gehören ins Forum ! Den nur hier können sie richtig bearbeitet werden, auch was hier noch nicht von A-Z genau schon erklärt/behandelt ist ) .. Dieser Hinweis weil täglich dutzende Fragen per Email oder per PM über das Forum rein kommen die noch dazu inhaltlich nicht das intus haben das man etwas dazu sagen könnte.
Wichtiger Hinweis: Zuständigkeiten verantwortliche Elektrofachkraft (VEFK) und Blitzschutzfachkräfte
Informieren Sie sich dort über Folgen und Auswirkungen von Eigenleistung und lassen Sie selbst durchgeführte Installationen von entsprechender Stelle prüfen und abnehmen. Dafür sind VOR ORT spezielle und qualifizierte Blitzschutz-Fachkräfte notwendig, Ferndiagnosen für Blitzschutz/Erdung können hier NICHT durchgeführt werden ("wie kann ICH das machen ..." oder ähnlich bringt da nichts).
Diese Signatur wächst von Woche zu Woche und enthält immer mehr grundlegende Inhalte die bitte berücksichtigt werden sollten bei bzw. VOR Anfragen !
100% beantwortet werden können nur Anfragen die auch alle relevanten Teile beinhalten die man benötigt für eine Antwort (genaue Beschreibungen/ Angabe von Herstellern/Typen für vorhandenes Material etc.). Bitte vermeiden Sie Aussagen wie "habe viel gelesen, aber versteht das nicht ..." ohne Nennung von dem was Sie gelesen haben und was genau unklar war an den Erklärungen die hier gelesen wurden - den nur dann kann man auch darauf eingehen was event. unklar ist/war.
Bitte unbedingt vor einem Post lesen => Boardregeln / Datenschutz
Wir erteilen hier keine Rechtsberatung, unsere Hinweise sind nach bestem Wissen und bedürfen einer entsprechenden juristischen/technischen weiteren Beratung.
Normkonforme Beratung und Bau sind bei uns selbstverständlich.
Sat-Shop Heilbronn Kunden können sich auch nach dem Kauf auf unseren besten Service verlassen
Hier im Forum wird kein After-Sales-Support für Fremdkäufe geleistet !! Wenden Sie sich dazu an ihren Verkäufer ......
Tristan Uhde / Satanlagen Onlineshop / SAT-Shop Heilbronn
https://www.satshop-heilbronn.de (SSL) / SAT-Onlineforum https://www.satanlagenforum.de (SSL)
Tel ------ (Fragen gehören ins Forum ! Den nur hier können sie richtig bearbeitet werden, auch was hier noch nicht von A-Z genau schon erklärt/behandelt ist ) .. Dieser Hinweis weil täglich dutzende Fragen per Email oder per PM über das Forum rein kommen die noch dazu inhaltlich nicht das intus haben das man etwas dazu sagen könnte.
Wichtiger Hinweis: Zuständigkeiten verantwortliche Elektrofachkraft (VEFK) und Blitzschutzfachkräfte
Informieren Sie sich dort über Folgen und Auswirkungen von Eigenleistung und lassen Sie selbst durchgeführte Installationen von entsprechender Stelle prüfen und abnehmen. Dafür sind VOR ORT spezielle und qualifizierte Blitzschutz-Fachkräfte notwendig, Ferndiagnosen für Blitzschutz/Erdung können hier NICHT durchgeführt werden ("wie kann ICH das machen ..." oder ähnlich bringt da nichts).
Diese Signatur wächst von Woche zu Woche und enthält immer mehr grundlegende Inhalte die bitte berücksichtigt werden sollten bei bzw. VOR Anfragen !
100% beantwortet werden können nur Anfragen die auch alle relevanten Teile beinhalten die man benötigt für eine Antwort (genaue Beschreibungen/ Angabe von Herstellern/Typen für vorhandenes Material etc.). Bitte vermeiden Sie Aussagen wie "habe viel gelesen, aber versteht das nicht ..." ohne Nennung von dem was Sie gelesen haben und was genau unklar war an den Erklärungen die hier gelesen wurden - den nur dann kann man auch darauf eingehen was event. unklar ist/war.
Bitte unbedingt vor einem Post lesen => Boardregeln / Datenschutz
Wir erteilen hier keine Rechtsberatung, unsere Hinweise sind nach bestem Wissen und bedürfen einer entsprechenden juristischen/technischen weiteren Beratung.
- techno-com
- Site Admin
- Beiträge: 22429
- Registriert: 17. November 2005 09:32
- Wohnort: 74076 Heilbronn
- Hat sich bedankt: 504 Mal
- Danksagung erhalten: 574 Mal
- Kontaktdaten:
Re: Umstellung von Kabel auf Unikabel Sat Anlage
Vielen Dank für ihre Bestellung
Für die Vollständigkeit vom Beitrag hier noch ein Screenshot davon: Wünsche dann mal
1 Sache ist für mich noch zu bemerken ! In ihrem Schreiben immer hier im Forum hatten sie das im Schaltschrank montiert gewünscht, also nicht nur auf der Lochblechplatte. Jetzt in der Bestellung war aber der Schaltschrank nicht mit bestelle ! Daher hier der Hinweis, ggf. haben sie das vergessen ?

Für die Vollständigkeit vom Beitrag hier noch ein Screenshot davon: Wünsche dann mal

1 Sache ist für mich noch zu bemerken ! In ihrem Schreiben immer hier im Forum hatten sie das im Schaltschrank montiert gewünscht, also nicht nur auf der Lochblechplatte. Jetzt in der Bestellung war aber der Schaltschrank nicht mit bestelle ! Daher hier der Hinweis, ggf. haben sie das vergessen ?
Vielleicht sind wir nicht günstiger als ein Discounter oder reiner Online-Kartonschieber, aber sicherlich besser !
Normkonforme Beratung und Bau sind bei uns selbstverständlich.
Sat-Shop Heilbronn Kunden können sich auch nach dem Kauf auf unseren besten Service verlassen
Hier im Forum wird kein After-Sales-Support für Fremdkäufe geleistet !! Wenden Sie sich dazu an ihren Verkäufer ......
Tristan Uhde / Satanlagen Onlineshop / SAT-Shop Heilbronn
https://www.satshop-heilbronn.de (SSL) / SAT-Onlineforum https://www.satanlagenforum.de (SSL)
Tel ------ (Fragen gehören ins Forum ! Den nur hier können sie richtig bearbeitet werden, auch was hier noch nicht von A-Z genau schon erklärt/behandelt ist ) .. Dieser Hinweis weil täglich dutzende Fragen per Email oder per PM über das Forum rein kommen die noch dazu inhaltlich nicht das intus haben das man etwas dazu sagen könnte.
Wichtiger Hinweis: Zuständigkeiten verantwortliche Elektrofachkraft (VEFK) und Blitzschutzfachkräfte
Informieren Sie sich dort über Folgen und Auswirkungen von Eigenleistung und lassen Sie selbst durchgeführte Installationen von entsprechender Stelle prüfen und abnehmen. Dafür sind VOR ORT spezielle und qualifizierte Blitzschutz-Fachkräfte notwendig, Ferndiagnosen für Blitzschutz/Erdung können hier NICHT durchgeführt werden ("wie kann ICH das machen ..." oder ähnlich bringt da nichts).
Diese Signatur wächst von Woche zu Woche und enthält immer mehr grundlegende Inhalte die bitte berücksichtigt werden sollten bei bzw. VOR Anfragen !
100% beantwortet werden können nur Anfragen die auch alle relevanten Teile beinhalten die man benötigt für eine Antwort (genaue Beschreibungen/ Angabe von Herstellern/Typen für vorhandenes Material etc.). Bitte vermeiden Sie Aussagen wie "habe viel gelesen, aber versteht das nicht ..." ohne Nennung von dem was Sie gelesen haben und was genau unklar war an den Erklärungen die hier gelesen wurden - den nur dann kann man auch darauf eingehen was event. unklar ist/war.
Bitte unbedingt vor einem Post lesen => Boardregeln / Datenschutz
Wir erteilen hier keine Rechtsberatung, unsere Hinweise sind nach bestem Wissen und bedürfen einer entsprechenden juristischen/technischen weiteren Beratung.
Normkonforme Beratung und Bau sind bei uns selbstverständlich.
Sat-Shop Heilbronn Kunden können sich auch nach dem Kauf auf unseren besten Service verlassen
Hier im Forum wird kein After-Sales-Support für Fremdkäufe geleistet !! Wenden Sie sich dazu an ihren Verkäufer ......
Tristan Uhde / Satanlagen Onlineshop / SAT-Shop Heilbronn
https://www.satshop-heilbronn.de (SSL) / SAT-Onlineforum https://www.satanlagenforum.de (SSL)
Tel ------ (Fragen gehören ins Forum ! Den nur hier können sie richtig bearbeitet werden, auch was hier noch nicht von A-Z genau schon erklärt/behandelt ist ) .. Dieser Hinweis weil täglich dutzende Fragen per Email oder per PM über das Forum rein kommen die noch dazu inhaltlich nicht das intus haben das man etwas dazu sagen könnte.
Wichtiger Hinweis: Zuständigkeiten verantwortliche Elektrofachkraft (VEFK) und Blitzschutzfachkräfte
Informieren Sie sich dort über Folgen und Auswirkungen von Eigenleistung und lassen Sie selbst durchgeführte Installationen von entsprechender Stelle prüfen und abnehmen. Dafür sind VOR ORT spezielle und qualifizierte Blitzschutz-Fachkräfte notwendig, Ferndiagnosen für Blitzschutz/Erdung können hier NICHT durchgeführt werden ("wie kann ICH das machen ..." oder ähnlich bringt da nichts).
Diese Signatur wächst von Woche zu Woche und enthält immer mehr grundlegende Inhalte die bitte berücksichtigt werden sollten bei bzw. VOR Anfragen !
100% beantwortet werden können nur Anfragen die auch alle relevanten Teile beinhalten die man benötigt für eine Antwort (genaue Beschreibungen/ Angabe von Herstellern/Typen für vorhandenes Material etc.). Bitte vermeiden Sie Aussagen wie "habe viel gelesen, aber versteht das nicht ..." ohne Nennung von dem was Sie gelesen haben und was genau unklar war an den Erklärungen die hier gelesen wurden - den nur dann kann man auch darauf eingehen was event. unklar ist/war.
Bitte unbedingt vor einem Post lesen => Boardregeln / Datenschutz
Wir erteilen hier keine Rechtsberatung, unsere Hinweise sind nach bestem Wissen und bedürfen einer entsprechenden juristischen/technischen weiteren Beratung.
-
- postet ab und zu
- Beiträge: 28
- Registriert: 13. Februar 2018 20:13
- Danksagung erhalten: 1 Mal
Re: Umstellung von Kabel auf Unikabel Sat Anlage
Hallo Herr Uhde!
Den Schaltschrank habe ich nicht vergessen aber leider zu wenig Platz dafür. Was ich aber vergessen habe, ist einen ersten SAT-Receiver zu bestellen. Der VU+ Solo 4k hätte mich angesprochen, der ist aber nicht verfügbar. Meine Frage ist , wie lange ist er nicht verfügbar oder gibt es einen äquivalenten, den Sie mir empfehlen können. Der Ultimo ist mir etwas zu teuer, ich würde aber gerne einen Receiver der VU+ Serie nehmen, der UHD Auflösung kann.
Freundliche Grüße
Heinz Weiländer
Den Schaltschrank habe ich nicht vergessen aber leider zu wenig Platz dafür. Was ich aber vergessen habe, ist einen ersten SAT-Receiver zu bestellen. Der VU+ Solo 4k hätte mich angesprochen, der ist aber nicht verfügbar. Meine Frage ist , wie lange ist er nicht verfügbar oder gibt es einen äquivalenten, den Sie mir empfehlen können. Der Ultimo ist mir etwas zu teuer, ich würde aber gerne einen Receiver der VU+ Serie nehmen, der UHD Auflösung kann.
Freundliche Grüße
Heinz Weiländer
- techno-com
- Site Admin
- Beiträge: 22429
- Registriert: 17. November 2005 09:32
- Wohnort: 74076 Heilbronn
- Hat sich bedankt: 504 Mal
- Danksagung erhalten: 574 Mal
- Kontaktdaten:
Re: Umstellung von Kabel auf Unikabel Sat Anlage
Hallohweilaender hat geschrieben:Hallo Herr Uhde!

hweilaender hat geschrieben:Den Schaltschrank habe ich nicht vergessen aber leider zu wenig Platz dafür.

Hier jetzt einen mit versenden geht nicht, alles schon fertig verpackt und geht heute auch mit der nächsten Abholung schon raus.hweilaender hat geschrieben:Was ich aber vergessen habe, ist einen ersten SAT-Receiver zu bestellen.
Eine Solo 4k hätte ich noch als Vorführgerät hier stehen in der Aussstellung, da muss ich mal schauen wie aktuell die ist und was an der ggf. an Benutzungsspuren dran ist ...hweilaender hat geschrieben:Der VU+ Solo 4k hätte mich angesprochen, der ist aber nicht verfügbar. Meine Frage ist , wie lange ist er nicht verfügbar oder gibt es einen äquivalenten, den Sie mir empfehlen können. Der Ultimo ist mir etwas zu teuer, ich würde aber gerne einen Receiver der VU+ Serie nehmen, der UHD Auflösung kann.
Alternativ gäbe es noch die neue Uno 4k SE.
Auch für diese bieten wir die "Vorprogrammierung" an, dann müsste ich aber genau wissen welche ID/UB/Frequenz für diese Box dann bei ihnen reserviert ist.
Vielleicht sind wir nicht günstiger als ein Discounter oder reiner Online-Kartonschieber, aber sicherlich besser !
Normkonforme Beratung und Bau sind bei uns selbstverständlich.
Sat-Shop Heilbronn Kunden können sich auch nach dem Kauf auf unseren besten Service verlassen
Hier im Forum wird kein After-Sales-Support für Fremdkäufe geleistet !! Wenden Sie sich dazu an ihren Verkäufer ......
Tristan Uhde / Satanlagen Onlineshop / SAT-Shop Heilbronn
https://www.satshop-heilbronn.de (SSL) / SAT-Onlineforum https://www.satanlagenforum.de (SSL)
Tel ------ (Fragen gehören ins Forum ! Den nur hier können sie richtig bearbeitet werden, auch was hier noch nicht von A-Z genau schon erklärt/behandelt ist ) .. Dieser Hinweis weil täglich dutzende Fragen per Email oder per PM über das Forum rein kommen die noch dazu inhaltlich nicht das intus haben das man etwas dazu sagen könnte.
Wichtiger Hinweis: Zuständigkeiten verantwortliche Elektrofachkraft (VEFK) und Blitzschutzfachkräfte
Informieren Sie sich dort über Folgen und Auswirkungen von Eigenleistung und lassen Sie selbst durchgeführte Installationen von entsprechender Stelle prüfen und abnehmen. Dafür sind VOR ORT spezielle und qualifizierte Blitzschutz-Fachkräfte notwendig, Ferndiagnosen für Blitzschutz/Erdung können hier NICHT durchgeführt werden ("wie kann ICH das machen ..." oder ähnlich bringt da nichts).
Diese Signatur wächst von Woche zu Woche und enthält immer mehr grundlegende Inhalte die bitte berücksichtigt werden sollten bei bzw. VOR Anfragen !
100% beantwortet werden können nur Anfragen die auch alle relevanten Teile beinhalten die man benötigt für eine Antwort (genaue Beschreibungen/ Angabe von Herstellern/Typen für vorhandenes Material etc.). Bitte vermeiden Sie Aussagen wie "habe viel gelesen, aber versteht das nicht ..." ohne Nennung von dem was Sie gelesen haben und was genau unklar war an den Erklärungen die hier gelesen wurden - den nur dann kann man auch darauf eingehen was event. unklar ist/war.
Bitte unbedingt vor einem Post lesen => Boardregeln / Datenschutz
Wir erteilen hier keine Rechtsberatung, unsere Hinweise sind nach bestem Wissen und bedürfen einer entsprechenden juristischen/technischen weiteren Beratung.
Normkonforme Beratung und Bau sind bei uns selbstverständlich.
Sat-Shop Heilbronn Kunden können sich auch nach dem Kauf auf unseren besten Service verlassen
Hier im Forum wird kein After-Sales-Support für Fremdkäufe geleistet !! Wenden Sie sich dazu an ihren Verkäufer ......
Tristan Uhde / Satanlagen Onlineshop / SAT-Shop Heilbronn
https://www.satshop-heilbronn.de (SSL) / SAT-Onlineforum https://www.satanlagenforum.de (SSL)
Tel ------ (Fragen gehören ins Forum ! Den nur hier können sie richtig bearbeitet werden, auch was hier noch nicht von A-Z genau schon erklärt/behandelt ist ) .. Dieser Hinweis weil täglich dutzende Fragen per Email oder per PM über das Forum rein kommen die noch dazu inhaltlich nicht das intus haben das man etwas dazu sagen könnte.
Wichtiger Hinweis: Zuständigkeiten verantwortliche Elektrofachkraft (VEFK) und Blitzschutzfachkräfte
Informieren Sie sich dort über Folgen und Auswirkungen von Eigenleistung und lassen Sie selbst durchgeführte Installationen von entsprechender Stelle prüfen und abnehmen. Dafür sind VOR ORT spezielle und qualifizierte Blitzschutz-Fachkräfte notwendig, Ferndiagnosen für Blitzschutz/Erdung können hier NICHT durchgeführt werden ("wie kann ICH das machen ..." oder ähnlich bringt da nichts).
Diese Signatur wächst von Woche zu Woche und enthält immer mehr grundlegende Inhalte die bitte berücksichtigt werden sollten bei bzw. VOR Anfragen !
100% beantwortet werden können nur Anfragen die auch alle relevanten Teile beinhalten die man benötigt für eine Antwort (genaue Beschreibungen/ Angabe von Herstellern/Typen für vorhandenes Material etc.). Bitte vermeiden Sie Aussagen wie "habe viel gelesen, aber versteht das nicht ..." ohne Nennung von dem was Sie gelesen haben und was genau unklar war an den Erklärungen die hier gelesen wurden - den nur dann kann man auch darauf eingehen was event. unklar ist/war.
Bitte unbedingt vor einem Post lesen => Boardregeln / Datenschutz
Wir erteilen hier keine Rechtsberatung, unsere Hinweise sind nach bestem Wissen und bedürfen einer entsprechenden juristischen/technischen weiteren Beratung.
-
- postet ab und zu
- Beiträge: 28
- Registriert: 13. Februar 2018 20:13
- Danksagung erhalten: 1 Mal
Re: Umstellung von Kabel auf Unikabel Sat Anlage
Hallo Herr Uhde
Das mit der Solo 4k klingt gut. Wenn die noch in Ordnung ist , hätte ich interesse. Bräuchte dann noch eine Festplatte mit 1TB und auch die Vorprogrammierung würde ich in Anspruch nehmen. Soweit ich das mitbekommen habe, werden die ID bzw. UB und Frequenzen doch am Multischalter konfiguriert und ich muß den von Ihnen vorkonfigurierten Receiver mit der entsprechenden ID/UB/Frequenz nur am richtigen Port des Multischalters anschließen oder irre ich mich da und es geht nicht so einfach.
Freundliche Grüße
Heinz Weiländer
Das mit der Solo 4k klingt gut. Wenn die noch in Ordnung ist , hätte ich interesse. Bräuchte dann noch eine Festplatte mit 1TB und auch die Vorprogrammierung würde ich in Anspruch nehmen. Soweit ich das mitbekommen habe, werden die ID bzw. UB und Frequenzen doch am Multischalter konfiguriert und ich muß den von Ihnen vorkonfigurierten Receiver mit der entsprechenden ID/UB/Frequenz nur am richtigen Port des Multischalters anschließen oder irre ich mich da und es geht nicht so einfach.
Freundliche Grüße
Heinz Weiländer
Re: Umstellung von Kabel auf Unikabel Sat Anlage
Nicht ganz. Der Multischalter ist so programmiert, dass beim JPS0504-8T an jedem Ausgangsport A, B, C, D jeweils die gleichen 8 ID/Frequenz-Kombinationen anliegen, D.h. es spielt keine Rolle, an welchem Port der Receiver angeschlossen wird. Dem Receiver werden lediglich im Menu eine oder mehrere ID/Frequenzen (abhängig von der Tuneranzahl) zugewiesen. Also kann ich an jedem Port bis zu 8 Tuner anschliessen. An welcher Dose (WZ, SZ, Sauna, Wäsche) ich schlussendlich den/die Receiver anschliesse, spielt keine Rolle, es können einfach nicht mehr als 8 IDs am gleichen Port betrieben werden.
Beispiele:
Port A: 1 VU-Box mit FCB-Tuner (=8 IDs)
Port B: 4 Twin-Receiver ( je 2 IDs), der 1. z.B. ID 1/2, der 2. 3/4 usw.
Durch die Zuweisung der spezifischen ID/Frequenz-Kombinationen können sich so die Receiver bzw. Tuner nicht gegenseitig stören.
Am gleichen Port angeschlossen, dürfen 2 Receiver/Tuner nie die gleichen Kombinationen aufweisen.
Hr. Uhde möchte jetzt einfach wissen, welche IDs sie dem Receiver zugewiesen haben möchten.
Gruss
Guido
Beispiele:
Port A: 1 VU-Box mit FCB-Tuner (=8 IDs)
Port B: 4 Twin-Receiver ( je 2 IDs), der 1. z.B. ID 1/2, der 2. 3/4 usw.
Durch die Zuweisung der spezifischen ID/Frequenz-Kombinationen können sich so die Receiver bzw. Tuner nicht gegenseitig stören.
Am gleichen Port angeschlossen, dürfen 2 Receiver/Tuner nie die gleichen Kombinationen aufweisen.
Hr. Uhde möchte jetzt einfach wissen, welche IDs sie dem Receiver zugewiesen haben möchten.
Gruss
Guido
-
- postet ab und zu
- Beiträge: 28
- Registriert: 13. Februar 2018 20:13
- Danksagung erhalten: 1 Mal
Re: Umstellung von Kabel auf Unikabel Sat Anlage
Hallo,
soweit ich das hoffentlich verstanden habe, hat der JPS5004-8T vier Ports zur Verfügung, die mit jeweils 8 IDs (=8 verschiedenen Frequenzen) ausgestattet sind. Da es sich sowohl bei der Solo 4k als auch bei der Uno 4k laut Beschreibung um Twin-Receiver handelt, nehme ich an, dass pro Port 2 IDs benötigt werden. In diesem Fall möchte ich dem Receiver, der im Wohnzimmer des Erdgeschosses stehen wird, einfach die ID1/2 zuordnen. Derzeit ist nicht geplant, auf dieser Linie (Port) einen weiteren Receiver zu betreiben.
Ich hoffe, dass ich nicht zu viele Fehler bei meinen Überlegungen gemacht habe.
Freundliche Grüße
Heinz Weiländer
soweit ich das hoffentlich verstanden habe, hat der JPS5004-8T vier Ports zur Verfügung, die mit jeweils 8 IDs (=8 verschiedenen Frequenzen) ausgestattet sind. Da es sich sowohl bei der Solo 4k als auch bei der Uno 4k laut Beschreibung um Twin-Receiver handelt, nehme ich an, dass pro Port 2 IDs benötigt werden. In diesem Fall möchte ich dem Receiver, der im Wohnzimmer des Erdgeschosses stehen wird, einfach die ID1/2 zuordnen. Derzeit ist nicht geplant, auf dieser Linie (Port) einen weiteren Receiver zu betreiben.
Ich hoffe, dass ich nicht zu viele Fehler bei meinen Überlegungen gemacht habe.
Freundliche Grüße
Heinz Weiländer
-
- Related Topics
- Antworten
- Zugriffe
- Letzter Beitrag
-
- 8 Antworten
- 1162 Zugriffe
-
Letzter Beitrag von techno-com
Neuester Beitrag
11. November 2024 13:22
Fragen zu digitalen SAT- Einkabelsystemen
-
- 54 Antworten
- 9032 Zugriffe
-
Letzter Beitrag von Lutz-Nds
Neuester Beitrag
12. April 2024 19:20
Fragen zu digitalen SAT- Einkabelsystemen
-
- 1 Antworten
- 1043 Zugriffe
-
Letzter Beitrag von techno-com
Neuester Beitrag
27. November 2023 07:46
Mülleimer
-
-
Umstellung auf Unicable/Legacy Jultec JPS502-8+T4
Dateianhang von gratitude182 » 31. Oktober 2022 10:32 - 12 Antworten
- 3018 Zugriffe
-
Letzter Beitrag von gratitude182
Neuester Beitrag
3. Juli 2023 11:09
Fragen zu digitalen SAT- Einkabelsystemen
-
-
- 2 Antworten
- 2352 Zugriffe
-
Letzter Beitrag von techno-com
Neuester Beitrag
7. September 2022 12:07
Satelliten- News (Sat-DX)
-
- 0 Antworten
- 6643 Zugriffe
-
Letzter Beitrag von techno-com
Neuester Beitrag
6. Oktober 2021 08:17
Satelliten- News (Sat-DX)
-
- 1 Antworten
- 792 Zugriffe
-
Letzter Beitrag von techno-com
Neuester Beitrag
7. Juni 2021 13:18
Mülleimer
-
- 13 Antworten
- 2577 Zugriffe
-
Letzter Beitrag von raceroad
Neuester Beitrag
24. Juni 2021 22:58
Fragen zu digitalen SAT- Einkabelsystemen
-
- 5 Antworten
- 1000 Zugriffe
-
Letzter Beitrag von techno-com
Neuester Beitrag
8. Mai 2021 19:22
Mülleimer
-
-
Umstellung Legacy Sternverkabelung 10x auf Unicable evtl. auch nur einzelne Anschlüsse.
Dateianhang von Manfred_XYZ » 7. April 2021 21:59 - 5 Antworten
- 1484 Zugriffe
-
Letzter Beitrag von techno-com
Neuester Beitrag
14. Mai 2021 12:50
Mülleimer
-