Neubau Flachdach - 3 Etagen - 11 Teilnehmer
Neubau Flachdach - 3 Etagen - 11 Teilnehmer
Hallo zusammen,
ich bin auf euer Forum bei der Planung unserer Sat-Anlage gestoßen und würde mir etwas Unterstützung wünschen. Wir bauen aktuell ein neues 3 geschossiges (UG,EG,OG) Flachdach Haus und möchten eine Sat-Anlage verbauen. Im Flachdach wurden bereits die notwendigen Schwanenhälse zur Leitungsdurchführung vorgesehen.
Meine Planung sieht im Moment die folgenden Einzelheiten vor:
- Im Rohbau wird an 2 Seiten der äußere Blitzschutz (1x16 mm² NYY im Schutzrohr) aufs Dach geführt, dieser ist direkt außen an den Fundament- und Ringerder angeschlossen
- Unterhalb der Sat-Anlage befindet sich direkt ein Abstellraum indem ebenfalls der OG-Etagenverteiler untergebracht wird
- Der OG-Etagenverteiler wird über 5x16 mm² versorgt und die Verbindung geht bis zum Hausanschlussraum im Keller (Leitungslänge ca. 22 m)
- Somit könnten die Sat-Kabel direkt nach der Deckendurchführung auf eine PE-Schiene mit Verbindung zum Ringerder geführt werden
- Zusätzlich würde ein Potentialausgleich (mind. 1x4 mm²) ebenfalls von der Antenne direkt zur PE-Schiene (im OG) geführt werden - (Strecke max. 3 m)
- Der Blitzschutz sollte eigentlich klar sein - Auch wenn dies hier nicht einzeln aufgeschlüsselt wurde - Die einzelnen Komponenten (bzgl. Antennenmast, Fangstange etc.) benötige ich natürlich trotzdem. Als Hinweis weise ich daraufhin, dass ein Mantelsteinkamin in unmittelbarer Nähe - ca. 2m daneben und mit einer Höhe von ca. 1,5m über Oberkante Dachabdichtung steht.
- Im UG werden 2 Anschlüsse benötigt (1 zusätzliche Durchgangsdosen - Die dienen nur dazu, wenn der Fernseher anders positioniert wird als in der Planung vorgesehen)
- Im EG werden 6 Anschlüsse benötigt (1 zusätzliche Durchgangsdosen) - Alleine 5 davon im Wohnzimmer + 1x ArbeitsZi
- Im OG werden 3 Anschlüsse benötigt (2 zusätzliche Durchgangsdosen) - 2x KiZi und 1x ElternZi
Mein Plan sieht nun eigentlich vor, dass ich 2 LNB an einer Antenne verbaue. 1x Quadro LNB für UG/EG und 1X Quad LNB für die Anschlüsse im OG. Dann würden 8 Leitungen von der Antenne in den OG-Verteilerraum geführt werden. Der Grund ist, dass ich es umständlich finde, zunächst nur 1 Quadro LNB zu verbauen, die 4 Leitungen dann bis in den Technikraum im UG zu führen und dann wiederum 3-4 Leitungen wieder ins OG zu führen (ca. 100m mehr Kabel). Vorteil wäre aus meiner Sicht auch, dass ich anstelle eines 12-fach Multischalters nur einen 8-fach Multischalter im UG benötige. Außerdem ist meine Elektrische Trennung (KNX-Bussystem) zwischen UG/EG und OG auch im Sat-Bereich fortgeführt. Den LAN-Bereich habe ich noch nicht abschließend geplant.
Bzgl. des Materials würde ich gerne alle Materialien von Euch beziehen - Der befreundete Elektriker würde die Leitungen mit mir zusammen verziehen und hat vorgeschlagen, dass ich bauseits Preisner COAX SK-2000 Plus besorge.
Vielen Dank im Voraus und viele Grüße
ich bin auf euer Forum bei der Planung unserer Sat-Anlage gestoßen und würde mir etwas Unterstützung wünschen. Wir bauen aktuell ein neues 3 geschossiges (UG,EG,OG) Flachdach Haus und möchten eine Sat-Anlage verbauen. Im Flachdach wurden bereits die notwendigen Schwanenhälse zur Leitungsdurchführung vorgesehen.
Meine Planung sieht im Moment die folgenden Einzelheiten vor:
- Im Rohbau wird an 2 Seiten der äußere Blitzschutz (1x16 mm² NYY im Schutzrohr) aufs Dach geführt, dieser ist direkt außen an den Fundament- und Ringerder angeschlossen
- Unterhalb der Sat-Anlage befindet sich direkt ein Abstellraum indem ebenfalls der OG-Etagenverteiler untergebracht wird
- Der OG-Etagenverteiler wird über 5x16 mm² versorgt und die Verbindung geht bis zum Hausanschlussraum im Keller (Leitungslänge ca. 22 m)
- Somit könnten die Sat-Kabel direkt nach der Deckendurchführung auf eine PE-Schiene mit Verbindung zum Ringerder geführt werden
- Zusätzlich würde ein Potentialausgleich (mind. 1x4 mm²) ebenfalls von der Antenne direkt zur PE-Schiene (im OG) geführt werden - (Strecke max. 3 m)
- Der Blitzschutz sollte eigentlich klar sein - Auch wenn dies hier nicht einzeln aufgeschlüsselt wurde - Die einzelnen Komponenten (bzgl. Antennenmast, Fangstange etc.) benötige ich natürlich trotzdem. Als Hinweis weise ich daraufhin, dass ein Mantelsteinkamin in unmittelbarer Nähe - ca. 2m daneben und mit einer Höhe von ca. 1,5m über Oberkante Dachabdichtung steht.
- Im UG werden 2 Anschlüsse benötigt (1 zusätzliche Durchgangsdosen - Die dienen nur dazu, wenn der Fernseher anders positioniert wird als in der Planung vorgesehen)
- Im EG werden 6 Anschlüsse benötigt (1 zusätzliche Durchgangsdosen) - Alleine 5 davon im Wohnzimmer + 1x ArbeitsZi
- Im OG werden 3 Anschlüsse benötigt (2 zusätzliche Durchgangsdosen) - 2x KiZi und 1x ElternZi
Mein Plan sieht nun eigentlich vor, dass ich 2 LNB an einer Antenne verbaue. 1x Quadro LNB für UG/EG und 1X Quad LNB für die Anschlüsse im OG. Dann würden 8 Leitungen von der Antenne in den OG-Verteilerraum geführt werden. Der Grund ist, dass ich es umständlich finde, zunächst nur 1 Quadro LNB zu verbauen, die 4 Leitungen dann bis in den Technikraum im UG zu führen und dann wiederum 3-4 Leitungen wieder ins OG zu führen (ca. 100m mehr Kabel). Vorteil wäre aus meiner Sicht auch, dass ich anstelle eines 12-fach Multischalters nur einen 8-fach Multischalter im UG benötige. Außerdem ist meine Elektrische Trennung (KNX-Bussystem) zwischen UG/EG und OG auch im Sat-Bereich fortgeführt. Den LAN-Bereich habe ich noch nicht abschließend geplant.
Bzgl. des Materials würde ich gerne alle Materialien von Euch beziehen - Der befreundete Elektriker würde die Leitungen mit mir zusammen verziehen und hat vorgeschlagen, dass ich bauseits Preisner COAX SK-2000 Plus besorge.
Vielen Dank im Voraus und viele Grüße
- techno-com
- Site Admin
- Beiträge: 22429
- Registriert: 17. November 2005 09:32
- Wohnort: 74076 Heilbronn
- Hat sich bedankt: 504 Mal
- Danksagung erhalten: 574 Mal
- Kontaktdaten:
Re: Neubau Flachdach - 3 Etagen - 11 Teilnehmer
Hallo und

Was hatten sie den bisher hier gelesen und was war daran unklar ? Nur wenn sie mir das genau sagen kann ich darauf auch genau eingehen.Joelnikal hat geschrieben: 11. Mai 2023 09:29ich bin auf euer Forum bei der Planung unserer Sat-Anlage gestoßen und würde mir etwas Unterstützung wünschen.
Fangen wir mal hier mittendrin an

Verstehe ich wirklich absolut nichtJoelnikal hat geschrieben: 11. Mai 2023 09:29- Im UG werden 2 Anschlüsse benötigt (1 zusätzliche Durchgangsdosen - Die dienen nur dazu, wenn der Fernseher anders positioniert wird als in der Planung vorgesehen)
- Im EG werden 6 Anschlüsse benötigt (1 zusätzliche Durchgangsdosen) - Alleine 5 davon im Wohnzimmer + 1x ArbeitsZi
- Im OG werden 3 Anschlüsse benötigt (2 zusätzliche Durchgangsdosen) - 2x KiZi und 1x ElternZi

Es ist immer sehr gut wenn man einen Kabelplan zeichnet, wie eigentilch in allen anderen Beiträgen zu sehen ... das hilft einem sehr dabei in einem Forum zu ersehen wie die Planung genau ist.
Ich verstehe aber wirklich nicht was im Wohnzimmer 5 "Anschlüsse" sind ... 5 verschiedene Positionen im Zimmer mit jeweils einer Single-Versorgung ? Dann fehlt dort ja schon die Twin-Versorgung ( tag/Twin-Versorgung ). Den "Anschlüsse" sind nicht gleich "Teilnehmer"

Warum Durchgangsdosen, dazu fehlt mir die Erklärung ! Soll das gemacht werden für hier z.B. das Arbeitszimmer im EG und die Kinderzimmer im OG dass man in diesen Zimmern 2 Positionen hat und das über nur ein Kabel "durchverbunden" werden soll (das man an einer dieser Stellen eine Versorgung herstellen kann ?). Das wäre richtig ... aber in einer Zeichnung drin einfach einfacher zu verstehen was das Vorhaben in jedem Zimmer wirklich ist ...
Guter Beitrag der so etwas erklärt (und noch viel viel mehr) => Sat-Anlage in Haus von 1907 komplett erneuern + Kaufberatung + Planung Satanlage Neubau
2 LNBs für eine Sat-Position geht einfach nicht .....Joelnikal hat geschrieben: 11. Mai 2023 09:29Mein Plan sieht nun eigentlich vor, dass ich 2 LNB an einer Antenne verbaue. 1x Quadro LNB für UG/EG und 1X Quad LNB für die Anschlüsse im OG. Dann würden 8 Leitungen von der Antenne in den OG-Verteilerraum geführt werden.
Das macht man über ein Quattro-LNB an der Antenne (4 Kabel) und das dann kaskadiert aufbaut.Joelnikal hat geschrieben: 11. Mai 2023 09:29Der Grund ist, dass ich es umständlich finde, zunächst nur 1 Quadro LNB zu verbauen, die 4 Leitungen dann bis in den Technikraum im UG zu führen und dann wiederum 3-4 Leitungen wieder ins OG zu führen (ca. 100m mehr Kabel). Vorteil wäre aus meiner Sicht auch, dass ich anstelle eines 12-fach Multischalters nur einen 8-fach Multischalter im UG benötige.
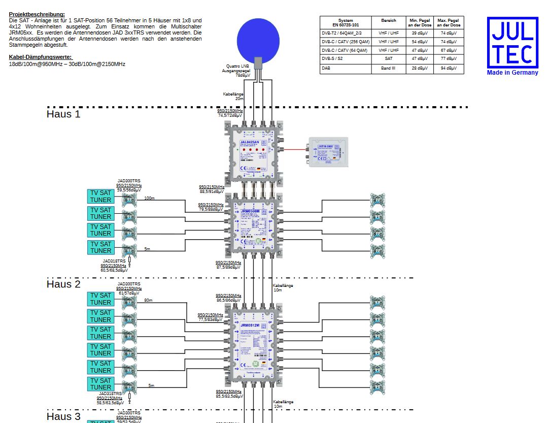
Quelle: Jultec Anwendungsbeispiele - hier finden sie für jede Planung eine Übersicht
1. 1Sat-Pos_56TN_Dezentral_JAL0425AN_JRM05xx.pdf 1 Multischalter Quatro-LNB abgesetzt pro Haus
Der Startverstärker wäre bei ihnen nicht notwendig, der ist erst ab 4-5 kaskadierten Schaltern hintereinander notwendig ... ganzes Bild bei Klick auf den Link zuvor.
2. 1Sat-Pos_32TN_Zentral_JRM0516x.pdf 1 Multischalter Quatro-LNB zentral
Hier müsste man von den Multischaltern aus an jeden Anschluss aus verteilen.
Weitere Beispiele hier aus dem Forum:
Quelle:
Planung Neubau
Kaufberatung Sat-Anlage Komponenten (Hersteller)
Jultec JRM (Legacy) und JPS (Unicable) Schalter kaskadiert im Mischbetrieb
Das ist doch Strom ? Hat mit der Satanlage nichts zu tun .... selbst für die Erdung/den Blitzschutz wäre dieses Kabel dann nicht zulässig !Joelnikal hat geschrieben: 11. Mai 2023 09:29- Der OG-Etagenverteiler wird über 5x16 mm² versorgt und die Verbindung geht bis zum Hausanschlussraum im Keller (Leitungslänge ca. 22 m)
Vom Ring-/Fundamenterder oder von der HES aus muss ein 1x 16mm² Kabel für die Erdung verwendet werden.Joelnikal hat geschrieben: 11. Mai 2023 09:29- Somit könnten die Sat-Kabel direkt nach der Deckendurchführung auf eine PE-Schiene mit Verbindung zum Ringerder geführt werden
Das PA-Kabel muss von der geerdeten Antenne auf den Mast-nahen Potentialausgleich ( tag/Mast-naher-Potentialausgleich ) geführt werden und von dort aus dann zu jedem Multischalter weiter (dort pro Aufbau wieder ein eigener Potentialausgleich) und dann weiter zurück auf die HES.Joelnikal hat geschrieben: 11. Mai 2023 09:29- Zusätzlich würde ein Potentialausgleich (mind. 1x4 mm²) ebenfalls von der Antenne direkt zur PE-Schiene (im OG) geführt werden - (Strecke max. 3 m)
Erklärung: Erdung Satellitenanlage / Antennenmast + Potentialausgleich
Ein Kamin ist für die Durchführung der Antennen-Erdung auf dem Dach irrelevant. Auch irrelevant sind Häuser die ggf. höher sind etc. etc.Joelnikal hat geschrieben: 11. Mai 2023 09:29- Der Blitzschutz sollte eigentlich klar sein - Auch wenn dies hier nicht einzeln aufgeschlüsselt wurde - Die einzelnen Komponenten (bzgl. Antennenmast, Fangstange etc.) benötige ich natürlich trotzdem. Als Hinweis weise ich daraufhin, dass ein Mantelsteinkamin in unmittelbarer Nähe - ca. 2m daneben und mit einer Höhe von ca. 1,5m über Oberkante Dachabdichtung steht.
Verstehe ich nicht was damit gemeint istJoelnikal hat geschrieben: 11. Mai 2023 09:29Außerdem ist meine Elektrische Trennung (KNX-Bussystem) zwischen UG/EG und OG auch im Sat-Bereich fortgeführt. Den LAN-Bereich habe ich noch nicht abschließend geplant.

Vielleicht sind wir nicht günstiger als ein Discounter oder reiner Online-Kartonschieber, aber sicherlich besser !
Normkonforme Beratung und Bau sind bei uns selbstverständlich.
Sat-Shop Heilbronn Kunden können sich auch nach dem Kauf auf unseren besten Service verlassen
Hier im Forum wird kein After-Sales-Support für Fremdkäufe geleistet !! Wenden Sie sich dazu an ihren Verkäufer ......
Tristan Uhde / Satanlagen Onlineshop / SAT-Shop Heilbronn
https://www.satshop-heilbronn.de (SSL) / SAT-Onlineforum https://www.satanlagenforum.de (SSL)
Tel ------ (Fragen gehören ins Forum ! Den nur hier können sie richtig bearbeitet werden, auch was hier noch nicht von A-Z genau schon erklärt/behandelt ist ) .. Dieser Hinweis weil täglich dutzende Fragen per Email oder per PM über das Forum rein kommen die noch dazu inhaltlich nicht das intus haben das man etwas dazu sagen könnte.
Wichtiger Hinweis: Zuständigkeiten verantwortliche Elektrofachkraft (VEFK) und Blitzschutzfachkräfte
Informieren Sie sich dort über Folgen und Auswirkungen von Eigenleistung und lassen Sie selbst durchgeführte Installationen von entsprechender Stelle prüfen und abnehmen. Dafür sind VOR ORT spezielle und qualifizierte Blitzschutz-Fachkräfte notwendig, Ferndiagnosen für Blitzschutz/Erdung können hier NICHT durchgeführt werden ("wie kann ICH das machen ..." oder ähnlich bringt da nichts).
Diese Signatur wächst von Woche zu Woche und enthält immer mehr grundlegende Inhalte die bitte berücksichtigt werden sollten bei bzw. VOR Anfragen !
100% beantwortet werden können nur Anfragen die auch alle relevanten Teile beinhalten die man benötigt für eine Antwort (genaue Beschreibungen/ Angabe von Herstellern/Typen für vorhandenes Material etc.). Bitte vermeiden Sie Aussagen wie "habe viel gelesen, aber versteht das nicht ..." ohne Nennung von dem was Sie gelesen haben und was genau unklar war an den Erklärungen die hier gelesen wurden - den nur dann kann man auch darauf eingehen was event. unklar ist/war.
Bitte unbedingt vor einem Post lesen => Boardregeln / Datenschutz
Wir erteilen hier keine Rechtsberatung, unsere Hinweise sind nach bestem Wissen und bedürfen einer entsprechenden juristischen/technischen weiteren Beratung.
Normkonforme Beratung und Bau sind bei uns selbstverständlich.
Sat-Shop Heilbronn Kunden können sich auch nach dem Kauf auf unseren besten Service verlassen
Hier im Forum wird kein After-Sales-Support für Fremdkäufe geleistet !! Wenden Sie sich dazu an ihren Verkäufer ......
Tristan Uhde / Satanlagen Onlineshop / SAT-Shop Heilbronn
https://www.satshop-heilbronn.de (SSL) / SAT-Onlineforum https://www.satanlagenforum.de (SSL)
Tel ------ (Fragen gehören ins Forum ! Den nur hier können sie richtig bearbeitet werden, auch was hier noch nicht von A-Z genau schon erklärt/behandelt ist ) .. Dieser Hinweis weil täglich dutzende Fragen per Email oder per PM über das Forum rein kommen die noch dazu inhaltlich nicht das intus haben das man etwas dazu sagen könnte.
Wichtiger Hinweis: Zuständigkeiten verantwortliche Elektrofachkraft (VEFK) und Blitzschutzfachkräfte
Informieren Sie sich dort über Folgen und Auswirkungen von Eigenleistung und lassen Sie selbst durchgeführte Installationen von entsprechender Stelle prüfen und abnehmen. Dafür sind VOR ORT spezielle und qualifizierte Blitzschutz-Fachkräfte notwendig, Ferndiagnosen für Blitzschutz/Erdung können hier NICHT durchgeführt werden ("wie kann ICH das machen ..." oder ähnlich bringt da nichts).
Diese Signatur wächst von Woche zu Woche und enthält immer mehr grundlegende Inhalte die bitte berücksichtigt werden sollten bei bzw. VOR Anfragen !
100% beantwortet werden können nur Anfragen die auch alle relevanten Teile beinhalten die man benötigt für eine Antwort (genaue Beschreibungen/ Angabe von Herstellern/Typen für vorhandenes Material etc.). Bitte vermeiden Sie Aussagen wie "habe viel gelesen, aber versteht das nicht ..." ohne Nennung von dem was Sie gelesen haben und was genau unklar war an den Erklärungen die hier gelesen wurden - den nur dann kann man auch darauf eingehen was event. unklar ist/war.
Bitte unbedingt vor einem Post lesen => Boardregeln / Datenschutz
Wir erteilen hier keine Rechtsberatung, unsere Hinweise sind nach bestem Wissen und bedürfen einer entsprechenden juristischen/technischen weiteren Beratung.
Re: Neubau Flachdach - 3 Etagen - 11 Teilnehmer

Mit den beiliegenden Kabelplan sowie der schematischen Zeichnung hoffe ich, dass die Teilnehmer/ Anschlüsse verständlich seien sollten. Die Idee "Durchgangsdosen" zu verwenden rührt daher, dass ich die Multiswitche kleiner halten sowie die Anzahl verlegter Leitungen geringer halten wollte. Aktuell zeichnen wir keine Sendungen auf und benötigen eigentlich keine Zweifach-Abdeckung.
Re: Neubau Flachdach - 3 Etagen - 11 Teilnehmer
Hallo zusammen,
nachdem mein Plan mit 2 LNB's zu arbeiten ja scheinbar nicht funktioniert, habe ich mich entschieden doch alles im Technikraum im Keller unterzubringen und mir einen zweiten Multischalter im Abstellraum OG zu sparen. Die 4 zusätzlichen Leitungen muss ich dann wohl oder Übel wieder vom UG ins OG ziehen. Eine andere Möglichkeit wäre es noch den Multi-Schalter direkt im OG zu platzieren und anschließend das UG/EG von oben zu versorgen.
Trotzdem habe ich bei allem lesen noch nicht verstanden, was aktuell Stand der Technik ist und welches System/ Art der Verkabelung etc. heute bevorzugt gebaut werden sollte. Überhaupt tue ich mich sehr schwer damit die Vielzahl an Threads und Unterlagen nachzuvollziehen. Am Ende ist doch jeder Thread individuell und die Probleme/Lösungen etwas anders. Leider fehlt mir dazu auch die Zeit hier tief einzutauchen. Elektrotechnik fällt mir wesentlich einfacher....
Wir schauen aktuell Fernsehen im übrigen ohne Receiver über Kabel. Eigentlich möchte ich auch keinen extra Receiver kaufen müssen/nutzen (Nachteile?) - Ich habe jedenfalls bisher keine Nachteile vermisst. Unsere TVs (bspw. ein Sony KD-75XF8505) müssten eigentlich alle über Twin-Tuner verfügen.
Zusätzlich habe ich nun die folgenden Punkte grob ins Auge gefasst - Liste ist noch Unvollständig:
Antenne Dur Line 85-90
Antennenmast - Herkules Balkonständer/ Plattenständer für 4 Gehwegplatten (90cm Länge / feuerverzinkt)
Erdungslasche Antennenmast - Erdungsrohrschelle Obo-Bettermann 17-48mm V2A für Antennenmast
Erdungsblock für OG direkt nach dem Hauseingang - Potentialausgleichschiene für 4 Anschlüsse mit F-Anschluss-Technik (Polytron EB 4)
Jultec JRM0516T Multischalter
Gibt es auch die Möglichkeit dies direkt auf einer Lochplatte montieren (mit Potentialsuagleich etc.) zu bestellen und ggf. das folgende Set zu bestellen ?
Ökö-Energie-Spar Satanlage für 16 Teilnehmer (Gibertini OP 85 SE Antenne + Multischalter JULTEC JRM0516T + Polytron Quattro LNB)
Habe ich hier die Möglichkeit später noch Sat Over Ip zu nutzen, sofern dies irgendwann mal interessant für uns wird?
Bauseits bereits vorhanden:
theoretisch 2x vorhanden auf dem Dach: NYY 1x16 mm² mit direkter Verdingung an den Ringerder (Übergabe an Dehn Trennstellendose für WDVS Systeme an der Außenwand im EG)
1x NYM 1x4mm² PE für die Potentialausgleichsschiene im Abstellraum OG
Was haltet ihr von dem vom Elektriker vorgeschlagenem Preisner SK-2000 COAX Kabel? oder ein anderes verwenden? Dieses würde beim Elektriker 0,60€ netto/m (unverlegt) kosten.
nachdem mein Plan mit 2 LNB's zu arbeiten ja scheinbar nicht funktioniert, habe ich mich entschieden doch alles im Technikraum im Keller unterzubringen und mir einen zweiten Multischalter im Abstellraum OG zu sparen. Die 4 zusätzlichen Leitungen muss ich dann wohl oder Übel wieder vom UG ins OG ziehen. Eine andere Möglichkeit wäre es noch den Multi-Schalter direkt im OG zu platzieren und anschließend das UG/EG von oben zu versorgen.
Trotzdem habe ich bei allem lesen noch nicht verstanden, was aktuell Stand der Technik ist und welches System/ Art der Verkabelung etc. heute bevorzugt gebaut werden sollte. Überhaupt tue ich mich sehr schwer damit die Vielzahl an Threads und Unterlagen nachzuvollziehen. Am Ende ist doch jeder Thread individuell und die Probleme/Lösungen etwas anders. Leider fehlt mir dazu auch die Zeit hier tief einzutauchen. Elektrotechnik fällt mir wesentlich einfacher....
Wir schauen aktuell Fernsehen im übrigen ohne Receiver über Kabel. Eigentlich möchte ich auch keinen extra Receiver kaufen müssen/nutzen (Nachteile?) - Ich habe jedenfalls bisher keine Nachteile vermisst. Unsere TVs (bspw. ein Sony KD-75XF8505) müssten eigentlich alle über Twin-Tuner verfügen.
Zusätzlich habe ich nun die folgenden Punkte grob ins Auge gefasst - Liste ist noch Unvollständig:
Antenne Dur Line 85-90
Antennenmast - Herkules Balkonständer/ Plattenständer für 4 Gehwegplatten (90cm Länge / feuerverzinkt)
Erdungslasche Antennenmast - Erdungsrohrschelle Obo-Bettermann 17-48mm V2A für Antennenmast
Erdungsblock für OG direkt nach dem Hauseingang - Potentialausgleichschiene für 4 Anschlüsse mit F-Anschluss-Technik (Polytron EB 4)
Jultec JRM0516T Multischalter
Gibt es auch die Möglichkeit dies direkt auf einer Lochplatte montieren (mit Potentialsuagleich etc.) zu bestellen und ggf. das folgende Set zu bestellen ?
Ökö-Energie-Spar Satanlage für 16 Teilnehmer (Gibertini OP 85 SE Antenne + Multischalter JULTEC JRM0516T + Polytron Quattro LNB)
Habe ich hier die Möglichkeit später noch Sat Over Ip zu nutzen, sofern dies irgendwann mal interessant für uns wird?
Bauseits bereits vorhanden:
theoretisch 2x vorhanden auf dem Dach: NYY 1x16 mm² mit direkter Verdingung an den Ringerder (Übergabe an Dehn Trennstellendose für WDVS Systeme an der Außenwand im EG)
1x NYM 1x4mm² PE für die Potentialausgleichsschiene im Abstellraum OG
Was haltet ihr von dem vom Elektriker vorgeschlagenem Preisner SK-2000 COAX Kabel? oder ein anderes verwenden? Dieses würde beim Elektriker 0,60€ netto/m (unverlegt) kosten.
- techno-com
- Site Admin
- Beiträge: 22429
- Registriert: 17. November 2005 09:32
- Wohnort: 74076 Heilbronn
- Hat sich bedankt: 504 Mal
- Danksagung erhalten: 574 Mal
- Kontaktdaten:
Re: Neubau Flachdach - 3 Etagen - 11 Teilnehmer
Hallo zurück

Die "Technik", dazu gehört auch die Satanlage, immer in den "Technik"-Raum ! Das wächst alles immer mehr zusammen (z.B. Sat-IP das ja dann über den Router/die Netzwerktechnik gehen würde - dazu folgend mehr bei ihrer Frage dazu) wächst immer mehr zusammen dass es dann gut ist wenn alles das auch in einem Raum gemeinsam verbaut ist.Joelnikal hat geschrieben: 12. Mai 2023 11:03nachdem mein Plan mit 2 LNB's zu arbeiten ja scheinbar nicht funktioniert, habe ich mich entschieden doch alles im Technikraum im Keller unterzubringen und mir einen zweiten Multischalter im Abstellraum OG zu sparen. Die 4 zusätzlichen Leitungen muss ich dann wohl oder Übel wieder vom UG ins OG ziehen. Eine andere Möglichkeit wäre es noch den Multi-Schalter direkt im OG zu platzieren und anschließend das UG/EG von oben zu versorgen.
JEDE Anlage ist individuell, und daher muss man sich da auch die Zeit nehmen das genau zu planen. Ihre Anlage hier ist die einfachste Ausführung, eigentlich eine ganz einfache Sache.Joelnikal hat geschrieben: 12. Mai 2023 11:03Trotzdem habe ich bei allem lesen noch nicht verstanden, was aktuell Stand der Technik ist und welches System/ Art der Verkabelung etc. heute bevorzugt gebaut werden sollte. Überhaupt tue ich mich sehr schwer damit die Vielzahl an Threads und Unterlagen nachzuvollziehen. Am Ende ist doch jeder Thread individuell und die Probleme/Lösungen etwas anders. Leider fehlt mir dazu auch die Zeit hier tief einzutauchen. Elektrotechnik fällt mir wesentlich einfacher....
Ein "Receiver" wird IMMER benötigt, auch bei Kabel-TV und allen anderen Empfangswegen. Receiver = Empfänger ! Und da gibt es dann eben auch "Receiver" die im TV eingebaut sind, dann ist kein externe/extra Receiver als Beistell-Gerät notwendig.Joelnikal hat geschrieben: 12. Mai 2023 11:03Wir schauen aktuell Fernsehen im übrigen ohne Receiver über Kabel. Eigentlich möchte ich auch keinen extra Receiver kaufen müssen/nutzen (Nachteile?) - Ich habe jedenfalls bisher keine Nachteile vermisst.
Habe mir mal die Daten zu diesem Gerät raus gesucht, gefunden nur noch bei Sony auf der Homepage in England.Joelnikal hat geschrieben: 12. Mai 2023 11:03Unsere TVs (bspw. ein Sony KD-75XF8505) müssten eigentlich alle über Twin-Tuner verfügen.
Ihr TV scheint 2 Tuner für DVB-S2 (= Satellit) zu haben nach diesem Datenblatt .... das heißt dass er hinten normal 2 F-Anschlüsse (Aufdreh-Anschlüsse) haben müsste. ABER, um diese dann auch nutzen zu können werden auch 2 EXTRA Kabel vom Multischalter aus kommend dafür benötigt ... hatte ich schon erklärt/verlinkt, Thema "Twin-Versorgung". Bei Satelliten-Empfang benötigt JEDER Tuner der vorhanden ist ein EXTRA Kabel vom Multischalter aus.
D.h. für sie dass dorthin 2 Koaxkabel vom Multischalter aus verlegt werden müssen und dort dann eine Twin-Sat-Antennendose (4-Loch) installiert werden muss.
Polytron PODO 2 ST SAT-Antennen 4-Loch Stichdose/Stichleitungsdose
Dort wo nur ein Kabel hin geht ist nur eine Single-Versorgung möglich, das reicht aber normal in anderen Zimmern (Schlafzimmer, Kinderzimmer, Gästezimmer etc.) vollkommen aus. Dort muss dann eine Standard 3-Loch Sat-Antennendose hin.
Polytron PODO 2 S SAT-Antennendose 3- Loch Stichdose/Stichleitungsdose
Bis hierher ....Joelnikal hat geschrieben: 12. Mai 2023 11:03Zusätzlich habe ich nun die folgenden Punkte grob ins Auge gefasst - Liste ist noch Unvollständig:
Antenne Dur Line 85-90
Antennenmast - Herkules Balkonständer/ Plattenständer für 4 Gehwegplatten (90cm Länge / feuerverzinkt)
Erdungslasche Antennenmast - Erdungsrohrschelle Obo-Bettermann 17-48mm V2A für Antennenmast
Erdungsblock für OG direkt nach dem Hauseingang - Potentialausgleichschiene für 4 Anschlüsse mit F-Anschluss-Technik (Polytron EB 4)
Jultec JRM0516T Multischalter
1. Antenne OK
2. Plattenständer OK
3. Erdungslasche falsch ...da nimmt man diese her da diese voll Blitzschutz-tauglich ist (Blitzstrom-verträglich) => Erdungslasche Obo-Bettermann Typ 950 Z 1 1/2 (46.5 - 49.5mm / Erdung-Potentialausgleich)
Diese wird 2x benötigt !!! Einmal für den Anschluss vom Erdungskabel/Blitzschutzkabel (1x16mm²) und einmal vom Potentialausgleichskabel (1x 4mm²).
4. für den Mast-nahen Potentialausgleich (wird dort installiert wo die Koaxkabel erstmals in Haus eintreten) ist der 4er Poti-Block ("Erdungsblock") richtig ... da fehlen dann aber noch für die first-Class-Ausführung 4x Überspannungsschutz (Bild dazu folgt gleich mit anderer Sache gemeinsam)
5. vom Quattro-LNB bis zum Mast-nahen Potentialausgleich nimmt man UV-beständige Koaxkabel .. ich weiß jetzt nicht wie lange der Weg bei ihnen dazu wäre, aber z.B. mal anschauen
20m Koaxkabel Hirschmann KOKA 799 B mit vorkonfektioniertem+wasserdichtem F-Kompressionsstecker von PPC (Voll-Kupfer / UV-beständig) - 4x 5m (4 Stecker vormontiert)
oder wenn das nicht reicht
20m Koaxkabel Hirschmann KOKA 799 B mit vorkonfektioniertem+wasserdichtem F-Kompressionsstecker von PPC (Voll-Kupfer / UV-beständig) - 2x 10m (2 Stecker vormontiert)
Da kann ich ihnen auch das noch zeigen:
Sytronic 75100 AKZ 3-S Hochleistungs Koaxkabel (Voll-Kupfer / UV-beständig PE schwarz für Außeneinsatz) AKZ 1.0/4.6 3-S 115 dB
Da müsste man dann eben die Stecker selbst anbringen ....
Thema Stecker: immer Kompressionsstecker verwenden, vor allem außen da diese wasserdicht sind und vor allem VIEL einfacher zu montieren sind als alle anderen Stecker. Siehe unter Montageanleitung Cabelcon Self-Install F-Stecker + QM-Quickmount Kompressions-Stecker
F-Kompressionsstecker - Cabelcon F-6-TD QM 7.0 Quick Mount True Drop F-Kompressionsstecker für RG6 (7mm) Koaxkabel
Cabelcon Cabel-Stripper (Abisolierwerkzeug)
F-Kompressionszange (wird notwendig zum installieren der Stecker wenn der Elektriker so etwas nicht hat)
Nachtrag: wie viele Stecker werden benötigt ?
Antwort:
4x aussem am Quattro-LNB (wenn man nicht die Kabel nimmt mit den vormontierten Steckern dort)
8x am Mast-nahen Potentialausgleich (4x in / 4x out)
4x am Eingang vom Multischalter-Aufbau
16x Ausgänge am Multischalter Aufbau
--------------
32 Stück (aber immer 10-16 mehr nehmen um sich damit die Kabel von der Antennendose bis zum Receiver/TV-Sat-Eingang) selbst anzufertigen ... dazu Rest-Meterware von gutem Koaxkabel nehmen - keine Kabel ist günstiger und besser als so ein selbst gefertigtes)
Aussehen würde das dann so (auch wenn hier absolut minderwertige Stecker verwendet wurden, uralte F-Aufdrehstecker):
Von oben kommen die UV-bestängigen Koaxkabel vom Quattro-LNB .. dann der 4er Poti-Block ... dann 4x Überspannungsschutz ... und dann weiter mit normalen Koax-Hausverlegekabeln runter in den Technikrum zum Multischalter-Aufbau (wo der nächste Potentialausgleich rund um diesen Aufbau erfolgen muss , daher ist hier auch das Potentialausgleichskabel (1x4mm² ausreichend) zu sehen das vom geerdeten Antennenmast kommt, weiter geht auf diesen Mast-nahen Potentialausgleich, dann weiter zum Potentialausgleich rund um den Multischalter und dann noch einal weiter zur Haupterdungsschiene (HES).
Das haben wir aktuell nicht als fertiges Set .... da haben wir nur die Version bis zu 12 Teilnehmer, siehe unter Jultec JRM0512T - Vormontage auf Lochblechplatte mit Potentialausgleich (ohne/mit Überspannungsschutz bzw. Mast-nahem Potentialausgleich)Joelnikal hat geschrieben: 12. Mai 2023 11:03Gibt es auch die Möglichkeit dies direkt auf einer Lochplatte montieren (mit Potentialsuagleich etc.) zu bestellen und ggf. das folgende Set zu bestellen ?
Ökö-Energie-Spar Satanlage für 16 Teilnehmer (Gibertini OP 85 SE Antenne + Multischalter JULTEC JRM0516T + Polytron Quattro LNB)
Aber ich kann ihnen die einzelnen Positionen dafür notwendig auflisten (das passt aber nur auf eine 60x40cm Lochblechplatte dann):
1x Lochblechplatte 60x40cm
2x Erdungsblock 11-fach (4x für Eingänge vom Quattro-LNB/Mast-nahen Potentialausgleich kommend + 16x Ausgänge müssen darüber geführt werden)
4x Patchkabel 30cm (für die Eingänge)
1x Jultec JRM0516T oder eben der Jultec JRM0516M
16x Patchkabel 50cm (für die Ausgänge)
1x F-Endwiderstand DC-entkoppelt bzw. 5x diesen wenn man den "M" Schalter nimmt und die Kaskadenasgänge erst einmal nicht verwendet.
(der Aufbau kommt dann fix und fertig aufgebaut, z.B. dann so ausschauend mit dem JRM0512T Schalter).
1x Quattro-LNB fehlt dann noch in ihrer Stückliste
Polytron OSP-AP 95 Quattro Universal LNB
Ja, absolut kein Problem ... man muss dann nur den JRM0516T in der Version mit Kaskadenausgang nehmen (JRM0516M - gleicher Preis). An diese Kaskadenausgänge vom Schalter, dort wird das Quattro-LNB einfach "durchgeschliffen", kann man dann später ein Sat-IP-Gerät anschließen und voll versorgen. So lange diese Kaskadenausgänge nicht verwendet werden müssen sie alle mit einem F-Endwiderstand DC-entkoppelt abgeschlossen werden.Joelnikal hat geschrieben: 12. Mai 2023 11:03Habe ich hier die Möglichkeit später noch Sat Over Ip zu nutzen, sofern dies irgendwann mal interessant für uns wird?
So würde das z.B. dann ausschauen.
Ich nehme das hier sehr sehr gerne, noch nie Probleme gehabt (gibt es auch als 500m Rolle, dann 60 Cent incl MwSt !! Ab 100m sind es 70 Cent incl. MwSt.).Joelnikal hat geschrieben: 12. Mai 2023 11:03Was haltet ihr von dem vom Elektriker vorgeschlagenem Preisner SK-2000 COAX Kabel? oder ein anderes verwenden? Dieses würde beim Elektriker 0,60€ netto/m (unverlegt) kosten.
DUR-line DUR 95KN Vollkupfer Koaxialkabel SAT-Digitalkabel (6,9mm / 1.13mm / 95db)
Das Preisner SK 2000 ("+" hier sogar) hat nach einem Datenblatt das ich mir angeschaut habe einen Innenleiter-Durchmesser von 1.02mm, das Dur-Line hätte ca. 10% mehr mit dann 1.13mm).
Vielleicht sind wir nicht günstiger als ein Discounter oder reiner Online-Kartonschieber, aber sicherlich besser !
Normkonforme Beratung und Bau sind bei uns selbstverständlich.
Sat-Shop Heilbronn Kunden können sich auch nach dem Kauf auf unseren besten Service verlassen
Hier im Forum wird kein After-Sales-Support für Fremdkäufe geleistet !! Wenden Sie sich dazu an ihren Verkäufer ......
Tristan Uhde / Satanlagen Onlineshop / SAT-Shop Heilbronn
https://www.satshop-heilbronn.de (SSL) / SAT-Onlineforum https://www.satanlagenforum.de (SSL)
Tel ------ (Fragen gehören ins Forum ! Den nur hier können sie richtig bearbeitet werden, auch was hier noch nicht von A-Z genau schon erklärt/behandelt ist ) .. Dieser Hinweis weil täglich dutzende Fragen per Email oder per PM über das Forum rein kommen die noch dazu inhaltlich nicht das intus haben das man etwas dazu sagen könnte.
Wichtiger Hinweis: Zuständigkeiten verantwortliche Elektrofachkraft (VEFK) und Blitzschutzfachkräfte
Informieren Sie sich dort über Folgen und Auswirkungen von Eigenleistung und lassen Sie selbst durchgeführte Installationen von entsprechender Stelle prüfen und abnehmen. Dafür sind VOR ORT spezielle und qualifizierte Blitzschutz-Fachkräfte notwendig, Ferndiagnosen für Blitzschutz/Erdung können hier NICHT durchgeführt werden ("wie kann ICH das machen ..." oder ähnlich bringt da nichts).
Diese Signatur wächst von Woche zu Woche und enthält immer mehr grundlegende Inhalte die bitte berücksichtigt werden sollten bei bzw. VOR Anfragen !
100% beantwortet werden können nur Anfragen die auch alle relevanten Teile beinhalten die man benötigt für eine Antwort (genaue Beschreibungen/ Angabe von Herstellern/Typen für vorhandenes Material etc.). Bitte vermeiden Sie Aussagen wie "habe viel gelesen, aber versteht das nicht ..." ohne Nennung von dem was Sie gelesen haben und was genau unklar war an den Erklärungen die hier gelesen wurden - den nur dann kann man auch darauf eingehen was event. unklar ist/war.
Bitte unbedingt vor einem Post lesen => Boardregeln / Datenschutz
Wir erteilen hier keine Rechtsberatung, unsere Hinweise sind nach bestem Wissen und bedürfen einer entsprechenden juristischen/technischen weiteren Beratung.
Normkonforme Beratung und Bau sind bei uns selbstverständlich.
Sat-Shop Heilbronn Kunden können sich auch nach dem Kauf auf unseren besten Service verlassen
Hier im Forum wird kein After-Sales-Support für Fremdkäufe geleistet !! Wenden Sie sich dazu an ihren Verkäufer ......
Tristan Uhde / Satanlagen Onlineshop / SAT-Shop Heilbronn
https://www.satshop-heilbronn.de (SSL) / SAT-Onlineforum https://www.satanlagenforum.de (SSL)
Tel ------ (Fragen gehören ins Forum ! Den nur hier können sie richtig bearbeitet werden, auch was hier noch nicht von A-Z genau schon erklärt/behandelt ist ) .. Dieser Hinweis weil täglich dutzende Fragen per Email oder per PM über das Forum rein kommen die noch dazu inhaltlich nicht das intus haben das man etwas dazu sagen könnte.
Wichtiger Hinweis: Zuständigkeiten verantwortliche Elektrofachkraft (VEFK) und Blitzschutzfachkräfte
Informieren Sie sich dort über Folgen und Auswirkungen von Eigenleistung und lassen Sie selbst durchgeführte Installationen von entsprechender Stelle prüfen und abnehmen. Dafür sind VOR ORT spezielle und qualifizierte Blitzschutz-Fachkräfte notwendig, Ferndiagnosen für Blitzschutz/Erdung können hier NICHT durchgeführt werden ("wie kann ICH das machen ..." oder ähnlich bringt da nichts).
Diese Signatur wächst von Woche zu Woche und enthält immer mehr grundlegende Inhalte die bitte berücksichtigt werden sollten bei bzw. VOR Anfragen !
100% beantwortet werden können nur Anfragen die auch alle relevanten Teile beinhalten die man benötigt für eine Antwort (genaue Beschreibungen/ Angabe von Herstellern/Typen für vorhandenes Material etc.). Bitte vermeiden Sie Aussagen wie "habe viel gelesen, aber versteht das nicht ..." ohne Nennung von dem was Sie gelesen haben und was genau unklar war an den Erklärungen die hier gelesen wurden - den nur dann kann man auch darauf eingehen was event. unklar ist/war.
Bitte unbedingt vor einem Post lesen => Boardregeln / Datenschutz
Wir erteilen hier keine Rechtsberatung, unsere Hinweise sind nach bestem Wissen und bedürfen einer entsprechenden juristischen/technischen weiteren Beratung.
Re: Neubau Flachdach - 3 Etagen - 11 Teilnehmer
Vielen Dank für die schnellen Antworten und ausführliche Beratung
5. Die Strecke wird maximal 5m lang sein - 4x5m reichen somit vollkommen
Ein Punkt ist mir noch aufgefallen - theoretisch würde ich ja mit 12 Leitungen auskommen - Macht es Sinn doch den 12er zu nehmen mit Möglichkeit auf Sat-Over IP (Jultec JRM0512M ?) sofern später mal zusätzliche Anschlüsse benötigt werden?
Im Bezug auf mein KNX-Bussystem bin ich froh, dass es einen OG-Verteiler gibt. Aufgrund der ganzen Aktorik sind die Schränke ohnehin sehr groß. Wenn mal eine Sicherung fällt, muss ich wenigstens nicht in den Keller laufen. Generell finde ich es schön wenn eine Aufteilung zwischen EG/UG und OG gibt. Sollte nun der Multischalter/ LNB .... im UG kaputt gehen, kann im ganzen Haus kein Fernsehen mehr geguckt werden. Bei meiner Idee mit 2 LNB's wäre ich etwas redundanter aufgestellt gewesen. Aber die Mehrkosten lohnen sich aus meiner Sicht nicht.techno-com hat geschrieben: 12. Mai 2023 11:58Die "Technik", dazu gehört auch die Satanlage, immer in den "Technik"-Raum ! Das wächst alles immer mehr zusammen (z.B. Sat-IP das ja dann über den Router/die Netzwerktechnik gehen würde - dazu folgend mehr bei ihrer Frage dazu) wächst immer mehr zusammen dass es dann gut ist wenn alles das auch in einem Raum gemeinsam verbaut ist.
Eine Twin-Versorgung habe ich jetzt für den Hauptfernsehplatz im Wohnzimmer sowie im Elternschlafzimmer vorgesehen - Ggf. entfällt die zweite Leitung im OG Elternzimmer noch.techno-com hat geschrieben: 12. Mai 2023 11:58Ihr TV scheint 2 Tuner für DVB-S2 (= Satellit) zu haben nach diesem Datenblatt .... das heißt dass er hinten normal 2 F-Anschlüsse (Aufdreh-Anschlüsse) haben müsste. ABER, um diese dann auch nutzen zu können werden auch 2 EXTRA Kabel vom Multischalter aus kommend dafür benötigt ... hatte ich schon erklärt/verlinkt, Thema "Twin-Versorgung". Bei Satelliten-Empfang benötigt JEDER Tuner der vorhanden ist ein EXTRA Kabel vom Multischalter aus.
D.h. für sie dass dorthin 2 Koaxkabel vom Multischalter aus verlegt werden müssen und dort dann eine Twin-Sat-Antennendose (4-Loch) installiert werden muss.
Kann diese Dose ebenfalls als Durchgangsdose verwendet werden? Ich möchte beispielsweise eine Dose ca. 30 cm über OKFF haben und eine weitere Dose ca. 1,4m ü. OKFF. Diese Leitungen werden dann Unterputz mit Kabelkanälen verbunden (Alternativ KG-Rohr oder im Fränkische MMR-S Multimedia-Rohr) - Grundsätzlich werden alle Leitungen in Schutzrohren verlegt. COAX und NYM müssen ja "eigentlich" getrennt verlegt werden - notwendig? Welcher Durchmesser ist für 1xCoaxkabel sinnvoll - M16 wird wahrscheinlich eng werden, oder? Wobei der Außendurchmesser ja je nach Kabel bei max. 7mm liegt.techno-com hat geschrieben: 12. Mai 2023 11:58Polytron PODO 2 ST SAT-Antennen 4-Loch Stichdose/Stichleitungsdose
Ist diese Dose mit dem GIRA 55 Systemen Kompatibel - Bzw. gibt es eine GIRA Abdeckung? Ich weiß dass die 4-Loch Abdeckung von GIRA immer kleiner als der Rahmen ist.techno-com hat geschrieben: 12. Mai 2023 11:58Polytron PODO 2 ST SAT-Antennen 4-Loch Stichdose/Stichleitungsdose
4. Ich benötige aber keine Zusätzliche Fangstange mehr, oder?
5. Die Strecke wird maximal 5m lang sein - 4x5m reichen somit vollkommen
Ich würde die M-Version nehmen um später die Möglichkeit zur Umrüstung auf Sat Over IP zu haben. -> 5x F-Endwiderstand DC-entkoppelt
Ein Punkt ist mir noch aufgefallen - theoretisch würde ich ja mit 12 Leitungen auskommen - Macht es Sinn doch den 12er zu nehmen mit Möglichkeit auf Sat-Over IP (Jultec JRM0512M ?) sofern später mal zusätzliche Anschlüsse benötigt werden?
Zuletzt geändert von techno-com am 12. Mai 2023 14:16, insgesamt 1-mal geändert.
Grund: Edit by techno-com: Quotes angepasst/aufgeräumt + Formatierungen angepasst
Grund: Edit by techno-com: Quotes angepasst/aufgeräumt + Formatierungen angepasst
- techno-com
- Site Admin
- Beiträge: 22429
- Registriert: 17. November 2005 09:32
- Wohnort: 74076 Heilbronn
- Hat sich bedankt: 504 Mal
- Danksagung erhalten: 574 Mal
- Kontaktdaten:
Re: Neubau Flachdach - 3 Etagen - 11 Teilnehmer
Hallo zurück
ging ja fix
ganz ehrlich, die Ausfall-Rate ist sehr sehr sehr sehr gering. Schon auf Grund dass in diesen Schaltern keine Elkos ("Kondensatoren" Typ) verbaut ist, da kann ein solcher schon einmal nicht ausfallen. Die meisten "Defekte" sind defekte Anschluss-Buchsen, das aber geschuldet dass die Kabel da falsch oder mit zu viel Kraft oft eingeführt werden (aber auch sehr selten und nur bei großen Grob-Motorikern).
Übrigens auch ein Bestandteil der DIN 18015-2:2010-11: neue Anforderungen Mindestausstattung , die sagt das aus (uvm.)
Oben hatte ich den Beitrag dazu auch schon verlinkt (Stichwort "Twin-Durchgangsdose" was es nicht gibt da man ja an diese dann 4 Kabel anschließen müsste und das rein vom Platz her gar nicht geht):
Quelle: Kaufberatung Unicable / Umrüstung alter Multischlater

So würde das gehen .... ABER !!!!! An diesem Strang ist dann immer nur eine Antennendose in Verwendung möglich, an einem Ausgang vom Multischalter - was das ja dann wäre - immer nur ein Tuner/Endgerät.
Wenn sie damit meinen dass sie in einem Raum damit 2 Anschluss-Stellen realisieren möchten würde das gehen, aber dann wären eben an dem "Durchgangs-Platz" der Kabel 2 Antennendosen notwendig (3-Loch Durchgangsdose). Alternativ, das wäre auch möglich .... am Multischalter immer nur die Kabel anschließen der Dosen die auch verwendet werden, die anderen einfach nur dort liegen lassen und erst dann anschließen wenn diese mal in Verwendung kommen. Dann eben in einen Raum wo 2x Twin-Versorung an 2 Plätzen sein soll je 2 Kabel an die Dose legen und dort jeweils die 4-Loch Stichdose wie oben genannt setzen.
Reinweiß glänzend / Art. Nr. 0259 03 / EAN: 4010337259039


Joelnikal hat geschrieben: 12. Mai 2023 13:17Vielen Dank für die schnellen Antworten und ausführliche Beratung

Ein Jultec-Multischalter geht nicht kaputtJoelnikal hat geschrieben: 12. Mai 2023 13:17Im Bezug auf mein KNX-Bussystem bin ich froh, dass es einen OG-Verteiler gibt. Aufgrund der ganzen Aktorik sind die Schränke ohnehin sehr groß. Wenn mal eine Sicherung fällt, muss ich wenigstens nicht in den Keller laufen. Generell finde ich es schön wenn eine Aufteilung zwischen EG/UG und OG gibt. Sollte nun der Multischalter/ LNB .... im UG kaputt gehen, kann im ganzen Haus kein Fernsehen mehr geguckt werden.

2 LNBs an einer Antenne für eine Satelliten-Position geht nicht ... da häte man eine 2. Antenne dann dafür benötigt. Absolut unrentabel und absolut nicht notwendig.Joelnikal hat geschrieben: 12. Mai 2023 13:17Bei meiner Idee mit 2 LNB's wäre ich etwas redundanter aufgestellt gewesen. Aber die Mehrkosten lohnen sich aus meiner Sicht nicht.
Auf jeden Fall anzuraten und eigentlich auch "Standard"Joelnikal hat geschrieben: 12. Mai 2023 13:17Eine Twin-Versorgung habe ich jetzt für den Hauptfernsehplatz im Wohnzimmer sowie im Elternschlafzimmer vorgesehen - Ggf. entfällt die zweite Leitung im OG Elternzimmer noch.

Übrigens auch ein Bestandteil der DIN 18015-2:2010-11: neue Anforderungen Mindestausstattung , die sagt das aus (uvm.)
Keine Ahnug was ein OKFF istJoelnikal hat geschrieben: 12. Mai 2023 13:17Kann diese Dose ebenfalls als Durchgangsdose verwendet werden? Ich möchte beispielsweise eine Dose ca. 30 cm über OKFF haben und eine weitere Dose ca. 1,4m ü. OKFF. Diese Leitungen werden dann Unterputz mit Kabelkanälen verbunden (Alternativ KG-Rohr oder im Fränkische MMR-S Multimedia-Rohr) - Grundsätzlich werden alle Leitungen in Schutzrohren verlegt.

Oben hatte ich den Beitrag dazu auch schon verlinkt (Stichwort "Twin-Durchgangsdose" was es nicht gibt da man ja an diese dann 4 Kabel anschließen müsste und das rein vom Platz her gar nicht geht):
Quelle: Kaufberatung Unicable / Umrüstung alter Multischlater
So würde das gehen .... ABER !!!!! An diesem Strang ist dann immer nur eine Antennendose in Verwendung möglich, an einem Ausgang vom Multischalter - was das ja dann wäre - immer nur ein Tuner/Endgerät.
Wenn sie damit meinen dass sie in einem Raum damit 2 Anschluss-Stellen realisieren möchten würde das gehen, aber dann wären eben an dem "Durchgangs-Platz" der Kabel 2 Antennendosen notwendig (3-Loch Durchgangsdose). Alternativ, das wäre auch möglich .... am Multischalter immer nur die Kabel anschließen der Dosen die auch verwendet werden, die anderen einfach nur dort liegen lassen und erst dann anschließen wenn diese mal in Verwendung kommen. Dann eben in einen Raum wo 2x Twin-Versorung an 2 Plätzen sein soll je 2 Kabel an die Dose legen und dort jeweils die 4-Loch Stichdose wie oben genannt setzen.
Nein, so steht das ? Koax + Stromkabel dürfen parallel verlegt werden, ich wüsste da keinen Grund warum nicht.Joelnikal hat geschrieben: 12. Mai 2023 13:17COAX und NYM müssen ja "eigentlich" getrennt verlegt werden - notwendig?
M16 = 16mm ... da passen sogar 2 oder ggf. sogar 3 Koaxkabel reinJoelnikal hat geschrieben: 12. Mai 2023 13:17Welcher Durchmesser ist für 1xCoaxkabel sinnvoll - M16 wird wahrscheinlich eng werden, oder? Wobei der Außendurchmesser ja je nach Kabel bei max. 7mm liegt.

Antennendosen-Abmessungen sind genormt, die sind bei allen Herstelern gleich. Und auch für das Gira 55 System habe ich per Google direkt den Treffer gelandet.Joelnikal hat geschrieben: 12. Mai 2023 13:17Ist diese Dose mit dem GIRA 55 Systemen Kompatibel - Bzw. gibt es eine GIRA Abdeckung? Ich weiß dass die 4-Loch Abdeckung von GIRA immer kleiner als der Rahmen ist.
Reinweiß glänzend / Art. Nr. 0259 03 / EAN: 4010337259039
Eine Fangstange ist keine Vorschrift bei einer Antennenerdung wie sie diese durchführen, eine direkte Erdung ist zulässig.Joelnikal hat geschrieben: 12. Mai 2023 13:174. Ich benötige aber keine Zusätzliche Fangstange mehr, oder?
Dann haben sie freie Auswahl unter den gestellten OptionenJoelnikal hat geschrieben: 12. Mai 2023 13:175. Die Strecke wird maximal 5m lang sein - 4x5m reichen somit vollkommen

Immer anzuraten ... der "M" kostet gleich viel wie der "T", ist aber immer erweiterungsfähig. Kostet 4x Endwiderstand zum Abschließen der Kaskadenausgänge einfach dann mehr.Joelnikal hat geschrieben: 12. Mai 2023 13:17Ich würde die M-Version nehmen um später die Möglichkeit zur Umrüstung auf Sat Over IP zu haben. -> 5x F-Endwiderstand DC-entkoppelt
Das kommt darauf an wie sie es im Endeffekt haben möchte und ob ihnen 12 Anschlüsse ausreichen ... ich bin weit weg von "12" wenn jetzt schon 2x "Twin" dazu kommt (Wohnzimmer + Eltern-Schlafzimmer) da noch sehr viele andere Räume da sind (2x Twin wären schon 4 Anschlüsse).Joelnikal hat geschrieben: 12. Mai 2023 13:17Ein Punkt ist mir noch aufgefallen - theoretisch würde ich ja mit 12 Leitungen auskommen - Macht es Sinn doch den 12er zu nehmen mit Möglichkeit auf Sat-Over IP (Jultec JRM0512M ?) sofern später mal zusätzliche Anschlüsse benötigt werden?
Vielleicht sind wir nicht günstiger als ein Discounter oder reiner Online-Kartonschieber, aber sicherlich besser !
Normkonforme Beratung und Bau sind bei uns selbstverständlich.
Sat-Shop Heilbronn Kunden können sich auch nach dem Kauf auf unseren besten Service verlassen
Hier im Forum wird kein After-Sales-Support für Fremdkäufe geleistet !! Wenden Sie sich dazu an ihren Verkäufer ......
Tristan Uhde / Satanlagen Onlineshop / SAT-Shop Heilbronn
https://www.satshop-heilbronn.de (SSL) / SAT-Onlineforum https://www.satanlagenforum.de (SSL)
Tel ------ (Fragen gehören ins Forum ! Den nur hier können sie richtig bearbeitet werden, auch was hier noch nicht von A-Z genau schon erklärt/behandelt ist ) .. Dieser Hinweis weil täglich dutzende Fragen per Email oder per PM über das Forum rein kommen die noch dazu inhaltlich nicht das intus haben das man etwas dazu sagen könnte.
Wichtiger Hinweis: Zuständigkeiten verantwortliche Elektrofachkraft (VEFK) und Blitzschutzfachkräfte
Informieren Sie sich dort über Folgen und Auswirkungen von Eigenleistung und lassen Sie selbst durchgeführte Installationen von entsprechender Stelle prüfen und abnehmen. Dafür sind VOR ORT spezielle und qualifizierte Blitzschutz-Fachkräfte notwendig, Ferndiagnosen für Blitzschutz/Erdung können hier NICHT durchgeführt werden ("wie kann ICH das machen ..." oder ähnlich bringt da nichts).
Diese Signatur wächst von Woche zu Woche und enthält immer mehr grundlegende Inhalte die bitte berücksichtigt werden sollten bei bzw. VOR Anfragen !
100% beantwortet werden können nur Anfragen die auch alle relevanten Teile beinhalten die man benötigt für eine Antwort (genaue Beschreibungen/ Angabe von Herstellern/Typen für vorhandenes Material etc.). Bitte vermeiden Sie Aussagen wie "habe viel gelesen, aber versteht das nicht ..." ohne Nennung von dem was Sie gelesen haben und was genau unklar war an den Erklärungen die hier gelesen wurden - den nur dann kann man auch darauf eingehen was event. unklar ist/war.
Bitte unbedingt vor einem Post lesen => Boardregeln / Datenschutz
Wir erteilen hier keine Rechtsberatung, unsere Hinweise sind nach bestem Wissen und bedürfen einer entsprechenden juristischen/technischen weiteren Beratung.
Normkonforme Beratung und Bau sind bei uns selbstverständlich.
Sat-Shop Heilbronn Kunden können sich auch nach dem Kauf auf unseren besten Service verlassen
Hier im Forum wird kein After-Sales-Support für Fremdkäufe geleistet !! Wenden Sie sich dazu an ihren Verkäufer ......
Tristan Uhde / Satanlagen Onlineshop / SAT-Shop Heilbronn
https://www.satshop-heilbronn.de (SSL) / SAT-Onlineforum https://www.satanlagenforum.de (SSL)
Tel ------ (Fragen gehören ins Forum ! Den nur hier können sie richtig bearbeitet werden, auch was hier noch nicht von A-Z genau schon erklärt/behandelt ist ) .. Dieser Hinweis weil täglich dutzende Fragen per Email oder per PM über das Forum rein kommen die noch dazu inhaltlich nicht das intus haben das man etwas dazu sagen könnte.
Wichtiger Hinweis: Zuständigkeiten verantwortliche Elektrofachkraft (VEFK) und Blitzschutzfachkräfte
Informieren Sie sich dort über Folgen und Auswirkungen von Eigenleistung und lassen Sie selbst durchgeführte Installationen von entsprechender Stelle prüfen und abnehmen. Dafür sind VOR ORT spezielle und qualifizierte Blitzschutz-Fachkräfte notwendig, Ferndiagnosen für Blitzschutz/Erdung können hier NICHT durchgeführt werden ("wie kann ICH das machen ..." oder ähnlich bringt da nichts).
Diese Signatur wächst von Woche zu Woche und enthält immer mehr grundlegende Inhalte die bitte berücksichtigt werden sollten bei bzw. VOR Anfragen !
100% beantwortet werden können nur Anfragen die auch alle relevanten Teile beinhalten die man benötigt für eine Antwort (genaue Beschreibungen/ Angabe von Herstellern/Typen für vorhandenes Material etc.). Bitte vermeiden Sie Aussagen wie "habe viel gelesen, aber versteht das nicht ..." ohne Nennung von dem was Sie gelesen haben und was genau unklar war an den Erklärungen die hier gelesen wurden - den nur dann kann man auch darauf eingehen was event. unklar ist/war.
Bitte unbedingt vor einem Post lesen => Boardregeln / Datenschutz
Wir erteilen hier keine Rechtsberatung, unsere Hinweise sind nach bestem Wissen und bedürfen einer entsprechenden juristischen/technischen weiteren Beratung.
- techno-com
- Site Admin
- Beiträge: 22429
- Registriert: 17. November 2005 09:32
- Wohnort: 74076 Heilbronn
- Hat sich bedankt: 504 Mal
- Danksagung erhalten: 574 Mal
- Kontaktdaten:
Re: Neubau Flachdach - 3 Etagen - 11 Teilnehmer
Jetzt weiß ich was OKFF heißt
Das habe ich im Wohnzimmer ähnlich gemacht, aber nur dass ich dort überall abgreifen kann. Ich habe 2x 4-Loch Dose unten installiert, aber in direkter Nähe dazu einen dicken Kabelkanal gesetzt der hoch hinter den dort aufgehängten Fernseher geht. Ich schließe also meine TV-Versorgungskabel immer unten an, wenn ich ein etwas längeres nehme kann ich aber durch den Schacht hindurch den TV-Tuner auch von dort aus versorgen. Der Schacht ist singendes dass sogar ein Scart Kabel durchgehen würde. Aktuell sind da noch Netzwerk-, HDMI-, optische Ton-Kabel drin (und auch alles was Strom für den TV zV Angebot , kommt auch von unten (Steckdosen-/Netzwerk-/Satsignal-Versorgung).
In den Schlafzimmern habe ich überall Strom/Netzwerk/Satsignal (bei mir sogar in diesen Zimmern 2 Kabel, aber am Multischalter nur eines angeschlossen) im ca 1.7m Höhe gesetzt. Also hinter den TV der dort an die wand direkt kommt. Achtung ! Anschlüsse seitlich versetzen, nicht mittig dorthin wo der TV hin soll. Sonst sind die Dosen genau dort wo die Halterung hin sollte.
Habe dazu was gefunden hier im Forum… so würde ich das nie machen. Da oben Dosen setzen ist unnötig, da kann man per Kabel auch die Dosen unten angreifen und das durch einen groß dimensionierten Kanal hoch führen.
Auch ist die Positionierung vom Kanal hier merkwürdig in der Ecke.
Und damit verstehendes jetzt die Frage dazu … ob man z.B. an einer Stelle eine Dose unten und parallel dazu mit dem gleichen Signal versorgt eine zweite weiter oben installieren kann.Oberkantew Fertigfußboden ist eine häufig benutzte Bemaßungs-Angabe aus dem Bauwesen. Sie ist die Höhenkoordinate für den fertigen Fußboden eines Geschosses einschließlich Bodenaufbau und Bodenbelag. Sie kann in absoluten Koordinaten oder relativen Koordinaten erfolgen. Die Höhe der Rohdecke wird als OKR bezeichnet.
Das habe ich im Wohnzimmer ähnlich gemacht, aber nur dass ich dort überall abgreifen kann. Ich habe 2x 4-Loch Dose unten installiert, aber in direkter Nähe dazu einen dicken Kabelkanal gesetzt der hoch hinter den dort aufgehängten Fernseher geht. Ich schließe also meine TV-Versorgungskabel immer unten an, wenn ich ein etwas längeres nehme kann ich aber durch den Schacht hindurch den TV-Tuner auch von dort aus versorgen. Der Schacht ist singendes dass sogar ein Scart Kabel durchgehen würde. Aktuell sind da noch Netzwerk-, HDMI-, optische Ton-Kabel drin (und auch alles was Strom für den TV zV Angebot , kommt auch von unten (Steckdosen-/Netzwerk-/Satsignal-Versorgung).
In den Schlafzimmern habe ich überall Strom/Netzwerk/Satsignal (bei mir sogar in diesen Zimmern 2 Kabel, aber am Multischalter nur eines angeschlossen) im ca 1.7m Höhe gesetzt. Also hinter den TV der dort an die wand direkt kommt. Achtung ! Anschlüsse seitlich versetzen, nicht mittig dorthin wo der TV hin soll. Sonst sind die Dosen genau dort wo die Halterung hin sollte.
Habe dazu was gefunden hier im Forum… so würde ich das nie machen. Da oben Dosen setzen ist unnötig, da kann man per Kabel auch die Dosen unten angreifen und das durch einen groß dimensionierten Kanal hoch führen.
Auch ist die Positionierung vom Kanal hier merkwürdig in der Ecke.
Vielleicht sind wir nicht günstiger als ein Discounter oder reiner Online-Kartonschieber, aber sicherlich besser !
Normkonforme Beratung und Bau sind bei uns selbstverständlich.
Sat-Shop Heilbronn Kunden können sich auch nach dem Kauf auf unseren besten Service verlassen
Hier im Forum wird kein After-Sales-Support für Fremdkäufe geleistet !! Wenden Sie sich dazu an ihren Verkäufer ......
Tristan Uhde / Satanlagen Onlineshop / SAT-Shop Heilbronn
https://www.satshop-heilbronn.de (SSL) / SAT-Onlineforum https://www.satanlagenforum.de (SSL)
Tel ------ (Fragen gehören ins Forum ! Den nur hier können sie richtig bearbeitet werden, auch was hier noch nicht von A-Z genau schon erklärt/behandelt ist ) .. Dieser Hinweis weil täglich dutzende Fragen per Email oder per PM über das Forum rein kommen die noch dazu inhaltlich nicht das intus haben das man etwas dazu sagen könnte.
Wichtiger Hinweis: Zuständigkeiten verantwortliche Elektrofachkraft (VEFK) und Blitzschutzfachkräfte
Informieren Sie sich dort über Folgen und Auswirkungen von Eigenleistung und lassen Sie selbst durchgeführte Installationen von entsprechender Stelle prüfen und abnehmen. Dafür sind VOR ORT spezielle und qualifizierte Blitzschutz-Fachkräfte notwendig, Ferndiagnosen für Blitzschutz/Erdung können hier NICHT durchgeführt werden ("wie kann ICH das machen ..." oder ähnlich bringt da nichts).
Diese Signatur wächst von Woche zu Woche und enthält immer mehr grundlegende Inhalte die bitte berücksichtigt werden sollten bei bzw. VOR Anfragen !
100% beantwortet werden können nur Anfragen die auch alle relevanten Teile beinhalten die man benötigt für eine Antwort (genaue Beschreibungen/ Angabe von Herstellern/Typen für vorhandenes Material etc.). Bitte vermeiden Sie Aussagen wie "habe viel gelesen, aber versteht das nicht ..." ohne Nennung von dem was Sie gelesen haben und was genau unklar war an den Erklärungen die hier gelesen wurden - den nur dann kann man auch darauf eingehen was event. unklar ist/war.
Bitte unbedingt vor einem Post lesen => Boardregeln / Datenschutz
Wir erteilen hier keine Rechtsberatung, unsere Hinweise sind nach bestem Wissen und bedürfen einer entsprechenden juristischen/technischen weiteren Beratung.
Normkonforme Beratung und Bau sind bei uns selbstverständlich.
Sat-Shop Heilbronn Kunden können sich auch nach dem Kauf auf unseren besten Service verlassen
Hier im Forum wird kein After-Sales-Support für Fremdkäufe geleistet !! Wenden Sie sich dazu an ihren Verkäufer ......
Tristan Uhde / Satanlagen Onlineshop / SAT-Shop Heilbronn
https://www.satshop-heilbronn.de (SSL) / SAT-Onlineforum https://www.satanlagenforum.de (SSL)
Tel ------ (Fragen gehören ins Forum ! Den nur hier können sie richtig bearbeitet werden, auch was hier noch nicht von A-Z genau schon erklärt/behandelt ist ) .. Dieser Hinweis weil täglich dutzende Fragen per Email oder per PM über das Forum rein kommen die noch dazu inhaltlich nicht das intus haben das man etwas dazu sagen könnte.
Wichtiger Hinweis: Zuständigkeiten verantwortliche Elektrofachkraft (VEFK) und Blitzschutzfachkräfte
Informieren Sie sich dort über Folgen und Auswirkungen von Eigenleistung und lassen Sie selbst durchgeführte Installationen von entsprechender Stelle prüfen und abnehmen. Dafür sind VOR ORT spezielle und qualifizierte Blitzschutz-Fachkräfte notwendig, Ferndiagnosen für Blitzschutz/Erdung können hier NICHT durchgeführt werden ("wie kann ICH das machen ..." oder ähnlich bringt da nichts).
Diese Signatur wächst von Woche zu Woche und enthält immer mehr grundlegende Inhalte die bitte berücksichtigt werden sollten bei bzw. VOR Anfragen !
100% beantwortet werden können nur Anfragen die auch alle relevanten Teile beinhalten die man benötigt für eine Antwort (genaue Beschreibungen/ Angabe von Herstellern/Typen für vorhandenes Material etc.). Bitte vermeiden Sie Aussagen wie "habe viel gelesen, aber versteht das nicht ..." ohne Nennung von dem was Sie gelesen haben und was genau unklar war an den Erklärungen die hier gelesen wurden - den nur dann kann man auch darauf eingehen was event. unklar ist/war.
Bitte unbedingt vor einem Post lesen => Boardregeln / Datenschutz
Wir erteilen hier keine Rechtsberatung, unsere Hinweise sind nach bestem Wissen und bedürfen einer entsprechenden juristischen/technischen weiteren Beratung.
-
- Related Topics
- Antworten
- Zugriffe
- Letzter Beitrag
-
- 1 Antworten
- 586 Zugriffe
-
Letzter Beitrag von techno-com
Neuester Beitrag
2. Januar 2025 12:04
Mülleimer
-
-
generelle Fragen Neubau / Standort Schüssel / Systemfrage Unicable, IP, ...
Dateianhang von Ralfi » 18. November 2023 13:29 - 7 Antworten
- 1700 Zugriffe
-
Letzter Beitrag von Ralfi
Neuester Beitrag
11. Dezember 2023 13:06
Fragen zu digitalen SAT- Einkabelsystemen
-
-
- 10 Antworten
- 2630 Zugriffe
-
Letzter Beitrag von techno-com
Neuester Beitrag
21. April 2023 14:36
Fragen zu digitalen SAT- Einkabelsystemen
-
- 4 Antworten
- 2391 Zugriffe
-
Letzter Beitrag von techno-com
Neuester Beitrag
23. Mai 2022 11:16
technische Fragen zu Satanlagen
-
- 2 Antworten
- 1206 Zugriffe
-
Letzter Beitrag von techno-com
Neuester Beitrag
27. Dezember 2021 11:06
Fragen zu digitalen SAT- Einkabelsystemen
-
- 65 Antworten
- 13460 Zugriffe
-
Letzter Beitrag von techno-com
Neuester Beitrag
19. Februar 2025 11:09
Fragen zu digitalen SAT- Einkabelsystemen
-
- 17 Antworten
- 3632 Zugriffe
-
Letzter Beitrag von grobmutant
Neuester Beitrag
19. Februar 2022 14:45
Fragen zu digitalen SAT- Einkabelsystemen
-
- 11 Antworten
- 2127 Zugriffe
-
Letzter Beitrag von techno-com
Neuester Beitrag
11. November 2024 10:39
Fragen zu digitalen SAT- Einkabelsystemen
-
- 14 Antworten
- 2911 Zugriffe
-
Letzter Beitrag von leoguiders
Neuester Beitrag
31. August 2021 17:51
Fragen zu digitalen SAT- Einkabelsystemen
-
- 12 Antworten
- 2854 Zugriffe
-
Letzter Beitrag von masterofeye
Neuester Beitrag
23. August 2021 14:32
Fragen zu digitalen SAT- Einkabelsystemen