Umrüstung SAT-Anlage auf JESS

Haben sie Fragen zu Unicable (EN50494/SCR/SatCR/CSS/dCSS) oder JESS (Jultec Enhanced Stacking System - EN50607/SCD2/dCSS2/Unicable2) Multischaltern, zu statischen SAT-Einkabelsystemen oder auch auch zu speziellen Einkabelanlagen wie Dur-Line DCS-/DWB-/DPC-/UKS-Multischalter oder auch zur Johansson Einkabellösung 9640/9645 (Multiband Converter/Stacker-Destacker) bzw. Mini-Routern wie dem Dur-Line UCP 21 ?
HINWEIS: nicht für Anfragen zu "Einkabel-LNBs" ! Nutzen Sie hierfür die Rubrik unter "Unicable-/Einkabel LNB´s" weiter unten !!
Subbi
Neuling
Beiträge: 6
Registriert: 7. Juni 2018 16:28

Umrüstung SAT-Anlage auf JESS

Ungelesener Beitrag von Subbi »

Einen schönen guten Tag!

Nachdem ich nun ein wenig an userer eigentlich eher unkomplizierten (dachte ich jedenfalls :1162 ) Satanlage verzweifle (ich erkläre gleich, wieso), habe ich gedacht, ich frage mal hier, was ich brauche, um das Ganze jetzt auf vernünftige Füße zu stellen.

Zur der vorhandenen Anlage: Das Haus wurde 2005 gebaut und vom Elektriker im Rahmen der Installation eine Satellitenanlage auf dem Dach verbaut. Entsprechend führt vom Mast ein ziemlich dickes Erdungskabel nach unten zur Hauserdung. Ich gehe mal davon aus, dass das normenkonform ist.
Das LNB ist ein Hirschmann HIT CS 404 Quad-LNB (die nennen das "Quatro-Switch"). Vom Bereich der Antenne führen ich glaube 7 Satkabel ab (die exakte Zahl ist nicht so wichtig, weil ich nur drei bzw. in der Idee nur zwei brauche), zwei davon ins führen Wohnzimmer. Irgendwann ist ein Multischalter dazu gekommen (ANKARO SEM 5 x 8 AN). Damit wurde damals ein HUMAX ICORD im Wohnzimmer versorgt, außerdem ein Medion-Fernseher mit eingebautem Receiver in einem anderen Raum.
Irgendwann kam im Wohnzimmer ein SKY-Receiver dazu und im Zimmer neben dem Wohnzimmer ein anderer Fernseher mit eingebautem Receiver. Da in den Nebenraum jedoch vorher keins der Satellitenkabel führte, wurde ein neues vom Wohnzimmer aus verlegt. Um diese Anschlüsse jetzt alle mit den vorhandenen Leitungen versorgen zu können wurde ein dtron DUC 5-2x4 K Multischalter zwischen LNB und den bisherigen gebaut. Bedeutet im Moment:
LNB -> dtron -> ANKARO

Am Ankaro hängt nur der eine Medion-Fernseher (nicht unicable-tauglich)

Die beiden Unicable-Stränge des dtron sind ins Wohnzimmer geführt (damals wurde einfach die alte (Stich?)Dose mit zwei SAT-Anschlüssen weiterbenutzt, was vermutlich einer der vielen Fehler ist...).
An dem einen hing der ICORD, der mittlerweile durch eine VU+ Solo 4k ersetzt wurde, die alle 4 Unicable Anschlüsse des einen Strangs abgreift.
Der andere Strang ist mit einem Technisat 4-fach-Verteiler (diodenentkoppelt) aufgeteilt zum SKY-Receiver (greift zwei der Unicable-Anschlüsse ab) und zum Fernseher im Nebenraum. Die beiden anderen Anschlüsse an dem 4-fach-Verteiler sind mit Abschlusswiderständen versehen.

Das funktionierte mit dem Humax auch in der Konfiguration immer super, doch war der irgendwann defekt (war auch uralt) und wurde durch die VU+ ersetzt. Danach trat folgendes Problem auf:
Wenn sowohl der SKY-Receiver als die VU+ Box laufen, hängt sich nach kurzer Zeit die Anlage auf. Macht man den Ankaro Multischalter, der nach meinem Verständnis den dtron mit Strom versorgt, stromlos und schließt ihn wieder an, geht alles für kurze Zeit wieder. Das passierte vor ca. einem Dreivierteljahr so, als wir die VU+ neu angeschafft hatten, aber seitdem die ganze Zeit nicht. Haben wir natürlich auch nix gemacht, funktionierte ja :))

So. Jetzt tritt der Fehler in schöner Regelmäßigkeit wieder auf und ich hab keine Lust mehr und überlege, den dtron und den Ankaro gegen den DUR-line DPC 32 K zu tauschen. Erstens, weil es ja so offenbar nicht funktioniert und zweitens, weil ich nur einen Legacy-Ausgang für den einen alten Medion-Fernseher brauchen würde. Für zukünftige Fernseher würde ich die VU+ als SAT>IP Server nutzen. Einer wird bereits so versorgt. Also mehr Sat- oder Legacy-Anschlüsse brauche ich mit ziemlicher Sicherheit nicht, weswegen die Zahl der Kabel unterm Dach auch nicht ganz so wichtig war.
Ich gehe davon aus, dass die Tuner von der VU+ und dem SKY-Receiver i.O. sind, denn wenn nur einer der beiden angeschlossen ist, funktioniert das ohne Probleme.

Meine Idee: DUR-line DPC-32 K unters Dach, (Legacy zum alten Medionfernseher) und nur noch eines der beiden Kabel nutzen bis ins Wohnzimmer, das dort aufsplitten für VU+, SKY-Receiver und den Fernseher im Nebenraum. Wenn ich alles, was ich bisher gelesen habe richtig verstanden habe, müsste das grundsätzlich mit dem DUR-line in der Standardprogrammierung gehen.

Meine Fragen: 1. Geht das mit dem vorhandenen LNB oder brauche ich zwingend ein neues? Würde nicht gerne auf Dach kraxeln, wenn ich nicht unbedingt muss.

2. Wenn ich die Artikel mit Erdung/Potenzialausgleich richtig verstanden habe, müssen alle SAT-Kabel VOR dem DUR-line nochmal auf eine Potenzialausgleichschiene, die
an die Erdungsleitung geht, stimmt das so? Die zwei vom DUR-line abgehenden Kabel auch? Liegt quasi direkt neben dem Antennenmast.

3. Welche Dosen brauche ich im Wohnzimmer und für den Legacy-Anschluss? Die hier Sat 3-Loch Stich Durchgangsdose + BK-Endwiderstand DC-entkoppelt , stimmt das?

4. Müssen in die nicht genutzten Stammleitungsausgänge des DPC dann Abschlusswiderstände?

5. Was hab ich alles vergessen? :)

Ich sage schon jetzt vielen Dank für die Antworten!

Viele Grüße
Stefan
Zuletzt geändert von techno-com am 8. Juni 2018 08:25, insgesamt 1-mal geändert.
Grund: Edit by techno-com: Beitrag verschoben in passende Rubrik (von "technische Fragen zu Satanlagen" in "Fragen zu digitalen SAT-Einkabelsysteme") + Hyperlinks angepasst
Subbi
Neuling
Beiträge: 6
Registriert: 7. Juni 2018 16:28

Re: Umrüstung SAT-Anlage auf JESS

Ungelesener Beitrag von Subbi »

Habe gerade versucht, den Beitrag zu bearbeiten, finde aber die Option nicht. Jetzt habe ich festgestellt, dass ich für einen JESS-Multischalter doch aufs Dach müsste. Ich frage mich, ob Dur-Line DCR 5-2-4L4 Unicable Einkabel Multischalter (2x4+4) nicht eher eine Lösung wäre, wenn auch mit weniger Möglichkeiten.

Wenn die beiden Unicable-Stränge im Wohnzimmer ankämen, wie müsste man das abschließen? Gibt es eine passende Dose dafür oder müsste ich zwei Dosen setzen?

Vielen Dank und viele Grüße
Stefan
Benutzeravatar
techno-com
Site Admin
Beiträge: 22464
Registriert: 17. November 2005 09:32
Wohnort: 74076 Heilbronn
Hat sich bedankt: 505 Mal
Danksagung erhalten: 575 Mal
Kontaktdaten:

Re: Umrüstung SAT-Anlage auf JESS

Ungelesener Beitrag von techno-com »

Subbi hat geschrieben:Einen schönen guten Tag!
Hallo und herlich-willkommen

Beitrag verschoben in die Rubrik "Fragen zu Sat-Einkabelsysteme" da es sich um eine solche Anfrage handelt.

Vorab gleich die Erklärung zu "JESS EN50607" was für sie hier ggf. gar nicht benötigt wird => Was ist JESS (Jultec Enhanced Stacking System/DIN EN 50607)?
Subbi hat geschrieben:....., habe ich gedacht, ich frage mal hier, was ich brauche, um das Ganze jetzt auf vernünftige Füße zu stellen.
Hatten sie nur einen Beitrag hier vorab gelesen ?
Einen aus der passenden Rubrik für Sat-Einkabelsysteme, einen Beitrag der auf der Startseite akt. ganz oben unter "aktuelle Beiträge" angezeigt wird oder die Boardsuche mal verwendet nach etwas das passen könnte ?
Subbi hat geschrieben:Das LNB ist ein Hirschmann HIT CS 404 Quad-LNB (die nennen das "Quatro-Switch").
Ein Quad-LNB für eine Multischalter-Versorgung ist technischer Mist und ein Stromfresser !
Jultec - Warum wir keine Quad-LNBs unterstützen (no-Quad)
Erklärung aller LNB-Varianten => Hinweise/Erklärungen zu LNB´s (Satanlagen How To)
Subbi hat geschrieben:.... wurde ein dtron DUC 5-2x4 K Multischalter zwischen LNB und den bisherigen gebaut.
Einen solchen Schalter kenne ich nicht, aber selbst Google kennt den nicht bzw. erst jetzt nachdem dieser Beitrag im Netz steht und dieser Typ hier genannt wurde :1122
Google-Suche danach => KLICK
Meinen sie nicht eher einen "TechniSat: TECHNIROUTER 5/2x4 K-R (Kaskade)" ?
Das wäre alte Technik mit altem ST-Micro Chipsatz, ganz ohne AGC (Auto-Gain-Control / automatische Verstärkungsregelung).
Weiterhin wäre das ein Schalter der eh nicht mit einem Quad-LNB wie sie es haben betrieben werden kann, Auszug aus der Artikelbeschreibung:
Welches LNB wird benötigt und wie wird es mit Spannung versorgt?
Es können normale Quatro LNBs eingesetzt werden. Die TECHNIROUTER Grundeinheit liefert die Betriebsspannung für das Quatro-LNB und auch für die eventuell vorgeschaltete Kaskade.
Auch ist es bei so einem Bauteil nicht immer möglich den ohne eigenes Netzteil zu betreiben, da gibt es auch mal Probleme bei langen Kabelwegen oder schlechten Koaxkabeln.
Subbi hat geschrieben:Bedeutet im Moment:
LNB -> dtron -> ANKARO
Ein Bild von dem kompletten Aufbau hätte hier sofort Klarheit gebracht importantnotice
Subbi hat geschrieben:Die beiden Unicable-Stränge des dtron sind ins Wohnzimmer geführt (damals wurde einfach die alte (Stich?)Dose mit zwei SAT-Anschlüssen weiterbenutzt, was vermutlich einer der vielen Fehler ist...).
Eine Stichdose ist nicht immer falsch, siehe unter SAT-Anlage Neubau - Fragen vor Bestellung
Eh ein Beitrag den ich hier als grundsätzlich schon als "erkärt alle ihre Fragen" betiteln möchte und der ihnen genau ihre Lösung aufzeigen wird (incl. Antworten zu 90% ihrer Fragen).... das wäre einer der Beiträge gewesen der ganz oben in der passenden Rubrik steht und auch auf der Startseite unter "aktuelle Beiträge" steht.
Subbi hat geschrieben:An dem einen hing der ICORD, der mittlerweile durch eine VU+ Solo 4k ersetzt wurde, die alle 4 Unicable Anschlüsse des einen Strangs abgreift.
Der andere Strang ist mit einem Technisat 4-fach-Verteiler (diodenentkoppelt) aufgeteilt zum SKY-Receiver (greift zwei der Unicable-Anschlüsse ab) und zum Fernseher im Nebenraum. Die beiden anderen Anschlüsse an dem 4-fach-Verteiler sind mit Abschlusswiderständen versehen.
Das macht man aber anders !!! Da verwendet man am Unicable-Ausgang vom Multischalter erst eine passende Durchgangsdose (Jultec JAD310TRS Durchgangsdose mit 10db Auskoppeldämpfung) und geht dann intern aus dieser Dose weiter in den nächsten Raum auf eine Jultec JAD307TRS Enddose mit 7db Auskoppeldämpfung). Und dann schließt man die Receiver ohne weiteren Verteiler zwischen Dose und Receiver/Tuner-Eingang einfach direkt an die Antennendose an.
Weiterer Beitrag der so etwas erklärt => Solide Komponenten? + Fragen zur Anlagenplanung mit Multischalter + „Neues“ SAT Projekt
Auch wieder Beiträge die ich sehr nahe legen da sehr aufklärend über die ganze Sache die doch sehr komplex ist wenn man das alles richtig verstehen möchte was man plant und umsetzen möchte.
Subbi hat geschrieben:Das funktionierte mit dem Humax auch in der Konfiguration immer super, doch war der irgendwann defekt (war auch uralt) und wurde durch die VU+ ersetzt. Danach trat folgendes Problem auf:
Wenn sowohl der SKY-Receiver als die VU+ Box laufen, hängt sich nach kurzer Zeit die Anlage auf. Macht man den Ankaro Multischalter, der nach meinem Verständnis den dtron mit Strom versorgt, stromlos und schließt ihn wieder an, geht alles für kurze Zeit wieder. Das passierte vor ca. einem Dreivierteljahr so, als wir die VU+ neu angeschafft hatten, aber seitdem die ganze Zeit nicht. Haben wir natürlich auch nix gemacht, funktionierte ja
So. Jetzt tritt der Fehler in schöner Regelmäßigkeit wieder auf und ich hab keine Lust mehr ....[/quote]
Ohne zu wissen wie die Antennen-Menu Einstellungen für die Unicable-Einstellungen da GENAU sind (für alle Tuner von allen Boxen, ggf. auch im Bild gezeigt und erklärt) kann ich dazu nichts sagen ......
Weiterhin die o.g. Sachen zum "Technisat" Multischalter der ja ggf. hier schon über ein falsches LNB betrieben wird und die anderen Sachen die ich zuvor schon erklärte/verlinkte.
Subbi hat geschrieben:.... und überlege, den dtron und den Ankaro gegen den DUR-line DPC 32 K zu tauschen. Erstens, weil es ja so offenbar nicht funktioniert und zweitens, weil ich nur einen Legacy-Ausgang für den einen alten Medion-Fernseher brauchen würde.
Vom Regen in die Traufe ?
Unicable Anlage / Hausumbau
Umbau SAT-Anlage EFH - Varianten
Vorhandene Sat-Anlage durch Unicable erweitern
Subbi hat geschrieben:Für zukünftige Fernseher würde ich die VU+ als SAT>IP Server nutzen. Einer wird bereits so versorgt. Also mehr Sat- oder Legacy-Anschlüsse brauche ich mit ziemlicher Sicherheit nicht, weswegen die Zahl der Kabel unterm Dach auch nicht ganz so wichtig war.
Was haben sie dann für einen Sat>IP Receiver der das empfängt ??
Ich glaube sie verwechseln hier "Sat>IP" mit der Funktion "Remote Channel Stream Converter" den die VU+ Box hat ...
Das sind 2 Paar Schuhe und passen nicht zusammen !

Subbi hat geschrieben:Ich gehe davon aus, dass die Tuner von der VU+ und dem SKY-Receiver i.O. sind, denn wenn nur einer der beiden angeschlossen ist, funktioniert das ohne Probleme.
Das kann auch einfach nur eine falsche User-ID/-Frequenz Einstellung sein ... siehe unter Unicable-ZF-Frequenzen + Unicable-ID Einstellungen Receiver + Anleitung zum Einstellen eines SAMSUNG-Fernsehers auf Unicable (EN50494 / Einkabel) (im letzten Beitrag auch passend dazu die Erklärung was an einem dCSS-Multischalter oft das Problem ist => "viel hilft nicht viel" ! Sehr lesenswert ....
Subbi hat geschrieben:Meine Fragen: 1. Geht das mit dem vorhandenen LNB oder brauche ich zwingend ein neues? Würde nicht gerne auf Dach kraxeln, wenn ich nicht unbedingt muss.
Quattro-LNB ist hier passend und zielführend ....
Qualitäts-Schalter benötigen immer ein Quattro-LNB, auch immer sehr gut für die Signalgüte (verlinkte oben in "Jultec- warum wir keine Quad-LNBs verwenden").
Subbi hat geschrieben:2. Wenn ich die Artikel mit Erdung/Potenzialausgleich richtig verstanden habe, müssen alle SAT-Kabel VOR dem DUR-line nochmal auf eine Potenzialausgleichschiene, die
an die Erdungsleitung geht, stimmt das so? Die zwei vom DUR-line abgehenden Kabel auch? Liegt quasi direkt neben dem Antennenmast.
Wird in jedem verlinkten Beitrag genau alles erklärt, incl. Bildern dazu.
Subbi hat geschrieben:3. Welche Dosen brauche ich im Wohnzimmer und für den Legacy-Anschluss? Die hier Sat 3-Loch Stich Durchgangsdose + BK-Endwiderstand DC-entkoppelt , stimmt das?
Nein, die sind falsch .... oben aber von mir schon erklärt sowie auch in den verlinkten Beiträgen.
Subbi hat geschrieben:4. Müssen in die nicht genutzten Stammleitungsausgänge des DPC dann Abschlusswiderstände?
Ja, immer alle ! Auch alles erklärt in den verlinkten Beiträgen, viele auch mit Bildern dazu.
Subbi hat geschrieben:5. Was hab ich alles vergessen?
Passende Stecker etc. etc.. Sie werden sehr viel neues ersehen durch die gesetzten Verlinkungen.
Mein Rat an sie wäre als "All-In-One-Schalter":
Jultec JRS0502-4+4T voll receivergespeister Einkabelschalter mit 4x extra Legacy
Voll receivergespeister Multischalter mit 2x 4 Unicable-Ausgängen + 4 Legacy-Ausgängen (dieser Schalter ist schon Gegenstand vieler oben verlinkten Beiträge)
oder wenn es mehr Umsetzungen sein sollen pro Unicable-Ausgang:
Jultec JPS0502-8+4T Unicable-Multischalter (2x8 UBs/IDs/Umsetzungen + 4x Legacy)
Benötigt ein Netzeil das aber in den Standby-Modus geht wenn der Schalter nicht benötigt wird / hat 2x 8 Unicable-Ausgänge + 4 Legacy-Ausgänge
Mehr Beiträge die diesen Schalter behandeln in Erklärung => KLICK (am besten immer neuere Beiträge nach Datum gesucht mal lesen ...)


Es gibt viel zu lesen, packen sie es an :superman:
Vielleicht sind wir nicht günstiger als ein Discounter oder reiner Online-Kartonschieber, aber sicherlich besser !
Normkonforme Beratung und Bau sind bei uns selbstverständlich.
Sat-Shop Heilbronn Kunden können sich auch nach dem Kauf auf unseren besten Service verlassen
Hier im Forum wird kein After-Sales-Support für Fremdkäufe geleistet !! Wenden Sie sich dazu an ihren Verkäufer ......

Tristan Uhde / Satanlagen Onlineshop / SAT-Shop Heilbronn
https://www.satshop-heilbronn.de (SSL) / SAT-Onlineforum https://www.satanlagenforum.de (SSL)
Tel ------ (Fragen gehören ins Forum ! Den nur hier können sie richtig bearbeitet werden, auch was hier noch nicht von A-Z genau schon erklärt/behandelt ist ) .. Dieser Hinweis weil täglich dutzende Fragen per Email oder per PM über das Forum rein kommen die noch dazu inhaltlich nicht das intus haben das man etwas dazu sagen könnte.

Wichtiger Hinweis: Zuständigkeiten verantwortliche Elektrofachkraft (VEFK) und Blitzschutzfachkräfte
Informieren Sie sich dort über Folgen und Auswirkungen von Eigenleistung und lassen Sie selbst durchgeführte Installationen von entsprechender Stelle prüfen und abnehmen. Dafür sind VOR ORT spezielle und qualifizierte Blitzschutz-Fachkräfte notwendig, Ferndiagnosen für Blitzschutz/Erdung können hier NICHT durchgeführt werden ("wie kann ICH das machen ..." oder ähnlich bringt da nichts).

Diese Signatur wächst von Woche zu Woche und enthält immer mehr grundlegende Inhalte die bitte berücksichtigt werden sollten bei bzw. VOR Anfragen !
100% beantwortet werden können nur Anfragen die auch alle relevanten Teile beinhalten die man benötigt für eine Antwort (genaue Beschreibungen/ Angabe von Herstellern/Typen für vorhandenes Material etc.). Bitte vermeiden Sie Aussagen wie "habe viel gelesen, aber versteht das nicht ..." ohne Nennung von dem was Sie gelesen haben und was genau unklar war an den Erklärungen die hier gelesen wurden - den nur dann kann man auch darauf eingehen was event. unklar ist/war.

Bitte unbedingt vor einem Post lesen => Boardregeln / Datenschutz
Wir erteilen hier keine Rechtsberatung, unsere Hinweise sind nach bestem Wissen und bedürfen einer entsprechenden juristischen/technischen weiteren Beratung.
Subbi
Neuling
Beiträge: 6
Registriert: 7. Juni 2018 16:28

Re: Umrüstung SAT-Anlage auf JESS

Ungelesener Beitrag von Subbi »

Vielen Dank für die schnelle Antwort.
techno-com hat geschrieben:Hatten sie nur einen Beitrag hier vorab gelesen ?
Einen aus der passenden Rubrik für Sat-Einkabelsysteme, einen Beitrag der auf der Startseite akt. ganz oben unter "aktuelle Beiträge" angezeigt wird oder die Boardsuche mal verwendet nach etwas das passen könnte ?
Ja, tatsächlich hatte ich viele der Beitäge gelesen (ich habe durchaus einige Zeit mit Lesen verbracht), auch viele der von Ihnen verlinkten. Da aber alle Anlagen zumindest in Teilen unterschiedlich sind, wollte ich gerne Verständnisfragen stellen.
techno-com hat geschrieben:Einen solchen Schalter kenne ich nicht, aber selbst Google kennt den nicht bzw. erst jetzt nachdem dieser Beitrag im Netz steht und dieser Typ hier genannt wurde :1122
Google-Suche danach => KLICK
Meinen sie nicht eher einen "TechniSat: TECHNIROUTER 5/2x4 K-R (Kaskade)" ?
Nein, ich meinte schon den, den ich benannt habe, insofern sind Überlegungen zum Technisat-Schalter irrelevant.
Unbenannt.png
techno-com hat geschrieben:Ein Bild von dem kompletten Aufbau hätte hier sofort Klarheit gebracht

War die Beschreibung unverständlich? Das tut mir leid, so kompliziert kam es mir gar nicht vor.
techno-com hat geschrieben:Eine Stichdose ist nicht immer falsch, siehe unter SAT-Anlage Neubau - Fragen vor Bestellung
Eh ein Beitrag den ich hier als grundsätzlich schon als "erkärt alle ihre Fragen" betiteln möchte und der ihnen genau ihre Lösung aufzeigen wird (incl. Antworten zu 90% ihrer Fragen).... das wäre einer der Beiträge gewesen der ganz oben in der passenden Rubrik steht und auch auf der Startseite unter "aktuelle Beiträge" steht.
Hatte ich gelesen, erklärt keinesfalls alle meine Fragen. Die Dosen werden nicht näher bezeichnet, und die Anlage ist vielen Punkten anders als das, was ich habe/plane. Auch in Bezug auf den Potentialausgleich, denn im verlinkten Beitrag ist der Aufbau anders. Vor allem stehen hier im Thread zwei (mittlerweile drei) unterschiedliche Lösungen im Raum, die vermutlich unterschiedliche Dosen benötigen. Aber ich denke, erstmal muss ich grundsätzlich entscheiden, in welche Richtung es geht, um mich dann um zur Lösung passende Dosen zu kümmern.
techno-com hat geschrieben:Das macht man aber anders !!! Da verwendet man am Unicable-Ausgang vom Multischalter erst eine passende Durchgangsdose (Jultec JAD310TRS Durchgangsdose mit 10db Auskoppeldämpfung) und geht dann intern aus dieser Dose weiter in den nächsten Raum auf eine Jultec JAD307TRS Enddose mit 7db Auskoppeldämpfung). Und dann schließt man die Receiver ohne weiteren Verteiler zwischen Dose und Receiver/Tuner-Eingang einfach direkt an die Antennendose an.
Weiterer Beitrag der so etwas erklärt => Solide Komponenten? + Fragen zur Anlagenplanung mit Multischalter + „Neues“ SAT Projekt
Auch wieder Beiträge die ich sehr nahe legen da sehr aufklärend über die ganze Sache die doch sehr komplex ist wenn man das alles richtig verstehen möchte was man plant und umsetzen möchte.
Dass man das offenbar anders macht, und dass die Sache komplex ist, hatte ich ja eingangs schon festgestellt. Deswegen auch hier die Suche nach Rat.
techno-com hat geschrieben:Ohne zu wissen wie die Antennen-Menu Einstellungen für die Unicable-Einstellungen da GENAU sind (für alle Tuner von allen Boxen, ggf. auch im Bild gezeigt und erklärt) kann ich dazu nichts sagen ......
Weiterhin die o.g. Sachen zum "Technisat" Multischalter der ja ggf. hier schon über ein falsches LNB betrieben wird und die anderen Sachen die ich zuvor schon erklärte/verlinkte.
Die Menüeinstellungen sind korrekt, aber das war auch nicht die Frage. Die Problembeschreibung diente der Erläuterung, wieso ich eine Erneuerung angehen möchte, hier hatte ich keine Frage gestellt. "O.g. Sachen zum "Technisat"-Multischalter" - wie gesagt, ich habe keinen.
Den Teil verstehe ich nicht. Dass ich für eine sinnvolle Lösung offenbar doch aufs Dach muss für ein Quattro-LNB, hatte ich im zweiten Post bereits erwähnt. Inwiefern der Dur-Line mich "vom Regen in die Traufe" bringen soll, verstehe ich auch nach Lektüre der verlinkten Beiträge nicht.
techno-com hat geschrieben:Was haben sie dann für einen Sat>IP Receiver der das empfängt ??
Ich glaube sie verwechseln hier "Sat>IP" mit der Funktion "Remote Channel Stream Converter" den die VU+ Box hat ...
Das sind 2 Paar Schuhe und passen nicht zusammen !

Sie haben vollkommen Recht. Ich nutze den Remote Channel Stream Converter mit einer anderen VU-Box als Empfänger. Das war unpräzise ausgedrückt. Gemeint war, "ich verteile Fernsehempfang über ein nicht koaxiales Datennetzwerk im Haus weiter." Dass die Technologie im Detail hier wichtig für meine Fragen ist, war mir nicht klar, sonst hätte ich mir natürlich mehr Mühe gegeben.
Falls ich bei anderen Lesern Verwirrung gestiftet habe, tut mir das leid. Sie hatten mich ja trotzdem richtig verstanden :1112
techno-com hat geschrieben:Das kann auch einfach nur eine falsche User-ID/-Frequenz Einstellung sein ...
Unwahrscheinlich. Erstens bin ich sicher, dass die Einstellungen korrekt waren, zweitens hängen die VU+ und der SKY-Receiver an unterschiedlichen Unicable-Ausgängen des dtron. Aber wie gesagt, das war hier auch nicht die Frage.
techno-com hat geschrieben:Wird in jedem verlinkten Beitrag genau alles erklärt, incl. Bildern dazu.

Deswegen auch die Frage, ob ich das alles so richtig verstanden hatte. Aber gut, ich lese die nochmal. ;)
techno-com hat geschrieben:Nein, die sind falsch .... oben aber von mir schon erklärt sowie auch in den verlinkten Beiträgen.

Jein. Aber ich arbeite mich nochmal durch.
techno-com hat geschrieben:Ja, immer alle ! Auch alles erklärt in den verlinkten Beiträgen, viele auch mit Bildern dazu.

Gut, dann hatte ich das ja beim Lesen richtig verstanden. :1147
techno-com hat geschrieben:oder wenn es mehr Umsetzungen sein sollen pro Unicable-Ausgang:
Jultec JPS0502-8+4T Unicable-Multischalter (2x8 UBs/IDs/Umsetzungen + 4x Legacy)
Der wirkt ganz interessant, ich verstehe aber nicht ganz, wieso der als Lösung geeigneter wäre als der DUR-Line DPC32k bei Nutzung nur des einen Kabels, ein Legacy-Ausgang würde reichen.

Außerdem bleibt die Frage
subbi hat geschrieben: ob Dur-Line DCR 5-2-4L4 Unicable Einkabel Multischalter (2x4+4) nicht auch eine Lösung wäre, wenn auch mit weniger Möglichkeiten.

Ich habe das so verstanden, dass es weniger sinnvoll wäre als eine Lösung mit Quattro-LNB, aber möglich.
Den haben Sie glaube ich hier mal als Möglichkeit formuliert, wenn auch weniger sinnvoll als eine Lösung mit Quatto-LNB. Ich hab ja gelesen und die Suchfunktion benutzt...
Unicable 2 / JESS Multischalter für Quad LNB

Vielen Dank, dass Sie sich die Zeit genommen haben, einen Beitrag zu verfassen. Ich werde mir Ihre Hinweise zu Herzen nehmen und noch mehr lesen und googeln. Dann finde ich schon was.
Benutzeravatar
techno-com
Site Admin
Beiträge: 22464
Registriert: 17. November 2005 09:32
Wohnort: 74076 Heilbronn
Hat sich bedankt: 505 Mal
Danksagung erhalten: 575 Mal
Kontaktdaten:

Re: Umrüstung SAT-Anlage auf JESS

Ungelesener Beitrag von techno-com »

Subbi hat geschrieben:Vielen Dank für die schnelle Antwort.
Kein Act, ich arbeite da immer gerne mit und versuch mein Bestes zu geben :superman:
Subbi hat geschrieben:Nein, ich meinte schon den, den ich benannt habe, insofern sind Überlegungen zum Technisat-Schalter irrelevant.
Unbenannt.png
Hammer ... ich habe dazu absolut nichts gefunden und so ein Teil ist mir auch persönlich gänzlich unbekannt !
Die Überlegungen die ich gemacht hatte sind aber nicht vom Tisch, ich brauche von diesem Schalter einfach jetzt erst einmal Daten ....
Suche weiter ..... oder hätten sie ein Datenblatt das der Lieferung beilag ? Steht da noch irgendwo was drauf auf dem Schalter ?
Subbi hat geschrieben:War die Beschreibung unverständlich? Das tut mir leid, so kompliziert kam es mir gar nicht vor.
Bilder zeigen immer mehr als 1000 Worte, Zeichnungen sind einfacher zu verstehen und auch für mich als Vorlage das ich mir Gedanken machen kann über alles .....


Das jetzt nur kurz und knapp, muss um 16 Uhr meine Sohn abholen und bin ab sofort "auf der Flucht" :1128
Das Wochenende werde ich auch keine Zeit finden mehr fürs Forum, stressiger Tag morgen mit Leitung eines Jugend-Spieltages (200-300 Leute, ca. 150 Kinder !?) und dazu noch Trainer dort in einer Mannschaft ... Heim-Spieltag, ich habe heute schon muffensausen das morgen alles glatt läuft.
Vielleicht sind wir nicht günstiger als ein Discounter oder reiner Online-Kartonschieber, aber sicherlich besser !
Normkonforme Beratung und Bau sind bei uns selbstverständlich.
Sat-Shop Heilbronn Kunden können sich auch nach dem Kauf auf unseren besten Service verlassen
Hier im Forum wird kein After-Sales-Support für Fremdkäufe geleistet !! Wenden Sie sich dazu an ihren Verkäufer ......

Tristan Uhde / Satanlagen Onlineshop / SAT-Shop Heilbronn
https://www.satshop-heilbronn.de (SSL) / SAT-Onlineforum https://www.satanlagenforum.de (SSL)
Tel ------ (Fragen gehören ins Forum ! Den nur hier können sie richtig bearbeitet werden, auch was hier noch nicht von A-Z genau schon erklärt/behandelt ist ) .. Dieser Hinweis weil täglich dutzende Fragen per Email oder per PM über das Forum rein kommen die noch dazu inhaltlich nicht das intus haben das man etwas dazu sagen könnte.

Wichtiger Hinweis: Zuständigkeiten verantwortliche Elektrofachkraft (VEFK) und Blitzschutzfachkräfte
Informieren Sie sich dort über Folgen und Auswirkungen von Eigenleistung und lassen Sie selbst durchgeführte Installationen von entsprechender Stelle prüfen und abnehmen. Dafür sind VOR ORT spezielle und qualifizierte Blitzschutz-Fachkräfte notwendig, Ferndiagnosen für Blitzschutz/Erdung können hier NICHT durchgeführt werden ("wie kann ICH das machen ..." oder ähnlich bringt da nichts).

Diese Signatur wächst von Woche zu Woche und enthält immer mehr grundlegende Inhalte die bitte berücksichtigt werden sollten bei bzw. VOR Anfragen !
100% beantwortet werden können nur Anfragen die auch alle relevanten Teile beinhalten die man benötigt für eine Antwort (genaue Beschreibungen/ Angabe von Herstellern/Typen für vorhandenes Material etc.). Bitte vermeiden Sie Aussagen wie "habe viel gelesen, aber versteht das nicht ..." ohne Nennung von dem was Sie gelesen haben und was genau unklar war an den Erklärungen die hier gelesen wurden - den nur dann kann man auch darauf eingehen was event. unklar ist/war.

Bitte unbedingt vor einem Post lesen => Boardregeln / Datenschutz
Wir erteilen hier keine Rechtsberatung, unsere Hinweise sind nach bestem Wissen und bedürfen einer entsprechenden juristischen/technischen weiteren Beratung.
Subbi
Neuling
Beiträge: 6
Registriert: 7. Juni 2018 16:28

Re: Umrüstung SAT-Anlage auf JESS

Ungelesener Beitrag von Subbi »

Wie gesagt, vielen Dank, dass Sie sich die Zeit für eine Antwort genommen haben. Ich wühle mich weiter durch und werde schon eine Lösung finden.
techno-com hat geschrieben: Das Wochenende werde ich auch keine Zeit finden mehr fürs Forum, stressiger Tag morgen mit Leitung eines Jugend-Spieltages (200-300 Leute, ca. 150 Kinder !?) und dazu noch Trainer dort in einer Mannschaft ... Heim-Spieltag, ich habe heute schon muffensausen das morgen alles glatt läuft.
Das ist allerdings eine Aufgabe! Ich wünsche ein sportlich wie organisatorisch höchst erfolgreiches Wochenende!
guba
Foren-As
Beiträge: 846
Registriert: 19. November 2013 08:14
Danksagung erhalten: 106 Mal

Re: Umrüstung SAT-Anlage auf JESS

Ungelesener Beitrag von guba »

Hallo Subbi

Da ist nicht der dtron schuld ...
Hier noch ein besseres Bild (DUC 5-1x8 K), K für Kaskade
dtron_duc.jpg
... sondern der Ankaro ist der Übeltäter, der wie Du richtig vermutet hast, den dtron mit Strom versorgt
Ankaro SEM-5x8-AN.JPG
Dieses Gerät ist jetzt ca. 14. Jahre alt (siehe PDF, auf der ersten Seite rot eingekreist 9. März 2005
Multiswitch-SEM-5x24-AN-1.pdf
(547.88 KiB) 511-mal heruntergeladen

Nach dieser langen Zeit geben langsam die Kondensatoren im Netzteil den Geist auf.
Hier habe ich das Netzteil des Spauns geöffnet, der dieselben Symptome zeigte. Irgendwann kam als der Nachbar von unten und sagte, er hätte kein Signal mehr. Switch vom Strom trennen und wieder einstecken und er lief wieder einige Zeit.

Hier auf dem Bild ist der grosse schwarze Kondensator defekt. Dies sieht man daran, dass er oben bombiert (aufgewölbt) ist. Dies dadurch, dass sich im Innern des Elkos Gas bildete. Er kann wie hier auch an den Sollbruchlinien aufreissen.
defekter_Kondensator.jpg
Also den Ankaro ersetzen und den dtron (DUC sind nicht mehr erhältlich) laufen lassen ...
Oder beide gleich durch ein neues Gerät ersetzen. Von Jultec gibt es ja Kombigeräte Unicable/Legacy bzw. sie merken, ob ein Unicable/Jess-Signal oder ein herkömmliches Legacy-Signal an einem Ausgang anliegt.

Gruss
Guido
Benutzeravatar
techno-com
Site Admin
Beiträge: 22464
Registriert: 17. November 2005 09:32
Wohnort: 74076 Heilbronn
Hat sich bedankt: 505 Mal
Danksagung erhalten: 575 Mal
Kontaktdaten:

Re: Umrüstung SAT-Anlage auf JESS

Ungelesener Beitrag von techno-com »

Subbi hat geschrieben:Das ist allerdings eine Aufgabe! Ich wünsche ein sportlich wie organisatorisch höchst erfolgreiches Wochenende!
:thx lief alles :1147
ABER mit sehr viel Stress .... erst kam eine Mannschaft nicht (2 gemeldet, nur eine dabei) ... dafür aber eine andere dann mit 2 gekommen (1 gemeldet, 2 dabei). Ja, klingt einfach ... aber da muss man in 2 Gruppen dann auch aufpassen das die 1. und 2. Mannschaften zusammen spielen .... aber die mit 2 gekommen sind hatte nur ihre 2. gemeldet (da geht es nach Jahrgängen) und auf einmal hatten wir eine erste mehr, dafür aber eine 2. weniger. Autsch.... totel den Spielplan umstellen müssen, und das weniger als eine Stunde vor Turnier-Beginn. Die Vorlage dafür ist auch mit so vielen Fehlern versehen (Verbands-Vorlage für Spielpläne) das dann auf einmal über diesen generieren Spielplan eine Mannschaft 3, viele 4 und eine sogar 5 Spiele hat ... sauber ! Aber dann kommt noch dazu das natürlich Pausen für die Mannschaften auch eingehalten werden müssen, der Plan aber hatte eine Mannschaft direkt 3x nacheinandere eingeteilt. Irgendwann lief das dann, bei über 30 Grad kostete mich das Liter an Schweiß :1137
Das war organisatorisch ...

Sportlich lief es aber ... meine Jungs haben das gerockt, kein Spiel verloren und nur eines unentschieden :1111

Dann kam nachdem ALLES zu Ende war das Unwetter .... wir waren gerade noch beim aufräumen, zählen etc. etc.... über 2 Stunden festgesessen ! Heim gekommen und mein Türtelefon war an ... Blitzeinschlag in der Nachbarschaft wohl gewesen, statische Überspannung jetzt auch mich erwischt ! Aber nichts was ich gebaut habe :1118
guba hat geschrieben:... sondern der Ankaro ist der Übeltäter, der wie Du richtig vermutet hast, den dtron mit Strom versorgt
Kann man den Dtron nicht uni-solo betreiben ? Wo wäre dann dessen Netzteil Anschluss ?
Kann ja nicht sein das da dahinter immer ein anderer Multischalter sein muss der die LNB-Spannungsversorgung übernimmt ..... und das könnte man ja dann mal testen, also den Dtron mit einem Nettzeil versehen. Wäre die Aufklärung für diese These, ein recht einfacher Test.
guba hat geschrieben:Ankaro SEM-5x8-AN.JPG
Dieses Gerät ist jetzt ca. 14. Jahre alt (siehe PDF, auf der ersten Seite rot eingekreist 9. März 2005
Multiswitch-SEM-5x24-AN-1.pdf
Nach dieser langen Zeit geben langsam die Kondensatoren im Netzteil den Geist auf.
Ist der Quad-LNB tauglich ? Hier versorgt ja ein solches .. habe dazu nichts gefunden !
Aber, zeigt wieder ggf. auch den mehr-Stromverbrauch von Quad-LNBs in solchen Aufbauten damit, und das erklärt dann auch warum ein Netzteil ggf. mal irgendwann überansprucht ist.
Vielleicht sind wir nicht günstiger als ein Discounter oder reiner Online-Kartonschieber, aber sicherlich besser !
Normkonforme Beratung und Bau sind bei uns selbstverständlich.
Sat-Shop Heilbronn Kunden können sich auch nach dem Kauf auf unseren besten Service verlassen
Hier im Forum wird kein After-Sales-Support für Fremdkäufe geleistet !! Wenden Sie sich dazu an ihren Verkäufer ......

Tristan Uhde / Satanlagen Onlineshop / SAT-Shop Heilbronn
https://www.satshop-heilbronn.de (SSL) / SAT-Onlineforum https://www.satanlagenforum.de (SSL)
Tel ------ (Fragen gehören ins Forum ! Den nur hier können sie richtig bearbeitet werden, auch was hier noch nicht von A-Z genau schon erklärt/behandelt ist ) .. Dieser Hinweis weil täglich dutzende Fragen per Email oder per PM über das Forum rein kommen die noch dazu inhaltlich nicht das intus haben das man etwas dazu sagen könnte.

Wichtiger Hinweis: Zuständigkeiten verantwortliche Elektrofachkraft (VEFK) und Blitzschutzfachkräfte
Informieren Sie sich dort über Folgen und Auswirkungen von Eigenleistung und lassen Sie selbst durchgeführte Installationen von entsprechender Stelle prüfen und abnehmen. Dafür sind VOR ORT spezielle und qualifizierte Blitzschutz-Fachkräfte notwendig, Ferndiagnosen für Blitzschutz/Erdung können hier NICHT durchgeführt werden ("wie kann ICH das machen ..." oder ähnlich bringt da nichts).

Diese Signatur wächst von Woche zu Woche und enthält immer mehr grundlegende Inhalte die bitte berücksichtigt werden sollten bei bzw. VOR Anfragen !
100% beantwortet werden können nur Anfragen die auch alle relevanten Teile beinhalten die man benötigt für eine Antwort (genaue Beschreibungen/ Angabe von Herstellern/Typen für vorhandenes Material etc.). Bitte vermeiden Sie Aussagen wie "habe viel gelesen, aber versteht das nicht ..." ohne Nennung von dem was Sie gelesen haben und was genau unklar war an den Erklärungen die hier gelesen wurden - den nur dann kann man auch darauf eingehen was event. unklar ist/war.

Bitte unbedingt vor einem Post lesen => Boardregeln / Datenschutz
Wir erteilen hier keine Rechtsberatung, unsere Hinweise sind nach bestem Wissen und bedürfen einer entsprechenden juristischen/technischen weiteren Beratung.
guba
Foren-As
Beiträge: 846
Registriert: 19. November 2013 08:14
Danksagung erhalten: 106 Mal

Re: Umrüstung SAT-Anlage auf JESS

Ungelesener Beitrag von guba »

Ist quadtauglich. Ich nehme an, dies war damals schon so.
ANKARO-Datenblatt-SEM-5x.pdf
(2.13 MiB) 341-mal heruntergeladen
Hier das Basisgerät der Serie
dtron_Basis.jpg
dtron_Basis.jpg (8.21 KiB) 4246 mal betrachtet
Ich habe eine Anfrage geschickt betreffend stand-alone-Betrieb. Mal schauen, ob eine Antwort kommt.

DIe Google-Links verweisen auf nicht mehr existente Seiten auf der Homepage
Benutzeravatar
techno-com
Site Admin
Beiträge: 22464
Registriert: 17. November 2005 09:32
Wohnort: 74076 Heilbronn
Hat sich bedankt: 505 Mal
Danksagung erhalten: 575 Mal
Kontaktdaten:

Re: Umrüstung SAT-Anlage auf JESS

Ungelesener Beitrag von techno-com »

guba hat geschrieben:Ist quadtauglich. Ich nehme an, dies war damals schon so.
ANKARO-Datenblatt-SEM-5x.pdf
Das ist ja ein anderer Schalter, in dessen Datenblatt steht nichts davon ... daher meine Frage !
guba hat geschrieben:Hier das Basisgerät der Serie
dtron_Basis.jpg
OK, das ist dann das orig. Basisgerät das die LNB-Spannungsversorgung übernehmen könnte ..... :1147
guba hat geschrieben:Ich habe eine Anfrage geschickt betreffend stand-alone-Betrieb. Mal schauen, ob eine Antwort kommt.
Da kann ja nur dann eine Antwort kommen: "dafür ist unser Basisgerät da" :1128
Das aber auch jedes andere Gerät gehen würde, wie hier bisher, wird wohl nicht gesagt :1132
guba hat geschrieben:DIe Google-Links verweisen auf nicht mehr existente Seiten auf der Homepage
Ist ja auch "altes Zeugs" das es ggf. gar nicht mehr gibt .... dann werden die Seiten gelöscht statt stehen zu lassen das man auch dann noch mal die Daten runter holen könnte/einsehen könnte.
Vielleicht sind wir nicht günstiger als ein Discounter oder reiner Online-Kartonschieber, aber sicherlich besser !
Normkonforme Beratung und Bau sind bei uns selbstverständlich.
Sat-Shop Heilbronn Kunden können sich auch nach dem Kauf auf unseren besten Service verlassen
Hier im Forum wird kein After-Sales-Support für Fremdkäufe geleistet !! Wenden Sie sich dazu an ihren Verkäufer ......

Tristan Uhde / Satanlagen Onlineshop / SAT-Shop Heilbronn
https://www.satshop-heilbronn.de (SSL) / SAT-Onlineforum https://www.satanlagenforum.de (SSL)
Tel ------ (Fragen gehören ins Forum ! Den nur hier können sie richtig bearbeitet werden, auch was hier noch nicht von A-Z genau schon erklärt/behandelt ist ) .. Dieser Hinweis weil täglich dutzende Fragen per Email oder per PM über das Forum rein kommen die noch dazu inhaltlich nicht das intus haben das man etwas dazu sagen könnte.

Wichtiger Hinweis: Zuständigkeiten verantwortliche Elektrofachkraft (VEFK) und Blitzschutzfachkräfte
Informieren Sie sich dort über Folgen und Auswirkungen von Eigenleistung und lassen Sie selbst durchgeführte Installationen von entsprechender Stelle prüfen und abnehmen. Dafür sind VOR ORT spezielle und qualifizierte Blitzschutz-Fachkräfte notwendig, Ferndiagnosen für Blitzschutz/Erdung können hier NICHT durchgeführt werden ("wie kann ICH das machen ..." oder ähnlich bringt da nichts).

Diese Signatur wächst von Woche zu Woche und enthält immer mehr grundlegende Inhalte die bitte berücksichtigt werden sollten bei bzw. VOR Anfragen !
100% beantwortet werden können nur Anfragen die auch alle relevanten Teile beinhalten die man benötigt für eine Antwort (genaue Beschreibungen/ Angabe von Herstellern/Typen für vorhandenes Material etc.). Bitte vermeiden Sie Aussagen wie "habe viel gelesen, aber versteht das nicht ..." ohne Nennung von dem was Sie gelesen haben und was genau unklar war an den Erklärungen die hier gelesen wurden - den nur dann kann man auch darauf eingehen was event. unklar ist/war.

Bitte unbedingt vor einem Post lesen => Boardregeln / Datenschutz
Wir erteilen hier keine Rechtsberatung, unsere Hinweise sind nach bestem Wissen und bedürfen einer entsprechenden juristischen/technischen weiteren Beratung.
guba
Foren-As
Beiträge: 846
Registriert: 19. November 2013 08:14
Danksagung erhalten: 106 Mal

Re: Umrüstung SAT-Anlage auf JESS

Ungelesener Beitrag von guba »

Hallo Tristan
Lies mal ...
dtron_duc_kom.jpg
Von dtron gibt es übrigens keine unicable-switch mehr, jedenfalls nicht auf der Homepage.
Habe bis jetzt noch keine Antwort.
Benutzeravatar
techno-com
Site Admin
Beiträge: 22464
Registriert: 17. November 2005 09:32
Wohnort: 74076 Heilbronn
Hat sich bedankt: 505 Mal
Danksagung erhalten: 575 Mal
Kontaktdaten:

Re: Umrüstung SAT-Anlage auf JESS

Ungelesener Beitrag von techno-com »

Das ist der Dtron, ich sprach vom Ankaro wo im Datenblatt nichts drin steht von Quad-tauglich ........ und bei dem auch nicht Sieg dem Gerät aufgedruckt !
Das Datenblatt von dem wo das drin steht war von anderem Schalter ...
techno-com hat geschrieben:
guba hat geschrieben:Ist quadtauglich. Ich nehme an, dies war damals schon so.
ANKARO-Datenblatt-SEM-5x.pdf
Das ist ja ein anderer Schalter, in dessen Datenblatt steht nichts davon ... daher meine Frage !
Auf die Antwort wirst du sicher noch sehr lange warten ....
Ggf muss die auch erst übersetzt werden von da wo sie her kommen würde das sie gelesen werden kann .....
Vielleicht sind wir nicht günstiger als ein Discounter oder reiner Online-Kartonschieber, aber sicherlich besser !
Normkonforme Beratung und Bau sind bei uns selbstverständlich.
Sat-Shop Heilbronn Kunden können sich auch nach dem Kauf auf unseren besten Service verlassen
Hier im Forum wird kein After-Sales-Support für Fremdkäufe geleistet !! Wenden Sie sich dazu an ihren Verkäufer ......

Tristan Uhde / Satanlagen Onlineshop / SAT-Shop Heilbronn
https://www.satshop-heilbronn.de (SSL) / SAT-Onlineforum https://www.satanlagenforum.de (SSL)
Tel ------ (Fragen gehören ins Forum ! Den nur hier können sie richtig bearbeitet werden, auch was hier noch nicht von A-Z genau schon erklärt/behandelt ist ) .. Dieser Hinweis weil täglich dutzende Fragen per Email oder per PM über das Forum rein kommen die noch dazu inhaltlich nicht das intus haben das man etwas dazu sagen könnte.

Wichtiger Hinweis: Zuständigkeiten verantwortliche Elektrofachkraft (VEFK) und Blitzschutzfachkräfte
Informieren Sie sich dort über Folgen und Auswirkungen von Eigenleistung und lassen Sie selbst durchgeführte Installationen von entsprechender Stelle prüfen und abnehmen. Dafür sind VOR ORT spezielle und qualifizierte Blitzschutz-Fachkräfte notwendig, Ferndiagnosen für Blitzschutz/Erdung können hier NICHT durchgeführt werden ("wie kann ICH das machen ..." oder ähnlich bringt da nichts).

Diese Signatur wächst von Woche zu Woche und enthält immer mehr grundlegende Inhalte die bitte berücksichtigt werden sollten bei bzw. VOR Anfragen !
100% beantwortet werden können nur Anfragen die auch alle relevanten Teile beinhalten die man benötigt für eine Antwort (genaue Beschreibungen/ Angabe von Herstellern/Typen für vorhandenes Material etc.). Bitte vermeiden Sie Aussagen wie "habe viel gelesen, aber versteht das nicht ..." ohne Nennung von dem was Sie gelesen haben und was genau unklar war an den Erklärungen die hier gelesen wurden - den nur dann kann man auch darauf eingehen was event. unklar ist/war.

Bitte unbedingt vor einem Post lesen => Boardregeln / Datenschutz
Wir erteilen hier keine Rechtsberatung, unsere Hinweise sind nach bestem Wissen und bedürfen einer entsprechenden juristischen/technischen weiteren Beratung.
Subbi
Neuling
Beiträge: 6
Registriert: 7. Juni 2018 16:28

Re: Umrüstung SAT-Anlage auf JESS

Ungelesener Beitrag von Subbi »

So, da bin ich wieder. Glückwunsch zum erfolgreichen Turnier! Wir hatten auch mehrere Saisonabschlüsse an diesem Wochenende...

Danke für die Antworten und Überlegungen!
Zu den Fragen der Tauglichkeit: dtron natürlich tauglich. Ankaro laut Aufschrift "Quattro-Switch-LNB-tauglich". Damit also auch quadtauglich. Ich hab den Ankaro aufgeschraubt, kein Elko wölbt sich oder ist gar geplatzt. Sieht alles ganz i.O. aus. Insofern bin ich immer noch ratlos. Aber:

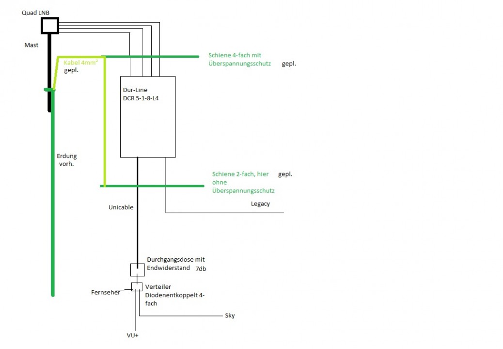
Es musste aber schnell gehen, meine Familie wollte am WE fernsehen. Und damit wurde die Zeit für eine lanwierige Fehlersuche knapp. Und ich habe im Nachbarort einen Dur-line DCR 5-1-8-L4 aufgetrieben (wäre im Shop nicht lieferbar gewesen), den habe ich jetzt erstmal angeschlossen und zumindest funktioniert es. Bleiben soll das langfristig so allerdings nicht unbedingt. Im Moment habe ich eines der beiden Kabel ins Wohnzimmer stillgelegt, und das andere mit den Unicable-Anschluss runtergeführt, dass ich dann im Wohnzimmer mit dem Verteiler aufsplitte, den ich noch hatte.

Ich weiß, das ist ganz und gar nicht die optimale Lösung im Hinblick auf das LNB / Stromverbrauch usw. Trotzdem möchte ich das natürlich zuerst einmal in Bezug auf Potentialausgleich und Dosen vernünftig lösen. Das heißt, ich habe mir mal einen Warenkorb zusammengestellt, der sieht so aus:


1x Potentialausgleichsschiene 4-fach mit 4x Überspannungsschutz
1x Potentialausgleichsschiene 4-fach ohne Überspannungsschutz
3m PA-Kabel 4mm²
2x Cabelcon Self-Install Stecker 5.1er

Damit würde das ganze im Plan im Moment so aussehen:
Schema.jpg
Wie gesagt, der Multischalter ist unter dem Dach quasi direkt neben dem Antennenmast.

Der Legacy hängt an einer Dose, die von den Elektrikern damals mit installiert worden war. Ich tippe auf eine Stichdose mit geringer Dämpfung, hab aber noch nicht nachgesehen. Das Kabel ins WZ kommt in einer Durchgangsdose an. Wenn ich das vorher richtig verstanden hatte, müsste ich jetzt an die Dose zum Beispiel den VU hängen, von der Dose weiterführen in einer weitere Durchgangsdose, an die ich den Sky-Receiver hänge und von da weiter an eine (Stich?)-Dose, an der der Fernseher am Ende hängt.
Das wären die:
Dur-Line Sat-Durchgangsdose mit Diodenentkopplung
und am letzen Fernseher die
Dur-Line Sat 3-Loch Stichdose

Sehe ich das so richtig? Die Receiver zeigen momentan eine Signalstärke >60% bei einer Qualität zw. 98 und 100...
Benutzeravatar
techno-com
Site Admin
Beiträge: 22464
Registriert: 17. November 2005 09:32
Wohnort: 74076 Heilbronn
Hat sich bedankt: 505 Mal
Danksagung erhalten: 575 Mal
Kontaktdaten:

Re: Umrüstung SAT-Anlage auf JESS

Ungelesener Beitrag von techno-com »

Subbi hat geschrieben:So, da bin ich wieder.
Hallo zurück :1119
Subbi hat geschrieben:Glückwunsch zum erfolgreichen Turnier!
:thx
Subbi hat geschrieben:Wir hatten auch mehrere Saisonabschlüsse an diesem Wochenende...
Hoffe gut erholt :1121
Subbi hat geschrieben:Danke für die Antworten und Überlegungen!
:1147
Subbi hat geschrieben:Ich hab den Ankaro aufgeschraubt, kein Elko wölbt sich oder ist gar geplatzt. Sieht alles ganz i.O. aus. Insofern bin ich immer noch ratlos.
Ein Elko muss nicht unbedingt gewölbt sein bzw. sichtlich eine Beschädigung aufweisen ! Humax ICord, Kathrein UFS921/922 uvm. Receiver hatte ich schon zu hunderte hier mit den allseits bekannten Elko-Problemen im Netzteil .... 3-7 Elkos getauscht, 95% ohne das etwas daran nur ersichtlich war, und die Geräte laufen alle wieder. Jetzt aber zumeist mit anderen Elkos die stabiler sind so daß dieses Problem bei diesen Gerät nicht mehr aufgetreten ist.
Subbi hat geschrieben:Aber:

Es musste aber schnell gehen, meine Familie wollte am WE fernsehen. Und damit wurde die Zeit für eine lanwierige Fehlersuche knapp.
Schnell ist nicht immer die beste Wahl .... aber das haben sie ja noch folgend auch selbst geschrieben.
Subbi hat geschrieben:Und ich habe im Nachbarort einen Dur-line DCR 5-1-8-L4 aufgetrieben (wäre im Shop nicht lieferbar gewesen), ...
Richtig, der "alte" ist bei uns ausverkauft => Dur-Line DCR 5-1-8L4
Aber dafür haben wir den "neuen" V2 => Dur-Line DCR 5-1-8L4 V2
Steht sogar beim "alten" in der ersten Zeile der Artikelbeschreibung.
Dur-Line DCR 5-1-8L4 V2 Hinweis
Dur-Line DCR 5-1-8L4 V2 Hinweis
Auch alle anderen Versionen dieser Schalter sind alle ab Lager lieferbar.
Subbi hat geschrieben:Im Moment habe ich eines der beiden Kabel ins Wohnzimmer stillgelegt, und das andere mit den Unicable-Anschluss runtergeführt, dass ich dann im Wohnzimmer mit dem Verteiler aufsplitte, den ich noch hatte.
Da wäre sicherlich der Dur-Line DCR 5-2-4L4 aktuell die bessere Wahl gewesen ... ein Kabel zur VU+ direkt (4 UBs) und ein Kabel an einen 2-fach Verteiler und dann zur Sky-Box + an den TV.
Wäre ein getrennter Aufbau gewesen .... alternativ hätte man auch den TV (Single-Tuner ?) auch über einen der Legacy-Ausgänge und das 2. Kabel da runter direkt versorgen können.
Subbi hat geschrieben:Ich weiß, das ist ganz und gar nicht die optimale Lösung im Hinblick auf das LNB / Stromverbrauch usw. Trotzdem möchte ich das natürlich zuerst einmal in Bezug auf Potentialausgleich und Dosen vernünftig lösen. Das heißt, ich habe mir mal einen Warenkorb zusammengestellt, der sieht so aus:

1x Potentialausgleichsschiene 4-fach mit 4x Überspannungsschutz
1x Potentialausgleichsschiene 4-fach ohne Überspannungsschutz
3m PA-Kabel 4mm²
2x Cabelcon Self-Install Stecker 5.1er
Ich würde da einen 11-fach Erdungsblock nehmen, dann wäre gleich ausgesorgt wenn mal mehr Legacy ins Spiel kommen die jetzt keinen Platz auf dem Erdungsblock hätten ...
4x Kabel vom LNB kommend + 1-2x Unicable + 4x Legacy wären ja da.
Die Überspannunungsschütze einzeln dann eben hinzu.
Nur 2 neue Stecker, warum nicht gleich alle richtig gemacht ? Da auch, wenn dann der Entschluss kommt auf Quattro-LNB umzubauen, diese Stecker dort gleich richtig wählen + montieren.
Und dann fehlen F-Endwiderstände DC-entkoppelt für alle offenen Ein- und Ausgänge (terr. Eingang + offene Teilnehmerausgänge).
Subbi hat geschrieben:Der Legacy hängt an einer Dose, die von den Elektrikern damals mit installiert worden war. Ich tippe auf eine Stichdose mit geringer Dämpfung, hab aber noch nicht nachgesehen.
Eine STICHdose wäre hier richtig.
Subbi hat geschrieben:Das Kabel ins WZ kommt in einer Durchgangsdose an. Wenn ich das vorher richtig verstanden hatte, müsste ich jetzt an die Dose zum Beispiel den VU hängen, von der Dose weiterführen in einer weitere Durchgangsdose, an die ich den Sky-Receiver hänge und von da weiter an eine (Stich?)-Dose, an der der Fernseher am Ende hängt.
Das wären die:
Dur-Line Sat-Durchgangsdose mit Diodenentkopplung
und am letzen Fernseher die
Dur-Line Sat 3-Loch Stichdose
Was ist das den genau für eine "Durchgangsdose mit Endwiderstand 7db" ? Hier sollte eine ENDdose rein (Jultec JAD307TRS).
Die von ihnen genannten Dosen wären absolut nicht richtig, eine "Stichdose" hätte in einer Einkabel-Reihenschaltung nichts zu suchen und dieser Dose fehlt eh die notwendige Diodenentkopplung. WENN man 2 Dosen an einer Einkabelanlage in Reihe schaltet dann wären das Jultec JAD310TRS Durchgangsdose => Jultec JAD307TRS Enddose.
In ihrem Fall reicht aber, die beiden Geräten stehen ja direkt nebeneinander, eine JAD307TRS Enddose aus und dahinter dann ein diodenentkoppelter 2-fach Verteiler (z.B. Kathrein EBC10).
Subbi hat geschrieben:Sehe ich das so richtig? Die Receiver zeigen momentan eine Signalstärke >60% bei einer Qualität zw. 98 und 100...
Receiver sind Schätzeisen und keine Messgeräte, auf deren Anzeigen kann man nichts geben. "%" ist auch keine Messeinheit, "%" von was ist das gemeint (Bezugspunkt/Messeinheit) fehlt ganz einfach .... eine Signalstärke misst man in dbµV und die Signalqualität wird über die MER/BER/VBER ausgeben (db). Das kann aber kein Receiver wirklich.
Vielleicht sind wir nicht günstiger als ein Discounter oder reiner Online-Kartonschieber, aber sicherlich besser !
Normkonforme Beratung und Bau sind bei uns selbstverständlich.
Sat-Shop Heilbronn Kunden können sich auch nach dem Kauf auf unseren besten Service verlassen
Hier im Forum wird kein After-Sales-Support für Fremdkäufe geleistet !! Wenden Sie sich dazu an ihren Verkäufer ......

Tristan Uhde / Satanlagen Onlineshop / SAT-Shop Heilbronn
https://www.satshop-heilbronn.de (SSL) / SAT-Onlineforum https://www.satanlagenforum.de (SSL)
Tel ------ (Fragen gehören ins Forum ! Den nur hier können sie richtig bearbeitet werden, auch was hier noch nicht von A-Z genau schon erklärt/behandelt ist ) .. Dieser Hinweis weil täglich dutzende Fragen per Email oder per PM über das Forum rein kommen die noch dazu inhaltlich nicht das intus haben das man etwas dazu sagen könnte.

Wichtiger Hinweis: Zuständigkeiten verantwortliche Elektrofachkraft (VEFK) und Blitzschutzfachkräfte
Informieren Sie sich dort über Folgen und Auswirkungen von Eigenleistung und lassen Sie selbst durchgeführte Installationen von entsprechender Stelle prüfen und abnehmen. Dafür sind VOR ORT spezielle und qualifizierte Blitzschutz-Fachkräfte notwendig, Ferndiagnosen für Blitzschutz/Erdung können hier NICHT durchgeführt werden ("wie kann ICH das machen ..." oder ähnlich bringt da nichts).

Diese Signatur wächst von Woche zu Woche und enthält immer mehr grundlegende Inhalte die bitte berücksichtigt werden sollten bei bzw. VOR Anfragen !
100% beantwortet werden können nur Anfragen die auch alle relevanten Teile beinhalten die man benötigt für eine Antwort (genaue Beschreibungen/ Angabe von Herstellern/Typen für vorhandenes Material etc.). Bitte vermeiden Sie Aussagen wie "habe viel gelesen, aber versteht das nicht ..." ohne Nennung von dem was Sie gelesen haben und was genau unklar war an den Erklärungen die hier gelesen wurden - den nur dann kann man auch darauf eingehen was event. unklar ist/war.

Bitte unbedingt vor einem Post lesen => Boardregeln / Datenschutz
Wir erteilen hier keine Rechtsberatung, unsere Hinweise sind nach bestem Wissen und bedürfen einer entsprechenden juristischen/technischen weiteren Beratung.
guba
Foren-As
Beiträge: 846
Registriert: 19. November 2013 08:14
Danksagung erhalten: 106 Mal

Re: Umrüstung SAT-Anlage auf JESS

Ungelesener Beitrag von guba »

techno-com hat geschrieben:Das ist der Dtron, ich sprach vom Ankaro wo im Datenblatt nichts drin steht von Quad-tauglich ........ und bei dem auch nicht Sieg dem Gerät aufgedruckt !
Das Datenblatt von dem wo das drin steht war von anderem Schalter ...
«Mit lies mal ...» meinte ich die zweite Zeile:
Nur verwendbar in Verbindung mit einem Basisgerät

Das Datenblatt ist vom aktuellen Ankaro SEM (ohne AN oder N).
Ich hatte geschrieben, dass ich vermute, der AN sei auch Quad-fähig
Subbi
Neuling
Beiträge: 6
Registriert: 7. Juni 2018 16:28

Re: Umrüstung SAT-Anlage auf JESS

Ungelesener Beitrag von Subbi »

techno-com hat geschrieben:Schnell ist nicht immer die beste Wahl .... aber das haben sie ja noch folgend auch selbst geschrieben.
Da haben Sie Recht, das ist mir durchaus bewusst. Aber mir ist lieber, ich bin in einer funktionierenden Umgebung und kann in Ruhe eine sinnvolle Lösung planen.
techno-com hat geschrieben:Richtig, der "alte" ist bei uns ausverkauft => Dur-Line DCR 5-1-8L4
Aber dafür haben wir den "neuen" V2 => Dur-Line DCR 5-1-8L4 V2
Steht sogar beim "alten" in der ersten Zeile der Artikelbeschreibung.
Das war mir tatsächlich entgangen, ich war nur an der roten Anzeige bei der Lieferbarkeit hängen geblieben, die sprang mir direkt ins Auge.

Der Warenkorb sieht jetzt folgendermaßen aus:
14x Self-Install F-Stecker Cabelcon CC F-56 5.1
1x Jultec JAD307TRS Antennendose für Unicable / Jess (Enddose 7db)
3m Potentialausgleichskabel H07V-U 1x4mm² (grün/gelb - massiver Innenleiter)
5x F-Endwiderstand (DC-entkoppelt)
1x Erdungsblock für 11 Anschlüsse mit F-Anschluss-Technik (ohne Überspannungsschutz)
4x SAT- Überspannungsschutz Dur-Line DLBS 3001/S (Varistor / Schutz vor statischen Überspannungen)
1x Cabelcon Cable Stripper RG6/59 (Abisolierwerkzeug für Self-Install Stecker)

und den habe ich gerade auch so bestellt.

Meinen vorhandenen 4-fach-Verteiler werde ich erstmal weiter nutzen, ein Ausgang mit Widerstand zugemacht.

Mittelfristig werde ich dann auch mal die Umstellung auf ein Quattro-LNB mit passendem Multischalter in Angriff nehmen, wobei ich in dem Rahmen dann planen muss, welchen Kabelstrang ich dann wie am besten nutze. Wahrscheinlich hole ich dazu diesen Beitrag dann nochmal hoch :)
Dazu muss ich mir aber vorher Gedanken machen, wie ich auf das Dach raufkomme :1145

Vielen Dank für die Ratschläge!
Benutzeravatar
techno-com
Site Admin
Beiträge: 22464
Registriert: 17. November 2005 09:32
Wohnort: 74076 Heilbronn
Hat sich bedankt: 505 Mal
Danksagung erhalten: 575 Mal
Kontaktdaten:

Re: Umrüstung SAT-Anlage auf JESS

Ungelesener Beitrag von techno-com »

Vielen Dank für ihre Bestellung :thx

Für die Vollständigkeit vom Beitrag hier ein Screenshot davon:
Bestellung User Subbi
Bestellung User Subbi
Wünsche gutenempfang
Vielleicht sind wir nicht günstiger als ein Discounter oder reiner Online-Kartonschieber, aber sicherlich besser !
Normkonforme Beratung und Bau sind bei uns selbstverständlich.
Sat-Shop Heilbronn Kunden können sich auch nach dem Kauf auf unseren besten Service verlassen
Hier im Forum wird kein After-Sales-Support für Fremdkäufe geleistet !! Wenden Sie sich dazu an ihren Verkäufer ......

Tristan Uhde / Satanlagen Onlineshop / SAT-Shop Heilbronn
https://www.satshop-heilbronn.de (SSL) / SAT-Onlineforum https://www.satanlagenforum.de (SSL)
Tel ------ (Fragen gehören ins Forum ! Den nur hier können sie richtig bearbeitet werden, auch was hier noch nicht von A-Z genau schon erklärt/behandelt ist ) .. Dieser Hinweis weil täglich dutzende Fragen per Email oder per PM über das Forum rein kommen die noch dazu inhaltlich nicht das intus haben das man etwas dazu sagen könnte.

Wichtiger Hinweis: Zuständigkeiten verantwortliche Elektrofachkraft (VEFK) und Blitzschutzfachkräfte
Informieren Sie sich dort über Folgen und Auswirkungen von Eigenleistung und lassen Sie selbst durchgeführte Installationen von entsprechender Stelle prüfen und abnehmen. Dafür sind VOR ORT spezielle und qualifizierte Blitzschutz-Fachkräfte notwendig, Ferndiagnosen für Blitzschutz/Erdung können hier NICHT durchgeführt werden ("wie kann ICH das machen ..." oder ähnlich bringt da nichts).

Diese Signatur wächst von Woche zu Woche und enthält immer mehr grundlegende Inhalte die bitte berücksichtigt werden sollten bei bzw. VOR Anfragen !
100% beantwortet werden können nur Anfragen die auch alle relevanten Teile beinhalten die man benötigt für eine Antwort (genaue Beschreibungen/ Angabe von Herstellern/Typen für vorhandenes Material etc.). Bitte vermeiden Sie Aussagen wie "habe viel gelesen, aber versteht das nicht ..." ohne Nennung von dem was Sie gelesen haben und was genau unklar war an den Erklärungen die hier gelesen wurden - den nur dann kann man auch darauf eingehen was event. unklar ist/war.

Bitte unbedingt vor einem Post lesen => Boardregeln / Datenschutz
Wir erteilen hier keine Rechtsberatung, unsere Hinweise sind nach bestem Wissen und bedürfen einer entsprechenden juristischen/technischen weiteren Beratung.
 


  • Related Topics
    Antworten
    Zugriffe
    Letzter Beitrag
Antworten

Zurück zu „Fragen zu digitalen SAT- Einkabelsystemen“