2 Satelliten mit JESS-Multischalter(n) sternförmig in 4 WE mit bis zu 8 Tuner/WE, inkl. Sat>IP Server
- Tvrdy
- postet ab und zu
- Beiträge: 24
- Registriert: 15. Februar 2016 14:26
- Wohnort: Detmold
- Danksagung erhalten: 1 Mal
2 Satelliten mit JESS-Multischalter(n) sternförmig in 4 WE mit bis zu 8 Tuner/WE, inkl. Sat>IP Server
Hallo Herr Uhde,
danke für die schnellen Antworten. Ich habe jetzt Infos zu unserer Verkabelung. Ich starte mal mit diesem eigenen Thread, sowie mit eine Skizze, ich hoffe sie erweist sich als hilfreich. Tut mir Leid, ich muss mich an Foren erst gewöhnen und jetzt zum Thema:
> Wunsch: In unserer Eigentumswohnung ein modernes, flexibles, zukunftssicheres Satellitensystem zu errichten. JESS, so habe ich verstanden, kann von verschiedenen Sendern gleichzeitig mehrere TV-Programme verfügbar machen. Es lässt mehrere Aufnahmen zugleich zu, während eine weitere TV-Sendung sogar noch anzuschauen ist. Das würde die wachsenden Bedürfnisse aller Familienmitglieder unter einen Hut bringen können!
Wir müssen für unsere SAT-Anlage allerdings zwei Satelliten berücksichtigen, und zwar ASTRA 19,2°+ ASTRA 23,5° [für slowakische Sender]. Die Signale der zwei Satelliten müssen wir, wenn ich richtig verstanden habe, per JESS-Multischalter(n) in 4 verschiedene, sternförmig verkabelte Zimmer / Wohneinheiten (WE) verlinken.
> Bis auf die Verkabelung, die bereits fertiggestellt ist (s.Skizze), benötigen wir noch fast fast alle Teile; vom SAT-Spiegel (Gibertini, Maximum T85, ... Empfehlung?) mit ausreichend Schlechtwetter-Reserve für den Standort Detmold, über JESS-LNB's, den/(die) JESS-Multischalter, die Verteilung "Splitter"/Kombinierer "Combiner" bis hin zu den JESS-Durchgangs- & Enddosen.
> Die unicable-tauglichen Endgeräte würden wir gerne erstmal weiter verwenden, was möglich sein müsste, da JESS wie ich gelesen habe abwärtskompatibel ist. Die werden dann Zug um Zug irgendwann ersetzt.
> Bekommen wir mit JESS-LNB's und Multischalter(n) auch 3 Satelliten (+ UKW oder DAB?) oder sogar bis zu 8 Satelliten hin? Oder bleibt es definitiv bei nur zwei möglichen Satelliten, weil unbedingt ein Quattro-LNB je Satellit mit 4 Anschlüssen pro LNB verbaut werden muss?
Wenn ich Sie bei den Antworten richtig verstanden habe, sind keine weiteren Satelliten möglich. Ich habe aber den recht neuen Inverto IDLU-32UL-UNBOO-OPP-LNB gefunden, da hatte ich so verstanden, dass der in Kombination mit dem Multischalter Inverto IDLU-UWT110-CU010-32P mit weniger Kabeln auskommt. Ist nicht so?
> Völlig unklar ist mir noch die richtige Wahl der Dämpfung bei den 2 Durchgangsdosen in Zi.2 und 3?
Dazu habe ich noch nichts erhellendes gefunden.
Verstehe ich Sie weiter richtig? 4-Loch-Dosen einzusetzen funktioniert nicht, oder macht es nur keinen Sinn 4-Loch-Dosen zu verwenden?
> Auch den Einsatz von Combiner & Splitter habe ich noch nicht verstanden, bzw. ob wir welche benötigen und welche oder wie wir sie verwenden?
> Zu meinem SAT>IP Server "Elgato EyeTV Netstream 4Sat", Unicable-Lösungen werden von ihm unterstützt. Er soll in Zimmer 3 eingesetzt werden und wird da an den Router angeschlossen.
Noch etwas zur Erdung: Ich bin gespannt auf die Ratschläge und ob die Skizze ihren Zweck erfüllt. Ich möchte an jedem Kabelende möglichst viele Tuner flexibel benutzen können. Das ist unser Ziel. Ich werde mich bemühen, zügig Antworten zu liefern, falls Rückfragen aufkommen.
Viele Grüße
Dirk
danke für die schnellen Antworten. Ich habe jetzt Infos zu unserer Verkabelung. Ich starte mal mit diesem eigenen Thread, sowie mit eine Skizze, ich hoffe sie erweist sich als hilfreich. Tut mir Leid, ich muss mich an Foren erst gewöhnen und jetzt zum Thema:
> Wunsch: In unserer Eigentumswohnung ein modernes, flexibles, zukunftssicheres Satellitensystem zu errichten. JESS, so habe ich verstanden, kann von verschiedenen Sendern gleichzeitig mehrere TV-Programme verfügbar machen. Es lässt mehrere Aufnahmen zugleich zu, während eine weitere TV-Sendung sogar noch anzuschauen ist. Das würde die wachsenden Bedürfnisse aller Familienmitglieder unter einen Hut bringen können!
Wir müssen für unsere SAT-Anlage allerdings zwei Satelliten berücksichtigen, und zwar ASTRA 19,2°+ ASTRA 23,5° [für slowakische Sender]. Die Signale der zwei Satelliten müssen wir, wenn ich richtig verstanden habe, per JESS-Multischalter(n) in 4 verschiedene, sternförmig verkabelte Zimmer / Wohneinheiten (WE) verlinken.
> Bis auf die Verkabelung, die bereits fertiggestellt ist (s.Skizze), benötigen wir noch fast fast alle Teile; vom SAT-Spiegel (Gibertini, Maximum T85, ... Empfehlung?) mit ausreichend Schlechtwetter-Reserve für den Standort Detmold, über JESS-LNB's, den/(die) JESS-Multischalter, die Verteilung "Splitter"/Kombinierer "Combiner" bis hin zu den JESS-Durchgangs- & Enddosen.
> Die unicable-tauglichen Endgeräte würden wir gerne erstmal weiter verwenden, was möglich sein müsste, da JESS wie ich gelesen habe abwärtskompatibel ist. Die werden dann Zug um Zug irgendwann ersetzt.
> Bekommen wir mit JESS-LNB's und Multischalter(n) auch 3 Satelliten (+ UKW oder DAB?) oder sogar bis zu 8 Satelliten hin? Oder bleibt es definitiv bei nur zwei möglichen Satelliten, weil unbedingt ein Quattro-LNB je Satellit mit 4 Anschlüssen pro LNB verbaut werden muss?
Wenn ich Sie bei den Antworten richtig verstanden habe, sind keine weiteren Satelliten möglich. Ich habe aber den recht neuen Inverto IDLU-32UL-UNBOO-OPP-LNB gefunden, da hatte ich so verstanden, dass der in Kombination mit dem Multischalter Inverto IDLU-UWT110-CU010-32P mit weniger Kabeln auskommt. Ist nicht so?
> Völlig unklar ist mir noch die richtige Wahl der Dämpfung bei den 2 Durchgangsdosen in Zi.2 und 3?
Dazu habe ich noch nichts erhellendes gefunden.
Verstehe ich Sie weiter richtig? 4-Loch-Dosen einzusetzen funktioniert nicht, oder macht es nur keinen Sinn 4-Loch-Dosen zu verwenden?
> Auch den Einsatz von Combiner & Splitter habe ich noch nicht verstanden, bzw. ob wir welche benötigen und welche oder wie wir sie verwenden?
> Zu meinem SAT>IP Server "Elgato EyeTV Netstream 4Sat", Unicable-Lösungen werden von ihm unterstützt. Er soll in Zimmer 3 eingesetzt werden und wird da an den Router angeschlossen.
Noch etwas zur Erdung: Ich bin gespannt auf die Ratschläge und ob die Skizze ihren Zweck erfüllt. Ich möchte an jedem Kabelende möglichst viele Tuner flexibel benutzen können. Das ist unser Ziel. Ich werde mich bemühen, zügig Antworten zu liefern, falls Rückfragen aufkommen.
Viele Grüße
Dirk
- techno-com
- Site Admin
- Beiträge: 22464
- Registriert: 17. November 2005 09:32
- Wohnort: 74076 Heilbronn
- Hat sich bedankt: 505 Mal
- Danksagung erhalten: 575 Mal
- Kontaktdaten:
Re: 2 Satelliten mit JESS-Multischalter(n) sternförmig in 4 WE mit bis zu 8 Tuner/WE, inkl. Sat>IP Server
MoinTvrdy hat geschrieben:Hallo Herr Uhde,
Damit meinen sie den ersten Beitrag von ihnen unter Umrüstung MFH Kabel -> SAT (JESS)Tvrdy hat geschrieben:danke für die schnellen Antworten.
Achtung ! Viele Wörter/Bezeichnungen !Tvrdy hat geschrieben:Ich habe jetzt Infos zu unserer Verkabelung. Ich starte mal mit diesem eigenen Thread, sowie mit eine Skizze, ich hoffe sie erweist sich als hilfreich. Tut mir Leid, ich muss mich an Foren erst gewöhnen und jetzt zum Thema:
......
Wir müssen für unsere SAT-Anlage allerdings zwei Satelliten berücksichtigen, und zwar ASTRA 19,2°+ ASTRA 23,5° [für slowakische Sender]. Die Signale der zwei Satelliten müssen wir, wenn ich richtig verstanden habe, per JESS-Multischalter(n) in 4 verschiedene, sternförmig verkabelte Zimmer / Wohneinheiten (WE) verlinken.
.....
> Die unicable-tauglichen Endgeräte würden wir gerne erstmal weiter verwenden, was möglich sein müsste, da JESS wie ich gelesen habe abwärtskompatibel ist. Die werden dann Zug um Zug irgendwann ersetzt.
.....
> Bekommen wir mit JESS-LNB's und Multischalter(n) auch 3 Satelliten (+ UKW oder DAB?) oder sogar bis zu 8 Satelliten hin? Oder bleibt es definitiv bei nur zwei möglichen Satelliten, weil unbedingt ein Quattro-LNB je Satellit mit 4 Anschlüssen pro LNB verbaut werden muss?
Um das alles richtig zu verstehen lesen sie mal Was ist JESS (Jultec Enhanced Stacking System/DIN EN 50607)?
JESS (also über 2 Satelliten-Empfang und mehr als 8 Tuner an einem Strang) bedarf natürlich dann auch Geräten die das auch können, also kompatibel sind damit !
Für mehr Infos, auch über den Aufbau mit 8 Satelliten + incl. einer Sat>IP Einspeisung (hier im Forum gerade durchgeführt und alles genau erklärt !), auch in folgenden Beiträgen:
Umrüstung auf JESS EN50607 für VU+ Solo 4K Versorgung 8 Satelliten
EFH best. SAT Umrüstung/Ergänzung JESS
Umrüsten der Satanlage auf Unicable 2 oder Sat IP
Einkabelmultischalter Kathrein EXU 908 mit normalen Multischalter erweitern
Bitte lesen sie das mal durch, das wird ihnen sicherlich alle Augen öffnen und das machbare erklären, weiterhin auch 99% ihrer Fragen mit beantworten .....
Wenn sie sich entschieden haben (geht ja auch preislich sehr rasch nach oben bei einem Unterschied 2 oder 4/8 Satelliten !!!) dann können wir auf die Antennenwahl, Multifeedschiene und LNB-Wahl zurück kommen + natürlich auf den passenden Multischalter + Zubehör was noch anfällt.
Denke nicht das der JESS (EN50607) kann ...... somit also max. Zugriff auf 2 Satelliten in einem Einkabelsystem und nur ansteuerbar über die ID´s 1-8 (Unicable EN50494).Tvrdy hat geschrieben:> Zu meinem SAT>IP Server "Elgato EyeTV Netstream 4Sat", Unicable-Lösungen werden von ihm unterstützt. Er soll in Zimmer 3 eingesetzt werden und wird da an den Router angeschlossen.
In einem Beitrag den ich oben schon verlinkt hatte (das war der Beitrag in dem sie ihre erste Anfrage eingestellt hatten => Umrüstung MFH Kabel -> SAT (JESS) ) wird der Einbau eines Sat>IP Routers aber auch noch einmal genau erklärt, dafür könnte ihr vorhandener Multischalter wie auch dort im Beitrag weiter verwendet werden (für dessen Versorgung das er dann gar nicht unicable-tauglich bzw. JESS-tauglich sein müsste da er ganz normal über Legacy-Ausgänge weiter versorgt wird wie bisher).
Den Schalter gibt es noch nicht, noch nicht einmal etwas davon gehört das er jemals kommen wird so wie das dort geplant ist .....Tvrdy hat geschrieben:Wenn ich Sie bei den Antworten richtig verstanden habe, sind keine weiteren Satelliten möglich. Ich habe aber den recht neuen Inverto IDLU-32UL-UNBOO-OPP-LNB gefunden, da hatte ich so verstanden, dass der in Kombination mit dem Multischalter Inverto IDLU-UWT110-CU010-32P mit weniger Kabeln auskommt. Ist nicht so?
Übrigens auch unter anderem Namen erhältlich diese Teile (natürlich nicht genau der oben verlinkte, den gibt es auch von diesem Hersteller nicht - ist wie der Inverto 32UL40-UNBOO-OPP ).
Dur-Line DPC-32K Unicable2/JESS Multischalter programmierbar
Verkabelung Dur-Line DPC-32 K
Fragen zu Dur-Line DPC-32K
---- dieser Schalter ist aber nur für den Empfang von EINEM Satelliten ----
Siehe unter Unicable System JPS0501-8 Antennendosen-Auswahl JAP/JAD und in den bereits vorab verlinkten Beiträgen.Tvrdy hat geschrieben:> Völlig unklar ist mir noch die richtige Wahl der Dämpfung bei den 2 Durchgangsdosen in Zi.2 und 3?
Dazu habe ich noch nichts erhellendes gefunden.
Verstehe ich Sie weiter richtig? 4-Loch-Dosen einzusetzen funktioniert nicht, oder macht es nur keinen Sinn 4-Loch-Dosen zu verwenden?
> Auch den Einsatz von Combiner & Splitter habe ich noch nicht verstanden, bzw. ob wir welche benötigen und welche oder wie wir sie verwenden?
Der Potentialausgleich ("innerer Blitzschutz") wird aber trotzdem dringend angeraten (auch hier, siehe verlinkte Beiträge).Tvrdy hat geschrieben:Noch etwas zur Erdung:
.....
Vielleicht sind wir nicht günstiger als ein Discounter oder reiner Online-Kartonschieber, aber sicherlich besser !
Normkonforme Beratung und Bau sind bei uns selbstverständlich.
Sat-Shop Heilbronn Kunden können sich auch nach dem Kauf auf unseren besten Service verlassen
Hier im Forum wird kein After-Sales-Support für Fremdkäufe geleistet !! Wenden Sie sich dazu an ihren Verkäufer ......
Tristan Uhde / Satanlagen Onlineshop / SAT-Shop Heilbronn
https://www.satshop-heilbronn.de (SSL) / SAT-Onlineforum https://www.satanlagenforum.de (SSL)
Tel ------ (Fragen gehören ins Forum ! Den nur hier können sie richtig bearbeitet werden, auch was hier noch nicht von A-Z genau schon erklärt/behandelt ist ) .. Dieser Hinweis weil täglich dutzende Fragen per Email oder per PM über das Forum rein kommen die noch dazu inhaltlich nicht das intus haben das man etwas dazu sagen könnte.
Wichtiger Hinweis: Zuständigkeiten verantwortliche Elektrofachkraft (VEFK) und Blitzschutzfachkräfte
Informieren Sie sich dort über Folgen und Auswirkungen von Eigenleistung und lassen Sie selbst durchgeführte Installationen von entsprechender Stelle prüfen und abnehmen. Dafür sind VOR ORT spezielle und qualifizierte Blitzschutz-Fachkräfte notwendig, Ferndiagnosen für Blitzschutz/Erdung können hier NICHT durchgeführt werden ("wie kann ICH das machen ..." oder ähnlich bringt da nichts).
Diese Signatur wächst von Woche zu Woche und enthält immer mehr grundlegende Inhalte die bitte berücksichtigt werden sollten bei bzw. VOR Anfragen !
100% beantwortet werden können nur Anfragen die auch alle relevanten Teile beinhalten die man benötigt für eine Antwort (genaue Beschreibungen/ Angabe von Herstellern/Typen für vorhandenes Material etc.). Bitte vermeiden Sie Aussagen wie "habe viel gelesen, aber versteht das nicht ..." ohne Nennung von dem was Sie gelesen haben und was genau unklar war an den Erklärungen die hier gelesen wurden - den nur dann kann man auch darauf eingehen was event. unklar ist/war.
Bitte unbedingt vor einem Post lesen => Boardregeln / Datenschutz
Wir erteilen hier keine Rechtsberatung, unsere Hinweise sind nach bestem Wissen und bedürfen einer entsprechenden juristischen/technischen weiteren Beratung.
Normkonforme Beratung und Bau sind bei uns selbstverständlich.
Sat-Shop Heilbronn Kunden können sich auch nach dem Kauf auf unseren besten Service verlassen
Hier im Forum wird kein After-Sales-Support für Fremdkäufe geleistet !! Wenden Sie sich dazu an ihren Verkäufer ......
Tristan Uhde / Satanlagen Onlineshop / SAT-Shop Heilbronn
https://www.satshop-heilbronn.de (SSL) / SAT-Onlineforum https://www.satanlagenforum.de (SSL)
Tel ------ (Fragen gehören ins Forum ! Den nur hier können sie richtig bearbeitet werden, auch was hier noch nicht von A-Z genau schon erklärt/behandelt ist ) .. Dieser Hinweis weil täglich dutzende Fragen per Email oder per PM über das Forum rein kommen die noch dazu inhaltlich nicht das intus haben das man etwas dazu sagen könnte.
Wichtiger Hinweis: Zuständigkeiten verantwortliche Elektrofachkraft (VEFK) und Blitzschutzfachkräfte
Informieren Sie sich dort über Folgen und Auswirkungen von Eigenleistung und lassen Sie selbst durchgeführte Installationen von entsprechender Stelle prüfen und abnehmen. Dafür sind VOR ORT spezielle und qualifizierte Blitzschutz-Fachkräfte notwendig, Ferndiagnosen für Blitzschutz/Erdung können hier NICHT durchgeführt werden ("wie kann ICH das machen ..." oder ähnlich bringt da nichts).
Diese Signatur wächst von Woche zu Woche und enthält immer mehr grundlegende Inhalte die bitte berücksichtigt werden sollten bei bzw. VOR Anfragen !
100% beantwortet werden können nur Anfragen die auch alle relevanten Teile beinhalten die man benötigt für eine Antwort (genaue Beschreibungen/ Angabe von Herstellern/Typen für vorhandenes Material etc.). Bitte vermeiden Sie Aussagen wie "habe viel gelesen, aber versteht das nicht ..." ohne Nennung von dem was Sie gelesen haben und was genau unklar war an den Erklärungen die hier gelesen wurden - den nur dann kann man auch darauf eingehen was event. unklar ist/war.
Bitte unbedingt vor einem Post lesen => Boardregeln / Datenschutz
Wir erteilen hier keine Rechtsberatung, unsere Hinweise sind nach bestem Wissen und bedürfen einer entsprechenden juristischen/technischen weiteren Beratung.
- Tvrdy
- postet ab und zu
- Beiträge: 24
- Registriert: 15. Februar 2016 14:26
- Wohnort: Detmold
- Danksagung erhalten: 1 Mal
Re: 2 Satelliten mit JESS-Multischalter(n) sternförmig in 4 WE mit bis zu 8 Tuner/WE, inkl. Sat>IP Server
Vielen Dank wieder für die superschnelle Reaktion Herr Uhde,
ich werde die Beiträge noch mal durchforsten. Zumindest fühle ich mich richtig verstanden und meine Wunschvorstellung ging wohl zuweit. Preislich wie von der tatsächlichen Entwicklung, wenn es die Geräte noch gar nicht gibt.
Ich werde die Beiträge intensiv auf Möglichkeiten für mich prüfen und mich dann wieder melden. Ich habe noch ein paar Termine, aber ich versuche noch heute zu antworten.
Ich finde es auch toll, wenn die ehrliche Antwort bedeutet: Das geht (noch) nicht. Da ich noch nach der eierlegenden Wollmilchsau suche, aber eine realistische, preislich machbare SAT-Anlage benötige. Einen JESS-tauglichen Receiver oder Programmer würde ich mir natürlich auch dazu kaufen, so habe ich das schon verstanden. Nur nicht direkt für jeden Raum. Wenn das ausreichen sollte.
Viele Grüße
Dirk
ich werde die Beiträge noch mal durchforsten. Zumindest fühle ich mich richtig verstanden und meine Wunschvorstellung ging wohl zuweit. Preislich wie von der tatsächlichen Entwicklung, wenn es die Geräte noch gar nicht gibt.
Ich werde die Beiträge intensiv auf Möglichkeiten für mich prüfen und mich dann wieder melden. Ich habe noch ein paar Termine, aber ich versuche noch heute zu antworten.
Ich finde es auch toll, wenn die ehrliche Antwort bedeutet: Das geht (noch) nicht. Da ich noch nach der eierlegenden Wollmilchsau suche, aber eine realistische, preislich machbare SAT-Anlage benötige. Einen JESS-tauglichen Receiver oder Programmer würde ich mir natürlich auch dazu kaufen, so habe ich das schon verstanden. Nur nicht direkt für jeden Raum. Wenn das ausreichen sollte.
Viele Grüße
Dirk
- techno-com
- Site Admin
- Beiträge: 22464
- Registriert: 17. November 2005 09:32
- Wohnort: 74076 Heilbronn
- Hat sich bedankt: 505 Mal
- Danksagung erhalten: 575 Mal
- Kontaktdaten:
Re: 2 Satelliten mit JESS-Multischalter(n) sternförmig in 4 WE mit bis zu 8 Tuner/WE, inkl. Sat>IP Server
Gehen tut alles, aber das kostet auch wirklich viel Geld dann (um mal eine Zahl zu nennen ... die Versorgungsanlage mit den 8 Satelliten kostete 4000€ (OK, da waren 2 Receiver für alleine zusammen mit allem 1200€ - VU+ Solo 4K mit 2000GB Festplatten !). VU+ Solo 4K (UHD Receiver)Tvrdy hat geschrieben:Da ich noch nach der eierlegenden Wollmilchsau suche, aber eine realistische, preislich machbare SAT-Anlage benötige.
JESS-Receiver (preislich andere Geräte als die o.g. VU+ Solo 4K für 499€ !)Tvrdy hat geschrieben:Einen JESS-tauglichen Receiver oder Programmer würde ich mir natürlich auch dazu kaufen, so habe ich das schon verstanden. Nur nicht direkt für jeden Raum. Wenn das ausreichen sollte.
Kathrein UFS 940
Triax-Hirschmann S-HD 10 Plus
Sie werden aber auch in den verlinkten Beiträgen erkenne/raus lesen das ein JPS17er Schalter (für 4 Satelliten in JESS-Übertragung) per Unicable gesteuert werden kann, dann eben nur für 2 der 4 angeschlossenen Sat-Systeme (2 von 4 Satelliten), dafür gibt es an diesen Schaltern dann DIP-Schalter die dem Schalter sagen welche der 4 Satelliten das sein sollen die an jedem Ausgang empfangen werden können - Erklärung auch auf der Jultec-Seite => Drehschalter am JPS17xx-System
Die Frage ist aber immer: braucht man 4 oder sogar mehr Satelliten ?
Vielleicht sind wir nicht günstiger als ein Discounter oder reiner Online-Kartonschieber, aber sicherlich besser !
Normkonforme Beratung und Bau sind bei uns selbstverständlich.
Sat-Shop Heilbronn Kunden können sich auch nach dem Kauf auf unseren besten Service verlassen
Hier im Forum wird kein After-Sales-Support für Fremdkäufe geleistet !! Wenden Sie sich dazu an ihren Verkäufer ......
Tristan Uhde / Satanlagen Onlineshop / SAT-Shop Heilbronn
https://www.satshop-heilbronn.de (SSL) / SAT-Onlineforum https://www.satanlagenforum.de (SSL)
Tel ------ (Fragen gehören ins Forum ! Den nur hier können sie richtig bearbeitet werden, auch was hier noch nicht von A-Z genau schon erklärt/behandelt ist ) .. Dieser Hinweis weil täglich dutzende Fragen per Email oder per PM über das Forum rein kommen die noch dazu inhaltlich nicht das intus haben das man etwas dazu sagen könnte.
Wichtiger Hinweis: Zuständigkeiten verantwortliche Elektrofachkraft (VEFK) und Blitzschutzfachkräfte
Informieren Sie sich dort über Folgen und Auswirkungen von Eigenleistung und lassen Sie selbst durchgeführte Installationen von entsprechender Stelle prüfen und abnehmen. Dafür sind VOR ORT spezielle und qualifizierte Blitzschutz-Fachkräfte notwendig, Ferndiagnosen für Blitzschutz/Erdung können hier NICHT durchgeführt werden ("wie kann ICH das machen ..." oder ähnlich bringt da nichts).
Diese Signatur wächst von Woche zu Woche und enthält immer mehr grundlegende Inhalte die bitte berücksichtigt werden sollten bei bzw. VOR Anfragen !
100% beantwortet werden können nur Anfragen die auch alle relevanten Teile beinhalten die man benötigt für eine Antwort (genaue Beschreibungen/ Angabe von Herstellern/Typen für vorhandenes Material etc.). Bitte vermeiden Sie Aussagen wie "habe viel gelesen, aber versteht das nicht ..." ohne Nennung von dem was Sie gelesen haben und was genau unklar war an den Erklärungen die hier gelesen wurden - den nur dann kann man auch darauf eingehen was event. unklar ist/war.
Bitte unbedingt vor einem Post lesen => Boardregeln / Datenschutz
Wir erteilen hier keine Rechtsberatung, unsere Hinweise sind nach bestem Wissen und bedürfen einer entsprechenden juristischen/technischen weiteren Beratung.
Normkonforme Beratung und Bau sind bei uns selbstverständlich.
Sat-Shop Heilbronn Kunden können sich auch nach dem Kauf auf unseren besten Service verlassen
Hier im Forum wird kein After-Sales-Support für Fremdkäufe geleistet !! Wenden Sie sich dazu an ihren Verkäufer ......
Tristan Uhde / Satanlagen Onlineshop / SAT-Shop Heilbronn
https://www.satshop-heilbronn.de (SSL) / SAT-Onlineforum https://www.satanlagenforum.de (SSL)
Tel ------ (Fragen gehören ins Forum ! Den nur hier können sie richtig bearbeitet werden, auch was hier noch nicht von A-Z genau schon erklärt/behandelt ist ) .. Dieser Hinweis weil täglich dutzende Fragen per Email oder per PM über das Forum rein kommen die noch dazu inhaltlich nicht das intus haben das man etwas dazu sagen könnte.
Wichtiger Hinweis: Zuständigkeiten verantwortliche Elektrofachkraft (VEFK) und Blitzschutzfachkräfte
Informieren Sie sich dort über Folgen und Auswirkungen von Eigenleistung und lassen Sie selbst durchgeführte Installationen von entsprechender Stelle prüfen und abnehmen. Dafür sind VOR ORT spezielle und qualifizierte Blitzschutz-Fachkräfte notwendig, Ferndiagnosen für Blitzschutz/Erdung können hier NICHT durchgeführt werden ("wie kann ICH das machen ..." oder ähnlich bringt da nichts).
Diese Signatur wächst von Woche zu Woche und enthält immer mehr grundlegende Inhalte die bitte berücksichtigt werden sollten bei bzw. VOR Anfragen !
100% beantwortet werden können nur Anfragen die auch alle relevanten Teile beinhalten die man benötigt für eine Antwort (genaue Beschreibungen/ Angabe von Herstellern/Typen für vorhandenes Material etc.). Bitte vermeiden Sie Aussagen wie "habe viel gelesen, aber versteht das nicht ..." ohne Nennung von dem was Sie gelesen haben und was genau unklar war an den Erklärungen die hier gelesen wurden - den nur dann kann man auch darauf eingehen was event. unklar ist/war.
Bitte unbedingt vor einem Post lesen => Boardregeln / Datenschutz
Wir erteilen hier keine Rechtsberatung, unsere Hinweise sind nach bestem Wissen und bedürfen einer entsprechenden juristischen/technischen weiteren Beratung.
- Tvrdy
- postet ab und zu
- Beiträge: 24
- Registriert: 15. Februar 2016 14:26
- Wohnort: Detmold
- Danksagung erhalten: 1 Mal
Re: 2 Satelliten mit JESS-Multischalter(n) sternförmig in 4 WE mit bis zu 8 Tuner/WE, inkl. Sat>IP Server
Hallo erstmal.
da bin ich wieder. Sie sind mich noch nicht los, ich habe nur intensiv versucht mich schlau zu lesen.
Ist mir leider nicht vollends gelungen.
Ich muss die Wünsche wohl schweren Herzens deutlich abspecken. Ich möchte nur dort schon jetzt in JESS investieren, wo es sich für mich schon lohnt, und den Rest später Zug um Zug nachzurüsten.
Ist das überhaupt ein sinnvoller Ansatz, oder eher Utopie?
Hier mein veränderter Plan:
Mehr als 2 Satelliten ist für uns wohl illusorisch, wenn wir "4 Kabel pro LNB" (bei Quattro-LNB) benötigen. Wir können Kabel nicht so einfach nachrüsten, daher können wir nur Satelliten aufrüsten, wenn weniger Kabel vom LNB zum Multischalter benötigt werden.
Gibt es da brauchbare JESS-LNB's?
Wie sieht es z.B. beim neuen Inverto JESS-LNB "SP-IDLU-24UL40-UNMOO-OPP" oder "SP-IDLU-32UL40-UNBOO-OPP" aus?
Oder bahnt sich vielleicht in Kürze eine neue brauchbare Lösung in Richtung "ein Kabel pro LNB" für uns an?
Daran hängt oder fällt auch die Entscheidung für unseren Multischalter. Dann brauchen wir keine großen Gedanken mehr an 4 oder mehr Satelliten zu verschwenden.
Ich hatte da bspw. an den "IDLP-USS2OO-CUO1O-8PP" als mögliche Lösung gedacht (ich weiß aber nicht, ob es den noch gibt, bzw. ob er für uns eine Lösung wäre).
Oder evtl. den Jultec JPS1704-3 mit Widerständen auf nicht genutzten Ausgängen, die man später nur zu entfernen bräuchte um auf mehr als zwei Satelliten erweitern zu können.
Oder bieten sich bessere Alternativen bei Multischaltern für uns an?
Mindestens zwei der 4 Zimmer sollen am Ende JESS-fähige Receiver mit Quad-Tuner erhalten.
Die weiteren zwei Zimmer wären denkbar, aber nicht zwingend so auszustatten. Ein Unicable-Receiver mit TWIN-Tuner sollte aber mindestens betrieben werden können.
Auch mein Elgato Sat-Server (nur EN50494-tauglich) sollte weiter betrieben werden können. Oder gibt es bessere Lösungen, um Handys oder Tablets mit Sat-TV zu versorgen?
Ich habe die Kabellängen von LNB'S => zu(m) Multischalter(n) => zu den Sat-Antennendosen eingetragen, weil ich (noch) keinen Durchblick habe, um die Dämpfung selbst zu berechnen.
Ich hoffe, uns damit einen Schritt voran gebracht zu haben.
Und ganz wichtig, schon mal ein fettes
bis hierhin.
Viele Grüße aus Detmold.
Dirk
da bin ich wieder. Sie sind mich noch nicht los, ich habe nur intensiv versucht mich schlau zu lesen.
Ist mir leider nicht vollends gelungen.
Ich muss die Wünsche wohl schweren Herzens deutlich abspecken. Ich möchte nur dort schon jetzt in JESS investieren, wo es sich für mich schon lohnt, und den Rest später Zug um Zug nachzurüsten.
Ist das überhaupt ein sinnvoller Ansatz, oder eher Utopie?
Hier mein veränderter Plan:
Mehr als 2 Satelliten ist für uns wohl illusorisch, wenn wir "4 Kabel pro LNB" (bei Quattro-LNB) benötigen. Wir können Kabel nicht so einfach nachrüsten, daher können wir nur Satelliten aufrüsten, wenn weniger Kabel vom LNB zum Multischalter benötigt werden.
Gibt es da brauchbare JESS-LNB's?
Wie sieht es z.B. beim neuen Inverto JESS-LNB "SP-IDLU-24UL40-UNMOO-OPP" oder "SP-IDLU-32UL40-UNBOO-OPP" aus?
Oder bahnt sich vielleicht in Kürze eine neue brauchbare Lösung in Richtung "ein Kabel pro LNB" für uns an?
Daran hängt oder fällt auch die Entscheidung für unseren Multischalter. Dann brauchen wir keine großen Gedanken mehr an 4 oder mehr Satelliten zu verschwenden.
Ich hatte da bspw. an den "IDLP-USS2OO-CUO1O-8PP" als mögliche Lösung gedacht (ich weiß aber nicht, ob es den noch gibt, bzw. ob er für uns eine Lösung wäre).
Oder evtl. den Jultec JPS1704-3 mit Widerständen auf nicht genutzten Ausgängen, die man später nur zu entfernen bräuchte um auf mehr als zwei Satelliten erweitern zu können.
Oder bieten sich bessere Alternativen bei Multischaltern für uns an?
Mindestens zwei der 4 Zimmer sollen am Ende JESS-fähige Receiver mit Quad-Tuner erhalten.
Die weiteren zwei Zimmer wären denkbar, aber nicht zwingend so auszustatten. Ein Unicable-Receiver mit TWIN-Tuner sollte aber mindestens betrieben werden können.
Auch mein Elgato Sat-Server (nur EN50494-tauglich) sollte weiter betrieben werden können. Oder gibt es bessere Lösungen, um Handys oder Tablets mit Sat-TV zu versorgen?
Ich habe die Kabellängen von LNB'S => zu(m) Multischalter(n) => zu den Sat-Antennendosen eingetragen, weil ich (noch) keinen Durchblick habe, um die Dämpfung selbst zu berechnen.
Ich hoffe, uns damit einen Schritt voran gebracht zu haben.
Und ganz wichtig, schon mal ein fettes
Viele Grüße aus Detmold.
Dirk
- techno-com
- Site Admin
- Beiträge: 22464
- Registriert: 17. November 2005 09:32
- Wohnort: 74076 Heilbronn
- Hat sich bedankt: 505 Mal
- Danksagung erhalten: 575 Mal
- Kontaktdaten:
Re: 2 Satelliten mit JESS-Multischalter(n) sternförmig in 4 WE mit bis zu 8 Tuner/WE, inkl. Sat>IP Server
MoinTvrdy hat geschrieben:Hallo erstmal.
Ich blicke leider hier immer weniger durch... jetzt werden so viele Sachen durcheinander geworfen und Sachen die erst weg gelassen werden sollen kommen auf einmal dann doch wieder hinzu .....Tvrdy hat geschrieben:da bin ich wieder. Sie sind mich noch nicht los, ich habe nur intensiv versucht mich schlau zu lesen.
Ist mir leider nicht vollends gelungen.
Ich fang jetzt einfach mal mit ihrem angehängten Plan, der neuen Skizze an ..... Die zeigt 4 LNBs ... das war doch storniert schon wegen Kostengründen und auch wegen fehlenden Kabeln ?
Dann sind dort "Verteiler" und auch "Combiner" (was ist das ?) eingezeichnet die aus 2 vom Multischalter kommenden Ausgängen dann auf einen Abgang zum Anschluss gehen .... das versteh ich nicht !
Nehmen wir einen JPS0904-3 Schalter (2 Satelliten, 4 Ausgänge, 3 Umsetzungen pro Ausgang) als Beispiel so kommt dort JE ein Strang/Receiver an den Ausgang, ganz ohne Verteiler oder Combiner .... einen Verteiler kann man einsetzen, richtig ! So könnte man aus einem Ausgang mit 3 Umsetzungen auch 2 Stränge versorgen (z.B. einen mit Twin-Receiver + einen mit Single-Receiver) ... aber ein "Combiner" ?
Gerade an dem Strang mit Tuner 3a + 3b (einer davon schon gewünscht als Quad-Receiver !!!) kommt dann aber in der Zeichnung noch der Elgato hinzu der ja noch einmal 4 ID´s/UB´s/Umsetzungen benötigen würde was dann in Gesamtzahl schon 9 Umsetzungen wären ...... ?
---- hier ggf. für sie der akt. passende Schalter => Jultec JPS0904-6TN ... 2 Satelliten => 4 Ausgänge mit je 6 Unicable-Umsetzungen (an jedem Ausgang also Quad-Tuner Geräte einsetzbar). Fehlt dann aber noch die Versorgung für den Elgato, das wäre ja in ihrem Fall ein 5. Strang der versorgt werden müsste ! Da würde ich zum Anfang erst einmal vorschlagen einen der 4 Stränge zu splitten (2-fach Verteiler), also von den 6 Umsetzungen 4 auf den Elgato zu geben das man dann trotzdem noch 2 übrig hätte für den Receiver (Twin dann maximal da nur noch 2 Umsetzungen übrig) der am gleichen Strang dann über den Verteiler gesplittet hängen würde.
Bitte noch einmal lesen was JESS überhaupt ist => Was ist JESS (Jultec Enhanced Stacking System/DIN EN 50607)?Tvrdy hat geschrieben:Ich muss die Wünsche wohl schweren Herzens deutlich abspecken. Ich möchte nur dort schon jetzt in JESS investieren, wo es sich für mich schon lohnt, und den Rest später Zug um Zug nachzurüsten.
Hier ist mittlerweile ein Unicable-Schalter vollkommen ausreichend da wir mit 2 Satelliten und max. 8 Umsetzungen pro Ausgang immer noch bei Unicable sind und kein JESS benötigen (Steuerung auch von Unicable-Multischaltern bei Jultec kann trotzdem per JESS-Schaltbefehl erfolgen).
Das ist akt. noch gar kein Ansatz, sorry !!! Da fehlt noch sehr viel ....Tvrdy hat geschrieben:Ist das überhaupt ein sinnvoller Ansatz, oder eher Utopie?
Was wurde an diesem Plan eigentlich geändert ?? Ich sehe da 1:1 den gleichen Plan wie auch oben schon anfangs hochgeladen !Tvrdy hat geschrieben:Hier mein veränderter Plan:
.....
.....
Mehr als 2 Satelliten ist für uns wohl illusorisch, wenn wir "4 Kabel pro LNB" (bei Quattro-LNB) benötigen. Wir können Kabel nicht so einfach nachrüsten, daher können wir nur Satelliten aufrüsten, wenn weniger Kabel vom LNB zum Multischalter benötigt werden.
---- 2 Satelliten, fertig ! Zurück zu so einer Planung ----- hier sind wieder so viele "Optionen" mit drin die alles nur unübersichtlich machen ....
Das sind doch alles nur Sachen für einen Satelliten !? Hat mir einer Planung für ihre Wünsche absolut nichts zu tun ..... wenn das gegangen würde wäre es von mir hier schon erklärt worden als Option zumindest.Tvrdy hat geschrieben:Gibt es da brauchbare JESS-LNB's?
Wie sieht es z.B. beim neuen Inverto JESS-LNB "SP-IDLU-24UL40-UNMOO-OPP" oder "SP-IDLU-32UL40-UNBOO-OPP" aus?
Oder bahnt sich vielleicht in Kürze eine neue brauchbare Lösung in Richtung "ein Kabel pro LNB" für uns an?
Es geht auch heute übrigens schon ein Kabel pro LNB, dann mit einer optischen Signalübertragung per Glasfaser-Kabel ..... fangen wir erst gar nicht an da es den Rahmen sprengen würde - preislich + vom Aufwand da man diese ja eh neu verlegen müsste was hier nicht geht.
JPS1704-3 = 4 Satelliten, 4 Ausgänge mit je 3 Umsetzungen ...... in allen Belangen für sie die falsche Wahl !Tvrdy hat geschrieben:Daran hängt oder fällt auch die Entscheidung für unseren Multischalter. Dann brauchen wir keine großen Gedanken mehr an 4 oder mehr Satelliten zu verschwenden.
Ich hatte da bspw. an den "IDLP-USS2OO-CUO1O-8PP" als mögliche Lösung gedacht (ich weiß aber nicht, ob es den noch gibt, bzw. ob er für uns eine Lösung wäre).
Oder evtl. den Jultec JPS1704-3 mit Widerständen auf nicht genutzten Ausgängen, die man später nur zu entfernen bräuchte um auf mehr als zwei Satelliten erweitern zu können.
Oder bieten sich bessere Alternativen bei Multischaltern für uns an?
1. JPS17 kann zu JPS09 werden (09 = 2 Satelliten) und macht die Sache hier schon um einiges günstiger
2. 04 - reichen ihnen 4 Ausgänge ?
3. -03 - 3 Umsetzungen an einem Ausgang .... das wird wohl grundsätzlich und an fast jedem Strang viel zu wenig sein da sie am Strang 3a + 3b + Elgato schon oben 9 Umsetzungen eingeplant hatten in ihre Zeichnung (was aber zu revidieren ist in der Planung ... das geht sicherlich auch besser).
Ein Receiver muss nicht JESS-fähig sein bei einem Quad-Tuner ... wie oben erklärt sind wir hier nur bei Unicable !Tvrdy hat geschrieben:Mindestens zwei der 4 Zimmer sollen am Ende JESS-fähige Receiver mit Quad-Tuner erhalten.
Die weiteren zwei Zimmer wären denkbar, aber nicht zwingend so auszustatten. Ein Unicable-Receiver mit TWIN-Tuner sollte aber mindestens betrieben werden können.
Die Anzahl ihrer oben genannten Umsetzungen vom Multischalter (JPSxxxx-3) reicht aber für ihr Vorhaben hier niemals aus ....
Der benötigt 4 IDs bei Unicable/JESS .... kommt man fast auf einen eigenen Ausgang an einem Multischalter und somit auf einen 5. Strang dann in der Planung (bzw. einen Ausgang mit vielen Umsetzungen drauf der gesplittet wird für mehrere Receiver/Tuner/Anschlüsse ....).Tvrdy hat geschrieben:Auch mein Elgato Sat-Server (nur EN50494-tauglich) sollte weiter betrieben werden können. Oder gibt es bessere Lösungen, um Handys oder Tablets mit Sat-TV zu versorgen?
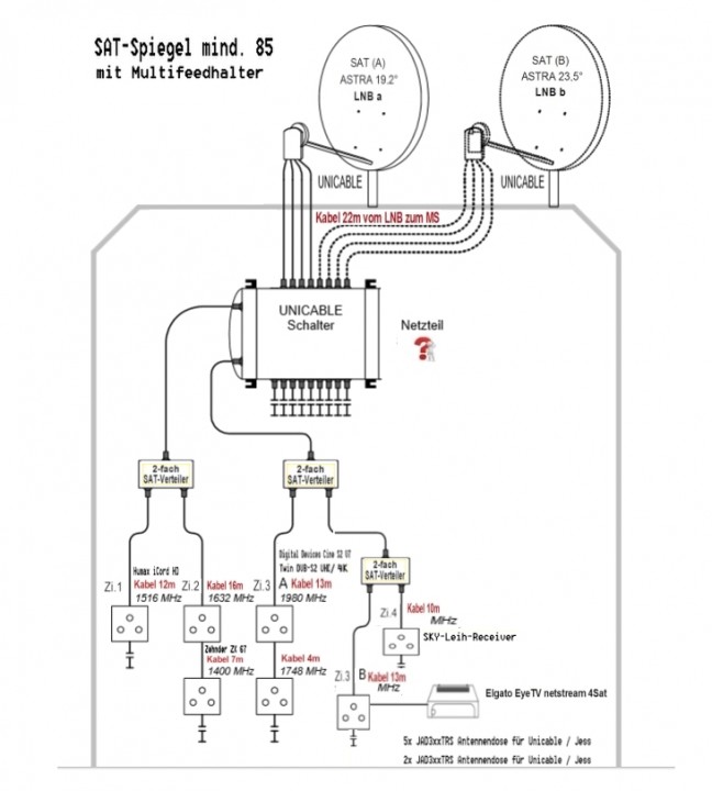
Auf dieser Zeichnung verstehe ich akt. wirklich nichts ... Verteiler/Combiner nach 20m vom Multischalter weg und dann geht es einmal auf 2 Stränge (wo nur einer kam) und einmal kommen 2 und gehen nur auf einem weiter ..... da ist irgendwo ein Denkfehler bei dieser Planung !Tvrdy hat geschrieben:Ich habe die Kabellängen von LNB'S => zu(m) Multischalter(n) => zu den Sat-Antennendosen eingetragen, weil ich (noch) keinen Durchblick habe, um die Dämpfung selbst zu berechnen.
Durchgangsdosen/Enddosen werden benötigt, dafür müsste man aber erst einmal den kompletten und genauen Kabellaufplan kennen (auch die Verkabelung zum Elgato etc. etc. etc.). Mit allen Zeichnungen bisher konnte man sehr wenig dahingehend anfangen.
Hier noch ein paar Erklärungen (bitte lesen fürs Verständnis):
Jultec Typenschlüssen (beschreibt die Bezeichnungen der Schalter ..)
Jultec CSS-/Legacy-Kombifunktion
Teilnehmergesteuerte Einkabelsysteme
Anlagenbeispiele
Vielleicht sind wir nicht günstiger als ein Discounter oder reiner Online-Kartonschieber, aber sicherlich besser !
Normkonforme Beratung und Bau sind bei uns selbstverständlich.
Sat-Shop Heilbronn Kunden können sich auch nach dem Kauf auf unseren besten Service verlassen
Hier im Forum wird kein After-Sales-Support für Fremdkäufe geleistet !! Wenden Sie sich dazu an ihren Verkäufer ......
Tristan Uhde / Satanlagen Onlineshop / SAT-Shop Heilbronn
https://www.satshop-heilbronn.de (SSL) / SAT-Onlineforum https://www.satanlagenforum.de (SSL)
Tel ------ (Fragen gehören ins Forum ! Den nur hier können sie richtig bearbeitet werden, auch was hier noch nicht von A-Z genau schon erklärt/behandelt ist ) .. Dieser Hinweis weil täglich dutzende Fragen per Email oder per PM über das Forum rein kommen die noch dazu inhaltlich nicht das intus haben das man etwas dazu sagen könnte.
Wichtiger Hinweis: Zuständigkeiten verantwortliche Elektrofachkraft (VEFK) und Blitzschutzfachkräfte
Informieren Sie sich dort über Folgen und Auswirkungen von Eigenleistung und lassen Sie selbst durchgeführte Installationen von entsprechender Stelle prüfen und abnehmen. Dafür sind VOR ORT spezielle und qualifizierte Blitzschutz-Fachkräfte notwendig, Ferndiagnosen für Blitzschutz/Erdung können hier NICHT durchgeführt werden ("wie kann ICH das machen ..." oder ähnlich bringt da nichts).
Diese Signatur wächst von Woche zu Woche und enthält immer mehr grundlegende Inhalte die bitte berücksichtigt werden sollten bei bzw. VOR Anfragen !
100% beantwortet werden können nur Anfragen die auch alle relevanten Teile beinhalten die man benötigt für eine Antwort (genaue Beschreibungen/ Angabe von Herstellern/Typen für vorhandenes Material etc.). Bitte vermeiden Sie Aussagen wie "habe viel gelesen, aber versteht das nicht ..." ohne Nennung von dem was Sie gelesen haben und was genau unklar war an den Erklärungen die hier gelesen wurden - den nur dann kann man auch darauf eingehen was event. unklar ist/war.
Bitte unbedingt vor einem Post lesen => Boardregeln / Datenschutz
Wir erteilen hier keine Rechtsberatung, unsere Hinweise sind nach bestem Wissen und bedürfen einer entsprechenden juristischen/technischen weiteren Beratung.
Normkonforme Beratung und Bau sind bei uns selbstverständlich.
Sat-Shop Heilbronn Kunden können sich auch nach dem Kauf auf unseren besten Service verlassen
Hier im Forum wird kein After-Sales-Support für Fremdkäufe geleistet !! Wenden Sie sich dazu an ihren Verkäufer ......
Tristan Uhde / Satanlagen Onlineshop / SAT-Shop Heilbronn
https://www.satshop-heilbronn.de (SSL) / SAT-Onlineforum https://www.satanlagenforum.de (SSL)
Tel ------ (Fragen gehören ins Forum ! Den nur hier können sie richtig bearbeitet werden, auch was hier noch nicht von A-Z genau schon erklärt/behandelt ist ) .. Dieser Hinweis weil täglich dutzende Fragen per Email oder per PM über das Forum rein kommen die noch dazu inhaltlich nicht das intus haben das man etwas dazu sagen könnte.
Wichtiger Hinweis: Zuständigkeiten verantwortliche Elektrofachkraft (VEFK) und Blitzschutzfachkräfte
Informieren Sie sich dort über Folgen und Auswirkungen von Eigenleistung und lassen Sie selbst durchgeführte Installationen von entsprechender Stelle prüfen und abnehmen. Dafür sind VOR ORT spezielle und qualifizierte Blitzschutz-Fachkräfte notwendig, Ferndiagnosen für Blitzschutz/Erdung können hier NICHT durchgeführt werden ("wie kann ICH das machen ..." oder ähnlich bringt da nichts).
Diese Signatur wächst von Woche zu Woche und enthält immer mehr grundlegende Inhalte die bitte berücksichtigt werden sollten bei bzw. VOR Anfragen !
100% beantwortet werden können nur Anfragen die auch alle relevanten Teile beinhalten die man benötigt für eine Antwort (genaue Beschreibungen/ Angabe von Herstellern/Typen für vorhandenes Material etc.). Bitte vermeiden Sie Aussagen wie "habe viel gelesen, aber versteht das nicht ..." ohne Nennung von dem was Sie gelesen haben und was genau unklar war an den Erklärungen die hier gelesen wurden - den nur dann kann man auch darauf eingehen was event. unklar ist/war.
Bitte unbedingt vor einem Post lesen => Boardregeln / Datenschutz
Wir erteilen hier keine Rechtsberatung, unsere Hinweise sind nach bestem Wissen und bedürfen einer entsprechenden juristischen/technischen weiteren Beratung.
- Tvrdy
- postet ab und zu
- Beiträge: 24
- Registriert: 15. Februar 2016 14:26
- Wohnort: Detmold
- Danksagung erhalten: 1 Mal
Re: 2 Satelliten mit JESS-Multischalter(n) sternförmig in 4 WE mit bis zu 8 Tuner/WE, inkl. Sat>IP Server
Hallo Herr Uhde,
die hellgrauen Angaben waren Dinge die ich aufgeschnappt hatte und ich sie nur drin gelassen, falls sie noch relevant sein sollten. Ich sagte, ich bin hier Anfänger. Und ich war nur ehrlich wo ich sagte, das habe ich noch nicht begriffen.
Ich habe ihre Antworten gerade nur kurz überfliegen können, da ich noch mal weg muss. Aber ich danke Ihnen und melde mich wieder.
Jetzt werde ich den Plan auf die Dinge reduzieren, die feststehen oder Bestand sind. Vielleich habe ich das Pferd von hinten aufgezogen. Dann wird es für Sie natürlich schwierig mich ordentlich zu beraten. Vielleicht war ich zu fokussiert (weil begeistert vom JESS-System) auf die unendlichen Möglichkeiten.
Tut mir Leid. Aber ich gebe nicht auf in unserer neuen Wohnung eine bessere Satellitenanlage auf zu stellen als bisher.
Viele Grüße
Dirk
die hellgrauen Angaben waren Dinge die ich aufgeschnappt hatte und ich sie nur drin gelassen, falls sie noch relevant sein sollten. Ich sagte, ich bin hier Anfänger. Und ich war nur ehrlich wo ich sagte, das habe ich noch nicht begriffen.
Ich habe ihre Antworten gerade nur kurz überfliegen können, da ich noch mal weg muss. Aber ich danke Ihnen und melde mich wieder.
Jetzt werde ich den Plan auf die Dinge reduzieren, die feststehen oder Bestand sind. Vielleich habe ich das Pferd von hinten aufgezogen. Dann wird es für Sie natürlich schwierig mich ordentlich zu beraten. Vielleicht war ich zu fokussiert (weil begeistert vom JESS-System) auf die unendlichen Möglichkeiten.
Tut mir Leid. Aber ich gebe nicht auf in unserer neuen Wohnung eine bessere Satellitenanlage auf zu stellen als bisher.
Viele Grüße
Dirk
- techno-com
- Site Admin
- Beiträge: 22464
- Registriert: 17. November 2005 09:32
- Wohnort: 74076 Heilbronn
- Hat sich bedankt: 505 Mal
- Danksagung erhalten: 575 Mal
- Kontaktdaten:
Re: 2 Satelliten mit JESS-Multischalter(n) sternförmig in 4 WE mit bis zu 8 Tuner/WE, inkl. Sat>IP Server
Tipp von mir noch .......
Wenn sie hier ein paar Beiträge suchen sollten dann schauen sie nicht nach einem JPS09xx (für 2 Satelliten), schauen sie immer nach einem JPS05xx (für ihren Fall z.B. JPS0501-12 bzw. JPS0504-6 etc.) ! Ob ein Satellit oder 2 Satelliten in der Versorgung VOR dem Multischalter, dahinter ist immer alles gleich..... D.h. für sie einfach nur das sie sich bei diesen Beiträgen die sich um einen Satelliten handeln dann einfach ihr 2. LNB zur Versorgung vom JPS09er Schalter vorne dran "denken" müssen.
Erleichtert es auf jeden Fall vergleichbare Beiträge hier zu finden im Forum.
Für JPS09xx Anlagen habe ich akt. selbst nur diesen Beitrag gefunden => EFH best. SAT Umrüstung/Ergänzung JESS
Das passt aber nicht ganz zu ihren Wünschen hier ....
Für aber einen JPS0504-3 habe ich das gefunden => Welchen Multischalter? Umrüstung Kabel - Unicable SAT (EN50494)
Das passt wohl am besten zu ihren Wünschen hier, wenn auch sie die Version JPS0504-6 benötigen würden (einziger Unterschied zum -3 ist das der -6 eben 6 statt nur 3 Unicable-Umsetzungen pro Ausgang heraus gibt/versorgt um somit eben 6 Tuner an jedem Ausgang betreiben zu können).
Wenn sie hier ein paar Beiträge suchen sollten dann schauen sie nicht nach einem JPS09xx (für 2 Satelliten), schauen sie immer nach einem JPS05xx (für ihren Fall z.B. JPS0501-12 bzw. JPS0504-6 etc.) ! Ob ein Satellit oder 2 Satelliten in der Versorgung VOR dem Multischalter, dahinter ist immer alles gleich..... D.h. für sie einfach nur das sie sich bei diesen Beiträgen die sich um einen Satelliten handeln dann einfach ihr 2. LNB zur Versorgung vom JPS09er Schalter vorne dran "denken" müssen.
Erleichtert es auf jeden Fall vergleichbare Beiträge hier zu finden im Forum.
Für JPS09xx Anlagen habe ich akt. selbst nur diesen Beitrag gefunden => EFH best. SAT Umrüstung/Ergänzung JESS
Das passt aber nicht ganz zu ihren Wünschen hier ....
Für aber einen JPS0504-3 habe ich das gefunden => Welchen Multischalter? Umrüstung Kabel - Unicable SAT (EN50494)
Das passt wohl am besten zu ihren Wünschen hier, wenn auch sie die Version JPS0504-6 benötigen würden (einziger Unterschied zum -3 ist das der -6 eben 6 statt nur 3 Unicable-Umsetzungen pro Ausgang heraus gibt/versorgt um somit eben 6 Tuner an jedem Ausgang betreiben zu können).
Vielleicht sind wir nicht günstiger als ein Discounter oder reiner Online-Kartonschieber, aber sicherlich besser !
Normkonforme Beratung und Bau sind bei uns selbstverständlich.
Sat-Shop Heilbronn Kunden können sich auch nach dem Kauf auf unseren besten Service verlassen
Hier im Forum wird kein After-Sales-Support für Fremdkäufe geleistet !! Wenden Sie sich dazu an ihren Verkäufer ......
Tristan Uhde / Satanlagen Onlineshop / SAT-Shop Heilbronn
https://www.satshop-heilbronn.de (SSL) / SAT-Onlineforum https://www.satanlagenforum.de (SSL)
Tel ------ (Fragen gehören ins Forum ! Den nur hier können sie richtig bearbeitet werden, auch was hier noch nicht von A-Z genau schon erklärt/behandelt ist ) .. Dieser Hinweis weil täglich dutzende Fragen per Email oder per PM über das Forum rein kommen die noch dazu inhaltlich nicht das intus haben das man etwas dazu sagen könnte.
Wichtiger Hinweis: Zuständigkeiten verantwortliche Elektrofachkraft (VEFK) und Blitzschutzfachkräfte
Informieren Sie sich dort über Folgen und Auswirkungen von Eigenleistung und lassen Sie selbst durchgeführte Installationen von entsprechender Stelle prüfen und abnehmen. Dafür sind VOR ORT spezielle und qualifizierte Blitzschutz-Fachkräfte notwendig, Ferndiagnosen für Blitzschutz/Erdung können hier NICHT durchgeführt werden ("wie kann ICH das machen ..." oder ähnlich bringt da nichts).
Diese Signatur wächst von Woche zu Woche und enthält immer mehr grundlegende Inhalte die bitte berücksichtigt werden sollten bei bzw. VOR Anfragen !
100% beantwortet werden können nur Anfragen die auch alle relevanten Teile beinhalten die man benötigt für eine Antwort (genaue Beschreibungen/ Angabe von Herstellern/Typen für vorhandenes Material etc.). Bitte vermeiden Sie Aussagen wie "habe viel gelesen, aber versteht das nicht ..." ohne Nennung von dem was Sie gelesen haben und was genau unklar war an den Erklärungen die hier gelesen wurden - den nur dann kann man auch darauf eingehen was event. unklar ist/war.
Bitte unbedingt vor einem Post lesen => Boardregeln / Datenschutz
Wir erteilen hier keine Rechtsberatung, unsere Hinweise sind nach bestem Wissen und bedürfen einer entsprechenden juristischen/technischen weiteren Beratung.
Normkonforme Beratung und Bau sind bei uns selbstverständlich.
Sat-Shop Heilbronn Kunden können sich auch nach dem Kauf auf unseren besten Service verlassen
Hier im Forum wird kein After-Sales-Support für Fremdkäufe geleistet !! Wenden Sie sich dazu an ihren Verkäufer ......
Tristan Uhde / Satanlagen Onlineshop / SAT-Shop Heilbronn
https://www.satshop-heilbronn.de (SSL) / SAT-Onlineforum https://www.satanlagenforum.de (SSL)
Tel ------ (Fragen gehören ins Forum ! Den nur hier können sie richtig bearbeitet werden, auch was hier noch nicht von A-Z genau schon erklärt/behandelt ist ) .. Dieser Hinweis weil täglich dutzende Fragen per Email oder per PM über das Forum rein kommen die noch dazu inhaltlich nicht das intus haben das man etwas dazu sagen könnte.
Wichtiger Hinweis: Zuständigkeiten verantwortliche Elektrofachkraft (VEFK) und Blitzschutzfachkräfte
Informieren Sie sich dort über Folgen und Auswirkungen von Eigenleistung und lassen Sie selbst durchgeführte Installationen von entsprechender Stelle prüfen und abnehmen. Dafür sind VOR ORT spezielle und qualifizierte Blitzschutz-Fachkräfte notwendig, Ferndiagnosen für Blitzschutz/Erdung können hier NICHT durchgeführt werden ("wie kann ICH das machen ..." oder ähnlich bringt da nichts).
Diese Signatur wächst von Woche zu Woche und enthält immer mehr grundlegende Inhalte die bitte berücksichtigt werden sollten bei bzw. VOR Anfragen !
100% beantwortet werden können nur Anfragen die auch alle relevanten Teile beinhalten die man benötigt für eine Antwort (genaue Beschreibungen/ Angabe von Herstellern/Typen für vorhandenes Material etc.). Bitte vermeiden Sie Aussagen wie "habe viel gelesen, aber versteht das nicht ..." ohne Nennung von dem was Sie gelesen haben und was genau unklar war an den Erklärungen die hier gelesen wurden - den nur dann kann man auch darauf eingehen was event. unklar ist/war.
Bitte unbedingt vor einem Post lesen => Boardregeln / Datenschutz
Wir erteilen hier keine Rechtsberatung, unsere Hinweise sind nach bestem Wissen und bedürfen einer entsprechenden juristischen/technischen weiteren Beratung.
- Tvrdy
- postet ab und zu
- Beiträge: 24
- Registriert: 15. Februar 2016 14:26
- Wohnort: Detmold
- Danksagung erhalten: 1 Mal
Re: 2 Satelliten mit JESS-Multischalter(n) sternförmig in 4 WE mit bis zu 8 Tuner/WE, inkl. Sat>IP Server
Moinmoin,
hat sich gelohnt noch mal rein zu schauen. Wieder superschnell ein paar Tips ergattert.
Ich danke Ihnen. Das werde ich berücksichtigen.
Viele Grüße
Dirk
hat sich gelohnt noch mal rein zu schauen. Wieder superschnell ein paar Tips ergattert.
Ich danke Ihnen. Das werde ich berücksichtigen.
Viele Grüße
Dirk
- techno-com
- Site Admin
- Beiträge: 22464
- Registriert: 17. November 2005 09:32
- Wohnort: 74076 Heilbronn
- Hat sich bedankt: 505 Mal
- Danksagung erhalten: 575 Mal
- Kontaktdaten:
Re: 2 Satelliten mit JESS-Multischalter(n) sternförmig in 4 WE mit bis zu 8 Tuner/WE, inkl. Sat>IP Server
Dann bis nach der Kabel-TV Kündigung ......
Bis dahin gibt es viel zu lesen => Jultec - Fachbegriffe (Erklärung)
Auszug der 3 wichtigsten Sachen von dort =>
Jultec-Typenschlüssel Erklärung
Link zur Jultec orig. Seite Jultec-Gerätebezeichnungen Erklärung
Link zur Jultec orig. Seite Jultec-Fachbegriffe Erklärung
Link zur Jultec orig. Seite
Bis dahin gibt es viel zu lesen => Jultec - Fachbegriffe (Erklärung)
Auszug der 3 wichtigsten Sachen von dort =>
Jultec-Typenschlüssel Erklärung
Link zur Jultec orig. Seite Jultec-Gerätebezeichnungen Erklärung
Link zur Jultec orig. Seite Jultec-Fachbegriffe Erklärung
Link zur Jultec orig. Seite
Vielleicht sind wir nicht günstiger als ein Discounter oder reiner Online-Kartonschieber, aber sicherlich besser !
Normkonforme Beratung und Bau sind bei uns selbstverständlich.
Sat-Shop Heilbronn Kunden können sich auch nach dem Kauf auf unseren besten Service verlassen
Hier im Forum wird kein After-Sales-Support für Fremdkäufe geleistet !! Wenden Sie sich dazu an ihren Verkäufer ......
Tristan Uhde / Satanlagen Onlineshop / SAT-Shop Heilbronn
https://www.satshop-heilbronn.de (SSL) / SAT-Onlineforum https://www.satanlagenforum.de (SSL)
Tel ------ (Fragen gehören ins Forum ! Den nur hier können sie richtig bearbeitet werden, auch was hier noch nicht von A-Z genau schon erklärt/behandelt ist ) .. Dieser Hinweis weil täglich dutzende Fragen per Email oder per PM über das Forum rein kommen die noch dazu inhaltlich nicht das intus haben das man etwas dazu sagen könnte.
Wichtiger Hinweis: Zuständigkeiten verantwortliche Elektrofachkraft (VEFK) und Blitzschutzfachkräfte
Informieren Sie sich dort über Folgen und Auswirkungen von Eigenleistung und lassen Sie selbst durchgeführte Installationen von entsprechender Stelle prüfen und abnehmen. Dafür sind VOR ORT spezielle und qualifizierte Blitzschutz-Fachkräfte notwendig, Ferndiagnosen für Blitzschutz/Erdung können hier NICHT durchgeführt werden ("wie kann ICH das machen ..." oder ähnlich bringt da nichts).
Diese Signatur wächst von Woche zu Woche und enthält immer mehr grundlegende Inhalte die bitte berücksichtigt werden sollten bei bzw. VOR Anfragen !
100% beantwortet werden können nur Anfragen die auch alle relevanten Teile beinhalten die man benötigt für eine Antwort (genaue Beschreibungen/ Angabe von Herstellern/Typen für vorhandenes Material etc.). Bitte vermeiden Sie Aussagen wie "habe viel gelesen, aber versteht das nicht ..." ohne Nennung von dem was Sie gelesen haben und was genau unklar war an den Erklärungen die hier gelesen wurden - den nur dann kann man auch darauf eingehen was event. unklar ist/war.
Bitte unbedingt vor einem Post lesen => Boardregeln / Datenschutz
Wir erteilen hier keine Rechtsberatung, unsere Hinweise sind nach bestem Wissen und bedürfen einer entsprechenden juristischen/technischen weiteren Beratung.
Normkonforme Beratung und Bau sind bei uns selbstverständlich.
Sat-Shop Heilbronn Kunden können sich auch nach dem Kauf auf unseren besten Service verlassen
Hier im Forum wird kein After-Sales-Support für Fremdkäufe geleistet !! Wenden Sie sich dazu an ihren Verkäufer ......
Tristan Uhde / Satanlagen Onlineshop / SAT-Shop Heilbronn
https://www.satshop-heilbronn.de (SSL) / SAT-Onlineforum https://www.satanlagenforum.de (SSL)
Tel ------ (Fragen gehören ins Forum ! Den nur hier können sie richtig bearbeitet werden, auch was hier noch nicht von A-Z genau schon erklärt/behandelt ist ) .. Dieser Hinweis weil täglich dutzende Fragen per Email oder per PM über das Forum rein kommen die noch dazu inhaltlich nicht das intus haben das man etwas dazu sagen könnte.
Wichtiger Hinweis: Zuständigkeiten verantwortliche Elektrofachkraft (VEFK) und Blitzschutzfachkräfte
Informieren Sie sich dort über Folgen und Auswirkungen von Eigenleistung und lassen Sie selbst durchgeführte Installationen von entsprechender Stelle prüfen und abnehmen. Dafür sind VOR ORT spezielle und qualifizierte Blitzschutz-Fachkräfte notwendig, Ferndiagnosen für Blitzschutz/Erdung können hier NICHT durchgeführt werden ("wie kann ICH das machen ..." oder ähnlich bringt da nichts).
Diese Signatur wächst von Woche zu Woche und enthält immer mehr grundlegende Inhalte die bitte berücksichtigt werden sollten bei bzw. VOR Anfragen !
100% beantwortet werden können nur Anfragen die auch alle relevanten Teile beinhalten die man benötigt für eine Antwort (genaue Beschreibungen/ Angabe von Herstellern/Typen für vorhandenes Material etc.). Bitte vermeiden Sie Aussagen wie "habe viel gelesen, aber versteht das nicht ..." ohne Nennung von dem was Sie gelesen haben und was genau unklar war an den Erklärungen die hier gelesen wurden - den nur dann kann man auch darauf eingehen was event. unklar ist/war.
Bitte unbedingt vor einem Post lesen => Boardregeln / Datenschutz
Wir erteilen hier keine Rechtsberatung, unsere Hinweise sind nach bestem Wissen und bedürfen einer entsprechenden juristischen/technischen weiteren Beratung.
- Tvrdy
- postet ab und zu
- Beiträge: 24
- Registriert: 15. Februar 2016 14:26
- Wohnort: Detmold
- Danksagung erhalten: 1 Mal
Re: 2 Satelliten mit JESS-Multischalter(n) sternförmig in 4 WE mit bis zu 8 Tuner/WE, inkl. Sat>IP Server
Vielen Dank.
Wird meine heutige Abendlektüre.
Der Einzug rückt schließlich näher und es muss ja weitergehen, ich bleib dran...
Wird meine heutige Abendlektüre.
Der Einzug rückt schließlich näher und es muss ja weitergehen, ich bleib dran...
- Tvrdy
- postet ab und zu
- Beiträge: 24
- Registriert: 15. Februar 2016 14:26
- Wohnort: Detmold
- Danksagung erhalten: 1 Mal
Re: 2 Satelliten mit JESS-Multischalter(n) sternförmig in 4 WE mit bis zu 8 Tuner/WE, inkl. Sat>IP Server
Moin,
...so hat länger gedauert,aber ich habe einen neuen Plan erstellt. Ich habe mal die Kabellängen in den Plan eingetragen, sowie die Verteilung zu den Dosen. Verdeutlicht sich jetzt, ob man noch in irgendeiner Form über JESS nachdenken muss/kann?
Wenn ich mit einer Unicable-I-Anlage (EN50494) genügend Freiheiten für parallele Aufnahmen und gleichzeitiges Fernsehen erreichen kann, dann spare ich mir den Mehraufwand für JESS, da ich dann wahrscheinlich deutlich mehr in die Tasche greifen müsste. Vorerst würde vorziehen die vorhandenen Unicable-tauglichen-Endgeräte weiter zu nutzen und inverstiere erstmal nur punktuell in eine Verbesserung der Struktur zu den Geräten.
Was mir überhaupt nicht klar geworden ist und wo ich unbedingt Hilfe benötige, ist die Dämpfungsgeschichte bei den Unicable-Durchgangsdosen. Bei den 5x Unicable-Enddosen kann ich doch nichts falsch machen, oder?
Können Sie mir auch gute Unicable-LNB's, inklusive 85er Spiegel mit flexiblen Multifeedhalter für ASTRA19,2° + ASTRA23,5°anbieten?
Sowie einen passenden Unicable-Multischalter für 2 Satelliten und die nötigen Unicable-Verteiler und die o.a. Unicable-Durchgangs- und Enddosen?
Oder benötigen Sie dazu weitere Angaben?
Bevor ich weitere Fragen stelle, warte ich erst mal auf die Reaktionen hierzu.
Das Thema Erdung hat sich nicht geändert, die Position ist gleich geblieben. Wenn es Not tut, würde ich hier auch in einen Schutz investieren. Liegt aber eigentlich im grünen Bereich, denke ich.
Bis bald.
Dirk
...so hat länger gedauert,aber ich habe einen neuen Plan erstellt. Ich habe mal die Kabellängen in den Plan eingetragen, sowie die Verteilung zu den Dosen. Verdeutlicht sich jetzt, ob man noch in irgendeiner Form über JESS nachdenken muss/kann?
Wenn ich mit einer Unicable-I-Anlage (EN50494) genügend Freiheiten für parallele Aufnahmen und gleichzeitiges Fernsehen erreichen kann, dann spare ich mir den Mehraufwand für JESS, da ich dann wahrscheinlich deutlich mehr in die Tasche greifen müsste. Vorerst würde vorziehen die vorhandenen Unicable-tauglichen-Endgeräte weiter zu nutzen und inverstiere erstmal nur punktuell in eine Verbesserung der Struktur zu den Geräten.
Was mir überhaupt nicht klar geworden ist und wo ich unbedingt Hilfe benötige, ist die Dämpfungsgeschichte bei den Unicable-Durchgangsdosen. Bei den 5x Unicable-Enddosen kann ich doch nichts falsch machen, oder?
Können Sie mir auch gute Unicable-LNB's, inklusive 85er Spiegel mit flexiblen Multifeedhalter für ASTRA19,2° + ASTRA23,5°anbieten?
Sowie einen passenden Unicable-Multischalter für 2 Satelliten und die nötigen Unicable-Verteiler und die o.a. Unicable-Durchgangs- und Enddosen?
Oder benötigen Sie dazu weitere Angaben?
Bevor ich weitere Fragen stelle, warte ich erst mal auf die Reaktionen hierzu.
Das Thema Erdung hat sich nicht geändert, die Position ist gleich geblieben. Wenn es Not tut, würde ich hier auch in einen Schutz investieren. Liegt aber eigentlich im grünen Bereich, denke ich.
Bis bald.
Dirk
- techno-com
- Site Admin
- Beiträge: 22464
- Registriert: 17. November 2005 09:32
- Wohnort: 74076 Heilbronn
- Hat sich bedankt: 505 Mal
- Danksagung erhalten: 575 Mal
- Kontaktdaten:
Re: 2 Satelliten mit JESS-Multischalter(n) sternförmig in 4 WE mit bis zu 8 Tuner/WE, inkl. Sat>IP Server
Hallo zurückTvrdy hat geschrieben:Moin,
Immer noch ist hier JESS eine Sache die absolut nicht relevant für irgendetwas ist oder bei ihren Anforderungen an die Versorgung mal überhaupt wird hier ..... bitte, einfach weg lassen diese Bezeichnung --- wenn dann kommt das ganz alleine hier in den Beitrag rein dieses Wort !Tvrdy hat geschrieben:Verdeutlicht sich jetzt, ob man noch in irgendeiner Form über JESS nachdenken muss/kann?
Jultec - Fachbegriffe (Erklärung)Tvrdy hat geschrieben:Wenn ich mit einer Unicable-I-Anlage (EN50494) genügend Freiheiten für parallele Aufnahmen und gleichzeitiges Fernsehen erreichen kann, dann spare ich mir den Mehraufwand für JESS, da ich dann wahrscheinlich deutlich mehr in die Tasche greifen müsste. Vorerst würde vorziehen die vorhandenen Unicable-tauglichen-Endgeräte weiter zu nutzen und inverstiere erstmal nur punktuell in eine Verbesserung der Struktur zu den Geräten.
Wir haben Vorgaben:
1. Einkabelsystem => JPS also
2. 2 Satelliten => 09xx also
3. 2 Stränge => 2 Schalter mit xx01 bzw. 1 Schalter mit xx02
4. 4 Tuner (2x Twin-Receiver) am 1. Strang + 8 Tuner (Elgato 4 Tuner + Sky 2 Tuner + Digital-Devices Karte 2 Tuner) am 2. Strang ..... hier wird es also entscheidend und das ist der einzige Punkt der akt. unklar ist hier !!
Idee 1:
Jultec JPS0901-12TN => 2 Satelliten, 1 Ausgang (der über einen 2-fach Verteiler aufgesplittet werden könnte auf 2) und 12 Umsetzungen für 12 Tuner
---- geht aber nicht ! Wir haben an der kompletten Anlage nur mit der Digital-Devices Cine S2 V7 eine Komponente die JESS-Tauglich wäre und die Umsetzungen 9-12 ansteuern könnte ..... aber das reicht nicht für eben Sky-Twin-Receiver (2 Tuner - nicht JESS-tauglich) + Elgato (4 Tuner - nicht JESS-tauglich ?) + Humax ICord Twin (2 Tuner - nicht JESS-tauglich) + Zehnder Gerät der wahrscheinlich nicht Unicable- bzw. JESS-tauglich ist ?
Idee 2 daher:
Jultec JPS0901-6A für linken Strang + Jultec JPS0901-12TN dahinter kaskadiert für den rechten Strang .... nur so hätten wir genug Versorgungen um alle Stränge richtig zu versorgen, es müsste an keinem Strang überhaupt ein Gerät eingesetzt werden dann das JESS können müsste (weil nie mehr als 8 Tuner benötigt werden am Strang und so nur die ID 1-8 benötigt wird die über Standard Unicable angesteuert werden können).
Pauschal würde man hier 2x Jultec JAD310TRS Durchgangsdosen + 5x Jultec JAD307TRS Enddose sagen .......Tvrdy hat geschrieben:Was mir überhaupt nicht klar geworden ist und wo ich unbedingt Hilfe benötige, ist die Dämpfungsgeschichte bei den Unicable-Durchgangsdosen. Bei den 5x Unicable-Enddosen kann ich doch nichts falsch machen, oder?
Die 2-fach Verteiler sind ganz normale, also diese.
Unicable-LNBs haben mit der Sache hier absolut nichts zu tun ........ das ist eine andere Geschichte wo man diese benötigt !Tvrdy hat geschrieben:Können Sie mir auch gute Unicable-LNB's,
Hier werden 2 ganz normale Quattro-LNBs benötigt.
Gibertini OP 85 SETvrdy hat geschrieben:.... inklusive 85er Spiegel mit flexiblen Multifeedhalter für ASTRA19,2° + ASTRA23,5°anbieten?
Gibertini 2-fach Mulitfeedhalterung
Erklärung + Bilder siehe unter Aufrüstung für UK Empfang
Der Potentialausgleich ist immer sehr nah gelegt, den also immer ausführen !!!Tvrdy hat geschrieben:Wenn es Not tut, würde ich hier auch in einen Schutz investieren. Liegt aber eigentlich im grünen Bereich, denke ich.
Siehe unter Vormontagen- Aufbau im Schaltschrank incl Potenzialausgleich
Bei ihnen 8 Kabel von den LNBs kommend + 2 Kabel die in die Zimmer abgehen (=10 Kabel die über den PA geführt werden müssen).
Vielleicht sind wir nicht günstiger als ein Discounter oder reiner Online-Kartonschieber, aber sicherlich besser !
Normkonforme Beratung und Bau sind bei uns selbstverständlich.
Sat-Shop Heilbronn Kunden können sich auch nach dem Kauf auf unseren besten Service verlassen
Hier im Forum wird kein After-Sales-Support für Fremdkäufe geleistet !! Wenden Sie sich dazu an ihren Verkäufer ......
Tristan Uhde / Satanlagen Onlineshop / SAT-Shop Heilbronn
https://www.satshop-heilbronn.de (SSL) / SAT-Onlineforum https://www.satanlagenforum.de (SSL)
Tel ------ (Fragen gehören ins Forum ! Den nur hier können sie richtig bearbeitet werden, auch was hier noch nicht von A-Z genau schon erklärt/behandelt ist ) .. Dieser Hinweis weil täglich dutzende Fragen per Email oder per PM über das Forum rein kommen die noch dazu inhaltlich nicht das intus haben das man etwas dazu sagen könnte.
Wichtiger Hinweis: Zuständigkeiten verantwortliche Elektrofachkraft (VEFK) und Blitzschutzfachkräfte
Informieren Sie sich dort über Folgen und Auswirkungen von Eigenleistung und lassen Sie selbst durchgeführte Installationen von entsprechender Stelle prüfen und abnehmen. Dafür sind VOR ORT spezielle und qualifizierte Blitzschutz-Fachkräfte notwendig, Ferndiagnosen für Blitzschutz/Erdung können hier NICHT durchgeführt werden ("wie kann ICH das machen ..." oder ähnlich bringt da nichts).
Diese Signatur wächst von Woche zu Woche und enthält immer mehr grundlegende Inhalte die bitte berücksichtigt werden sollten bei bzw. VOR Anfragen !
100% beantwortet werden können nur Anfragen die auch alle relevanten Teile beinhalten die man benötigt für eine Antwort (genaue Beschreibungen/ Angabe von Herstellern/Typen für vorhandenes Material etc.). Bitte vermeiden Sie Aussagen wie "habe viel gelesen, aber versteht das nicht ..." ohne Nennung von dem was Sie gelesen haben und was genau unklar war an den Erklärungen die hier gelesen wurden - den nur dann kann man auch darauf eingehen was event. unklar ist/war.
Bitte unbedingt vor einem Post lesen => Boardregeln / Datenschutz
Wir erteilen hier keine Rechtsberatung, unsere Hinweise sind nach bestem Wissen und bedürfen einer entsprechenden juristischen/technischen weiteren Beratung.
Normkonforme Beratung und Bau sind bei uns selbstverständlich.
Sat-Shop Heilbronn Kunden können sich auch nach dem Kauf auf unseren besten Service verlassen
Hier im Forum wird kein After-Sales-Support für Fremdkäufe geleistet !! Wenden Sie sich dazu an ihren Verkäufer ......
Tristan Uhde / Satanlagen Onlineshop / SAT-Shop Heilbronn
https://www.satshop-heilbronn.de (SSL) / SAT-Onlineforum https://www.satanlagenforum.de (SSL)
Tel ------ (Fragen gehören ins Forum ! Den nur hier können sie richtig bearbeitet werden, auch was hier noch nicht von A-Z genau schon erklärt/behandelt ist ) .. Dieser Hinweis weil täglich dutzende Fragen per Email oder per PM über das Forum rein kommen die noch dazu inhaltlich nicht das intus haben das man etwas dazu sagen könnte.
Wichtiger Hinweis: Zuständigkeiten verantwortliche Elektrofachkraft (VEFK) und Blitzschutzfachkräfte
Informieren Sie sich dort über Folgen und Auswirkungen von Eigenleistung und lassen Sie selbst durchgeführte Installationen von entsprechender Stelle prüfen und abnehmen. Dafür sind VOR ORT spezielle und qualifizierte Blitzschutz-Fachkräfte notwendig, Ferndiagnosen für Blitzschutz/Erdung können hier NICHT durchgeführt werden ("wie kann ICH das machen ..." oder ähnlich bringt da nichts).
Diese Signatur wächst von Woche zu Woche und enthält immer mehr grundlegende Inhalte die bitte berücksichtigt werden sollten bei bzw. VOR Anfragen !
100% beantwortet werden können nur Anfragen die auch alle relevanten Teile beinhalten die man benötigt für eine Antwort (genaue Beschreibungen/ Angabe von Herstellern/Typen für vorhandenes Material etc.). Bitte vermeiden Sie Aussagen wie "habe viel gelesen, aber versteht das nicht ..." ohne Nennung von dem was Sie gelesen haben und was genau unklar war an den Erklärungen die hier gelesen wurden - den nur dann kann man auch darauf eingehen was event. unklar ist/war.
Bitte unbedingt vor einem Post lesen => Boardregeln / Datenschutz
Wir erteilen hier keine Rechtsberatung, unsere Hinweise sind nach bestem Wissen und bedürfen einer entsprechenden juristischen/technischen weiteren Beratung.
- Tvrdy
- postet ab und zu
- Beiträge: 24
- Registriert: 15. Februar 2016 14:26
- Wohnort: Detmold
- Danksagung erhalten: 1 Mal
Re: 2 Satelliten mit JESS-Multischalter(n) sternförmig in 4 WE mit bis zu 8 Tuner/WE, inkl. Sat>IP Server
Schönen guten Morgen,
ich komme gleich zur Sache:
Idee 1 finde ich besser, denn weiter in die Zukunft gedacht und flexibler als der Bestand. Wenn ich soviel Geld investieren muss, dann doch in die Zukunft gerichtet, sonst kann ich die jetzige Lösung mit Multytenne in der neuen Wohnung aufbauen. Die funktioniert ja noch, nur leider mit der ein oder anderen Einschränkung.
Hier drei Alternativen in Plänen umgesetzt mit den bisherigen Lösungsansätzen, wie ich das bis jetzt mit fortschreitendem Wissen verstanden habe. Bitte korrigieren Sie mich, wenn ich daneben liegen sollte.
"Nicht böse sein, es folgt nur eine Zustandsbeschreibung von meinem Kopf": Ich lese gefühlt tausende Informationen, plötzlich scheint alles möglich und dann doch wieder nicht, weil z.B.alt, nicht lieferbar, oder ... . Dann noch die Situation am Bau, wo vorher alles so einfach schien und rosarot
...
Also hier meine weiteren Lösungsansätze:
(man beachte bitte meine punktuelle Weiterentwicklung, in der Hoffnung auf Erlösung) Bitte nicht aufgeben, ich weiß, es wäre einfacher Sie wären um die Ecke und kämen auf'n Kaffee vorbei.
Prost!
Haben wir aber nicht.
Wohl Pläne: Wenn ich richtig verstanden habe fehlt mir ein neues taugliches Gerät. Welches würde denn diesen Plan erfüllen? der Zehnder könnte getauscht werden, wenn nötig. Der wird bis jetzt noch gar nicht wirklich genutzt, sondern könnte irgendwann ins Kinderzimmer unserer Tochter. Jetzt noch nicht. Dann könnte sie den iCord bekommen und Zimmer 1 kriegt ein neues Endgerät.
Wunsch: Netzwerktauglich, am besten auf NAS zugreifend zum schauen, besser noch zum speichern und mindestens TWIN damit gleichzeitig schauen, Timeshift und aufnehmen möglich ist. Gibt es da etwas? Wo geht das los?
oder, weil das war etwas aus dem Beginn meiner Überlegungen vor Wochen entwachsen: Und, wenn das ein Schuss in den Ofen sein sollte, die von mir noch zu klärende Toplösung mit 4 Satelliten: Wenn ich diese Woche endgültig erfahren sollte, dass noch weitere 8 Kabel in den Keller gelegt werden können. Und wenn dann nur ein kostenintensiver Multischalter nötig sein sollte, ist das meine Premiumlösung.
Was meinen Sie? Gibt es noch Hoffnung?
Viele Grüße
Dirk
PS: Was kostet mich die Erdung?
ich komme gleich zur Sache:
Idee 1 finde ich besser, denn weiter in die Zukunft gedacht und flexibler als der Bestand. Wenn ich soviel Geld investieren muss, dann doch in die Zukunft gerichtet, sonst kann ich die jetzige Lösung mit Multytenne in der neuen Wohnung aufbauen. Die funktioniert ja noch, nur leider mit der ein oder anderen Einschränkung.
Hier drei Alternativen in Plänen umgesetzt mit den bisherigen Lösungsansätzen, wie ich das bis jetzt mit fortschreitendem Wissen verstanden habe. Bitte korrigieren Sie mich, wenn ich daneben liegen sollte.
"Nicht böse sein, es folgt nur eine Zustandsbeschreibung von meinem Kopf": Ich lese gefühlt tausende Informationen, plötzlich scheint alles möglich und dann doch wieder nicht, weil z.B.alt, nicht lieferbar, oder ... . Dann noch die Situation am Bau, wo vorher alles so einfach schien und rosarot
Also hier meine weiteren Lösungsansätze:
(man beachte bitte meine punktuelle Weiterentwicklung, in der Hoffnung auf Erlösung) Bitte nicht aufgeben, ich weiß, es wäre einfacher Sie wären um die Ecke und kämen auf'n Kaffee vorbei.
Haben wir aber nicht.
Wohl Pläne: Wenn ich richtig verstanden habe fehlt mir ein neues taugliches Gerät. Welches würde denn diesen Plan erfüllen? der Zehnder könnte getauscht werden, wenn nötig. Der wird bis jetzt noch gar nicht wirklich genutzt, sondern könnte irgendwann ins Kinderzimmer unserer Tochter. Jetzt noch nicht. Dann könnte sie den iCord bekommen und Zimmer 1 kriegt ein neues Endgerät.
Wunsch: Netzwerktauglich, am besten auf NAS zugreifend zum schauen, besser noch zum speichern und mindestens TWIN damit gleichzeitig schauen, Timeshift und aufnehmen möglich ist. Gibt es da etwas? Wo geht das los?
oder, weil das war etwas aus dem Beginn meiner Überlegungen vor Wochen entwachsen: Und, wenn das ein Schuss in den Ofen sein sollte, die von mir noch zu klärende Toplösung mit 4 Satelliten: Wenn ich diese Woche endgültig erfahren sollte, dass noch weitere 8 Kabel in den Keller gelegt werden können. Und wenn dann nur ein kostenintensiver Multischalter nötig sein sollte, ist das meine Premiumlösung.
Was meinen Sie? Gibt es noch Hoffnung?
Viele Grüße
Dirk
PS: Was kostet mich die Erdung?
- techno-com
- Site Admin
- Beiträge: 22464
- Registriert: 17. November 2005 09:32
- Wohnort: 74076 Heilbronn
- Hat sich bedankt: 505 Mal
- Danksagung erhalten: 575 Mal
- Kontaktdaten:
Re: 2 Satelliten mit JESS-Multischalter(n) sternförmig in 4 WE mit bis zu 8 Tuner/WE, inkl. Sat>IP Server
MoinTvrdy hat geschrieben:Schönen guten Morgen,
Vorab, bevor ich das vergesse, gleich noch einmal was ich zuvor geschrieben hatte im Quote:
In ihren neuen Zeichnungen sind wieder Unicable-LNBs als Versorgung ! Die haben mit der Sache nicht zu tun, haben ja auch nur einen Unicable-Ausgang und keine 4 wie sie die Kabel davon immer weg führen .... was sie benötigen sind die genannten Quattro-LNBs, für jeden gewünschten Satelliten eines !techno-com hat geschrieben:Unicable-LNBs haben mit der Sache hier absolut nichts zu tun ........ das ist eine andere Geschichte wo man diese benötigt !Tvrdy hat geschrieben:Können Sie mir auch gute Unicable-LNB's,
Hier werden 2 ganz normale Quattro-LNBs benötigt.
Die "Idee 1" war aber die kastrierte, da war keine Erweiterung möglich .... die "Idee 2" war die was alles voll versorgen könnte, mehr Tuner an der Anlage möglich und ALLE derzeit angeschlossenen müssten nur Unicable (EN50494) können und nicht JESS-tauglich (EN50607) sein - was bei ihnen aktuell nur die Digital-Devices Karte überhaupt könnte !Tvrdy hat geschrieben:Idee 1 finde ich besser, denn weiter in die Zukunft gedacht und flexibler als der Bestand. Wenn ich soviel Geld investieren muss, dann doch in die Zukunft gerichtet, sonst kann ich die jetzige Lösung ........
Warum das ?
1. max. 2 Satelliten (bei mehr Satelliten geht kein Unicable da dies nur max. 2 Satelliten verwalten kann)
2. an jedem Strang wären keine IDs über der 8 notwendig bei der Receiver-Programmierung (Unicable kann max. 8 IDs verwalten)
Erklärung im Beitrag unter => Was ist JESS (Jultec Enhanced Stacking System/DIN EN 50607)?
"Nicht lieferbar" (weil schon seit sehr langer Zeit nicht mehr produziert) ist nur der Inverto USS-200 Schalter ...... den bringen sie aber in einem Vorschalg folgend ein !Tvrdy hat geschrieben:"Nicht böse sein, es folgt nur eine Zustandsbeschreibung von meinem Kopf": Ich lese gefühlt tausende Informationen, plötzlich scheint alles möglich und dann doch wieder nicht, weil z.B.alt, nicht lieferbar, oder ...
1. das wäre meine "Idee 1" was sie da gezeichnet haben .... "Idee 2" wäre der bessere Weg (wie oben beschrieben).Tvrdy hat geschrieben:Wohl Pläne:
BILD 1
2. Unicable-LNB falsch ... müssen Quattro-LNB sein
Zum Receiver sollten wir jetzt nicht kommen, das macht die Sachlage noch viel schwerer und unübersicherlicher !Tvrdy hat geschrieben:Wenn ich richtig verstanden habe fehlt mir ein neues taugliches Gerät. Welches würde denn diesen Plan erfüllen? der Zehnder könnte getauscht werden, wenn nötig. Der wird bis jetzt noch gar nicht wirklich genutzt, sondern könnte irgendwann ins Kinderzimmer unserer Tochter. Jetzt noch nicht. Dann könnte sie den iCord bekommen und Zimmer 1 kriegt ein neues Endgerät.
Wunsch: Netzwerktauglich, am besten auf NAS zugreifend zum schauen, besser noch zum speichern und mindestens TWIN damit gleichzeitig schauen, Timeshift und aufnehmen möglich ist. Gibt es da etwas? Wo geht das los?
Geräte die das können sind z.B.:
VU+ Solo SE V2 Twin DVB-S2
VU+ Solo2
VU+ Duo2
VU+ Solo 4k
Über diese Funktion mit NAS-Netzlaufwerk etc. etc. wird in den verlinkten Beiträgen sehr viel geschrieben/erklärt.
Aber wirklich, das sollten wir nicht zu tief jetzt besprechend da wir hier mit der Versorgungsanlagen schon genug Probleme im Beitrag zu klären haben.
Gerät mit nur Single-Tuner und auch all diesen Möglichkeiten:
VU+ Zero
Mehr zu NAS-Verwaltung auch unter NAS Freigaben mounten und als Aufnahmepfad benutzen
1. Inverto USS200 nicht mehr lieferbarTvrdy hat geschrieben:oder, weil das war etwas aus dem Beginn meiner Überlegungen vor Wochen entwachsen:
BILD 2
2. Inverto USS200 ist KEIN JESS-Multischalter, das ist ein ganz normaler Unicable-Multischalter (ihre schriftliche Ergänzung im Bild => "JESS Inverto IDLP-USS200_CU010-8PP kaskadierbarer Unicable-Multischalter ....")
3. Unicable-LNB falsch ... müssen Quattro-LNB sein
4. der hat nur 8x User-Bands (=8 IDs für die Versorgung von max. 8 Tunern so an diesem Einkabel-Ausgang). Sie haben aber vor folgendes zu versorgen => 4x Elgato + 2x Sky-Twin-Receiver + 2x Digital-Devices PC-Karte + 1 oder sogar 2 zusätzliche Single-Receiver .... das sind schon alleine 9 oder 10 Tuner und somit gar nicht voll zu versorgen über diese Lösung
5. der Humax ICord HD ist ein Twin-Receiver, wird hier aber nur mit einem Kabel über den Legacy-Ausgang in ihrer Zeichnung versorgt (so nicht voll "Twin-versorgt").
Wie oben schon erklärt, nur ihre Digital-Devices PC-Karte könnte JESS EN50607 um überhaupt auf die 4 Satelliten zugreifen zu können ..... alle anderen Geräte können kein JESS und damit auch nur max. 2 Satelliten verwalten (Unicable => max. 2 Satelliten / für mehr wird JESS benötigt).Tvrdy hat geschrieben:Und, wenn das ein Schuss in den Ofen sein sollte, die von mir noch zu klärende Toplösung mit 4 Satelliten:
Weiterhin:
1. JAD300TRS Stichdosen waren die für einen Legacy-Ausgang, nicht für eine Unicable-Versorgung (das waren die JAD307TRS Enddosen)
2. wenn 3 Dosen an einem Strang dann nicht 2x JAD310TRS + 1x JAD307TRS, sondern weiter abgestuft => JAD314TRS auf JAD310TRS auf JAD3070TRS
3. ein Schalter mit -3 könnte pro Ausgang max. 3 Tuner versorgen, ihr Elgato benötigt aber schon 4 Tuner-Versorgungen (abgesehen das dieser gar nicht JESS kann und somit auch nur max. 2 Satelliten wie zuvor erklärt)
4. um überhaupt wissen zu können ob das mit einer 85cm Antenne geht braucht man die gewünschten Satelliten ! Ich kann nicht jede Kombination von 4 Satelliten mit einer Antenne so einfach empfangen .... da kommt es auf sehr sehr vieles an, z.B. auch auf den Montageort wenn z.B. der Astra 28 Grad (englische Programme) mit in die Planung kommen sollte .... für den wird je nachdem wo man die Anlage errichtet alleine schon eine Antenne mit 1.2-1.8 Meter fällig !
"Erdung", der "äußere Blitzschutz" wird ja nicht fällig da sie im Blitz-geschützten Bereich installieren .... es wird also nur der "innere Blitzschutz" (Potentialausgleich) fällig und der ist absolut abhängig davon was hier am Ende für eine Anlage raus kommt.Tvrdy hat geschrieben:PS: Was kostet mich die Erdung?
Erklärt wird dieses Vorgehen in den oben verlinkten Beiträgen und und in meinem letzten Beitrag:
techno-com hat geschrieben:Der Potentialausgleich ist immer sehr nah gelegt, den also immer ausführen !!!Tvrdy hat geschrieben:Wenn es Not tut, würde ich hier auch in einen Schutz investieren. Liegt aber eigentlich im grünen Bereich, denke ich.
Siehe unter Vormontagen- Aufbau im Schaltschrank incl Potenzialausgleich
Bei ihnen 8 Kabel von den LNBs kommend + 2 Kabel die in die Zimmer abgehen (=10 Kabel die über den PA geführt werden müssen).
Vielleicht sind wir nicht günstiger als ein Discounter oder reiner Online-Kartonschieber, aber sicherlich besser !
Normkonforme Beratung und Bau sind bei uns selbstverständlich.
Sat-Shop Heilbronn Kunden können sich auch nach dem Kauf auf unseren besten Service verlassen
Hier im Forum wird kein After-Sales-Support für Fremdkäufe geleistet !! Wenden Sie sich dazu an ihren Verkäufer ......
Tristan Uhde / Satanlagen Onlineshop / SAT-Shop Heilbronn
https://www.satshop-heilbronn.de (SSL) / SAT-Onlineforum https://www.satanlagenforum.de (SSL)
Tel ------ (Fragen gehören ins Forum ! Den nur hier können sie richtig bearbeitet werden, auch was hier noch nicht von A-Z genau schon erklärt/behandelt ist ) .. Dieser Hinweis weil täglich dutzende Fragen per Email oder per PM über das Forum rein kommen die noch dazu inhaltlich nicht das intus haben das man etwas dazu sagen könnte.
Wichtiger Hinweis: Zuständigkeiten verantwortliche Elektrofachkraft (VEFK) und Blitzschutzfachkräfte
Informieren Sie sich dort über Folgen und Auswirkungen von Eigenleistung und lassen Sie selbst durchgeführte Installationen von entsprechender Stelle prüfen und abnehmen. Dafür sind VOR ORT spezielle und qualifizierte Blitzschutz-Fachkräfte notwendig, Ferndiagnosen für Blitzschutz/Erdung können hier NICHT durchgeführt werden ("wie kann ICH das machen ..." oder ähnlich bringt da nichts).
Diese Signatur wächst von Woche zu Woche und enthält immer mehr grundlegende Inhalte die bitte berücksichtigt werden sollten bei bzw. VOR Anfragen !
100% beantwortet werden können nur Anfragen die auch alle relevanten Teile beinhalten die man benötigt für eine Antwort (genaue Beschreibungen/ Angabe von Herstellern/Typen für vorhandenes Material etc.). Bitte vermeiden Sie Aussagen wie "habe viel gelesen, aber versteht das nicht ..." ohne Nennung von dem was Sie gelesen haben und was genau unklar war an den Erklärungen die hier gelesen wurden - den nur dann kann man auch darauf eingehen was event. unklar ist/war.
Bitte unbedingt vor einem Post lesen => Boardregeln / Datenschutz
Wir erteilen hier keine Rechtsberatung, unsere Hinweise sind nach bestem Wissen und bedürfen einer entsprechenden juristischen/technischen weiteren Beratung.
Normkonforme Beratung und Bau sind bei uns selbstverständlich.
Sat-Shop Heilbronn Kunden können sich auch nach dem Kauf auf unseren besten Service verlassen
Hier im Forum wird kein After-Sales-Support für Fremdkäufe geleistet !! Wenden Sie sich dazu an ihren Verkäufer ......
Tristan Uhde / Satanlagen Onlineshop / SAT-Shop Heilbronn
https://www.satshop-heilbronn.de (SSL) / SAT-Onlineforum https://www.satanlagenforum.de (SSL)
Tel ------ (Fragen gehören ins Forum ! Den nur hier können sie richtig bearbeitet werden, auch was hier noch nicht von A-Z genau schon erklärt/behandelt ist ) .. Dieser Hinweis weil täglich dutzende Fragen per Email oder per PM über das Forum rein kommen die noch dazu inhaltlich nicht das intus haben das man etwas dazu sagen könnte.
Wichtiger Hinweis: Zuständigkeiten verantwortliche Elektrofachkraft (VEFK) und Blitzschutzfachkräfte
Informieren Sie sich dort über Folgen und Auswirkungen von Eigenleistung und lassen Sie selbst durchgeführte Installationen von entsprechender Stelle prüfen und abnehmen. Dafür sind VOR ORT spezielle und qualifizierte Blitzschutz-Fachkräfte notwendig, Ferndiagnosen für Blitzschutz/Erdung können hier NICHT durchgeführt werden ("wie kann ICH das machen ..." oder ähnlich bringt da nichts).
Diese Signatur wächst von Woche zu Woche und enthält immer mehr grundlegende Inhalte die bitte berücksichtigt werden sollten bei bzw. VOR Anfragen !
100% beantwortet werden können nur Anfragen die auch alle relevanten Teile beinhalten die man benötigt für eine Antwort (genaue Beschreibungen/ Angabe von Herstellern/Typen für vorhandenes Material etc.). Bitte vermeiden Sie Aussagen wie "habe viel gelesen, aber versteht das nicht ..." ohne Nennung von dem was Sie gelesen haben und was genau unklar war an den Erklärungen die hier gelesen wurden - den nur dann kann man auch darauf eingehen was event. unklar ist/war.
Bitte unbedingt vor einem Post lesen => Boardregeln / Datenschutz
Wir erteilen hier keine Rechtsberatung, unsere Hinweise sind nach bestem Wissen und bedürfen einer entsprechenden juristischen/technischen weiteren Beratung.
- Tvrdy
- postet ab und zu
- Beiträge: 24
- Registriert: 15. Februar 2016 14:26
- Wohnort: Detmold
- Danksagung erhalten: 1 Mal
Re: 2 Satelliten mit JESS-Multischalter(n) sternförmig in 4 WE mit bis zu 8 Tuner/WE, inkl. Sat>IP Server
Moin.
Tut mir Leid, dass es so lang dauerte. Ich komme auf die Idee 2 vom 07. März zurück.
Ich hab mal eine neue Handskizze erstellt. Damit die Raumsituation und die Verkabelung deutlicher wird.
Zudem habe ich die Geräte noch mal verschoben.
Wenn ich jetzt von TWIN-Geräten ausgehe, die mindestens EN50494-Unicable-I-tauglich sind. Macht es Sinn über zwei Multischalter nachzudenken die auch nur EN50494-Unicable-I-tauglich, oder sind die Geräte von Jultec den Preisunterschied wert?
Sprich, sind sie die richtige Lösung für den Einsatzzweck, oder ist das übertrieben?
Habe ich das mit den Durchgangsdosen richtig eingesetzt und funktioniert das so mit den Verteilern?
In Zimmer 2 & 3 sind je einmal ungenutzte Dosen in den Wänden. Falls später umgestaltet werden sollte könnte es sein das diese Dosen genutzt werden und die anderen im Raum frei bleiben. Sehr unwahrscheinlich, dass beide gleichzeitig genutzt werden.
Welche Quattro LNB's bieten sich an?
Viele Grüße
Dirk
Tut mir Leid, dass es so lang dauerte. Ich komme auf die Idee 2 vom 07. März zurück.
Ich hab mal eine neue Handskizze erstellt. Damit die Raumsituation und die Verkabelung deutlicher wird.
Zudem habe ich die Geräte noch mal verschoben.
Wenn ich jetzt von TWIN-Geräten ausgehe, die mindestens EN50494-Unicable-I-tauglich sind. Macht es Sinn über zwei Multischalter nachzudenken die auch nur EN50494-Unicable-I-tauglich, oder sind die Geräte von Jultec den Preisunterschied wert?
Sprich, sind sie die richtige Lösung für den Einsatzzweck, oder ist das übertrieben?
Habe ich das mit den Durchgangsdosen richtig eingesetzt und funktioniert das so mit den Verteilern?
In Zimmer 2 & 3 sind je einmal ungenutzte Dosen in den Wänden. Falls später umgestaltet werden sollte könnte es sein das diese Dosen genutzt werden und die anderen im Raum frei bleiben. Sehr unwahrscheinlich, dass beide gleichzeitig genutzt werden.
Welche Quattro LNB's bieten sich an?
Viele Grüße
Dirk
- techno-com
- Site Admin
- Beiträge: 22464
- Registriert: 17. November 2005 09:32
- Wohnort: 74076 Heilbronn
- Hat sich bedankt: 505 Mal
- Danksagung erhalten: 575 Mal
- Kontaktdaten:
Re: 2 Satelliten mit JESS-Multischalter(n) sternförmig in 4 WE mit bis zu 8 Tuner/WE, inkl. Sat>IP Server
Hallo zurückTvrdy hat geschrieben:Moin.
Tvrdy hat geschrieben:Ich hab mal eine neue Handskizze erstellt. Damit die Raumsituation und die Verkabelung deutlicher wird.
Hier fehlt mir eine genaue und wichtige Angabe, sitzen diese Verteiler (bzw. kommen die Kabel die da angeschlossen werden sollen) alle in einem Raum oder sind die baulich getrennt weil da z.B. 2x2fach Verteiler eingezeichnet wurden statt 1x einem 3fach Verteiler ? Warum wurde das nicht so geplant wie ich das jetzt mal umgezeichnet habe ? Gibt es dafür ggf. den Grund das diese Stränge baulich getrennt sind und nicht direkt so verkabelt werden können ?Tvrdy hat geschrieben:.... und funktioniert das so mit den Verteilern?
Das hatte ich oben schon erklärt und verlinkte ( Was ist JESS (Jultec Enhanced Stacking System/DIN EN 50607)? ) .... es ist nur ein einziges Gerät bei ihnen überhaupt JESS-tauglich (EN50607) und könnte somit die ID´s über 9 steuern und natürlich auch mehr als 2 Satelliten verwalten, das wäre die Digital-Devices PC-Karte ( Digital Devices Treiber Version 2.6.0.108 (JESS tauglich) ). Von daher bringt es absolut nichts bzw. nur sehr bedingt für den Zweig der diese Karte versort hier Schalter einzusetzen die mehr als nur Unicable (EN50494) können.Tvrdy hat geschrieben:Wenn ich jetzt von TWIN-Geräten ausgehe, die mindestens EN50494-Unicable-I-tauglich sind.
Ja, es macht Sinn über 2 Schalter nachzudenken bzw. über Schalter die eben mehr als 1 oder 2 Ausgänge haben und somit die Verteiler schon ersetzen würden da man von den Ausgängen vom Multischalter direkt die Stränge versorgen könnte.Tvrdy hat geschrieben:Macht es Sinn über zwei Multischalter nachzudenken die auch nur EN50494-Unicable-I-tauglich, oder sind die Geräte von Jultec den Preisunterschied wert?
Was bedeutet das "oder" in Verbindung mit dem Preisunterschied ? Das verstehe ich momentan absolut nicht
Da habe ich mal eine Zeichnung angefertigt wie ich das machen würde: Warum der JPS0902-3 statt dem JPS0901-6 ? Ganz einfach ... die kosten genau gleich, der 02-3 (der 2 Ausgänge hat mit je 3 Umsetzungen) würde aber den 2-fach Verteiler einsparen und hätte weiterhin den Vorteil das an beiden Ausgängen die IDs 1-3 genau gleich zur Verfügung stehen würden (nicht also ID 1-6 wie beim JPS0901-6er) und das weiterhin dort die CSS-/Legacy-Kombifunktion so genutzt werden könnten an einem (oder auch natürlich an beiden) Ausgängen- bei ihnen in Zimmer 2 so ggf. wenn dort nur ein Single-Receiver zum Einsatz kommen wird erst einmal (dieser Receiver müsste also nicht unicable-tauglich sein).Tvrdy hat geschrieben:Sprich, sind sie die richtige Lösung für den Einsatzzweck, oder ist das übertrieben?
Am JPS0901-12 werden 3 Stränge angeschlossen (über den jetzt dort eingezeichneten 3-fach Verteiler wenn das wie oben angefragt möglich ist), da könnte man also 12 Tuner mit versorgen. Die IDs 1-8 von diesem Schalter können von Geräten angesteuert werden die Unicable- ODER auch JESS-tauglich sind und die Umsetzungen von 9-12 könnten nur von Geräten angesteuert werden die JESS-tauglich sind (ihre DD-Karte z.B.).
Ja, das passt soweit sehr gutTvrdy hat geschrieben:Habe ich das mit den Durchgangsdosen richtig eingesetzt .....
Da könnten sie sogar beide Dosen in Reihe hintereinder gleichzeitig dann verwenden ! Unicable/JESS macht das ja möglich. Kommt eben darauf an wie viele IDs/Umsetzungen pro Stammleitung vorhanden sind das noch welche frei wären für mehr Geräte daran.Tvrdy hat geschrieben:In Zimmer 2 & 3 sind je einmal ungenutzte Dosen in den Wänden. Falls später umgestaltet werden sollte könnte es sein das diese Dosen genutzt werden und die anderen im Raum frei bleiben. Sehr unwahrscheinlich, dass beide gleichzeitig genutzt werden.
Grundsätzlich finden sie alle unsere Quattro-LNBs in der entsprechenden Rubrik für Quattro-LNBs auf der Homepage.Tvrdy hat geschrieben:Welche Quattro LNB's bieten sich an?
Hier sollte aber eher die Frage aufkommen welche LNBs für ihren Wunsch des Empfangs für Astra 19.2 + 23.5 Grad (Abstand nur ca. 4 Grad) überhaupt gehen würden das dieser Abstand realisiert werden kann !
Dafür sollte man Raketenfeedhorn-LNBs verwenden, spezielle sehr dünne Bauform das man sie "eng" nebeneinander befestigen kann => Red Eagle Black Buster Rocket Quattro LNB (für 3 Grad geeignet / Raketenfeedhorn)
An der Gibertini OP 85 SE benötigt man dann noch einen Multifeedhalter das man 2 LNBs daran befestigen kann => Nowaro MFP2-40 Multifeedhalterung 2-fach (Gibertini, Faval SE85 Premium und baugleiche)
Vielleicht sind wir nicht günstiger als ein Discounter oder reiner Online-Kartonschieber, aber sicherlich besser !
Normkonforme Beratung und Bau sind bei uns selbstverständlich.
Sat-Shop Heilbronn Kunden können sich auch nach dem Kauf auf unseren besten Service verlassen
Hier im Forum wird kein After-Sales-Support für Fremdkäufe geleistet !! Wenden Sie sich dazu an ihren Verkäufer ......
Tristan Uhde / Satanlagen Onlineshop / SAT-Shop Heilbronn
https://www.satshop-heilbronn.de (SSL) / SAT-Onlineforum https://www.satanlagenforum.de (SSL)
Tel ------ (Fragen gehören ins Forum ! Den nur hier können sie richtig bearbeitet werden, auch was hier noch nicht von A-Z genau schon erklärt/behandelt ist ) .. Dieser Hinweis weil täglich dutzende Fragen per Email oder per PM über das Forum rein kommen die noch dazu inhaltlich nicht das intus haben das man etwas dazu sagen könnte.
Wichtiger Hinweis: Zuständigkeiten verantwortliche Elektrofachkraft (VEFK) und Blitzschutzfachkräfte
Informieren Sie sich dort über Folgen und Auswirkungen von Eigenleistung und lassen Sie selbst durchgeführte Installationen von entsprechender Stelle prüfen und abnehmen. Dafür sind VOR ORT spezielle und qualifizierte Blitzschutz-Fachkräfte notwendig, Ferndiagnosen für Blitzschutz/Erdung können hier NICHT durchgeführt werden ("wie kann ICH das machen ..." oder ähnlich bringt da nichts).
Diese Signatur wächst von Woche zu Woche und enthält immer mehr grundlegende Inhalte die bitte berücksichtigt werden sollten bei bzw. VOR Anfragen !
100% beantwortet werden können nur Anfragen die auch alle relevanten Teile beinhalten die man benötigt für eine Antwort (genaue Beschreibungen/ Angabe von Herstellern/Typen für vorhandenes Material etc.). Bitte vermeiden Sie Aussagen wie "habe viel gelesen, aber versteht das nicht ..." ohne Nennung von dem was Sie gelesen haben und was genau unklar war an den Erklärungen die hier gelesen wurden - den nur dann kann man auch darauf eingehen was event. unklar ist/war.
Bitte unbedingt vor einem Post lesen => Boardregeln / Datenschutz
Wir erteilen hier keine Rechtsberatung, unsere Hinweise sind nach bestem Wissen und bedürfen einer entsprechenden juristischen/technischen weiteren Beratung.
Normkonforme Beratung und Bau sind bei uns selbstverständlich.
Sat-Shop Heilbronn Kunden können sich auch nach dem Kauf auf unseren besten Service verlassen
Hier im Forum wird kein After-Sales-Support für Fremdkäufe geleistet !! Wenden Sie sich dazu an ihren Verkäufer ......
Tristan Uhde / Satanlagen Onlineshop / SAT-Shop Heilbronn
https://www.satshop-heilbronn.de (SSL) / SAT-Onlineforum https://www.satanlagenforum.de (SSL)
Tel ------ (Fragen gehören ins Forum ! Den nur hier können sie richtig bearbeitet werden, auch was hier noch nicht von A-Z genau schon erklärt/behandelt ist ) .. Dieser Hinweis weil täglich dutzende Fragen per Email oder per PM über das Forum rein kommen die noch dazu inhaltlich nicht das intus haben das man etwas dazu sagen könnte.
Wichtiger Hinweis: Zuständigkeiten verantwortliche Elektrofachkraft (VEFK) und Blitzschutzfachkräfte
Informieren Sie sich dort über Folgen und Auswirkungen von Eigenleistung und lassen Sie selbst durchgeführte Installationen von entsprechender Stelle prüfen und abnehmen. Dafür sind VOR ORT spezielle und qualifizierte Blitzschutz-Fachkräfte notwendig, Ferndiagnosen für Blitzschutz/Erdung können hier NICHT durchgeführt werden ("wie kann ICH das machen ..." oder ähnlich bringt da nichts).
Diese Signatur wächst von Woche zu Woche und enthält immer mehr grundlegende Inhalte die bitte berücksichtigt werden sollten bei bzw. VOR Anfragen !
100% beantwortet werden können nur Anfragen die auch alle relevanten Teile beinhalten die man benötigt für eine Antwort (genaue Beschreibungen/ Angabe von Herstellern/Typen für vorhandenes Material etc.). Bitte vermeiden Sie Aussagen wie "habe viel gelesen, aber versteht das nicht ..." ohne Nennung von dem was Sie gelesen haben und was genau unklar war an den Erklärungen die hier gelesen wurden - den nur dann kann man auch darauf eingehen was event. unklar ist/war.
Bitte unbedingt vor einem Post lesen => Boardregeln / Datenschutz
Wir erteilen hier keine Rechtsberatung, unsere Hinweise sind nach bestem Wissen und bedürfen einer entsprechenden juristischen/technischen weiteren Beratung.
- Tvrdy
- postet ab und zu
- Beiträge: 24
- Registriert: 15. Februar 2016 14:26
- Wohnort: Detmold
- Danksagung erhalten: 1 Mal
Re: 2 Satelliten mit JESS-Multischalter(n) sternförmig in 4 WE mit bis zu 8 Tuner/WE, inkl. Sat>IP Server
Schönen guten Abend,


Ein 3-fach-Verteiler. Das ist genauso richtig, wie Sie es verbessert haben. Das war mir nämlich noch nicht ganz klar, ob das richtig sein kann, mit den verschiedenen 2-fach-Verteilern. Baulich spricht im Keller nichts dagegen. Die Verteiler müssen (alle) "Beide" direkt hinter dem Multischaltern zum Einsatz kommen! Am oder im vorhandenen Schaltschrank. Ich kann ein Foto davon machen, wenn das hilft?
Kurz überlegen. Fehlt noch etwas Wichtiges?
Ja, ein Receiver für das "?" in der Skizze. Alle neuen Endgeräte sollten auf das NAS aufnehmen und auf vorhandene Aufnahmen zugreifen können. Eine HDD braucht man dann nicht mehr, oder?
Sollte einfach zu bedienen sein.
Umschaltzeiten sollten nicht nerven.
Schon was mit guter Qualität. Aber ausbaufähig und Enigma2 beherrschen.
Viele Grüße
Dirk
PS: Würden Sie gerne sonst ein Foto, oder Fotos haben wollen, um die Situation besser nachvollziehen zu können?
Ein 3-fach-Verteiler. Das ist genauso richtig, wie Sie es verbessert haben. Das war mir nämlich noch nicht ganz klar, ob das richtig sein kann, mit den verschiedenen 2-fach-Verteilern. Baulich spricht im Keller nichts dagegen. Die Verteiler müssen (alle) "Beide" direkt hinter dem Multischaltern zum Einsatz kommen! Am oder im vorhandenen Schaltschrank. Ich kann ein Foto davon machen, wenn das hilft?
Richtig, mein Fehler, JPS0902-3T gehört hier hin! Haben Sie richtig verbessert. Danke.Warum der JPS0902-3 statt dem JPS0901-6 ?
Gut. das ist schön praktisch, man weiß ja nie.Da könnten sie sogar beide Dosen in Reihe hintereinder gleichzeitig dann verwenden ! Unicable/JESS macht das ja möglich. Kommt eben darauf an wie viele IDs/Umsetzungen pro Stammleitung vorhanden sind das noch welche frei wären für mehr Geräte daran.
Super, das werde ich machen. Das war mir wichtig, dass die Bauart zum Vorhaben passt.Hier sollte aber eher die Frage aufkommen welche LNBs für ihren Wunsch des Empfangs für Astra 19.2 + 23.5 Grad (Abstand nur ca. 4 Grad) überhaupt gehen würden das dieser Abstand realisiert werden kann !
Dafür sollte man Raketenfeedhorn-LNBs verwenden, spezielle sehr dünne Bauform das man sie "eng" nebeneinander befestigen kann => Red Eagle Black Buster Rocket Quattro LNB (für 3 Grad geeignet / Raketenfeedhorn)
Danke, das hatte ich als Angabe vergessen, aber genau das habe ich vor.An der Gibertini OP 85 SE benötigt man dann noch einen Multifeedhalter das man 2 LNBs daran befestigen kann => Nowaro MFP2-40 Multifeedhalterung 2-fach (Gibertini, Faval SE85 Premium und baugleiche)
Kurz überlegen. Fehlt noch etwas Wichtiges?
Ja, ein Receiver für das "?" in der Skizze. Alle neuen Endgeräte sollten auf das NAS aufnehmen und auf vorhandene Aufnahmen zugreifen können. Eine HDD braucht man dann nicht mehr, oder?
Sollte einfach zu bedienen sein.
Umschaltzeiten sollten nicht nerven.
Schon was mit guter Qualität. Aber ausbaufähig und Enigma2 beherrschen.
Viele Grüße
Dirk
PS: Würden Sie gerne sonst ein Foto, oder Fotos haben wollen, um die Situation besser nachvollziehen zu können?
- techno-com
- Site Admin
- Beiträge: 22464
- Registriert: 17. November 2005 09:32
- Wohnort: 74076 Heilbronn
- Hat sich bedankt: 505 Mal
- Danksagung erhalten: 575 Mal
- Kontaktdaten:
Re: 2 Satelliten mit JESS-Multischalter(n) sternförmig in 4 WE mit bis zu 8 Tuner/WE, inkl. Sat>IP Server
Hallo zurückTvrdy hat geschrieben:Schönen guten Abend,
Sorry für die späte Antwort, war übers Wochenende in der Schweiz arbeiten und das war stressig.
Wenn die Antenne im nicht-Blitz-geschützten Bereich installiert wird und extra geerdet werden muss dann darf man den Potentialausgleich nur von der geerdeten Antenne direkt abnehmen (das Potentialausgleichskabel für "rund um den Multischalter" also nur von dort abnehmen ! D.h. im Gegenschluss das man keine Vermischung der PA-Kabel machen darf und somit die Satanlage/den Multischalter-Aufbau nicht in einen Schaltschrank für Elektro durchführen darf da dieser direkt für den Potentialausgleich direkt mit der HES im Keller verbunden sein.Tvrdy hat geschrieben:Am oder im vorhandenen Schaltschrank. Ich kann ein Foto davon machen, wenn das hilft?
Bilder gerne einstellen von der Sache vor Ort, denke aber nicht das diese den vollen Überblick bringen würden über die komplette Verkabelung.
Schauen sie dazu mal in den Beitrag unter Neue Sat-Anlage in Kernsanierung parallel ! Da wird dieses Thema gerade durchgesprochen und auch in einigen YouTube-Videos gezeigt.Tvrdy hat geschrieben:Ja, ein Receiver für das "?" in der Skizze. Alle neuen Endgeräte sollten auf das NAS aufnehmen und auf vorhandene Aufnahmen zugreifen können. Eine HDD braucht man dann nicht mehr, oder?
Sollte einfach zu bedienen sein.
Umschaltzeiten sollten nicht nerven.
Schon was mit guter Qualität. Aber ausbaufähig und Enigma2 beherrschen.
Vielleicht sind wir nicht günstiger als ein Discounter oder reiner Online-Kartonschieber, aber sicherlich besser !
Normkonforme Beratung und Bau sind bei uns selbstverständlich.
Sat-Shop Heilbronn Kunden können sich auch nach dem Kauf auf unseren besten Service verlassen
Hier im Forum wird kein After-Sales-Support für Fremdkäufe geleistet !! Wenden Sie sich dazu an ihren Verkäufer ......
Tristan Uhde / Satanlagen Onlineshop / SAT-Shop Heilbronn
https://www.satshop-heilbronn.de (SSL) / SAT-Onlineforum https://www.satanlagenforum.de (SSL)
Tel ------ (Fragen gehören ins Forum ! Den nur hier können sie richtig bearbeitet werden, auch was hier noch nicht von A-Z genau schon erklärt/behandelt ist ) .. Dieser Hinweis weil täglich dutzende Fragen per Email oder per PM über das Forum rein kommen die noch dazu inhaltlich nicht das intus haben das man etwas dazu sagen könnte.
Wichtiger Hinweis: Zuständigkeiten verantwortliche Elektrofachkraft (VEFK) und Blitzschutzfachkräfte
Informieren Sie sich dort über Folgen und Auswirkungen von Eigenleistung und lassen Sie selbst durchgeführte Installationen von entsprechender Stelle prüfen und abnehmen. Dafür sind VOR ORT spezielle und qualifizierte Blitzschutz-Fachkräfte notwendig, Ferndiagnosen für Blitzschutz/Erdung können hier NICHT durchgeführt werden ("wie kann ICH das machen ..." oder ähnlich bringt da nichts).
Diese Signatur wächst von Woche zu Woche und enthält immer mehr grundlegende Inhalte die bitte berücksichtigt werden sollten bei bzw. VOR Anfragen !
100% beantwortet werden können nur Anfragen die auch alle relevanten Teile beinhalten die man benötigt für eine Antwort (genaue Beschreibungen/ Angabe von Herstellern/Typen für vorhandenes Material etc.). Bitte vermeiden Sie Aussagen wie "habe viel gelesen, aber versteht das nicht ..." ohne Nennung von dem was Sie gelesen haben und was genau unklar war an den Erklärungen die hier gelesen wurden - den nur dann kann man auch darauf eingehen was event. unklar ist/war.
Bitte unbedingt vor einem Post lesen => Boardregeln / Datenschutz
Wir erteilen hier keine Rechtsberatung, unsere Hinweise sind nach bestem Wissen und bedürfen einer entsprechenden juristischen/technischen weiteren Beratung.
Normkonforme Beratung und Bau sind bei uns selbstverständlich.
Sat-Shop Heilbronn Kunden können sich auch nach dem Kauf auf unseren besten Service verlassen
Hier im Forum wird kein After-Sales-Support für Fremdkäufe geleistet !! Wenden Sie sich dazu an ihren Verkäufer ......
Tristan Uhde / Satanlagen Onlineshop / SAT-Shop Heilbronn
https://www.satshop-heilbronn.de (SSL) / SAT-Onlineforum https://www.satanlagenforum.de (SSL)
Tel ------ (Fragen gehören ins Forum ! Den nur hier können sie richtig bearbeitet werden, auch was hier noch nicht von A-Z genau schon erklärt/behandelt ist ) .. Dieser Hinweis weil täglich dutzende Fragen per Email oder per PM über das Forum rein kommen die noch dazu inhaltlich nicht das intus haben das man etwas dazu sagen könnte.
Wichtiger Hinweis: Zuständigkeiten verantwortliche Elektrofachkraft (VEFK) und Blitzschutzfachkräfte
Informieren Sie sich dort über Folgen und Auswirkungen von Eigenleistung und lassen Sie selbst durchgeführte Installationen von entsprechender Stelle prüfen und abnehmen. Dafür sind VOR ORT spezielle und qualifizierte Blitzschutz-Fachkräfte notwendig, Ferndiagnosen für Blitzschutz/Erdung können hier NICHT durchgeführt werden ("wie kann ICH das machen ..." oder ähnlich bringt da nichts).
Diese Signatur wächst von Woche zu Woche und enthält immer mehr grundlegende Inhalte die bitte berücksichtigt werden sollten bei bzw. VOR Anfragen !
100% beantwortet werden können nur Anfragen die auch alle relevanten Teile beinhalten die man benötigt für eine Antwort (genaue Beschreibungen/ Angabe von Herstellern/Typen für vorhandenes Material etc.). Bitte vermeiden Sie Aussagen wie "habe viel gelesen, aber versteht das nicht ..." ohne Nennung von dem was Sie gelesen haben und was genau unklar war an den Erklärungen die hier gelesen wurden - den nur dann kann man auch darauf eingehen was event. unklar ist/war.
Bitte unbedingt vor einem Post lesen => Boardregeln / Datenschutz
Wir erteilen hier keine Rechtsberatung, unsere Hinweise sind nach bestem Wissen und bedürfen einer entsprechenden juristischen/technischen weiteren Beratung.
- Tvrdy
- postet ab und zu
- Beiträge: 24
- Registriert: 15. Februar 2016 14:26
- Wohnort: Detmold
- Danksagung erhalten: 1 Mal
Re: 2 Satelliten mit JESS-Multischalter(n) sternförmig in 4 WE mit bis zu 8 Tuner/WE, inkl. Sat>IP Server
Moinmoin,
ich habe die Skizze noch mal überarbeitet. Muss ich noch etwas außer Endgeräte ergänzen, oder wird das so laufen?
Die neueste Überlegung ist, ob ich tatsächlich noch Twin-Receiver brauche, wenn ich neue TV's kaufe wie z.B. Hisense UB50EC591.
Sonst vielleicht einen "GigaBlue HD X1" oder "VU+ Zero"?
Benötige ich eine TV-Karte für den PC oder stelle ich dort auch einen TV wie oben auf?
Viele Grüße
Dirk
ich habe die Skizze noch mal überarbeitet. Muss ich noch etwas außer Endgeräte ergänzen, oder wird das so laufen?
Die neueste Überlegung ist, ob ich tatsächlich noch Twin-Receiver brauche, wenn ich neue TV's kaufe wie z.B. Hisense UB50EC591.
Sonst vielleicht einen "GigaBlue HD X1" oder "VU+ Zero"?
Benötige ich eine TV-Karte für den PC oder stelle ich dort auch einen TV wie oben auf?
Viele Grüße
Dirk
- techno-com
- Site Admin
- Beiträge: 22464
- Registriert: 17. November 2005 09:32
- Wohnort: 74076 Heilbronn
- Hat sich bedankt: 505 Mal
- Danksagung erhalten: 575 Mal
- Kontaktdaten:
Re: 2 Satelliten mit JESS-Multischalter(n) sternförmig in 4 WE mit bis zu 8 Tuner/WE, inkl. Sat>IP Server
Hallo zurückTvrdy hat geschrieben:Moinmoin,
Ob da jetzt JPS0901-12A + JPS0902-3T oder andersherum JPS0902-3A + JPS0901-12T macht keinen Unterschied, das ist egal !Tvrdy hat geschrieben:ich habe die Skizze noch mal überarbeitet.
Muss ich noch etwas außer Endgeräte ergänzen, oder wird das so laufen?
Die vielen Dosen die da eingezeichnet sind hatten mich anfangs etwas irritiert, bis ich dann gemerkt habe das die nur zeigen sollen wie viele IDs/UBs dort eingesetzt werden sollen (und in der Legende vom Bild die Anzahl der Dosen ja auch genannt ist)..... passt jetzt aber, habe nichts mehr gefunden was korrigiert gehört
Das hat mit der Sat-Versorgung nichts zu tun, das sind Endgeräte ..... das geht nur auf ihr Ziel der NAS-Einbindung als Thema mit ein was mit einem solchen Gerät dann natürlich nicht gehen würde !Tvrdy hat geschrieben:Die neueste Überlegung ist, ob ich tatsächlich noch Twin-Receiver brauche, wenn ich neue TV's kaufe wie z.B. Hisense UB50EC591.
VU+ Zero !!!! Ziert auch mein Schlafzimmer (hinterm Fernseher an der Wand .... IR-Auge macht das ja möglich !!!). Mit der greife ich auch auf mein NAS im Keller zu um die Aufnahmen von dort hoch zu holen.Tvrdy hat geschrieben:Sonst vielleicht einen "GigaBlue HD X1" oder "VU+ Zero"?
Das ist ihre Entscheidung, da kann ich nicht helfen !Tvrdy hat geschrieben:Benötige ich eine TV-Karte für den PC oder stelle ich dort auch einen TV wie oben auf?
Vielleicht sind wir nicht günstiger als ein Discounter oder reiner Online-Kartonschieber, aber sicherlich besser !
Normkonforme Beratung und Bau sind bei uns selbstverständlich.
Sat-Shop Heilbronn Kunden können sich auch nach dem Kauf auf unseren besten Service verlassen
Hier im Forum wird kein After-Sales-Support für Fremdkäufe geleistet !! Wenden Sie sich dazu an ihren Verkäufer ......
Tristan Uhde / Satanlagen Onlineshop / SAT-Shop Heilbronn
https://www.satshop-heilbronn.de (SSL) / SAT-Onlineforum https://www.satanlagenforum.de (SSL)
Tel ------ (Fragen gehören ins Forum ! Den nur hier können sie richtig bearbeitet werden, auch was hier noch nicht von A-Z genau schon erklärt/behandelt ist ) .. Dieser Hinweis weil täglich dutzende Fragen per Email oder per PM über das Forum rein kommen die noch dazu inhaltlich nicht das intus haben das man etwas dazu sagen könnte.
Wichtiger Hinweis: Zuständigkeiten verantwortliche Elektrofachkraft (VEFK) und Blitzschutzfachkräfte
Informieren Sie sich dort über Folgen und Auswirkungen von Eigenleistung und lassen Sie selbst durchgeführte Installationen von entsprechender Stelle prüfen und abnehmen. Dafür sind VOR ORT spezielle und qualifizierte Blitzschutz-Fachkräfte notwendig, Ferndiagnosen für Blitzschutz/Erdung können hier NICHT durchgeführt werden ("wie kann ICH das machen ..." oder ähnlich bringt da nichts).
Diese Signatur wächst von Woche zu Woche und enthält immer mehr grundlegende Inhalte die bitte berücksichtigt werden sollten bei bzw. VOR Anfragen !
100% beantwortet werden können nur Anfragen die auch alle relevanten Teile beinhalten die man benötigt für eine Antwort (genaue Beschreibungen/ Angabe von Herstellern/Typen für vorhandenes Material etc.). Bitte vermeiden Sie Aussagen wie "habe viel gelesen, aber versteht das nicht ..." ohne Nennung von dem was Sie gelesen haben und was genau unklar war an den Erklärungen die hier gelesen wurden - den nur dann kann man auch darauf eingehen was event. unklar ist/war.
Bitte unbedingt vor einem Post lesen => Boardregeln / Datenschutz
Wir erteilen hier keine Rechtsberatung, unsere Hinweise sind nach bestem Wissen und bedürfen einer entsprechenden juristischen/technischen weiteren Beratung.
Normkonforme Beratung und Bau sind bei uns selbstverständlich.
Sat-Shop Heilbronn Kunden können sich auch nach dem Kauf auf unseren besten Service verlassen
Hier im Forum wird kein After-Sales-Support für Fremdkäufe geleistet !! Wenden Sie sich dazu an ihren Verkäufer ......
Tristan Uhde / Satanlagen Onlineshop / SAT-Shop Heilbronn
https://www.satshop-heilbronn.de (SSL) / SAT-Onlineforum https://www.satanlagenforum.de (SSL)
Tel ------ (Fragen gehören ins Forum ! Den nur hier können sie richtig bearbeitet werden, auch was hier noch nicht von A-Z genau schon erklärt/behandelt ist ) .. Dieser Hinweis weil täglich dutzende Fragen per Email oder per PM über das Forum rein kommen die noch dazu inhaltlich nicht das intus haben das man etwas dazu sagen könnte.
Wichtiger Hinweis: Zuständigkeiten verantwortliche Elektrofachkraft (VEFK) und Blitzschutzfachkräfte
Informieren Sie sich dort über Folgen und Auswirkungen von Eigenleistung und lassen Sie selbst durchgeführte Installationen von entsprechender Stelle prüfen und abnehmen. Dafür sind VOR ORT spezielle und qualifizierte Blitzschutz-Fachkräfte notwendig, Ferndiagnosen für Blitzschutz/Erdung können hier NICHT durchgeführt werden ("wie kann ICH das machen ..." oder ähnlich bringt da nichts).
Diese Signatur wächst von Woche zu Woche und enthält immer mehr grundlegende Inhalte die bitte berücksichtigt werden sollten bei bzw. VOR Anfragen !
100% beantwortet werden können nur Anfragen die auch alle relevanten Teile beinhalten die man benötigt für eine Antwort (genaue Beschreibungen/ Angabe von Herstellern/Typen für vorhandenes Material etc.). Bitte vermeiden Sie Aussagen wie "habe viel gelesen, aber versteht das nicht ..." ohne Nennung von dem was Sie gelesen haben und was genau unklar war an den Erklärungen die hier gelesen wurden - den nur dann kann man auch darauf eingehen was event. unklar ist/war.
Bitte unbedingt vor einem Post lesen => Boardregeln / Datenschutz
Wir erteilen hier keine Rechtsberatung, unsere Hinweise sind nach bestem Wissen und bedürfen einer entsprechenden juristischen/technischen weiteren Beratung.
- Tvrdy
- postet ab und zu
- Beiträge: 24
- Registriert: 15. Februar 2016 14:26
- Wohnort: Detmold
- Danksagung erhalten: 1 Mal
Re: 2 Satelliten mit JESS-Multischalter(n) sternförmig in 4 WE mit bis zu 8 Tuner/WE, inkl. Sat>IP Server
... dann kommen wir wohl zum Schluss.
Merci beaucoup. GROSSES
bis hierhin.
Nun noch an den letzten Details feilen:
Ich hoffe, ich habe das richtig verstanden und plane jetzt mit JPS0901-12AN + JPS0902-3T die richtigen Geräte ein! (s.neue Skizze)
Ich habe einen ortsansässigen Elektriker ins Boot geholt. Mit ihm ist vereinbart,dass ich die Teile der Sat-Anlage bestelle, da ich mich mit Unicable jetzt tagelang beschäftigt habe. Er wird die Sat-Anlage dann einrichten, bzw. SAT-Spiegel ausrichten.
Er hat nicht so viel Erfahrung mit Unicable (EN 50494) und gar keine mit JESS (EN 50607). Aber er kennt die Situation im Haus und wird die SAT-Anlage dort einrichten und die Sachen (z.B.Steckdose) ergänzen, falls noch was fehlen sollte.
Das gilt wohl auch für Erdung und Potentialausgleich:
Braucht es noch Angaben von mir, um dies vormontieren zu lassen.
Was muss mein Elektriker beachten?
Oder kriegt ein Mann vom Fach das ohne weiteres hin?
Wo landen wir dann preislich?
Bei den Endgeräten muss ich noch Funktionsumfang, Stärken / Schwächen, Bequemlichkeit ... abwägen. Sonst kann die Bestellung vonstatten gehen.
Viele Grüße
Dirk
Nun noch an den letzten Details feilen:
Eine Steckdose im Keller im Schaltschrank für das Netzteil beim Multischalter benötige ich aber schon, oder nicht?Ob da jetzt JPS0901-12A + JPS0902-3T oder andersherum JPS0902-3A + JPS0901-12T macht keinen Unterschied, das ist egal!
Ich hoffe, ich habe das richtig verstanden und plane jetzt mit JPS0901-12AN + JPS0902-3T die richtigen Geräte ein! (s.neue Skizze)
Ich habe einen ortsansässigen Elektriker ins Boot geholt. Mit ihm ist vereinbart,dass ich die Teile der Sat-Anlage bestelle, da ich mich mit Unicable jetzt tagelang beschäftigt habe. Er wird die Sat-Anlage dann einrichten, bzw. SAT-Spiegel ausrichten.
Er hat nicht so viel Erfahrung mit Unicable (EN 50494) und gar keine mit JESS (EN 50607). Aber er kennt die Situation im Haus und wird die SAT-Anlage dort einrichten und die Sachen (z.B.Steckdose) ergänzen, falls noch was fehlen sollte.
Das gilt wohl auch für Erdung und Potentialausgleich:
Ich würde die Multischalter im abschließbaren Schaltschrank sehen. Wie viel Platz muss ich für meine Anlage im Keller einkalkulieren?(mit Ausnahme das natürlich der Potentialausgleich hier fehlt in der Zeichnung).
Braucht es noch Angaben von mir, um dies vormontieren zu lassen.
Was muss mein Elektriker beachten?
Oder kriegt ein Mann vom Fach das ohne weiteres hin?
Wo landen wir dann preislich?
Bei den Endgeräten muss ich noch Funktionsumfang, Stärken / Schwächen, Bequemlichkeit ... abwägen. Sonst kann die Bestellung vonstatten gehen.
Viele Grüße
Dirk
- techno-com
- Site Admin
- Beiträge: 22464
- Registriert: 17. November 2005 09:32
- Wohnort: 74076 Heilbronn
- Hat sich bedankt: 505 Mal
- Danksagung erhalten: 575 Mal
- Kontaktdaten:
Re: 2 Satelliten mit JESS-Multischalter(n) sternförmig in 4 WE mit bis zu 8 Tuner/WE, inkl. Sat>IP Server
Moin
Oft haben Leute die hier lesen (noch einmal der relevante Link hier im Forum => Erdung Satellitenanlage / Antennenmast + Potentialausgleich ) danach mehr Ahnung von einem solchen Aufbau als "Fach"kräfte die an die Arbeit ran gehen ....
Ich habe gestern schon angefangen diese Anlage mal aufzubauen um sie zu zeigen ..... es fehlte aber der JPS0901-12 den ich aber gestern bestellt habe und der heute eingrifft das ich die Anlage fertigstellen kann ! Dann werde ich ein Bild davon machen und dieses mit einer Auflistung der Einzelteile hier posten. Wird Mittag/Nachmittag.
Wenn sie die Komponenten für die Satanlage meinen, dann einfach alles in den Warenkorb legen und der rechnet ihnen alles zusammen.
Die Schalter benötigen eine Stromversorgung, ja !Tvrdy hat geschrieben:Eine Steckdose im Keller im Schaltschrank für das Netzteil beim Multischalter benötige ich aber schon, oder nicht?
Tvrdy hat geschrieben:Ich hoffe, ich habe das richtig verstanden und plane jetzt mit JPS0901-12AN + JPS0902-3T die richtigen Geräte ein! (s.neue Skizze)
Siehe meine Fussnote ! Jemanden der da überhaupt gar keine Ahnung hat sollte man nicht unbedingt an sicherheitsrelevante Aufbauten ran lassenTvrdy hat geschrieben:Das gilt wohl auch für Erdung und Potentialausgleich:
Oft haben Leute die hier lesen (noch einmal der relevante Link hier im Forum => Erdung Satellitenanlage / Antennenmast + Potentialausgleich ) danach mehr Ahnung von einem solchen Aufbau als "Fach"kräfte die an die Arbeit ran gehen ....
60x40cm +/- 2cm (Schaltschrank 60x40cm)Tvrdy hat geschrieben:Ich würde die Multischalter im abschließbaren Schaltschrank sehen. Wie viel Platz muss ich für meine Anlage im Keller einkalkulieren?
Tvrdy hat geschrieben:Braucht es noch Angaben von mir, um dies vormontieren zu lassen.
Ich habe gestern schon angefangen diese Anlage mal aufzubauen um sie zu zeigen ..... es fehlte aber der JPS0901-12 den ich aber gestern bestellt habe und der heute eingrifft das ich die Anlage fertigstellen kann ! Dann werde ich ein Bild davon machen und dieses mit einer Auflistung der Einzelteile hier posten. Wird Mittag/Nachmittag.
Das muss er wissen/können .....Tvrdy hat geschrieben:Was muss mein Elektriker beachten?
Solche Fragen kann ich einfach nicht beantworten ..... Was ist ein "Mann vom Fach" oder wie belegt man so etwas ? Wenn jemand sich Fachmann nennt sieht man das immer erst hinterher was er an Arbeit geleistet hat.Tvrdy hat geschrieben:Oder kriegt ein Mann vom Fach das ohne weiteres hin?
Auch diese Frage kann ich ihnen nicht beantworten was andere für ihre Arbeit verlangen ! Ihre Ansprechperson für solche Frage bin nicht ich !Tvrdy hat geschrieben:Wo landen wir dann preislich?
Wenn sie die Komponenten für die Satanlage meinen, dann einfach alles in den Warenkorb legen und der rechnet ihnen alles zusammen.
Vielleicht sind wir nicht günstiger als ein Discounter oder reiner Online-Kartonschieber, aber sicherlich besser !
Normkonforme Beratung und Bau sind bei uns selbstverständlich.
Sat-Shop Heilbronn Kunden können sich auch nach dem Kauf auf unseren besten Service verlassen
Hier im Forum wird kein After-Sales-Support für Fremdkäufe geleistet !! Wenden Sie sich dazu an ihren Verkäufer ......
Tristan Uhde / Satanlagen Onlineshop / SAT-Shop Heilbronn
https://www.satshop-heilbronn.de (SSL) / SAT-Onlineforum https://www.satanlagenforum.de (SSL)
Tel ------ (Fragen gehören ins Forum ! Den nur hier können sie richtig bearbeitet werden, auch was hier noch nicht von A-Z genau schon erklärt/behandelt ist ) .. Dieser Hinweis weil täglich dutzende Fragen per Email oder per PM über das Forum rein kommen die noch dazu inhaltlich nicht das intus haben das man etwas dazu sagen könnte.
Wichtiger Hinweis: Zuständigkeiten verantwortliche Elektrofachkraft (VEFK) und Blitzschutzfachkräfte
Informieren Sie sich dort über Folgen und Auswirkungen von Eigenleistung und lassen Sie selbst durchgeführte Installationen von entsprechender Stelle prüfen und abnehmen. Dafür sind VOR ORT spezielle und qualifizierte Blitzschutz-Fachkräfte notwendig, Ferndiagnosen für Blitzschutz/Erdung können hier NICHT durchgeführt werden ("wie kann ICH das machen ..." oder ähnlich bringt da nichts).
Diese Signatur wächst von Woche zu Woche und enthält immer mehr grundlegende Inhalte die bitte berücksichtigt werden sollten bei bzw. VOR Anfragen !
100% beantwortet werden können nur Anfragen die auch alle relevanten Teile beinhalten die man benötigt für eine Antwort (genaue Beschreibungen/ Angabe von Herstellern/Typen für vorhandenes Material etc.). Bitte vermeiden Sie Aussagen wie "habe viel gelesen, aber versteht das nicht ..." ohne Nennung von dem was Sie gelesen haben und was genau unklar war an den Erklärungen die hier gelesen wurden - den nur dann kann man auch darauf eingehen was event. unklar ist/war.
Bitte unbedingt vor einem Post lesen => Boardregeln / Datenschutz
Wir erteilen hier keine Rechtsberatung, unsere Hinweise sind nach bestem Wissen und bedürfen einer entsprechenden juristischen/technischen weiteren Beratung.
Normkonforme Beratung und Bau sind bei uns selbstverständlich.
Sat-Shop Heilbronn Kunden können sich auch nach dem Kauf auf unseren besten Service verlassen
Hier im Forum wird kein After-Sales-Support für Fremdkäufe geleistet !! Wenden Sie sich dazu an ihren Verkäufer ......
Tristan Uhde / Satanlagen Onlineshop / SAT-Shop Heilbronn
https://www.satshop-heilbronn.de (SSL) / SAT-Onlineforum https://www.satanlagenforum.de (SSL)
Tel ------ (Fragen gehören ins Forum ! Den nur hier können sie richtig bearbeitet werden, auch was hier noch nicht von A-Z genau schon erklärt/behandelt ist ) .. Dieser Hinweis weil täglich dutzende Fragen per Email oder per PM über das Forum rein kommen die noch dazu inhaltlich nicht das intus haben das man etwas dazu sagen könnte.
Wichtiger Hinweis: Zuständigkeiten verantwortliche Elektrofachkraft (VEFK) und Blitzschutzfachkräfte
Informieren Sie sich dort über Folgen und Auswirkungen von Eigenleistung und lassen Sie selbst durchgeführte Installationen von entsprechender Stelle prüfen und abnehmen. Dafür sind VOR ORT spezielle und qualifizierte Blitzschutz-Fachkräfte notwendig, Ferndiagnosen für Blitzschutz/Erdung können hier NICHT durchgeführt werden ("wie kann ICH das machen ..." oder ähnlich bringt da nichts).
Diese Signatur wächst von Woche zu Woche und enthält immer mehr grundlegende Inhalte die bitte berücksichtigt werden sollten bei bzw. VOR Anfragen !
100% beantwortet werden können nur Anfragen die auch alle relevanten Teile beinhalten die man benötigt für eine Antwort (genaue Beschreibungen/ Angabe von Herstellern/Typen für vorhandenes Material etc.). Bitte vermeiden Sie Aussagen wie "habe viel gelesen, aber versteht das nicht ..." ohne Nennung von dem was Sie gelesen haben und was genau unklar war an den Erklärungen die hier gelesen wurden - den nur dann kann man auch darauf eingehen was event. unklar ist/war.
Bitte unbedingt vor einem Post lesen => Boardregeln / Datenschutz
Wir erteilen hier keine Rechtsberatung, unsere Hinweise sind nach bestem Wissen und bedürfen einer entsprechenden juristischen/technischen weiteren Beratung.
- Tvrdy
- postet ab und zu
- Beiträge: 24
- Registriert: 15. Februar 2016 14:26
- Wohnort: Detmold
- Danksagung erhalten: 1 Mal
Re: 2 Satelliten mit JESS-Multischalter(n) sternförmig in 4 WE mit bis zu 8 Tuner/WE, inkl. Sat>IP Server
Hi, 
Sogar in Sachen Forum. Ich kann mittlerweile sogar zitieren. 
Schaltschrank:
man kann fast sagen gewusst.
Ich denke mal, er kommt damit klar.
Warenkorb habe ich schon mal gepackt und auf meinen Desktop abgelegt.
Ich muss gerade mal zur Baustelle.
Bin später noch mal da. Fehlt noch was Wichtiges?
Viele Grüße
Dirk
Schön, ich denke doch, dass ich eine Menge dazu gelernt habe.Die Schalter benötigen eine Stromversorgung, ja !
Schaltschrank:
OK, wird geklärt. Muss ja irgendwie gehen. Und jeder hat dort Zugang. Da ist mir etwas abschließbares lieber!60x40cm +/- 2cm
Das hatte ich so gehofft.Ich habe gestern schon angefangen diese Anlage mal aufzubauen um sie zu zeigen ..... es fehlte aber der JPS0901-12 den ich aber gestern bestellt habe und der heute eingrifft das ich die Anlage fertigstellen kann ! Dann werde ich ein Bild davon machen und dieses mit einer Auflistung der Einzelteile hier posten. Wird Mittag/Nachmittag.
OK, etwas gefährliche, eehhh gewagte Frage.Solche Fragen kann ich einfach nicht beantworten ..... Was ist ein "Mann vom Fach" oder wie belegt man so etwas ? Wenn jemand sich Fachmann nennt sieht man das immer erst hinterher was er an Arbeit geleistet hat.
Warenkorb habe ich schon mal gepackt und auf meinen Desktop abgelegt.
Ich muss gerade mal zur Baustelle.
Viele Grüße
Dirk
- techno-com
- Site Admin
- Beiträge: 22464
- Registriert: 17. November 2005 09:32
- Wohnort: 74076 Heilbronn
- Hat sich bedankt: 505 Mal
- Danksagung erhalten: 575 Mal
- Kontaktdaten:
Re: 2 Satelliten mit JESS-Multischalter(n) sternförmig in 4 WE mit bis zu 8 Tuner/WE, inkl. Sat>IP Server
So, "ich habe fertig" ... Aufbau ist gemacht, Bilder sind vorbereitet !Tvrdy hat geschrieben:Hi,
Will das ja immer auch zeigen, wie auch alles so weit voran bringen das es auch immer verstanden wirdTvrdy hat geschrieben:Das hatte ich so gehofft. ..... man kann fast sagen gewusst.
Kleiner ging es auf jeden Fall nicht, das mit den 60x40 war jetzt schon ein "Gedränge" was vorab auch ein paar Sachen zum zeigen bringt:Tvrdy hat geschrieben:Schaltschrank:OK, wird geklärt. Muss ja irgendwie gehen. Und jeder hat dort Zugang. Da ist mir etwas abschließbares lieber!60x40cm +/- 2cm
1. wurde so eng das ich sogar das Netzteil noch auf den "Rahmen" setzten musste .... das bedeutet man kann jetzt nicht mehr das Lochblech an die Wand montieren und dann den Rahmen aufsetzen, jetzt muss man das Lochblech incl. Rahmen schon vormontiert an die Wand bringen (die 4 Löcher dafür sind aber gut zugänglich). 2. die Öffnung vom Schaltschrank oben raus für die Kabelausführungen ist recht klein ..... das sollte aber locker passen für die Stecker daran schrauben und die Kabel dann raus führen ! Wenn nicht dann müsste man die Öffnung etwas vergrößern (können wir hier nicht, dafür haben wir kein Werkzeug)
Ich weiß nicht wie ihr Warenkorb aussieht, dazu kann ich aktuell nichts sagen ob da was fehltTvrdy hat geschrieben:Warenkorb habe ich schon mal gepackt und auf meinen Desktop abgelegt.
.... Fehlt noch was Wichtiges?
Aber so sieht das jetzt akt. hier aus für diesen Voraufbau/die Vormontage auf dem Lochblech: Folgende Bauteile wurde hier in diesem Bereich jetzt vormontiert:
- Schaltschrank 60x40
- Jultec JPS0901-12AN
- Jultec JPS0902-3T
- Erdungsblock 17-fach
- 8x Überspannungsschutz
- F-Endwiderstand DC-entkoppelt
- 3-fach Verteiler
- 13x Patchkabel 30cm
- 3x Patchkabel 50cm
Was jetzt eben noch fehlt ist:
- Wandhalterung Antenne
- Antenne
- 2-fach Multifeedhalterung
- 2x Quattro-LNB
- Koaxkabel für den Außenbereich (8 Kabel von den LNBs nach innen)
- Stecker
- Antennendosen
.... hoffe ich habe da jetzt nichts vergessen
Vielleicht sind wir nicht günstiger als ein Discounter oder reiner Online-Kartonschieber, aber sicherlich besser !
Normkonforme Beratung und Bau sind bei uns selbstverständlich.
Sat-Shop Heilbronn Kunden können sich auch nach dem Kauf auf unseren besten Service verlassen
Hier im Forum wird kein After-Sales-Support für Fremdkäufe geleistet !! Wenden Sie sich dazu an ihren Verkäufer ......
Tristan Uhde / Satanlagen Onlineshop / SAT-Shop Heilbronn
https://www.satshop-heilbronn.de (SSL) / SAT-Onlineforum https://www.satanlagenforum.de (SSL)
Tel ------ (Fragen gehören ins Forum ! Den nur hier können sie richtig bearbeitet werden, auch was hier noch nicht von A-Z genau schon erklärt/behandelt ist ) .. Dieser Hinweis weil täglich dutzende Fragen per Email oder per PM über das Forum rein kommen die noch dazu inhaltlich nicht das intus haben das man etwas dazu sagen könnte.
Wichtiger Hinweis: Zuständigkeiten verantwortliche Elektrofachkraft (VEFK) und Blitzschutzfachkräfte
Informieren Sie sich dort über Folgen und Auswirkungen von Eigenleistung und lassen Sie selbst durchgeführte Installationen von entsprechender Stelle prüfen und abnehmen. Dafür sind VOR ORT spezielle und qualifizierte Blitzschutz-Fachkräfte notwendig, Ferndiagnosen für Blitzschutz/Erdung können hier NICHT durchgeführt werden ("wie kann ICH das machen ..." oder ähnlich bringt da nichts).
Diese Signatur wächst von Woche zu Woche und enthält immer mehr grundlegende Inhalte die bitte berücksichtigt werden sollten bei bzw. VOR Anfragen !
100% beantwortet werden können nur Anfragen die auch alle relevanten Teile beinhalten die man benötigt für eine Antwort (genaue Beschreibungen/ Angabe von Herstellern/Typen für vorhandenes Material etc.). Bitte vermeiden Sie Aussagen wie "habe viel gelesen, aber versteht das nicht ..." ohne Nennung von dem was Sie gelesen haben und was genau unklar war an den Erklärungen die hier gelesen wurden - den nur dann kann man auch darauf eingehen was event. unklar ist/war.
Bitte unbedingt vor einem Post lesen => Boardregeln / Datenschutz
Wir erteilen hier keine Rechtsberatung, unsere Hinweise sind nach bestem Wissen und bedürfen einer entsprechenden juristischen/technischen weiteren Beratung.
Normkonforme Beratung und Bau sind bei uns selbstverständlich.
Sat-Shop Heilbronn Kunden können sich auch nach dem Kauf auf unseren besten Service verlassen
Hier im Forum wird kein After-Sales-Support für Fremdkäufe geleistet !! Wenden Sie sich dazu an ihren Verkäufer ......
Tristan Uhde / Satanlagen Onlineshop / SAT-Shop Heilbronn
https://www.satshop-heilbronn.de (SSL) / SAT-Onlineforum https://www.satanlagenforum.de (SSL)
Tel ------ (Fragen gehören ins Forum ! Den nur hier können sie richtig bearbeitet werden, auch was hier noch nicht von A-Z genau schon erklärt/behandelt ist ) .. Dieser Hinweis weil täglich dutzende Fragen per Email oder per PM über das Forum rein kommen die noch dazu inhaltlich nicht das intus haben das man etwas dazu sagen könnte.
Wichtiger Hinweis: Zuständigkeiten verantwortliche Elektrofachkraft (VEFK) und Blitzschutzfachkräfte
Informieren Sie sich dort über Folgen und Auswirkungen von Eigenleistung und lassen Sie selbst durchgeführte Installationen von entsprechender Stelle prüfen und abnehmen. Dafür sind VOR ORT spezielle und qualifizierte Blitzschutz-Fachkräfte notwendig, Ferndiagnosen für Blitzschutz/Erdung können hier NICHT durchgeführt werden ("wie kann ICH das machen ..." oder ähnlich bringt da nichts).
Diese Signatur wächst von Woche zu Woche und enthält immer mehr grundlegende Inhalte die bitte berücksichtigt werden sollten bei bzw. VOR Anfragen !
100% beantwortet werden können nur Anfragen die auch alle relevanten Teile beinhalten die man benötigt für eine Antwort (genaue Beschreibungen/ Angabe von Herstellern/Typen für vorhandenes Material etc.). Bitte vermeiden Sie Aussagen wie "habe viel gelesen, aber versteht das nicht ..." ohne Nennung von dem was Sie gelesen haben und was genau unklar war an den Erklärungen die hier gelesen wurden - den nur dann kann man auch darauf eingehen was event. unklar ist/war.
Bitte unbedingt vor einem Post lesen => Boardregeln / Datenschutz
Wir erteilen hier keine Rechtsberatung, unsere Hinweise sind nach bestem Wissen und bedürfen einer entsprechenden juristischen/technischen weiteren Beratung.
- Tvrdy
- postet ab und zu
- Beiträge: 24
- Registriert: 15. Februar 2016 14:26
- Wohnort: Detmold
- Danksagung erhalten: 1 Mal
Re: 2 Satelliten mit JESS-Multischalter(n) sternförmig in 4 WE mit bis zu 8 Tuner/WE, inkl. Sat>IP Server
Schön,
ich habe den Platz beim Schaltkasten gemessen. Ich habe den Elektriker getroffen und er meinte, das muss gerade so passen. Dann setze ich jetzt die gleich die Bestellung auf. Ich habe schon die Hilfestellung entdeckt. Prima.
- 1x Schaltschrank 60x40
- 1x Jultec JPS0901-12AN
- 1x Jultec JPS0902-3T
- 1x Erdungsblock 17-fach
- 8x Überspannungsschutz
- 1x F-Endwiderstand DC-entkoppelt
- 3-fach Verteiler
- 13x Patchkabel 30cm
- 3x Patchkabel 50cm
+ was jetzt von meiner Liste ergänzt werden muss:
- 1x Gibertini OP 85 SE
- 1x Nowaro MFP2-40 (Multifeedhalterung)
- 2x "Red Eagle Black Buster Rocket Quattro LNB"(für 3 Grad geeignet/Raketenfeedhorn)
- 5x JAD307TRS Antennendosen
- 2x JAD310TRS Antennendosen
Kann ich die Teile alle im Online-Shop finden? Dann suche ich sie schnellstmöglich raus.
Endgeräte später.
Viele Grüße
Dirk
ich habe den Platz beim Schaltkasten gemessen. Ich habe den Elektriker getroffen und er meinte, das muss gerade so passen. Dann setze ich jetzt die gleich die Bestellung auf. Ich habe schon die Hilfestellung entdeckt. Prima.
Teile aus dem Schaltkasten:techno-com hat geschrieben: Folgende Bauteile wurde hier in diesem Bereich jetzt vormontiert:
- Schaltschrank 60x40
- Jultec JPS0901-12AN
- Jultec JPS0902-3T
- Erdungsblock 17-fach
- 8x Überspannungsschutz
- F-Endwiderstand DC-entkoppelt
- 3-fach Verteiler
- 13x Patchkabel 30cm
- 3x Patchkabel 50cm
Was jetzt eben noch fehlt ist:
- Wandhalterung Antenne
- Antenne
- 2-fach Multifeedhalterung
- 2x Quattro-LNB
- Koaxkabel für den Außenbereich (8 Kabel von den LNBs nach innen)
- Stecker
- Antennendosen
- 1x Schaltschrank 60x40
- 1x Jultec JPS0901-12AN
- 1x Jultec JPS0902-3T
- 1x Erdungsblock 17-fach
- 8x Überspannungsschutz
- 1x F-Endwiderstand DC-entkoppelt
- 3-fach Verteiler
- 13x Patchkabel 30cm
- 3x Patchkabel 50cm
+ was jetzt von meiner Liste ergänzt werden muss:
- 1x Gibertini OP 85 SE
- 1x Nowaro MFP2-40 (Multifeedhalterung)
- 2x "Red Eagle Black Buster Rocket Quattro LNB"(für 3 Grad geeignet/Raketenfeedhorn)
- 5x JAD307TRS Antennendosen
- 2x JAD310TRS Antennendosen
Kann ich die Teile alle im Online-Shop finden? Dann suche ich sie schnellstmöglich raus.
Endgeräte später.
Viele Grüße
Dirk
- techno-com
- Site Admin
- Beiträge: 22464
- Registriert: 17. November 2005 09:32
- Wohnort: 74076 Heilbronn
- Hat sich bedankt: 505 Mal
- Danksagung erhalten: 575 Mal
- Kontaktdaten:
Re: 2 Satelliten mit JESS-Multischalter(n) sternförmig in 4 WE mit bis zu 8 Tuner/WE, inkl. Sat>IP Server
Die Frage hat sich ja mittlerweile erledigt, bestellt haben sie ja schonTvrdy hat geschrieben:Kann ich die Teile alle im Online-Shop finden? Dann suche ich sie schnellstmöglich raus.
Hier zur Vollständigkeit der Screenshot der Bestellung: Sie haben per Nachnahme bestellt, Bestellung kann aber erst nach Ostern jetzt dann raus gehen .... bin von morgen bis Montag in Urlaub (wohl verdient
Vielleicht sind wir nicht günstiger als ein Discounter oder reiner Online-Kartonschieber, aber sicherlich besser !
Normkonforme Beratung und Bau sind bei uns selbstverständlich.
Sat-Shop Heilbronn Kunden können sich auch nach dem Kauf auf unseren besten Service verlassen
Hier im Forum wird kein After-Sales-Support für Fremdkäufe geleistet !! Wenden Sie sich dazu an ihren Verkäufer ......
Tristan Uhde / Satanlagen Onlineshop / SAT-Shop Heilbronn
https://www.satshop-heilbronn.de (SSL) / SAT-Onlineforum https://www.satanlagenforum.de (SSL)
Tel ------ (Fragen gehören ins Forum ! Den nur hier können sie richtig bearbeitet werden, auch was hier noch nicht von A-Z genau schon erklärt/behandelt ist ) .. Dieser Hinweis weil täglich dutzende Fragen per Email oder per PM über das Forum rein kommen die noch dazu inhaltlich nicht das intus haben das man etwas dazu sagen könnte.
Wichtiger Hinweis: Zuständigkeiten verantwortliche Elektrofachkraft (VEFK) und Blitzschutzfachkräfte
Informieren Sie sich dort über Folgen und Auswirkungen von Eigenleistung und lassen Sie selbst durchgeführte Installationen von entsprechender Stelle prüfen und abnehmen. Dafür sind VOR ORT spezielle und qualifizierte Blitzschutz-Fachkräfte notwendig, Ferndiagnosen für Blitzschutz/Erdung können hier NICHT durchgeführt werden ("wie kann ICH das machen ..." oder ähnlich bringt da nichts).
Diese Signatur wächst von Woche zu Woche und enthält immer mehr grundlegende Inhalte die bitte berücksichtigt werden sollten bei bzw. VOR Anfragen !
100% beantwortet werden können nur Anfragen die auch alle relevanten Teile beinhalten die man benötigt für eine Antwort (genaue Beschreibungen/ Angabe von Herstellern/Typen für vorhandenes Material etc.). Bitte vermeiden Sie Aussagen wie "habe viel gelesen, aber versteht das nicht ..." ohne Nennung von dem was Sie gelesen haben und was genau unklar war an den Erklärungen die hier gelesen wurden - den nur dann kann man auch darauf eingehen was event. unklar ist/war.
Bitte unbedingt vor einem Post lesen => Boardregeln / Datenschutz
Wir erteilen hier keine Rechtsberatung, unsere Hinweise sind nach bestem Wissen und bedürfen einer entsprechenden juristischen/technischen weiteren Beratung.
Normkonforme Beratung und Bau sind bei uns selbstverständlich.
Sat-Shop Heilbronn Kunden können sich auch nach dem Kauf auf unseren besten Service verlassen
Hier im Forum wird kein After-Sales-Support für Fremdkäufe geleistet !! Wenden Sie sich dazu an ihren Verkäufer ......
Tristan Uhde / Satanlagen Onlineshop / SAT-Shop Heilbronn
https://www.satshop-heilbronn.de (SSL) / SAT-Onlineforum https://www.satanlagenforum.de (SSL)
Tel ------ (Fragen gehören ins Forum ! Den nur hier können sie richtig bearbeitet werden, auch was hier noch nicht von A-Z genau schon erklärt/behandelt ist ) .. Dieser Hinweis weil täglich dutzende Fragen per Email oder per PM über das Forum rein kommen die noch dazu inhaltlich nicht das intus haben das man etwas dazu sagen könnte.
Wichtiger Hinweis: Zuständigkeiten verantwortliche Elektrofachkraft (VEFK) und Blitzschutzfachkräfte
Informieren Sie sich dort über Folgen und Auswirkungen von Eigenleistung und lassen Sie selbst durchgeführte Installationen von entsprechender Stelle prüfen und abnehmen. Dafür sind VOR ORT spezielle und qualifizierte Blitzschutz-Fachkräfte notwendig, Ferndiagnosen für Blitzschutz/Erdung können hier NICHT durchgeführt werden ("wie kann ICH das machen ..." oder ähnlich bringt da nichts).
Diese Signatur wächst von Woche zu Woche und enthält immer mehr grundlegende Inhalte die bitte berücksichtigt werden sollten bei bzw. VOR Anfragen !
100% beantwortet werden können nur Anfragen die auch alle relevanten Teile beinhalten die man benötigt für eine Antwort (genaue Beschreibungen/ Angabe von Herstellern/Typen für vorhandenes Material etc.). Bitte vermeiden Sie Aussagen wie "habe viel gelesen, aber versteht das nicht ..." ohne Nennung von dem was Sie gelesen haben und was genau unklar war an den Erklärungen die hier gelesen wurden - den nur dann kann man auch darauf eingehen was event. unklar ist/war.
Bitte unbedingt vor einem Post lesen => Boardregeln / Datenschutz
Wir erteilen hier keine Rechtsberatung, unsere Hinweise sind nach bestem Wissen und bedürfen einer entsprechenden juristischen/technischen weiteren Beratung.
- Tvrdy
- postet ab und zu
- Beiträge: 24
- Registriert: 15. Februar 2016 14:26
- Wohnort: Detmold
- Danksagung erhalten: 1 Mal
Re: 2 Satelliten mit JESS-Multischalter(n) sternförmig in 4 WE mit bis zu 8 Tuner/WE, inkl. Sat>IP Server
...wunderschöne Ostertage wünsche ich Ihnen. Haben Sie sich verdient!
Ich habe dann ein paar Tage länger Vorfreude.
Bis dahin.
Dirk
Ich habe dann ein paar Tage länger Vorfreude.
Bis dahin.
Dirk
- Tvrdy
- postet ab und zu
- Beiträge: 24
- Registriert: 15. Februar 2016 14:26
- Wohnort: Detmold
- Danksagung erhalten: 1 Mal
Re: 2 Satelliten mit JESS-Multischalter(n) sternförmig in 4 WE mit bis zu 8 Tuner/WE, inkl. Sat>IP Server
Hallo Herr Uhde,
mein eigentlicher Wunsch ist nun in ein JESS-taugliches Endgerät zu investieren. Aber es gibt noch ein paar Dinge zu klären, daher folgende Info:
wir sind bisher durch verschiedene Dinge am Bau beim vollständigen Einrichten meiner SAT-Anlage ausgebremst worden. Es waren bisher nicht alle Antennekabel die in unsere Wohnung führen sollten verfügbar. Unitymedia hat alle Antennenkabel im Haus angeschlossen und wir hatten erst keine und später nur 4 von 5 dieser Antennekabel zur Verfügung. Daher hat der Elektriker, der mir den SAT-Spiegel, den Schaltschrank, inklusive Potenzialausgleich angeschlossen hat vor ca. 6 - 8 Wochen beim ersten Empfangssignal im Wohnzimmer den weiteren Aufbau gestoppt.
Wir waren erst mal froh, an einer Stelle im Haus wieder alle TV-Kanäle verfolgen zu können. Es war noch kein 100%iges Bild (selten, aber doch schon mal Artefakte und bisher, also in alter Wohnung nicht aufgefallende grobe Auflösung in dunklen Bildszenen, am besten ich mache ein Foto!), aber er hatte auch kein Equipment und keine Erfahrung mit JESS und wenig mit Unicable. Wir wollten bei Verfügbarkeit aller Antennenkabel in unsere Wohnung weiter machen. 10 Tage später wurde der SAT-Spiegel beim Gerüstabbau am Haus noch verstellt. Sie ist also momentan nicht perfekt ausgerichtet und wir harren seitdem der Dinge.
Nun war der UnityMedia-Techniker endlich da und hat das fehlende Kabel gefunden. Es kann also weitergehen.
Wir können momentan nur den ASTRA 19,2° empfangen. Wie können wir am besten vorgehen, um vollen Empfang auf unsere Unicable-Geräte zu bekommen?
Ich habe vor in ein JESS-taugliches Endgerät investieren, um meine SAT-Anlage, das NAS und das Gigabit-Netzwerk im kompletten Umfang ausreizen zu können und benötige entsprechende Beratung. Das Budget bietet leider nicht ohne weiteres die Investition in einen VU+ Solo 4K. Außerdem werden wir auch so schnell keinen 4K-TV bekommen.
Es soll aber wohl schnelle Umschaltzeiten haben und die SKY-Möglichkeit bieten.
Wie können wir das möglichst kurzfristig und schnell angehen?
Welche Info's benötigen Sie, um mir helfen zu können?
Viele Grüße
Dirk
mein eigentlicher Wunsch ist nun in ein JESS-taugliches Endgerät zu investieren. Aber es gibt noch ein paar Dinge zu klären, daher folgende Info:
wir sind bisher durch verschiedene Dinge am Bau beim vollständigen Einrichten meiner SAT-Anlage ausgebremst worden. Es waren bisher nicht alle Antennekabel die in unsere Wohnung führen sollten verfügbar. Unitymedia hat alle Antennenkabel im Haus angeschlossen und wir hatten erst keine und später nur 4 von 5 dieser Antennekabel zur Verfügung. Daher hat der Elektriker, der mir den SAT-Spiegel, den Schaltschrank, inklusive Potenzialausgleich angeschlossen hat vor ca. 6 - 8 Wochen beim ersten Empfangssignal im Wohnzimmer den weiteren Aufbau gestoppt.
Wir waren erst mal froh, an einer Stelle im Haus wieder alle TV-Kanäle verfolgen zu können. Es war noch kein 100%iges Bild (selten, aber doch schon mal Artefakte und bisher, also in alter Wohnung nicht aufgefallende grobe Auflösung in dunklen Bildszenen, am besten ich mache ein Foto!), aber er hatte auch kein Equipment und keine Erfahrung mit JESS und wenig mit Unicable. Wir wollten bei Verfügbarkeit aller Antennenkabel in unsere Wohnung weiter machen. 10 Tage später wurde der SAT-Spiegel beim Gerüstabbau am Haus noch verstellt. Sie ist also momentan nicht perfekt ausgerichtet und wir harren seitdem der Dinge.
Nun war der UnityMedia-Techniker endlich da und hat das fehlende Kabel gefunden. Es kann also weitergehen.
Wir können momentan nur den ASTRA 19,2° empfangen. Wie können wir am besten vorgehen, um vollen Empfang auf unsere Unicable-Geräte zu bekommen?
Ich habe vor in ein JESS-taugliches Endgerät investieren, um meine SAT-Anlage, das NAS und das Gigabit-Netzwerk im kompletten Umfang ausreizen zu können und benötige entsprechende Beratung. Das Budget bietet leider nicht ohne weiteres die Investition in einen VU+ Solo 4K. Außerdem werden wir auch so schnell keinen 4K-TV bekommen.
Es soll aber wohl schnelle Umschaltzeiten haben und die SKY-Möglichkeit bieten.
Wie können wir das möglichst kurzfristig und schnell angehen?
Welche Info's benötigen Sie, um mir helfen zu können?
Viele Grüße
Dirk
- techno-com
- Site Admin
- Beiträge: 22464
- Registriert: 17. November 2005 09:32
- Wohnort: 74076 Heilbronn
- Hat sich bedankt: 505 Mal
- Danksagung erhalten: 575 Mal
- Kontaktdaten:
Re: 2 Satelliten mit JESS-Multischalter(n) sternförmig in 4 WE mit bis zu 8 Tuner/WE, inkl. Sat>IP Server
Schauen sie sich mal das Gerät an => AX Quadbox HD 2400 Linux E²/XBMC Receiver-powered by Opticum (hat aber keine FBC-Tuner was bis zu 8 Unicable-/JESS-Versorgungen zulassen würde bei ihm direkt im Auslieferungszustand, hat nur 2 DVB-S2 Tuner eingebaut und kann aber bis auf 4 Tuner erweitert werden = 4 Umsetzungen/Tuner-Nutzungen dann).
OpenATV-Software und ebenfalls unter Linux Enimga² .... also alles an Möglichkeiten was die Solo 4K hat, außer eben dem UltraHD (4K) Empfang.
OpenATV-Software und ebenfalls unter Linux Enimga² .... also alles an Möglichkeiten was die Solo 4K hat, außer eben dem UltraHD (4K) Empfang.
Vielleicht sind wir nicht günstiger als ein Discounter oder reiner Online-Kartonschieber, aber sicherlich besser !
Normkonforme Beratung und Bau sind bei uns selbstverständlich.
Sat-Shop Heilbronn Kunden können sich auch nach dem Kauf auf unseren besten Service verlassen
Hier im Forum wird kein After-Sales-Support für Fremdkäufe geleistet !! Wenden Sie sich dazu an ihren Verkäufer ......
Tristan Uhde / Satanlagen Onlineshop / SAT-Shop Heilbronn
https://www.satshop-heilbronn.de (SSL) / SAT-Onlineforum https://www.satanlagenforum.de (SSL)
Tel ------ (Fragen gehören ins Forum ! Den nur hier können sie richtig bearbeitet werden, auch was hier noch nicht von A-Z genau schon erklärt/behandelt ist ) .. Dieser Hinweis weil täglich dutzende Fragen per Email oder per PM über das Forum rein kommen die noch dazu inhaltlich nicht das intus haben das man etwas dazu sagen könnte.
Wichtiger Hinweis: Zuständigkeiten verantwortliche Elektrofachkraft (VEFK) und Blitzschutzfachkräfte
Informieren Sie sich dort über Folgen und Auswirkungen von Eigenleistung und lassen Sie selbst durchgeführte Installationen von entsprechender Stelle prüfen und abnehmen. Dafür sind VOR ORT spezielle und qualifizierte Blitzschutz-Fachkräfte notwendig, Ferndiagnosen für Blitzschutz/Erdung können hier NICHT durchgeführt werden ("wie kann ICH das machen ..." oder ähnlich bringt da nichts).
Diese Signatur wächst von Woche zu Woche und enthält immer mehr grundlegende Inhalte die bitte berücksichtigt werden sollten bei bzw. VOR Anfragen !
100% beantwortet werden können nur Anfragen die auch alle relevanten Teile beinhalten die man benötigt für eine Antwort (genaue Beschreibungen/ Angabe von Herstellern/Typen für vorhandenes Material etc.). Bitte vermeiden Sie Aussagen wie "habe viel gelesen, aber versteht das nicht ..." ohne Nennung von dem was Sie gelesen haben und was genau unklar war an den Erklärungen die hier gelesen wurden - den nur dann kann man auch darauf eingehen was event. unklar ist/war.
Bitte unbedingt vor einem Post lesen => Boardregeln / Datenschutz
Wir erteilen hier keine Rechtsberatung, unsere Hinweise sind nach bestem Wissen und bedürfen einer entsprechenden juristischen/technischen weiteren Beratung.
Normkonforme Beratung und Bau sind bei uns selbstverständlich.
Sat-Shop Heilbronn Kunden können sich auch nach dem Kauf auf unseren besten Service verlassen
Hier im Forum wird kein After-Sales-Support für Fremdkäufe geleistet !! Wenden Sie sich dazu an ihren Verkäufer ......
Tristan Uhde / Satanlagen Onlineshop / SAT-Shop Heilbronn
https://www.satshop-heilbronn.de (SSL) / SAT-Onlineforum https://www.satanlagenforum.de (SSL)
Tel ------ (Fragen gehören ins Forum ! Den nur hier können sie richtig bearbeitet werden, auch was hier noch nicht von A-Z genau schon erklärt/behandelt ist ) .. Dieser Hinweis weil täglich dutzende Fragen per Email oder per PM über das Forum rein kommen die noch dazu inhaltlich nicht das intus haben das man etwas dazu sagen könnte.
Wichtiger Hinweis: Zuständigkeiten verantwortliche Elektrofachkraft (VEFK) und Blitzschutzfachkräfte
Informieren Sie sich dort über Folgen und Auswirkungen von Eigenleistung und lassen Sie selbst durchgeführte Installationen von entsprechender Stelle prüfen und abnehmen. Dafür sind VOR ORT spezielle und qualifizierte Blitzschutz-Fachkräfte notwendig, Ferndiagnosen für Blitzschutz/Erdung können hier NICHT durchgeführt werden ("wie kann ICH das machen ..." oder ähnlich bringt da nichts).
Diese Signatur wächst von Woche zu Woche und enthält immer mehr grundlegende Inhalte die bitte berücksichtigt werden sollten bei bzw. VOR Anfragen !
100% beantwortet werden können nur Anfragen die auch alle relevanten Teile beinhalten die man benötigt für eine Antwort (genaue Beschreibungen/ Angabe von Herstellern/Typen für vorhandenes Material etc.). Bitte vermeiden Sie Aussagen wie "habe viel gelesen, aber versteht das nicht ..." ohne Nennung von dem was Sie gelesen haben und was genau unklar war an den Erklärungen die hier gelesen wurden - den nur dann kann man auch darauf eingehen was event. unklar ist/war.
Bitte unbedingt vor einem Post lesen => Boardregeln / Datenschutz
Wir erteilen hier keine Rechtsberatung, unsere Hinweise sind nach bestem Wissen und bedürfen einer entsprechenden juristischen/technischen weiteren Beratung.
-
- Related Topics
- Antworten
- Zugriffe
- Letzter Beitrag
-
- 1 Antworten
- 471 Zugriffe
-
Letzter Beitrag von techno-com
Neuester Beitrag
4. Oktober 2025 21:47
Mülleimer
-
-
Überarbeitung altes EFH Satellitenanlage für 8 Teilnehmer (Legacy Versorgung)
Dateianhang von Michael_Jim » 4. Dezember 2022 16:29 - 3 Antworten
- 2376 Zugriffe
-
Letzter Beitrag von techno-com
Neuester Beitrag
6. Dezember 2022 06:20
technische Fragen zu Satanlagen
-
-
-
Planung EFH Satellitenanlage für 8 Teilnehmer (Legacy Versorgung)
Dateianhang von User4089 » 9. November 2022 05:01 - 12 Antworten
- 3963 Zugriffe
-
Letzter Beitrag von techno-com
Neuester Beitrag
11. November 2022 12:18
technische Fragen zu Satanlagen
-
-
- 1 Antworten
- 3237 Zugriffe
-
Letzter Beitrag von techno-com
Neuester Beitrag
4. Mai 2022 11:39
Fragen allgemein/ andere Marke
-
-
Satellitenanlage/LNB mit einem Ausgang für 8 TV Empfänger (+ Glasfaser)
Dateianhang von hutab » 13. März 2022 22:13 - 24 Antworten
- 5880 Zugriffe
-
Letzter Beitrag von Dipol
Neuester Beitrag
24. März 2022 10:59
technische Fragen zu Satanlagen
-
-
- 9 Antworten
- 2572 Zugriffe
-
Letzter Beitrag von techno-com
Neuester Beitrag
22. Februar 2022 14:54
Fragen zu digitalen SAT- Einkabelsystemen
-
-
ARD Hörfunkprogramme - seit 14. Dezember 2021 nur noch auf neuen Satellitenfrequenzen
Dateianhang von techno-com » 22. Dezember 2021 10:10 - 1 Antworten
- 2812 Zugriffe
-
Letzter Beitrag von techno-com
Neuester Beitrag
23. Dezember 2021 11:35
Satelliten- News (Sat-DX)
-
-
- 2 Antworten
- 2505 Zugriffe
-
Letzter Beitrag von techno-com
Neuester Beitrag
23. Dezember 2021 11:34
Satelliten- News (Sat-DX)
-
- 0 Antworten
- 7069 Zugriffe
-
Letzter Beitrag von techno-com
Neuester Beitrag
6. Oktober 2021 08:17
Satelliten- News (Sat-DX)
-
- 16 Antworten
- 4945 Zugriffe
-
Letzter Beitrag von techno-com
Neuester Beitrag
22. März 2021 09:52
Fragen zu digitalen SAT- Einkabelsystemen

