von Kabel auf SAT Unicabel/JESS

Haben sie Fragen zu Unicable (EN50494/SCR/SatCR/CSS/dCSS) oder JESS (Jultec Enhanced Stacking System - EN50607/SCD2/dCSS2/Unicable2) Multischaltern, zu statischen SAT-Einkabelsystemen oder auch auch zu speziellen Einkabelanlagen wie Dur-Line DCS-/DWB-/DPC-/UKS-Multischalter oder auch zur Johansson Einkabellösung 9640/9645 (Multiband Converter/Stacker-Destacker) bzw. Mini-Routern wie dem Dur-Line UCP 21 ?
HINWEIS: nicht für Anfragen zu "Einkabel-LNBs" ! Nutzen Sie hierfür die Rubrik unter "Unicable-/Einkabel LNB´s" weiter unten !!
watch
postet ab und zu
Beiträge: 10
Registriert: 29. März 2017 15:13

von Kabel auf SAT Unicabel/JESS

Ungelesener Beitrag von watch »

Hallo,

super Forum hier. :1147

Jetzt hab ich schon soviel gelesen, und bin mit meinem Projekt "Umstieg von Kabel auf SAT" schon weit gekommen.

Aber einige Fragen habe ich trotzdem noch.

Momentan haben wir analoges Kabel und auf Grund der geringen Programmvielfalt wollen wir auf SAT umsteigen.
Wir wohnen in einem Zweifamilienhaus, wo meine Eltern im EG und wir im OG und Dach wohnen.
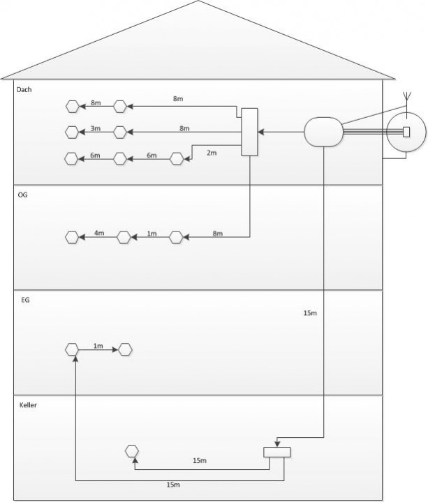
Die Kabelversorgung geht vom Keller über einen Verteiler einmal ins EG und zum zweiten ins Dach, wo dann ein Vierfach Verteiler das OG und Dach versorgt.

Ich würde jetzt im Dachgeschoss eine SAT Schüssel anbringen (siehe Bild). Der rote Kreis ist die SAT Schüssel, rechts unterm Dach der rote Punkt sollen die Kabel rein.
Meiner Meinung nach ist das im geschützten Bereich und ich brauche mir über Blitzschutz keine Gedanken machen.

Die fünf Kabel (Quattro LNB + UKW Antenne) gehen dann zu einem Jess Multischalter.
Hier würde ich den Dur-Line DPc-32 K nehmen, mit der zweimal 16 Programmierung.
Einen Ausgang würde ich an dem Kabel in den Keller anschließen und von dort über eine zweifach Verteiler EG und eine Dose im Keller versorgen.
Über den zweiten Ausgang das Multischalters würde ich über einen Vierfach Verteiler das OG und Dach versorgen.

Oder sollte ich noch einen Zweig im OG an den Ausgang für EG und Keller anschließen?
Oder wäre ein anderer Multischalter besser geeignet?

Was mir auch noch nicht so ganz klar ist, ist die ganze Berechnung der Dämpfung und welche Dosen ich dann brauche.

Die Kabel sind ca. 15 Jahre alt im OG und Dach, und evtl. älter im EG.
Genau kann ich das nicht sagen.

Das mit dem Potentialausgleich ist mir auch nicht ganz klar. Muss ich dann von einem evtl. Masseblock am Multischalter ein Kabel zum HES im Keller ziehen, oder kann ich das auch an einem Massekabel im Dach (z.B.) an einer Steckdose anschließen?

Fürs erste glaub ich reicht es erst mal.
Ich hoffe ich habe nicht zu verwirrend geschrieben. Plan und Bild habe ich angehängt.
Dann versteht man es vielleicht besser.

Viele Grüße
Peter
Dateianhänge
SAT Planung.jpg
SAT.jpg
Zuletzt geändert von techno-com am 30. März 2017 12:24, insgesamt 1-mal geändert.
Grund: Edit by techno-com: Beitrag verschoben in passende Rubrik (von "technische Fragen zu Satanlagen" in "Fragen zu digitalen SAT-Einkabelsysteme")
Benutzeravatar
techno-com
Site Admin
Beiträge: 22464
Registriert: 17. November 2005 09:32
Wohnort: 74076 Heilbronn
Hat sich bedankt: 505 Mal
Danksagung erhalten: 575 Mal
Kontaktdaten:

Re: von Kabel auf SAT Unicabel/JESS

Ungelesener Beitrag von techno-com »

watch hat geschrieben:Hallo,
Hallo und Herzlich Willkommen im Forum :freunde
watch hat geschrieben:super Forum hier.
:thx
watch hat geschrieben:Jetzt hab ich schon soviel gelesen, und bin mit meinem Projekt "Umstieg von Kabel auf SAT" schon weit gekommen.

Aber einige Fragen habe ich trotzdem noch.
Lag ggf. daran das sie in der falschen Rubrik gepostet hatten (Beitrag aus diesem Grund auch verschoben in die passende Rubri, siehe Edit-Angabe in ihrem Beitrag) und auch nur dort vorher gelesen hatten ?
Wenn sie so etwas schreiben sollten sie immer ganz genau angeben was sie gelesen hatten und welcher Teil der Beschreibung dort im Beitrag unklar war, nur dann kann man auch 100%ig genau darauf eingehen.
watch hat geschrieben:Die fünf Kabel (Quattro LNB + UKW Antenne) gehen dann zu einem Jess Multischalter.
Hier würde ich den Dur-Line DPc-32 K nehmen, mit der zweimal 16 Programmierung.
watch hat geschrieben:Oder wäre ein anderer Multischalter besser geeignet?
Mein Vorschlag wäre der Jultec JPS0502-8T bzw. der JPS0502-8+4T (wenn noch zusätzlich ggf. 4 Legacy-Ausgänge vom Multischalter einzeln verwendet werden könnten).
Siehe auch die folgenden Beiträge die mehr zur Qualität der Schalter genau erklären:
Planung Unicable-Lösung
Erweiterung vorhandener Sat-Anlage im EFH auf JESS
Umbau EFH von Kabel Unitymedia auf Sat Unicable/Jess
Umbau SAT-Anlage EFH - Varianten
watch hat geschrieben:Was mir auch noch nicht so ganz klar ist, ist die ganze Berechnung der Dämpfung und welche Dosen ich dann brauche.
Auch das wird in den hier verlinkten Beiträgen (aus der Rubrik "Fragen zu Sat-Einkabelsystemen") genau erklärt ... hängt aber auch davon ab für welchen Multischalter sie sich dann am Ende entscheiden da der Dur-Line z.B. nur 83dbµV Ausgangspegel hätte, die von Jultec dagegen 10db mehr und damit 93dbµV (was ggf. bei ihren Kabelwegen + Verteilern in der Struktur schon viel besser wäre und wir da - auch gesehen das es alte Kabel sind - mehr Power hätten).
watch hat geschrieben:Die Kabel sind ca. 15 Jahre alt im OG und Dach, und evtl. älter im EG.
Genau kann ich das nicht sagen.
Auf einem Kabel steht normal der Hersteller + Typ drauf, ohne diese Angaben kann ich auch nicht viel mehr - vor allem nichts genaues - zur Sache sagen :1122
Siehe aber auch unter:
Unicable Umrüstung 40 Jahre alte Kabel
Modernisierung in altem Fachwerkhaus
watch hat geschrieben:Das mit dem Potentialausgleich ist mir auch nicht ganz klar. Muss ich dann von einem evtl. Masseblock am Multischalter ein Kabel zum HES im Keller ziehen, oder kann ich das auch an einem Massekabel im Dach (z.B.) an einer Steckdose anschließen?
watch hat geschrieben:Ich würde jetzt im Dachgeschoss eine SAT Schüssel anbringen (siehe Bild). Der rote Kreis ist die SAT Schüssel, rechts unterm Dach der rote Punkt sollen die Kabel rein.
Meiner Meinung nach ist das im geschützten Bereich und ich brauche mir über Blitzschutz keine Gedanken machen.
Siehe unter Erdung Satellitenanlage / Antennenmast + Potentialausgleich + Vormontagen- Aufbau im Schaltschrank incl Potenzialausgleich genau beschrieben, hier das relevante Bild aus diesem ersten Beitrag hier der die benötigten Abstände aufzeit das kein äußerer Blitzschutz erfolgen muss (der innere Blitzschutz, Potentialausgleich auch genannt, wird bei ihnen aber eine Vorschrift da eine wohnungsübergreifende Installation vorliegt).
ErdungDIN-VDE0855_Blitzschutz_Potentialausgleich_Abstaende_Haus_Dach_Wand_Vorschrift_Dehn_Kleiske
ErdungDIN-VDE0855_Blitzschutz_Potentialausgleich_Abstaende_Haus_Dach_Wand_Vorschrift_Dehn_Kleiske
Vielleicht sind wir nicht günstiger als ein Discounter oder reiner Online-Kartonschieber, aber sicherlich besser !
Normkonforme Beratung und Bau sind bei uns selbstverständlich.
Sat-Shop Heilbronn Kunden können sich auch nach dem Kauf auf unseren besten Service verlassen
Hier im Forum wird kein After-Sales-Support für Fremdkäufe geleistet !! Wenden Sie sich dazu an ihren Verkäufer ......

Tristan Uhde / Satanlagen Onlineshop / SAT-Shop Heilbronn
https://www.satshop-heilbronn.de (SSL) / SAT-Onlineforum https://www.satanlagenforum.de (SSL)
Tel ------ (Fragen gehören ins Forum ! Den nur hier können sie richtig bearbeitet werden, auch was hier noch nicht von A-Z genau schon erklärt/behandelt ist ) .. Dieser Hinweis weil täglich dutzende Fragen per Email oder per PM über das Forum rein kommen die noch dazu inhaltlich nicht das intus haben das man etwas dazu sagen könnte.

Wichtiger Hinweis: Zuständigkeiten verantwortliche Elektrofachkraft (VEFK) und Blitzschutzfachkräfte
Informieren Sie sich dort über Folgen und Auswirkungen von Eigenleistung und lassen Sie selbst durchgeführte Installationen von entsprechender Stelle prüfen und abnehmen. Dafür sind VOR ORT spezielle und qualifizierte Blitzschutz-Fachkräfte notwendig, Ferndiagnosen für Blitzschutz/Erdung können hier NICHT durchgeführt werden ("wie kann ICH das machen ..." oder ähnlich bringt da nichts).

Diese Signatur wächst von Woche zu Woche und enthält immer mehr grundlegende Inhalte die bitte berücksichtigt werden sollten bei bzw. VOR Anfragen !
100% beantwortet werden können nur Anfragen die auch alle relevanten Teile beinhalten die man benötigt für eine Antwort (genaue Beschreibungen/ Angabe von Herstellern/Typen für vorhandenes Material etc.). Bitte vermeiden Sie Aussagen wie "habe viel gelesen, aber versteht das nicht ..." ohne Nennung von dem was Sie gelesen haben und was genau unklar war an den Erklärungen die hier gelesen wurden - den nur dann kann man auch darauf eingehen was event. unklar ist/war.

Bitte unbedingt vor einem Post lesen => Boardregeln / Datenschutz
Wir erteilen hier keine Rechtsberatung, unsere Hinweise sind nach bestem Wissen und bedürfen einer entsprechenden juristischen/technischen weiteren Beratung.
watch
postet ab und zu
Beiträge: 10
Registriert: 29. März 2017 15:13

Re: von Kabel auf SAT Unicabel/JESS

Ungelesener Beitrag von watch »

Hallo,

vielen Dank für die erste Einschätzung.
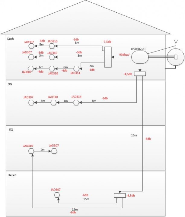
Ich hab jetzt mal das Bild mit dem JPS0502-8T erweitert und versucht die Dämpfungen und Dosen einzutragen.
Das OG habe ich nun an den Ausgang für EG und Keller gehängt, sonst reichen die 8UBs pro Ausgang nicht.
Soweit denke ich passt das.
Es muss wohl nach der Radio Antenne noch ein Verstärker rein. Würde da der Durline VD24T passen, oder der JULTEC JFA110?

Ist die Position der SAT Schüssel auf dem Foto Ihrer Meinung nach im geschützten Bereich? Der Abstand links und rechts zur Dachkante sind gut 2m.

Das mit dem Anschluss des Masseblocks an den HES ist mir auch nach dem Lesen der angefügten links nicht ganz klar. Muss ich nun ein eigenes Kabel zum HES in den Keller ziehen, oder kann ich das auch an ein vorhandenes Massekabel im Dach (z.B. an einer Steckdose) anschließen.

Vielen Dank für die Unterstützung
Viele Grüße
Peter
Dateianhänge
SAT_2.jpg
Benutzeravatar
techno-com
Site Admin
Beiträge: 22464
Registriert: 17. November 2005 09:32
Wohnort: 74076 Heilbronn
Hat sich bedankt: 505 Mal
Danksagung erhalten: 575 Mal
Kontaktdaten:

Re: von Kabel auf SAT Unicabel/JESS

Ungelesener Beitrag von techno-com »

watch hat geschrieben:Hallo,
Hallo zurück :freunde
watch hat geschrieben:vielen Dank für die erste Einschätzung.
:1147
watch hat geschrieben:Ich hab jetzt mal das Bild mit dem JPS0502-8T erweitert und versucht die Dämpfungen und Dosen einzutragen.
Das sieht schon sehr sehr vielversprechend aus !
Ich habe da noch ein paar Korrekturen (wie ich es machen würde) und ein paar Ergänzungen (z.B. zu den Verteilern).
1. die Verteiler hier in dieser Planung müssen alle "ohne Diodenentkopplung" sein, also der 3-fach Verteiler oben wäre ein Kathrein EBC14 (das ist zwar ein 4-fach Verteiler, aber als 3-fach gibt es den in dieser Ausführung nicht, den dann noch offenen Ausgang einfach mit einem F-Endwiderstand DC-entkoppelt abschließen) und die beiden 2-fach Verteiler wären Kathrein EBC110.
2. im OG würde ich nicht die Reihenfolge JAD314 => JAD314 => JAD307 machen, sondern (wie auch im Strang obendran) JAD314 => JAD310 => JAD307

Machen wir eine kurze Pegelberechnung für den längsten Kabelweg (ganz unterer Strang):
- Ausgangspegel am JPS0502-8T (AGC-geregelt - (AutoGainControl - automatische Verstärkungsregelung)) = 93dbµV
- Verluste am ersten Verteiler (EBC110) ca. 6db (worst case !!!! Das ist wie folgend auch bei allen anderen Bauteilen abhängig von der verwendeten UB-Frequenz .. je niedriger diese ist, desto geringer wird auch die Dämpfung an den Bauteilen/auf dem Koaxkabel/ etc.) => nach dem Verstärker 87dbµV
- 6db Verlust auf dem Koaxkabel runter in den Keller = 81dbµV
- Verluste am zweiten Verteiler (EBC110) ca. 6db => 81dbµV
- 6db Verlust auf dem Koaxkabel hoch zurück ins EG zur ersten JAD310 Antennendose => vor dieser Dose 75dbµV
=> Anschluss-/Auskoppeldämpfung der Antennendose JAD310 = 10db => nach der Antennendose/vor dem Receiver dort 65dbµV
- 2db (Durchgangsdämpfung der Antennendose vom Koax-Eingang auf das weiterführende Koaxkabel zur nächsten Antennendose) => 73dbµV hinter dieser Antennendose auf dem Weg zur folgenden JAD307
- Kabel 1m Verluste vernachlässigen wir hier ....
- 7db Anschluss-/Auskoppeldämpfung der Antennendose JAD307 = 7db => nach der Antennendose/vor dem Receiver dort 66dbµV
-----------------
Fazit: wir sind voll im DIN-Pegelbereich (47-77dbµV laut DIN in 3-Träger-Modus Messung .... Praxis besser/optimal 50-70dbµV) :1147
watch hat geschrieben:Es muss wohl nach der Radio Antenne noch ein Verstärker rein. Würde da der Durline VD24T passen, oder der JULTEC JFA110?
Jultec JFA110 --- das JNT19-2000 Netzteil das auch für den JPS-Multischalter benötigt wird hat eh 2 Ausgänge, damit kann also der JPS-Schalter und der JFA-Verstärker versorgt werden.
watch hat geschrieben:Ist die Position der SAT Schüssel auf dem Foto Ihrer Meinung nach im geschützten Bereich? Der Abstand links und rechts zur Dachkante sind gut 2m.
"links und rechts" hat damit nichts zu tun, zum Dach geht es von dort aus nach "oben" ! Siehe Bild oben ....
watch hat geschrieben:Das mit dem Anschluss des Masseblocks an den HES ist mir auch nach dem Lesen der angefügten links nicht ganz klar. Muss ich nun ein eigenes Kabel zum HES in den Keller ziehen, ......
Genau weil diese Sache sehr schwer zu verstehen ist unterliegen diese Arbeiten dem qualifizierten Blitzschutz-Fachpersonal, siehe auch meine Fussnote die jedem Beitrag anhängt. SIE dürfen da also gar nichts dran machen.
watch hat geschrieben:oder kann ich das auch an ein vorhandenes Massekabel im Dach (z.B. an einer Steckdose) anschließen.
Das ist mehr als verboten und wäre nach meiner Einschätzung eine gefährliche Gefährdung das an eine Steckdose anzuschließen.
Vielleicht sind wir nicht günstiger als ein Discounter oder reiner Online-Kartonschieber, aber sicherlich besser !
Normkonforme Beratung und Bau sind bei uns selbstverständlich.
Sat-Shop Heilbronn Kunden können sich auch nach dem Kauf auf unseren besten Service verlassen
Hier im Forum wird kein After-Sales-Support für Fremdkäufe geleistet !! Wenden Sie sich dazu an ihren Verkäufer ......

Tristan Uhde / Satanlagen Onlineshop / SAT-Shop Heilbronn
https://www.satshop-heilbronn.de (SSL) / SAT-Onlineforum https://www.satanlagenforum.de (SSL)
Tel ------ (Fragen gehören ins Forum ! Den nur hier können sie richtig bearbeitet werden, auch was hier noch nicht von A-Z genau schon erklärt/behandelt ist ) .. Dieser Hinweis weil täglich dutzende Fragen per Email oder per PM über das Forum rein kommen die noch dazu inhaltlich nicht das intus haben das man etwas dazu sagen könnte.

Wichtiger Hinweis: Zuständigkeiten verantwortliche Elektrofachkraft (VEFK) und Blitzschutzfachkräfte
Informieren Sie sich dort über Folgen und Auswirkungen von Eigenleistung und lassen Sie selbst durchgeführte Installationen von entsprechender Stelle prüfen und abnehmen. Dafür sind VOR ORT spezielle und qualifizierte Blitzschutz-Fachkräfte notwendig, Ferndiagnosen für Blitzschutz/Erdung können hier NICHT durchgeführt werden ("wie kann ICH das machen ..." oder ähnlich bringt da nichts).

Diese Signatur wächst von Woche zu Woche und enthält immer mehr grundlegende Inhalte die bitte berücksichtigt werden sollten bei bzw. VOR Anfragen !
100% beantwortet werden können nur Anfragen die auch alle relevanten Teile beinhalten die man benötigt für eine Antwort (genaue Beschreibungen/ Angabe von Herstellern/Typen für vorhandenes Material etc.). Bitte vermeiden Sie Aussagen wie "habe viel gelesen, aber versteht das nicht ..." ohne Nennung von dem was Sie gelesen haben und was genau unklar war an den Erklärungen die hier gelesen wurden - den nur dann kann man auch darauf eingehen was event. unklar ist/war.

Bitte unbedingt vor einem Post lesen => Boardregeln / Datenschutz
Wir erteilen hier keine Rechtsberatung, unsere Hinweise sind nach bestem Wissen und bedürfen einer entsprechenden juristischen/technischen weiteren Beratung.
watch
postet ab und zu
Beiträge: 10
Registriert: 29. März 2017 15:13

Re: von Kabel auf SAT Unicabel/JESS

Ungelesener Beitrag von watch »

Hallo,

hab jetzt die eine Dose im OG geändert. Damit bin ich also von den Pegeln im grünen Bereich. :1114
Verteiler, UKW Verstärker, Netzteil ist auch alles klar.

Als Antenne hätte ich mir die Gibertini 85 HD Premium oder die GigaBlue 80 HD Premium ausgesucht. Welche würden Sie empfehlen?
Als LNB wird wohl der oft empfohlene Inverto Black Premium IDLB QUTL 40 richtig sein.

Benötige ich für die fünf Kabel nach außen zum LNB diese F-Kompressionsstecker oder gehen auch die Self Install Stecker mit Dichtring?
Da ich ja kein Kompressionswerkzeug habe, wären die Self Install Stecker natürlich für mich besser.

Jetzt aber nochmal zum Platz für die Montage der Schüssel. :1110

Der Platz in der Mitte des Geländers ist wohl auf jeden Fall im geschützten Bereich.
Ich hab noch eine zweite Position im Foto eingezeichnet. Hier wären die Kabellängen kürzer.
Ist diese Position auch im geschützten Bereich? Sie schreiben: "links und rechts" hat damit nichts zu tun, zum Dach geht es von dort aus nach "oben" !
Also müsste das auch passen, wenn ich es richtig verstanden habe. :1145

Für den Potentialausgleich im Haus werde ich eine Fachkraft zu Rate ziehen, da ich da eh nichts selbst machen darf. :-P

Vielen Dank für die Unterstützung :thx

Viele Grüße
Peter
Dateianhänge
SAT_3.jpg
SAT2.jpg
Benutzeravatar
techno-com
Site Admin
Beiträge: 22464
Registriert: 17. November 2005 09:32
Wohnort: 74076 Heilbronn
Hat sich bedankt: 505 Mal
Danksagung erhalten: 575 Mal
Kontaktdaten:

Re: von Kabel auf SAT Unicabel/JESS

Ungelesener Beitrag von techno-com »

watch hat geschrieben:Hallo,
Hallo zurück :freunde

Sieht jetzt gut aus :1147
watch hat geschrieben:Als Antenne hätte ich mir die Gibertini 85 HD Premium oder die GigaBlue 80 HD Premium ausgesucht. Welche würden Sie empfehlen?
Gibertini OP 85 SE !!!
watch hat geschrieben:Als LNB wird wohl der oft empfohlene Inverto Black Premium IDLB QUTL 40 richtig sein.
:1147
watch hat geschrieben:Benötige ich für die fünf Kabel nach außen zum LNB diese F-Kompressionsstecker oder gehen auch die Self Install Stecker mit Dichtring?
Da ich ja kein Kompressionswerkzeug habe, wären die Self Install Stecker natürlich für mich besser.
Siehe unter:
Umrüstung auf Satellit
Einkaufsliste Satanlage
Haus gekauft nun die vorhandene Sat-Anlage umrüsten.
Bild aus diesem Beitrag => Kabel Internet behalten und auf SAT-TV wecheln :
Bild

Was sie dann benötigen würden wäre:
1x 20m Hirschmann Koka 799 B Koaxkabel (schwarz/UV-beständig) .... das teilen wir in 5x4 Meter
4x Aqua PPC-Kompressionsstecker (diese montieren wir auf die 4 zurecht geschnittenen Teilstücke vom Hirschmann Koka Kabel (einer ist ja bereits drauf)
--- das bitte einfach so in der Bestellung per "Mitteilungsfeld" vermerken, das kommt im Ablauf der Bestellung ---
watch hat geschrieben:Jetzt aber nochmal zum Platz für die Montage der Schüssel.

Der Platz in der Mitte des Geländers ist wohl auf jeden Fall im geschützten Bereich.
Nein, nicht unbedingt importantnotice
Ich markiere die 2m Abstand die eingehalten werden müssen in ihrem ersten Bild.
Position-Satantenne_Blitz-geschuetzer-Bereich1
Position-Satantenne_Blitz-geschuetzer-Bereich1
watch hat geschrieben:Ich hab noch eine zweite Position im Foto eingezeichnet. Hier wären die Kabellängen kürzer.
Da geht es um 1-2m, also absolut nicht relevant dieser Unterschied vom Kabelweg. Das macht nichts aus ....
watch hat geschrieben:Ist diese Position auch im geschützten Bereich? Sie schreiben: "links und rechts" hat damit nichts zu tun, zum Dach geht es von dort aus nach "oben" !
Also müsste das auch passen, wenn ich es richtig verstanden habe.
Nein, diese wäre absolut nicht passend .... genau nebendran ("links bzw. rechts") ist schon das Dach.
Position-Satantenne_Blitz-geschuetzer-Bereich2
Position-Satantenne_Blitz-geschuetzer-Bereich2
watch hat geschrieben:Für den Potentialausgleich im Haus werde ich eine Fachkraft zu Rate ziehen, da ich da eh nichts selbst machen darf.
Vorbereiten dürfen sie das alles, Kabel anschließen bzw. abnehmen lassen dann aber von einer qualifizierten Blitzschutzfachkraft (siehe meine Fussnote).
Vielleicht sind wir nicht günstiger als ein Discounter oder reiner Online-Kartonschieber, aber sicherlich besser !
Normkonforme Beratung und Bau sind bei uns selbstverständlich.
Sat-Shop Heilbronn Kunden können sich auch nach dem Kauf auf unseren besten Service verlassen
Hier im Forum wird kein After-Sales-Support für Fremdkäufe geleistet !! Wenden Sie sich dazu an ihren Verkäufer ......

Tristan Uhde / Satanlagen Onlineshop / SAT-Shop Heilbronn
https://www.satshop-heilbronn.de (SSL) / SAT-Onlineforum https://www.satanlagenforum.de (SSL)
Tel ------ (Fragen gehören ins Forum ! Den nur hier können sie richtig bearbeitet werden, auch was hier noch nicht von A-Z genau schon erklärt/behandelt ist ) .. Dieser Hinweis weil täglich dutzende Fragen per Email oder per PM über das Forum rein kommen die noch dazu inhaltlich nicht das intus haben das man etwas dazu sagen könnte.

Wichtiger Hinweis: Zuständigkeiten verantwortliche Elektrofachkraft (VEFK) und Blitzschutzfachkräfte
Informieren Sie sich dort über Folgen und Auswirkungen von Eigenleistung und lassen Sie selbst durchgeführte Installationen von entsprechender Stelle prüfen und abnehmen. Dafür sind VOR ORT spezielle und qualifizierte Blitzschutz-Fachkräfte notwendig, Ferndiagnosen für Blitzschutz/Erdung können hier NICHT durchgeführt werden ("wie kann ICH das machen ..." oder ähnlich bringt da nichts).

Diese Signatur wächst von Woche zu Woche und enthält immer mehr grundlegende Inhalte die bitte berücksichtigt werden sollten bei bzw. VOR Anfragen !
100% beantwortet werden können nur Anfragen die auch alle relevanten Teile beinhalten die man benötigt für eine Antwort (genaue Beschreibungen/ Angabe von Herstellern/Typen für vorhandenes Material etc.). Bitte vermeiden Sie Aussagen wie "habe viel gelesen, aber versteht das nicht ..." ohne Nennung von dem was Sie gelesen haben und was genau unklar war an den Erklärungen die hier gelesen wurden - den nur dann kann man auch darauf eingehen was event. unklar ist/war.

Bitte unbedingt vor einem Post lesen => Boardregeln / Datenschutz
Wir erteilen hier keine Rechtsberatung, unsere Hinweise sind nach bestem Wissen und bedürfen einer entsprechenden juristischen/technischen weiteren Beratung.
watch
postet ab und zu
Beiträge: 10
Registriert: 29. März 2017 15:13

Re: von Kabel auf SAT Unicabel/JESS

Ungelesener Beitrag von watch »

Nochmal Hallo,

jetzt hab ich mal gemessen, und siehe da, nix ist mit geschütztem Bereich. :1162
Links und rechts habe ich nur 1,6 m bis zur Dachkante.

Jetzt bleiben also nur zwei Möglichkeiten.
1. Ich installiere die Schüssel trotzdem Mittig an dem Gitter und brauche dann einen Blitzableiter. Möglichkeit wäre an der Regenrinne entlang und dann nach unten.
Dann lege ich noch zu den fünf Kabeln ein 4 mm² Kabel für den Potentialausgleich am Mast anzuschließen.

2. Ich installiere die Schüssel auf dem Dach, was aufwendiger ist, längere Kabel braucht (ca. 10m), aber dafür nicht so im Sichtbereich ist.
Blitzschutz und Potentialausgleich wäre gleich, nur dass der Blitzableiter dann hinter dem Haus runter geht.

Jetzt muss ich mich wohl doch wieder an einen Elektriker wenden, dass der mir zumindest die Schüssel fachgerecht montiert. Also mit Blitzableiter und dem Potentialausgleichskabel.
Den Rest im Haus kann ich dann selber machen. :1113

Oder sehen Sie hier noch eine andere Möglichkeit?

Vielen Dank für die Unterstützung. :thx

Viele Grüße
Peter
Benutzeravatar
techno-com
Site Admin
Beiträge: 22464
Registriert: 17. November 2005 09:32
Wohnort: 74076 Heilbronn
Hat sich bedankt: 505 Mal
Danksagung erhalten: 575 Mal
Kontaktdaten:

Re: von Kabel auf SAT Unicabel/JESS

Ungelesener Beitrag von techno-com »

watch hat geschrieben:jetzt hab ich mal gemessen, und siehe da, nix ist mit geschütztem Bereich.
Links und rechts habe ich nur 1,6 m bis zur Dachkante.
Das sah mir gleich eng aus :1112 Aber ...... Auch wenn das 2m in alle Richtungen gewesen wäre hätten sie keinen geschützten Bereich gehabt da dieses Geländer ja aus Metall ist und somit die Verbindung der Antenne/dem Antennenhalter an diesem gewesen wäre und dann das komplette Geländer hier zählt .... und das wäre ja auf jeden Fall in den nicht-geschützten-Bereich vorgedrungen.
watch hat geschrieben:Jetzt bleiben also nur zwei Möglichkeiten.
1. Ich installiere die Schüssel trotzdem Mittig an dem Gitter und brauche dann einen Blitzableiter.
1. sieht mir dieses Geländer nicht gerade sehr "dick" (stabil) aus .... nur dünne Streben, wo wollten sie da eine Halterung dran fest machen die dann auch super fest sitzt und nicht einen Millimeter wackelt ?
2. brauchen sie keinen "Blitzableiter", sondern ein "Erdungskabel".
watch hat geschrieben:Möglichkeit wäre an der Regenrinne entlang und dann nach unten.
Die Regenrinne ist da passe .... Stichwort "Trennungsabstand" einhalten, siehe Erdungs-Thread (wird dort erklärt/verlinkt was das ist). Und WENN man sich dieser nicht im Trennungsabstand nähert muss man sie entsprechend mit einbeziehen in die Erdung. Aufgabe eines Fachmannes.
watch hat geschrieben:2. Ich installiere die Schüssel auf dem Dach, was aufwendiger ist, längere Kabel braucht (ca. 10m), aber dafür nicht so im Sichtbereich ist.
Blitzschutz und Potentialausgleich wäre gleich, nur dass der Blitzableiter dann hinter dem Haus runter geht.
Das ist oftmals das schönste und einfachste .... Erdungskabelverlegung wieder im "Trennungsabstand" !
watch hat geschrieben:Jetzt muss ich mich wohl doch wieder an einen Elektriker wenden, dass der mir zumindest die Schüssel fachgerecht montiert. Also mit Blitzableiter und dem Potentialausgleichskabel.
Ein Elektriker ist für die Sache mit der Erdung der falsche Ansprechpartner, in einer sehr sehr hohen Prozent-Zahl hat der sogar davon weniger Ahnung als sie jetzt der diesen Beitrag verfasst hat. Wenn er mal eine Erdung macht (da gibt es die haarsträubensten Aussagen hier im Forum dazu warum er das noch nie gemacht hat und das selbst bei sich zu Hause nicht .... siehe unter Jultec Unicable oder Kopfelement (Schwaiger o.ä.) und z.B. unter Erstinstallation Satanlage im EFH - nur 2 von super vielen Beiträgen dazu) dann ohne Wissen eines "Trennungsabstandes" und oft sogar noch dazu mit absolut falschen Bauteilen (und das angefangen beim Querschnitt vom notwendigen Erdungskabel). Erdung, siehe meine Fussnote die jedem Beitrag anhängt. Sie können das sicher alles vorbereiten/vorbereiten lassen in der Kabelverlegung, aber anschließen und vor allem Kontrolle + Abnahme nur vom qualifizierten Blitzschutz-Fachpersonal.
Vielleicht sind wir nicht günstiger als ein Discounter oder reiner Online-Kartonschieber, aber sicherlich besser !
Normkonforme Beratung und Bau sind bei uns selbstverständlich.
Sat-Shop Heilbronn Kunden können sich auch nach dem Kauf auf unseren besten Service verlassen
Hier im Forum wird kein After-Sales-Support für Fremdkäufe geleistet !! Wenden Sie sich dazu an ihren Verkäufer ......

Tristan Uhde / Satanlagen Onlineshop / SAT-Shop Heilbronn
https://www.satshop-heilbronn.de (SSL) / SAT-Onlineforum https://www.satanlagenforum.de (SSL)
Tel ------ (Fragen gehören ins Forum ! Den nur hier können sie richtig bearbeitet werden, auch was hier noch nicht von A-Z genau schon erklärt/behandelt ist ) .. Dieser Hinweis weil täglich dutzende Fragen per Email oder per PM über das Forum rein kommen die noch dazu inhaltlich nicht das intus haben das man etwas dazu sagen könnte.

Wichtiger Hinweis: Zuständigkeiten verantwortliche Elektrofachkraft (VEFK) und Blitzschutzfachkräfte
Informieren Sie sich dort über Folgen und Auswirkungen von Eigenleistung und lassen Sie selbst durchgeführte Installationen von entsprechender Stelle prüfen und abnehmen. Dafür sind VOR ORT spezielle und qualifizierte Blitzschutz-Fachkräfte notwendig, Ferndiagnosen für Blitzschutz/Erdung können hier NICHT durchgeführt werden ("wie kann ICH das machen ..." oder ähnlich bringt da nichts).

Diese Signatur wächst von Woche zu Woche und enthält immer mehr grundlegende Inhalte die bitte berücksichtigt werden sollten bei bzw. VOR Anfragen !
100% beantwortet werden können nur Anfragen die auch alle relevanten Teile beinhalten die man benötigt für eine Antwort (genaue Beschreibungen/ Angabe von Herstellern/Typen für vorhandenes Material etc.). Bitte vermeiden Sie Aussagen wie "habe viel gelesen, aber versteht das nicht ..." ohne Nennung von dem was Sie gelesen haben und was genau unklar war an den Erklärungen die hier gelesen wurden - den nur dann kann man auch darauf eingehen was event. unklar ist/war.

Bitte unbedingt vor einem Post lesen => Boardregeln / Datenschutz
Wir erteilen hier keine Rechtsberatung, unsere Hinweise sind nach bestem Wissen und bedürfen einer entsprechenden juristischen/technischen weiteren Beratung.
watch
postet ab und zu
Beiträge: 10
Registriert: 29. März 2017 15:13

Re: von Kabel auf SAT Unicabel/JESS

Ungelesener Beitrag von watch »

Hallo,

jetzt hab ich noch eine Frage zu unicable/Jess. :1110

Bei der Beschreibung der Jess Multischalter steht so grob zusammen gefasst, dass bei Jess alles optimiert ist (Dateninhalt, Datenübertragung schneller, modernes, aktuelles System).

Der JPS0502-8T arbeitet ja mit EN50494. Würde ja auch reichen da nur 8 Teilnehmer pro Strang

Wäre es denn besser, Zukunftssicherer einen Multischalter mit EN50607 zu verwenden?
Also den JPS0501-16TN oder JPS0502-16TN (wobei dieser bedeutet teurer ist).
Gut, die Auswahl an Receivern, oder sogar Fernsehern ist hier etwas beschränkter.

Wie ist denn Ihre Einschätzung?

Vielen Dank für die Unterstützung.

Viele Grüße
Peter
Benutzeravatar
techno-com
Site Admin
Beiträge: 22464
Registriert: 17. November 2005 09:32
Wohnort: 74076 Heilbronn
Hat sich bedankt: 505 Mal
Danksagung erhalten: 575 Mal
Kontaktdaten:

Re: von Kabel auf SAT Unicabel/JESS

Ungelesener Beitrag von techno-com »

watch hat geschrieben:Hallo,
Hallo zurück :freunde
watch hat geschrieben:Bei der Beschreibung der Jess Multischalter steht so grob zusammen gefasst, dass bei Jess alles optimiert ist (Dateninhalt, Datenübertragung schneller, modernes, aktuelles System).
JESS EN50607 arbeitet Bidirektional (Anfrage/Befehl vom Receiver zum umschalten + Antwort vom Schalter das alles OK ist oder "was nicht stimmt" das dann ein neuer Befehlt noch einmal übertragen wird).
Unicable EN50494 sendet der Receiver nur einen Umschalt-Befehl, ob dieser angenommen wurde wird nie beantwortet.
Noch mehr unter Was ist JESS (Jultec Enhanced Stacking System/DIN EN 50607)? erklärt.
watch hat geschrieben:Der JPS0502-8T arbeitet ja mit EN50494. Würde ja auch reichen da nur 8 Teilnehmer pro Strang
Die Jultec-Schalter auch mit nur 4 oder 8 UBs (die Gerät mit -4 bzw. -8 am Ende) arbeiten auch mit einem JESS-Schaltbefehl ! Also auch diese kann man vom Receiver per JESS ansteuern, das ist nicht nur den Geräten mit mehr als 8 UBs vorbehalten (nur bei JULTEC aktuell !!!).
JultecJPS0502-8_JESS_EN50607
JultecJPS0502-8_JESS_EN50607
watch hat geschrieben:Wäre es denn besser, Zukunftssicherer einen Multischalter mit EN50607 zu verwenden?
Kann jeder Schalter von Jultec :1147
Alle neuen Schalter unterstützen übrigens auch die neue a²CSS-Technologie von Jultec.
watch hat geschrieben:Also den JPS0501-16TN oder JPS0502-16TN (wobei dieser bedeutet teurer ist).
JPS0501-16 wäre schlecht wenn man den einen Ausgang auf 2 Stränge aufteilt, dann müssten mind. 8 Receiver/Tuner (die UBs von 9-16) ja auch JESS können !
Der JPS0502-16 nur dann wenn sie 16 Umsetzungen pro Strang benötigen würden (aber auch hier gleiches wie zuvor, die UBs 9-16 könnten nur von Receivern angesteuert/verwendet werden die auch JESS-tauglich sind).
watch hat geschrieben:Gut, die Auswahl an Receivern, oder sogar Fernsehern ist hier etwas beschränkter.
Ganz im Gegenteil, es werden immer mehr .... seit gestern sogar die Sky UHD/4K Box (Sky + Pro Receiver)= http://www.sky.de/jess (der normale Twin-Receiver wird bald folgen)
SkyPlusProReceiver_4k_UHD-Box_JESS-EN50607-tauglich
SkyPlusProReceiver_4k_UHD-Box_JESS-EN50607-tauglich
Receiver,welche den neuen Einkabelstandard JESS unterstützen
JESS (EN50607) auf Linux-Enigma² Geräten (Dreambox, VU+...)

Samsung, Panasonic, Sony etc. etc. ... alle arbeiten daran (kann ich bestätigen da die viel Test-Equipment bei mir einkaufen :1112 )
Vielleicht sind wir nicht günstiger als ein Discounter oder reiner Online-Kartonschieber, aber sicherlich besser !
Normkonforme Beratung und Bau sind bei uns selbstverständlich.
Sat-Shop Heilbronn Kunden können sich auch nach dem Kauf auf unseren besten Service verlassen
Hier im Forum wird kein After-Sales-Support für Fremdkäufe geleistet !! Wenden Sie sich dazu an ihren Verkäufer ......

Tristan Uhde / Satanlagen Onlineshop / SAT-Shop Heilbronn
https://www.satshop-heilbronn.de (SSL) / SAT-Onlineforum https://www.satanlagenforum.de (SSL)
Tel ------ (Fragen gehören ins Forum ! Den nur hier können sie richtig bearbeitet werden, auch was hier noch nicht von A-Z genau schon erklärt/behandelt ist ) .. Dieser Hinweis weil täglich dutzende Fragen per Email oder per PM über das Forum rein kommen die noch dazu inhaltlich nicht das intus haben das man etwas dazu sagen könnte.

Wichtiger Hinweis: Zuständigkeiten verantwortliche Elektrofachkraft (VEFK) und Blitzschutzfachkräfte
Informieren Sie sich dort über Folgen und Auswirkungen von Eigenleistung und lassen Sie selbst durchgeführte Installationen von entsprechender Stelle prüfen und abnehmen. Dafür sind VOR ORT spezielle und qualifizierte Blitzschutz-Fachkräfte notwendig, Ferndiagnosen für Blitzschutz/Erdung können hier NICHT durchgeführt werden ("wie kann ICH das machen ..." oder ähnlich bringt da nichts).

Diese Signatur wächst von Woche zu Woche und enthält immer mehr grundlegende Inhalte die bitte berücksichtigt werden sollten bei bzw. VOR Anfragen !
100% beantwortet werden können nur Anfragen die auch alle relevanten Teile beinhalten die man benötigt für eine Antwort (genaue Beschreibungen/ Angabe von Herstellern/Typen für vorhandenes Material etc.). Bitte vermeiden Sie Aussagen wie "habe viel gelesen, aber versteht das nicht ..." ohne Nennung von dem was Sie gelesen haben und was genau unklar war an den Erklärungen die hier gelesen wurden - den nur dann kann man auch darauf eingehen was event. unklar ist/war.

Bitte unbedingt vor einem Post lesen => Boardregeln / Datenschutz
Wir erteilen hier keine Rechtsberatung, unsere Hinweise sind nach bestem Wissen und bedürfen einer entsprechenden juristischen/technischen weiteren Beratung.
watch
postet ab und zu
Beiträge: 10
Registriert: 29. März 2017 15:13

Re: von Kabel auf SAT Unicabel/JESS

Ungelesener Beitrag von watch »

Hallo,

also wäre doch die Nutzung von EN50607 empfehlenswert, da das weiter entwickelte System.

wie geht das nur mit dieser Zitatfunktion? :1145
Sie schrieben: JPS0501-16 wäre schlecht wenn man den einen Ausgang auf 2 Stränge aufteilt, dann müssten mind. 8 Receiver/Tuner (die UBs von 9-16) ja auch JESS können !

Da ich aber noch keine Receiver habe, würde ich gleich welche nehmen, die JESS können. Wäre also kein Problem.

Außerdem ist mir aufgefallen, dass beim JPS0501-16TN das Netzteil JNT19-2000 mit dabei beim Preis von 247.-€
Der JPS0502-8T (229.-€) kommt das Netzteil JNT19-2000 (69.-€) noch dazu. Also 298.-€

Oder mache ich da einen Denkfehler.
Viele Grüße
Peter
Benutzeravatar
techno-com
Site Admin
Beiträge: 22464
Registriert: 17. November 2005 09:32
Wohnort: 74076 Heilbronn
Hat sich bedankt: 505 Mal
Danksagung erhalten: 575 Mal
Kontaktdaten:

Re: von Kabel auf SAT Unicabel/JESS

Ungelesener Beitrag von techno-com »

watch hat geschrieben:Hallo,
Guten Morgen und Willkommen zurück :1121
watch hat geschrieben:also wäre doch die Nutzung von EN50607 empfehlenswert, da das weiter entwickelte System.
Aber das hatten wir doch gerade in ihrem Beitrag/ihren Fragen zuvor :1122
Erklärung war das JEDER Schalter von Jultec mit dem EN50607 (JESS) Schaltbefehl arbeiten kann .... ganz unabghänig davon ob er 1, 2, 4, 6 oder 8 Ausgänge hat und ganz egal ob er 4, 8 oder 16 Umsetzungen/UBs am Ausgang hat ... sogar das Bild vom JPS0502-8 mit dem Aufdruck der möglichen Schaltbefehle hatte ich zuvor angehängt um das zu zeigen :1122
Und jetzt die gleiche Frage wieder ? Hier was ich zuvor geschrieben hatte:
techno-com hat geschrieben:
watch hat geschrieben:Der JPS0502-8T arbeitet ja mit EN50494. Würde ja auch reichen da nur 8 Teilnehmer pro Strang
Die Jultec-Schalter auch mit nur 4 oder 8 UBs (die Gerät mit -4 bzw. -8 am Ende) arbeiten auch mit einem JESS-Schaltbefehl ! Also auch diese kann man vom Receiver per JESS ansteuern, das ist nicht nur den Geräten mit mehr als 8 UBs vorbehalten (nur bei JULTEC aktuell !!!).
JultecJPS0502-8_JESS_EN50607.jpg
watch hat geschrieben:Wäre es denn besser, Zukunftssicherer einen Multischalter mit EN50607 zu verwenden?
Kann jeder Schalter von Jultec :1147
Alle neuen Schalter unterstützen übrigens auch die neue a²CSS-Technologie von Jultec.
watch hat geschrieben:Sie schrieben: JPS0501-16 wäre schlecht wenn man den einen Ausgang auf 2 Stränge aufteilt, dann müssten mind. 8 Receiver/Tuner (die UBs von 9-16) ja auch JESS können !
Ja, 16 Umsetzungen auf einem Ausgang sind SCHLECHTER wenn man die auf 2 Stränge aufteilen möchte als 2 Ausgänge mit je 8 Umsetzungen ....
1. höhere Frequenz der Umsetzungen/UBs 9-16 = mehr Dämpfung auf dem Kabel/an den Verteilern/an den Antennendosen
2. keine Störsicherheit zwischen den Strängen
3. es werden nur Receiver mit Unicable EN50494 für die Umsetzungen von 1-8 gehen, nicht bei 9-16 ... bei 2x8 Ausgängen wären alle Receiver tauglich die nur die EN50494 unterstützen
4. etc. etc. etc. ... mehr erklärt auch im Beitrag unter Erweiterung vorhandener Sat-Anlage im EFH auf JESS + Umbau/Erweiterung meiner vorhandenen Sat Anlage
watch hat geschrieben:Da ich aber noch keine Receiver habe, würde ich gleich welche nehmen, die JESS können. Wäre also kein Problem.
Sie versteifen sich hier viel zu sehr auf JESS ..... Von 100 Receivern die Einkabel-tauglich sind können 3 davon JESS, die Auswahl ist also sehr viel mehr begrenzt !
watch hat geschrieben:Außerdem ist mir aufgefallen, dass beim JPS0501-16TN das Netzteil JNT19-2000 mit dabei beim Preis von 247.-€
Der JPS0502-8T (229.-€) kommt das Netzteil JNT19-2000 (69.-€) noch dazu. Also 298.-€
Klar ... kaufen sie 10x1 Eintrittskarte für das Schwimmbad ist das teurer als 1x10er Karte !
Hier bei den Schaltern ist 1x16 teurer als 2x8 .... warum ? 2x8 ist aufwendiger in der Bestückung (mehr Prozessoren, Leiterbahnen ...) und benötigt mehr Bauteile (mind. 1 Ausgang mehr).
Das "bessere" ist also immer auch das "teurere" .....
watch hat geschrieben:Oder mache ich da einen Denkfehler.
Ja, sie gehen nach dem Preis und nicht nach dem sinnvollen .... auch immer genau lesen was geschrieben steht, ich erkläre das immer sehr genau alles und hier kommt wieder eine Frage die ich zuvor sogar im Bild erklärt/dargestellt hatte.
watch hat geschrieben:wie geht das nur mit dieser Zitatfunktion?
Nennt sich "Quote" und kann man über die "Antworten" Funktion direkt verwenden oder hier oben über die Zusatzfunktions-Leiste anwenden.
Vielleicht sind wir nicht günstiger als ein Discounter oder reiner Online-Kartonschieber, aber sicherlich besser !
Normkonforme Beratung und Bau sind bei uns selbstverständlich.
Sat-Shop Heilbronn Kunden können sich auch nach dem Kauf auf unseren besten Service verlassen
Hier im Forum wird kein After-Sales-Support für Fremdkäufe geleistet !! Wenden Sie sich dazu an ihren Verkäufer ......

Tristan Uhde / Satanlagen Onlineshop / SAT-Shop Heilbronn
https://www.satshop-heilbronn.de (SSL) / SAT-Onlineforum https://www.satanlagenforum.de (SSL)
Tel ------ (Fragen gehören ins Forum ! Den nur hier können sie richtig bearbeitet werden, auch was hier noch nicht von A-Z genau schon erklärt/behandelt ist ) .. Dieser Hinweis weil täglich dutzende Fragen per Email oder per PM über das Forum rein kommen die noch dazu inhaltlich nicht das intus haben das man etwas dazu sagen könnte.

Wichtiger Hinweis: Zuständigkeiten verantwortliche Elektrofachkraft (VEFK) und Blitzschutzfachkräfte
Informieren Sie sich dort über Folgen und Auswirkungen von Eigenleistung und lassen Sie selbst durchgeführte Installationen von entsprechender Stelle prüfen und abnehmen. Dafür sind VOR ORT spezielle und qualifizierte Blitzschutz-Fachkräfte notwendig, Ferndiagnosen für Blitzschutz/Erdung können hier NICHT durchgeführt werden ("wie kann ICH das machen ..." oder ähnlich bringt da nichts).

Diese Signatur wächst von Woche zu Woche und enthält immer mehr grundlegende Inhalte die bitte berücksichtigt werden sollten bei bzw. VOR Anfragen !
100% beantwortet werden können nur Anfragen die auch alle relevanten Teile beinhalten die man benötigt für eine Antwort (genaue Beschreibungen/ Angabe von Herstellern/Typen für vorhandenes Material etc.). Bitte vermeiden Sie Aussagen wie "habe viel gelesen, aber versteht das nicht ..." ohne Nennung von dem was Sie gelesen haben und was genau unklar war an den Erklärungen die hier gelesen wurden - den nur dann kann man auch darauf eingehen was event. unklar ist/war.

Bitte unbedingt vor einem Post lesen => Boardregeln / Datenschutz
Wir erteilen hier keine Rechtsberatung, unsere Hinweise sind nach bestem Wissen und bedürfen einer entsprechenden juristischen/technischen weiteren Beratung.
watch
postet ab und zu
Beiträge: 10
Registriert: 29. März 2017 15:13

Re: von Kabel auf SAT Unicabel/JESS

Ungelesener Beitrag von watch »

Ebenfalls Guten Morgen,
techno-com hat geschrieben:Aber das hatten wir doch gerade in ihrem Beitrag/ihren Fragen zuvor
Entschuldigung :oops: dass mir Ihre Antwort noch nicht weiter geholfen hatte.
Erst mit dieser Antwort ist es mir nun klar. :1114
techno-com hat geschrieben:Ja, 16 Umsetzungen auf einem Ausgang sind SCHLECHTER wenn man die auf 2 Stränge aufteilen möchte als 2 Ausgänge mit je 8 Umsetzungen ....
1. höhere Frequenz der Umsetzungen/UBs 9-16 = mehr Dämpfung auf dem Kabel/an den Verteilern/an den Antennendosen
2. keine Störsicherheit zwischen den Strängen
3. es werden nur Receiver mit Unicable EN50494 für die Umsetzungen von 1-8 gehen, nicht bei 9-16 ... bei 2x8 Ausgängen wären alle Receiver tauglich die nur die EN50494 unterstützen
techno-com hat geschrieben:Von 100 Receivern die Einkabel-tauglich sind können 3 davon JESS, die Auswahl ist also sehr viel mehr begrenzt !
Hier hatten Sie eine Antwort früher eine andere Aussage:
techno-com hat geschrieben:watch hat geschrieben:
Gut, die Auswahl an Receivern, oder sogar Fernsehern ist hier etwas beschränkter.
Ganz im Gegenteil, es werden immer mehr .... seit gestern sogar die Sky UHD/4K Box
techno-com hat geschrieben:Hier bei den Schaltern ist 1x16 teurer als 2x8 .... warum ? 2x8 ist aufwendiger in der Bestückung (mehr Prozessoren, Leiterbahnen ...) und benötigt mehr Bauteile (mind. 1 Ausgang mehr).
Soll wohl eher heißen: 1x16 ist BILLIGER als 2x8
Damit ist für mich aber der höhere Preis für den 2x8 erklärt und auch nachvollziehbar. :1147

Für mich ist somit der Weg klar und jetzt brauche ich nur noch eine Fachkraft, die mir die Schüssel ordnungsgemäß auf das Dach schraubt. Das wird wohl die größte Herausforderung, denn solche "Kleinaufträge" will ja heutzutage kaum jemand mehr machen.

Oder ich finde doch noch eine andere Lösung, die ich selber installieren kann.
Dann melde ich mich bestimmt nochmal. :1128

Vielen Dank für die bisherige Unterstützung :thx

Viele Grüße
Peter
Benutzeravatar
techno-com
Site Admin
Beiträge: 22464
Registriert: 17. November 2005 09:32
Wohnort: 74076 Heilbronn
Hat sich bedankt: 505 Mal
Danksagung erhalten: 575 Mal
Kontaktdaten:

Re: von Kabel auf SAT Unicabel/JESS

Ungelesener Beitrag von techno-com »

watch hat geschrieben:Ebenfalls Guten Morgen,
Und nochmal Hallo :1117
watch hat geschrieben:Entschuldigung :oops: dass mir Ihre Antwort noch nicht weiter geholfen hatte.
Erst mit dieser Antwort ist es mir nun klar. :1114
:1147
watch hat geschrieben:Hier hatten Sie eine Antwort früher eine andere Aussage:
Klar, früher war es ein Receiver von 100, jetzt 10 von 100 ... aber es werden mehr (und das Bsp. dabei das z.B. vorgestern sogar der große Sky-Receiver gerade ein Update dafür bekommen hat, der "Kleine" von Sky aber weiterhin nichts davon sieht und wohl auch ggf. nie was davon sehen wird .... und der "Kleine" ist sicherlich hundertfach mehr im Umlauf als der "Große" ("Große" = die 4k/UHD Box von Sky).
watch hat geschrieben:Soll wohl eher heißen: 1x16 ist BILLIGER als 2x8
Natürlich, Fehler (falsch herum) von mir :1147
watch hat geschrieben:Damit ist für mich aber der höhere Preis für den 2x8 erklärt und auch nachvollziehbar.
:1147
watch hat geschrieben:Für mich ist somit der Weg klar und jetzt brauche ich nur noch eine Fachkraft, die mir die Schüssel ordnungsgemäß auf das Dach schraubt. Das wird wohl die größte Herausforderung, denn solche "Kleinaufträge" will ja heutzutage kaum jemand mehr machen.
Ich würde da ggf. auch mal bei einem Dachdecker anfragen ! Die haben oftmals sogar mehr Ahnung als ein Elektriker (wenn ich da gerade an viele Dachdecker denke die hier bei mir Dachsparrenhalter und anderes Zubehör einkaufen) und sogar bessere Messgeräte dafür. Ganz abgesehen davon das sie:
1. viel leichter auf einem Dach rum turnen können
2. viel besser einen Dachsparrenhalter montieren könnten (Abdichtung, Ziegel eindecken .... etc.)
3. der äußere Blitzschutz sogar bei Dachdeckern (warum auch immer !!!) tlw. sogar in der Ausbildung mit gelehrt wird (siehe unter Bauträger verweigert Sat-Erdung mit Verweis auf VDE 0855-1 und Risikoberechnung ) .... in wie weit sie damit die Berechtigung auch zur Durchführung haben, keine Ahnung. Auf jeden Fall finde ich bei vielen Dachdeckern auf der Homepage auch die Bewerbung von Arbeiten zum äußeren Blitzschutz - wobei der innere Blitzschutz/Potentialausgleich immer einer qualifizierten Blitzschutz-Fachkraft unterlegen ist - siehe meine Fussnote).
watch hat geschrieben:Oder ich finde doch noch eine andere Lösung, die ich selber installieren kann.
Dann melde ich mich bestimmt nochmal.
Dazu stehen hier im Forum. tlw. sogar schn verlinkt oben, viele Beiträge die das genau erklären.
watch hat geschrieben:Vielen Dank für die bisherige Unterstützung
:1147
Vielleicht sind wir nicht günstiger als ein Discounter oder reiner Online-Kartonschieber, aber sicherlich besser !
Normkonforme Beratung und Bau sind bei uns selbstverständlich.
Sat-Shop Heilbronn Kunden können sich auch nach dem Kauf auf unseren besten Service verlassen
Hier im Forum wird kein After-Sales-Support für Fremdkäufe geleistet !! Wenden Sie sich dazu an ihren Verkäufer ......

Tristan Uhde / Satanlagen Onlineshop / SAT-Shop Heilbronn
https://www.satshop-heilbronn.de (SSL) / SAT-Onlineforum https://www.satanlagenforum.de (SSL)
Tel ------ (Fragen gehören ins Forum ! Den nur hier können sie richtig bearbeitet werden, auch was hier noch nicht von A-Z genau schon erklärt/behandelt ist ) .. Dieser Hinweis weil täglich dutzende Fragen per Email oder per PM über das Forum rein kommen die noch dazu inhaltlich nicht das intus haben das man etwas dazu sagen könnte.

Wichtiger Hinweis: Zuständigkeiten verantwortliche Elektrofachkraft (VEFK) und Blitzschutzfachkräfte
Informieren Sie sich dort über Folgen und Auswirkungen von Eigenleistung und lassen Sie selbst durchgeführte Installationen von entsprechender Stelle prüfen und abnehmen. Dafür sind VOR ORT spezielle und qualifizierte Blitzschutz-Fachkräfte notwendig, Ferndiagnosen für Blitzschutz/Erdung können hier NICHT durchgeführt werden ("wie kann ICH das machen ..." oder ähnlich bringt da nichts).

Diese Signatur wächst von Woche zu Woche und enthält immer mehr grundlegende Inhalte die bitte berücksichtigt werden sollten bei bzw. VOR Anfragen !
100% beantwortet werden können nur Anfragen die auch alle relevanten Teile beinhalten die man benötigt für eine Antwort (genaue Beschreibungen/ Angabe von Herstellern/Typen für vorhandenes Material etc.). Bitte vermeiden Sie Aussagen wie "habe viel gelesen, aber versteht das nicht ..." ohne Nennung von dem was Sie gelesen haben und was genau unklar war an den Erklärungen die hier gelesen wurden - den nur dann kann man auch darauf eingehen was event. unklar ist/war.

Bitte unbedingt vor einem Post lesen => Boardregeln / Datenschutz
Wir erteilen hier keine Rechtsberatung, unsere Hinweise sind nach bestem Wissen und bedürfen einer entsprechenden juristischen/technischen weiteren Beratung.
watch
postet ab und zu
Beiträge: 10
Registriert: 29. März 2017 15:13

Re: von Kabel auf SAT Unicabel/JESS

Ungelesener Beitrag von watch »

Hallo,

endlich habe ich wieder etwas Zeit das Thema weiter zu treiben.
Auf folgende Lösung bin ich nun gekommen (siehe Bild)

Für den Anschluss vom LNB und UKW Antenne zum PA würde ich das 20m Hirschmann Kabel (gestückelt auf 5x4m) mit den wasserdichten Steckern nehmen.
Hier noch die DLBS 3001 dazwischen. Wie sind hier die Erfahrungen mit Defekten? Nicht dass ich hier immer mal wieder das Dach öffnen muss um so einen Überspannungsschutz zu tauschen.
Welches Kabel würden Sie für den Anschluss vom PA unter den Dachziegeln zum Erdungsblock im Verteilerraum empfehlen?
Das ESD 90.128 oder das SD 100 welches ja günstiger wäre (bei 100m). Ich würde mir daraus dann auch die nötigen weiteren Kabel machen (z.B. für die Receiver und die Anschlusskabel für den Multischalter usw.)
Welche Stecker passen da?
Die Cabelcon 5.1 oder 4.9.
Benötige ich für den Anschluss am PA die Variante mit Dichtring, oder ist dieser Stecker generell zu empfehlen? Im Haus reicht wohl der ohne Dichtring. :1110

Das ist jetzt alles, was mir auf die Schnelle einfällt.
Vielen Dank für die Unterstützung. :thx

Viele Grüße
Peter
Dateianhänge
JultecJPS0502-8T_JFA110_Unicable_EN50494_Satanlage
JultecJPS0502-8T_JFA110_Unicable_EN50494_Satanlage
Benutzeravatar
techno-com
Site Admin
Beiträge: 22464
Registriert: 17. November 2005 09:32
Wohnort: 74076 Heilbronn
Hat sich bedankt: 505 Mal
Danksagung erhalten: 575 Mal
Kontaktdaten:

Re: von Kabel auf SAT Unicabel/JESS

Ungelesener Beitrag von techno-com »

watch hat geschrieben:Hallo,
Hallo zurück :freunde
watch hat geschrieben:endlich habe ich wieder etwas Zeit das Thema weiter zu treiben.
Und ich endlich die Zeit die Antwort rein zu tippen, akt. ist sehr viel los und ich finde kaum die Zeit jeden Tag wirklich alles gleich zu machen !
watch hat geschrieben:Auf folgende Lösung bin ich nun gekommen (siehe Bild)
Sieht gut aus .....
2 Sachen dazu aber jetzt gleich:
1. fehlen die Antennendosen (jeweils eine Jultec JAD307TRS - die kommen erst nächte Woche wieder, gerade eben die allerletzte verkauft)
2. ebenso bei den Kathrein EBC-Verteilern, die sollen jetzt endlich nach über einem halben Jahr Liefer-Unfähigkeit von Kathrein am 5.5.17 wieder kommen ! Glaube ich aber erst dran wenn sie hier auch vorliegen, der Termin wurde schon mind. 6x verschoben. Dieses Mal klingt es aber wirklich nach "sollte so sein das sie kommen" :1112
Edit: noch während ich den Rest vom Beitrag geschrieben habe kommt eine Email mit der Ankündigung das die EBC-Verteiler eine Woche später kommen, jetzt der 11.4.17 - gerade im Shop auch schon geändert ! Eine Plage mit diesen Dingern :1128
watch hat geschrieben:Für den Anschluss vom LNB und UKW Antenne .....
Wollen sie das weiterhin da vor den Fenstern montieren ? Dazu dann:
1. passt da eine UKW-Antenne mit ran an ihren geplanten Mast dort - siehe gerade im Beitrag gestern unter UKW Ringdipol Vertikal hinter Sat-Schüssel? die Bilder !
2. Erdung berücksichtigt ? Auf jeden Fall kommen wir ja mit den Kabeln, diese zählen ja auch mit zur "Satanlage" in den nicht-Blitz-geschützten Bereich wenn sie den Mast-nahen PA unter den Ziegeln machen möchten --- das ganz abgesehen davon das dort vor den Fenstern der Abstand von 2m zum Dach eh nicht eingehalten werden kann ... oder hatten wir bereits eine Umplanung für "Antenne aufs Dach" wozu ich aber akt. hier jetzt beim erneuten durchlesen vom Beitrag ("überfliegen") davon nichts gefunden habe und dann auch der Dachsparrenhalter für die Mast-Montage auf dem Dach incl. Zubehör dazu fehlen würde.
watch hat geschrieben:... zum PA würde ich das 20m Hirschmann Kabel (gestückelt auf 5x4m) mit den wasserdichten Steckern nehmen.
Bilder dann zum Mast-nahen PA auch unter Umstieg Kabel -> SAT mit 2 Satelliten in Mehrfamilienhaus + dem folgenden Beitrag (incl. Verlinkung auf das Thema wo dies genau durchgesprochen wurde).
watch hat geschrieben:Hier noch die DLBS 3001 dazwischen. Wie sind hier die Erfahrungen mit Defekten? Nicht dass ich hier immer mal wieder das Dach öffnen muss um so einen Überspannungsschutz zu tauschen.
Fehlerrate/Probleme bisher: 0
watch hat geschrieben:Welches Kabel würden Sie für den Anschluss vom PA unter den Dachziegeln zum Erdungsblock im Verteilerraum empfehlen?
Das ESD 90.128 oder das SD 100 .....
Das unterliegt ihrer Wahl, das 3-fach geschirmte (SD100) schadet aber nie !
watch hat geschrieben:... welches ja günstiger wäre (bei 100m).
Nein, auch das ESD90 gab es mal als 100m Ring und nicht nur als Meterware !
Das läuft aber aus und akt. ist nicht einmal mehr ein ganzer 100m Ring da das es keine 100m Ringe mehr für die Auslieferung gibt (alle angeschnitten ..) ! Wird aber bald ersetzt durch ein neues Kabel in dieser Art.
watch hat geschrieben:Ich würde mir daraus dann auch die nötigen weiteren Kabel machen (z.B. für die Receiver und die Anschlusskabel für den Multischalter usw.)
Eine sehr gute Wahl ! Nichts ist günstiger und besser als ein solche selbst gemachtes Kabel (2m Koaxkabel Voll-Kupfer 1.40€ + 2x Cabelcon Stecker ca. 2€ = 3.40€ für ein super 2m Anschlusskabel bei sehr wenig Arbeitsaufwand. Diese fertigen China-Anschlusskabel mit hohem ohmscher Dämpfung sind akt. oft ein sehr großes Problem und oft der Grund für Störungen an der Anlage.
watch hat geschrieben:Welche Stecker passen da?
Die Cabelcon 5.1 oder 4.9.
Die 5.1er passen auf alle diese Kabel (Hirschmann Koka + die normalen Koaxkabel).
watch hat geschrieben:Benötige ich für den Anschluss am PA die Variante mit Dichtring, oder ist dieser Stecker generell zu empfehlen? Im Haus reicht wohl der ohne Dichtring.
Ich montiere unter den Ziegeln immer die mit dem "W", kosten ja nicht die Welt mehr.
watch hat geschrieben:Vielen Dank für die Unterstützung.
:thx
Vielleicht sind wir nicht günstiger als ein Discounter oder reiner Online-Kartonschieber, aber sicherlich besser !
Normkonforme Beratung und Bau sind bei uns selbstverständlich.
Sat-Shop Heilbronn Kunden können sich auch nach dem Kauf auf unseren besten Service verlassen
Hier im Forum wird kein After-Sales-Support für Fremdkäufe geleistet !! Wenden Sie sich dazu an ihren Verkäufer ......

Tristan Uhde / Satanlagen Onlineshop / SAT-Shop Heilbronn
https://www.satshop-heilbronn.de (SSL) / SAT-Onlineforum https://www.satanlagenforum.de (SSL)
Tel ------ (Fragen gehören ins Forum ! Den nur hier können sie richtig bearbeitet werden, auch was hier noch nicht von A-Z genau schon erklärt/behandelt ist ) .. Dieser Hinweis weil täglich dutzende Fragen per Email oder per PM über das Forum rein kommen die noch dazu inhaltlich nicht das intus haben das man etwas dazu sagen könnte.

Wichtiger Hinweis: Zuständigkeiten verantwortliche Elektrofachkraft (VEFK) und Blitzschutzfachkräfte
Informieren Sie sich dort über Folgen und Auswirkungen von Eigenleistung und lassen Sie selbst durchgeführte Installationen von entsprechender Stelle prüfen und abnehmen. Dafür sind VOR ORT spezielle und qualifizierte Blitzschutz-Fachkräfte notwendig, Ferndiagnosen für Blitzschutz/Erdung können hier NICHT durchgeführt werden ("wie kann ICH das machen ..." oder ähnlich bringt da nichts).

Diese Signatur wächst von Woche zu Woche und enthält immer mehr grundlegende Inhalte die bitte berücksichtigt werden sollten bei bzw. VOR Anfragen !
100% beantwortet werden können nur Anfragen die auch alle relevanten Teile beinhalten die man benötigt für eine Antwort (genaue Beschreibungen/ Angabe von Herstellern/Typen für vorhandenes Material etc.). Bitte vermeiden Sie Aussagen wie "habe viel gelesen, aber versteht das nicht ..." ohne Nennung von dem was Sie gelesen haben und was genau unklar war an den Erklärungen die hier gelesen wurden - den nur dann kann man auch darauf eingehen was event. unklar ist/war.

Bitte unbedingt vor einem Post lesen => Boardregeln / Datenschutz
Wir erteilen hier keine Rechtsberatung, unsere Hinweise sind nach bestem Wissen und bedürfen einer entsprechenden juristischen/technischen weiteren Beratung.
watch
postet ab und zu
Beiträge: 10
Registriert: 29. März 2017 15:13

Re: von Kabel auf SAT Unicabel/JESS

Ungelesener Beitrag von watch »

Nochmal Hallo,
techno-com hat geschrieben:Und ich endlich die Zeit die Antwort rein zu tippen,
Ging ja eh super schnell mit Ihrer Antwort. :1147

Ein Dachaufbau ist mittlerweile die 1. Wahl.
techno-com hat geschrieben:Bilder dann zum Mast-nahen PA auch unter Umstieg Kabel -> SAT mit 2 Satelliten in Mehrfamilienhaus
Genau so wollte ich das auch machen.
Die Sat Schüssel soll auf die Nordseite nähe dem Dachfirst (da dort auch Tritte für den Kaminkehrer liegen) und mit den Kabel muss ich dann über die Südseite, durch das Dach in den Verteilerraum. Deshalb die Kabellänge von ca 10m vom PA zum Verteiler.

Die Erdung hab ich mal noch eingezeichnet (grüne gestrichelte Linie)

Eine Aufstellung mit allem was ich so brauche, hab ich noch nicht gemacht. Bin da noch am sammeln. :1128

Bei den Hirschmann EBC gibt es ja den EBC13, dreifach mit Diode. ja, ich weiß ist falsch bei mir. Gibt es den auch ohne Diode, oder muss ich den EBC114 nehmen und einen Ausgang mit Widerstand abschließen?

Ansonsten sind WIR :1119 auf einem guten Weg denke ich.

:thx

Viele Grüße
Peter
Dateianhänge
SAT_5.jpg
Benutzeravatar
techno-com
Site Admin
Beiträge: 22464
Registriert: 17. November 2005 09:32
Wohnort: 74076 Heilbronn
Hat sich bedankt: 505 Mal
Danksagung erhalten: 575 Mal
Kontaktdaten:

Re: von Kabel auf SAT Unicabel/JESS

Ungelesener Beitrag von techno-com »

watch hat geschrieben:Nochmal Hallo,
Dito :1117
watch hat geschrieben:Ging ja eh super schnell mit Ihrer Antwort.
Geb mein Bestes, geht aber nicht immer :1113
watch hat geschrieben:Ein Dachaufbau ist mittlerweile die 1. Wahl.
watch hat geschrieben:Eine Aufstellung mit allem was ich so brauche, hab ich noch nicht gemacht. Bin da noch am sammeln.
Ok, dann kein Wunder das dieses Montagezubehör für den Dachaufbau noch nicht genannt wurde.... bin mir aber sicher wenn ich das hier alles lese das auch dies für sie kein Problem darstellen wird. Die hier jetzt neu gesetzten Links erklären ja eigentlich alles zum Dachsparrenhalter + Zubehör (z.B. Mastkappe mit Kabeldurchführung Dur-Line MaKa50 ...).
watch hat geschrieben:Die Sat Schüssel soll auf die Nordseite nähe dem Dachfirst (da dort auch Tritte für den Kaminkehrer liegen) .....
Hinweis: dann wird der längere Antennenmast benötigt => Dur-Line Herkules S48/1300 mit 130cm Mast (da ja der Antennenausleger hin zum "steigenden" Dach dann zeigt).
Siehe auch unter unikabel un kabel deutschlant internet + Antennenmast auf Dach-Nordseite + Dopelhaus-Versorgung
watch hat geschrieben:Die Erdung hab ich mal noch eingezeichnet (grüne gestrichelte Linie)
Da noch eines ... unten an den Ausgängen nicht nur die 2 Kabel die zu den Verteilern führen in den PA mit rein, sondern dort alle abgehenden in die Zimmer (also 5 Kabel über diesen Erdungsblock statt nur 2 wie in ihrer Zeichnung) ! Alle Kabel müssen da mit drauf !
watch hat geschrieben:Bei den Hirschmann EBC gibt es ja den EBC13, dreifach mit Diode. ja, ich weiß ist falsch bei mir. Gibt es den auch ohne Diode, oder muss ich den EBC114 nehmen und einen Ausgang mit Widerstand abschließen?
1. die EBC-Verteiler sind von Kathrein und nicht von Hirschmann :1112
2. da die diodenentkoppelten Antennendosen (Jultec JAD307TRS Enddose) dann noch folgen dort keinen Verteiler mit Diodenentkopplung rein
3. richtig wäre also der Kathrein EBC114 und richtig ist auch das der 4. offene Ausgang dann mit einem F-Endwiderstand DC-entkoppelt abgeschlossen werden muss dann
watch hat geschrieben:Ansonsten sind WIR :1119 auf einem guten Weg denke ich.
Richtig, sieht gut aus !
Vielleicht sind wir nicht günstiger als ein Discounter oder reiner Online-Kartonschieber, aber sicherlich besser !
Normkonforme Beratung und Bau sind bei uns selbstverständlich.
Sat-Shop Heilbronn Kunden können sich auch nach dem Kauf auf unseren besten Service verlassen
Hier im Forum wird kein After-Sales-Support für Fremdkäufe geleistet !! Wenden Sie sich dazu an ihren Verkäufer ......

Tristan Uhde / Satanlagen Onlineshop / SAT-Shop Heilbronn
https://www.satshop-heilbronn.de (SSL) / SAT-Onlineforum https://www.satanlagenforum.de (SSL)
Tel ------ (Fragen gehören ins Forum ! Den nur hier können sie richtig bearbeitet werden, auch was hier noch nicht von A-Z genau schon erklärt/behandelt ist ) .. Dieser Hinweis weil täglich dutzende Fragen per Email oder per PM über das Forum rein kommen die noch dazu inhaltlich nicht das intus haben das man etwas dazu sagen könnte.

Wichtiger Hinweis: Zuständigkeiten verantwortliche Elektrofachkraft (VEFK) und Blitzschutzfachkräfte
Informieren Sie sich dort über Folgen und Auswirkungen von Eigenleistung und lassen Sie selbst durchgeführte Installationen von entsprechender Stelle prüfen und abnehmen. Dafür sind VOR ORT spezielle und qualifizierte Blitzschutz-Fachkräfte notwendig, Ferndiagnosen für Blitzschutz/Erdung können hier NICHT durchgeführt werden ("wie kann ICH das machen ..." oder ähnlich bringt da nichts).

Diese Signatur wächst von Woche zu Woche und enthält immer mehr grundlegende Inhalte die bitte berücksichtigt werden sollten bei bzw. VOR Anfragen !
100% beantwortet werden können nur Anfragen die auch alle relevanten Teile beinhalten die man benötigt für eine Antwort (genaue Beschreibungen/ Angabe von Herstellern/Typen für vorhandenes Material etc.). Bitte vermeiden Sie Aussagen wie "habe viel gelesen, aber versteht das nicht ..." ohne Nennung von dem was Sie gelesen haben und was genau unklar war an den Erklärungen die hier gelesen wurden - den nur dann kann man auch darauf eingehen was event. unklar ist/war.

Bitte unbedingt vor einem Post lesen => Boardregeln / Datenschutz
Wir erteilen hier keine Rechtsberatung, unsere Hinweise sind nach bestem Wissen und bedürfen einer entsprechenden juristischen/technischen weiteren Beratung.
watch
postet ab und zu
Beiträge: 10
Registriert: 29. März 2017 15:13

Re: von Kabel auf SAT Unicabel/JESS

Ungelesener Beitrag von watch »

also so dann richtig, oder?
Dateianhänge
SAT_6.jpg
Benutzeravatar
techno-com
Site Admin
Beiträge: 22464
Registriert: 17. November 2005 09:32
Wohnort: 74076 Heilbronn
Hat sich bedankt: 505 Mal
Danksagung erhalten: 575 Mal
Kontaktdaten:

Re: von Kabel auf SAT Unicabel/JESS

Ungelesener Beitrag von techno-com »

watch hat geschrieben:also so dann richtig, oder?
:1147

Übrigens/Hinweis... diese 2x 5 Erdungsblöcke kann auch einer sein, das wäre dann der 11-fache Erdungsblock ! Rund um den Multischalter also alles über diese eine PA-Schiene laufen lassen reicht, die müssen nicht getrennt sein.
Vielleicht sind wir nicht günstiger als ein Discounter oder reiner Online-Kartonschieber, aber sicherlich besser !
Normkonforme Beratung und Bau sind bei uns selbstverständlich.
Sat-Shop Heilbronn Kunden können sich auch nach dem Kauf auf unseren besten Service verlassen
Hier im Forum wird kein After-Sales-Support für Fremdkäufe geleistet !! Wenden Sie sich dazu an ihren Verkäufer ......

Tristan Uhde / Satanlagen Onlineshop / SAT-Shop Heilbronn
https://www.satshop-heilbronn.de (SSL) / SAT-Onlineforum https://www.satanlagenforum.de (SSL)
Tel ------ (Fragen gehören ins Forum ! Den nur hier können sie richtig bearbeitet werden, auch was hier noch nicht von A-Z genau schon erklärt/behandelt ist ) .. Dieser Hinweis weil täglich dutzende Fragen per Email oder per PM über das Forum rein kommen die noch dazu inhaltlich nicht das intus haben das man etwas dazu sagen könnte.

Wichtiger Hinweis: Zuständigkeiten verantwortliche Elektrofachkraft (VEFK) und Blitzschutzfachkräfte
Informieren Sie sich dort über Folgen und Auswirkungen von Eigenleistung und lassen Sie selbst durchgeführte Installationen von entsprechender Stelle prüfen und abnehmen. Dafür sind VOR ORT spezielle und qualifizierte Blitzschutz-Fachkräfte notwendig, Ferndiagnosen für Blitzschutz/Erdung können hier NICHT durchgeführt werden ("wie kann ICH das machen ..." oder ähnlich bringt da nichts).

Diese Signatur wächst von Woche zu Woche und enthält immer mehr grundlegende Inhalte die bitte berücksichtigt werden sollten bei bzw. VOR Anfragen !
100% beantwortet werden können nur Anfragen die auch alle relevanten Teile beinhalten die man benötigt für eine Antwort (genaue Beschreibungen/ Angabe von Herstellern/Typen für vorhandenes Material etc.). Bitte vermeiden Sie Aussagen wie "habe viel gelesen, aber versteht das nicht ..." ohne Nennung von dem was Sie gelesen haben und was genau unklar war an den Erklärungen die hier gelesen wurden - den nur dann kann man auch darauf eingehen was event. unklar ist/war.

Bitte unbedingt vor einem Post lesen => Boardregeln / Datenschutz
Wir erteilen hier keine Rechtsberatung, unsere Hinweise sind nach bestem Wissen und bedürfen einer entsprechenden juristischen/technischen weiteren Beratung.
 


  • Related Topics
    Antworten
    Zugriffe
    Letzter Beitrag
Antworten

Zurück zu „Fragen zu digitalen SAT- Einkabelsystemen“